Fractional-Order Approximation and Synthesis of a PID Controller for a Buck Converter
Abstract
1. Introduction
- Lower order derivatives implies lower (reduction) levels of noise.
- Robustness against parameters variations.
- Better description of systems due to an extra degree of freedom (the fractional order).
- Fits better the frequency behavior of some systems.
- Fractional relations are realizable through ladder, trees or fractal arrangements of traditional electronic elements.
- Good description of long-term memory effects, non-locality and fractal properties of systems.
- Exact (good) approximation of systems with lumped (distributed) parameters.
- Flexibility to approximate systems with large dimensional nature.
2. Materials and Methods
2.1. Buck Converter
2.2. Fractional-Order Approximation of Laplacian Operator
3. Results
3.1. Synthesis and Tuning of Fractional-Order PID Controller
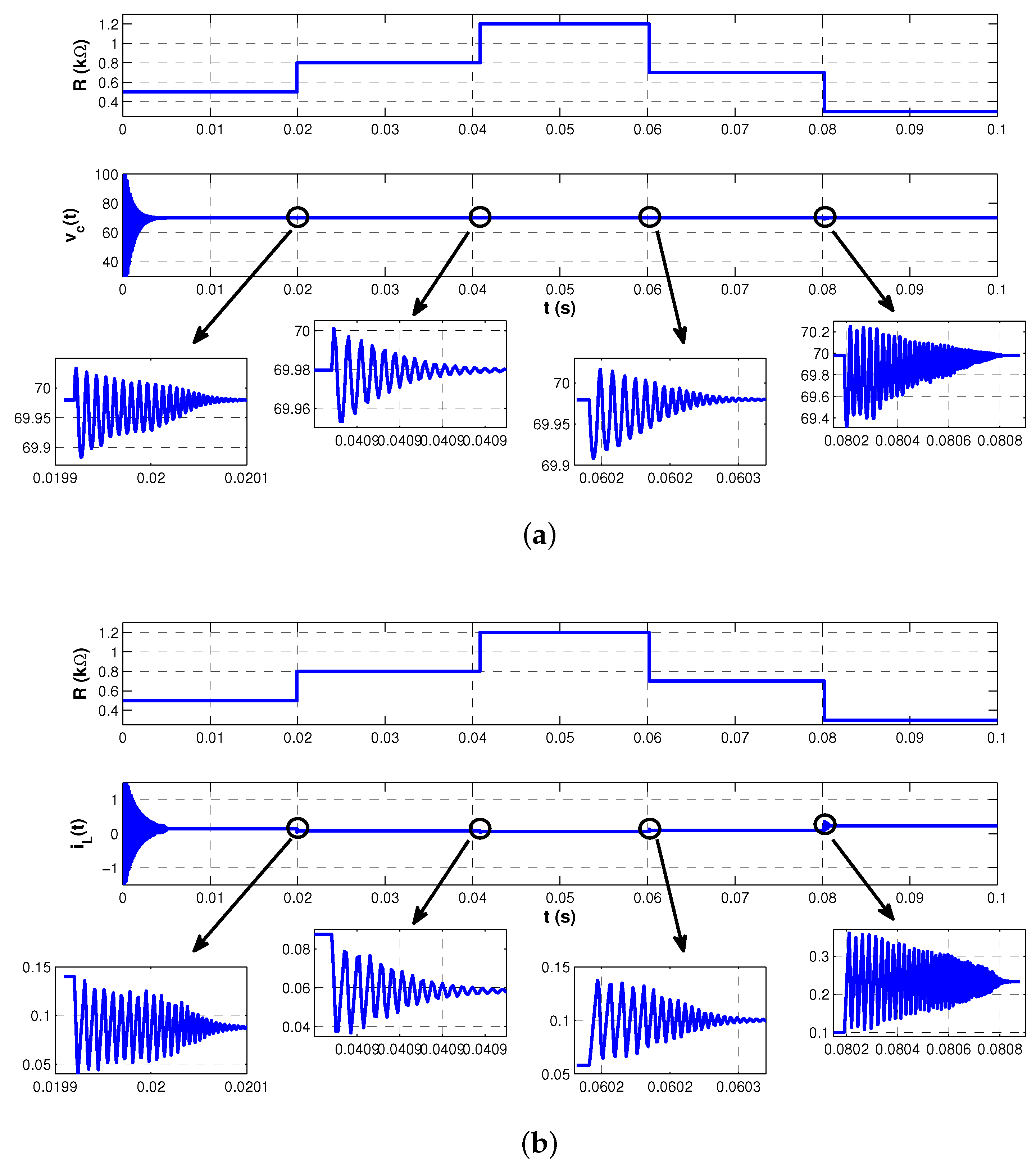
3.2. Numerical Results
- Investigate the stability margins of the uncontrolled plant.
- Compute the fractional-order of the controller.
- Determine the phase contribution of the controller .
- Determine the integral time constant .
- Determine the controller gain .
- Compute open– and closed-loop transfer functions, evaluate stability and stability margins.
- If stability margins were not met, from the obtained values, slightly move up/down until the desired margins are met.
3.3. Comparison with Integer–Order PID Controllers
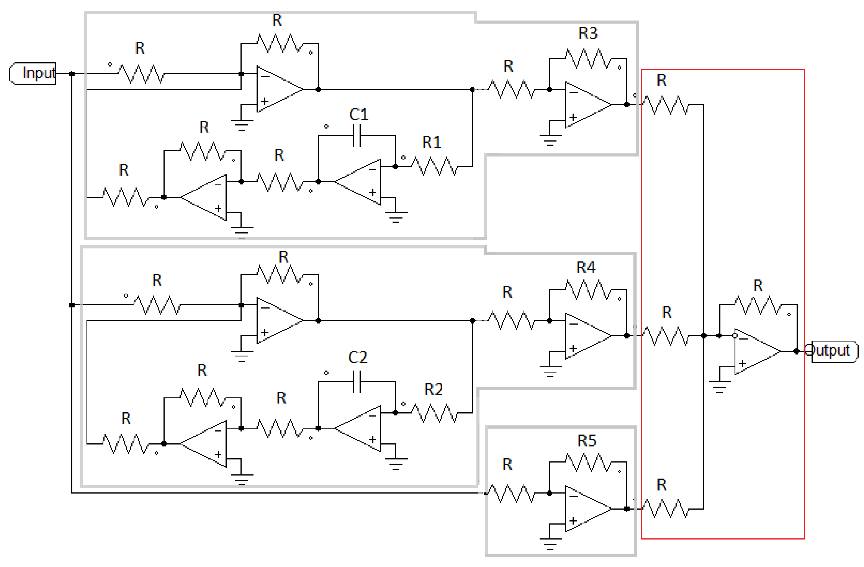
4. Proposal for Practical Realization of Fractional-Order PID Controller
5. Discussion
6. Conclusions
Author Contributions
Acknowledgments
Conflicts of Interest
Appendix A

| Parameter | Value 1 | Value 2 | Factor |
|---|---|---|---|
| r | −1.2691 | −0.0001 | |
| p | −8.2292 | −0.0149 | |
| k | 0.0000 | 1.6112 |
Appendix B


| Parameter | Value | Parameter | Value |
|---|---|---|---|
| 10 k | 0.67 M | ||
| 0.12 | 0.45 M | ||
| 67 | 1 F | ||
| 15.4 M | 1 F |
References
- Erickson, R.W.; Maksimovic, D. Fundamentals of Power Electronics; Springer Science & Business Media: Berlin/Heidelberg, Germany, 2007. [Google Scholar]
- Xu, Q.; Yan, Y.; Zhang, C.; Dragicevic, T.; Blaabjerg, F. An Offset–free Composite Model Predictive Control Strategy for DC/DC Buck Converter Feeding Constant Power Loads. IEEE Trans. Power Electron. 2019. [Google Scholar] [CrossRef]
- Hou, N.; Li, Y. The Comprehensive Circuit–Parameter Estimating Strategies for Output-Parallel Dual Active Bridge DC–DC Converters with Tunable Power Sharing Control. IEEE Trans. Ind. Electron. 2019. [Google Scholar] [CrossRef]
- El-Shahat, A.; Sumaiya, S. DC–Microgrid System Design, Control, and Analysis. Electronics 2019, 8, 124. [Google Scholar] [CrossRef]
- Mohseni, P.; Hosseini, S.H.; Maalandish, M. A New Soft Switching DC–DC Converter with High Voltage Gain Capability. IEEE Trans. Ind. Electron. 2019. [Google Scholar] [CrossRef]
- Soh, J.H.; Kang, S.W.; Kim, R.Y. Conduction Loss Analysis According to Variation of Resonant Parameters in a Zero–Current Switching Boost Converter. J. Electr. Eng. Technol. 2019, 14, 2027–2037. [Google Scholar] [CrossRef]
- AlMa’aitah, M.; Abuashour, M.I.; Al-Hattab, M.; Abdallah, O.; Sweidan, T.O. Optimisation of PID controller employing PSO algorithm for interleaved buck–boost power electronic converter. Int. J. Ind. Electron. Drives 2019, 5, 49–55. [Google Scholar]
- Trujillo, O.A.; Toro-García, N.; Hoyos, F.E. PID controller using rapid control prototyping techniques. Int. J. Electr. Comput. Eng. 2019, 9, 1645–1655. [Google Scholar] [CrossRef]
- Mohapatra, T.K.; Dey, A.K.; Mohapatra, K.K.; Sahu, B. A novel non-isolated positive output voltage buck–boost converter. World J. Eng. 2019, 16, 201–211. [Google Scholar] [CrossRef]
- Hoyos, F.E.; Candelo-Becerra, J.E.; Hoyos Velasco, C.I. Model-based Quasi–Sliding Mode Control with Loss Estimation Applied to DC–DC Power Converters. Electronics 2019, 8, 1086. [Google Scholar] [CrossRef]
- He, W.; Ortega, R.; Machado, J.E.; Li, S. An Adaptive Passivity-based Controller of a Buck–Boost Converter with a Constant Power Load. Asian J. Control 2019, 21, 581–595. [Google Scholar] [CrossRef]
- Jaikrishna, V.; Dash, S.S.; Alex, L.T.; Sridhar, R. Investigation on modular flyback converters using PI and fuzzy logic controllers. Int. J. Ambient Energy 2019, 40, 12–20. [Google Scholar] [CrossRef]
- Al-Majidi, S.D.; Abbod, M.F.; Al-Raweshidy, H.S. Design of an Efficient Maximum Power Point Tracker Based on ANFIS Using an Experimental Photovoltaic System Data. Electronics 2019, 8, 858. [Google Scholar] [CrossRef]
- Abbas, G.; Gu, J.; Farooq, U.; Abid, M.; Raza, A.; Asad, M.; Balas, V.; Balas, M. Optimized Digital Controllers for Switching–Mode DC–DC Step–Down Converter. Electronics 2018, 7, 412. [Google Scholar] [CrossRef]
- Hidalgo-Reyes, J.; Gómez-Aguilar, J.; Escobar-Jiménez, R.; Alvarado-Martínez, V.; López-López, M. Classical and fractional-order modeling of equivalent electrical circuits for supercapacitors and batteries, energy management strategies for hybrid systems and methods for the state of charge estimation: A state of the art review. Microelectron. J. 2019, 85, 109–128. [Google Scholar] [CrossRef]
- Tarasov, V.E. Review of some promising fractional physical models. Int. J. Mod. Phys. B 2013, 27, 1330005. [Google Scholar] [CrossRef]
- Vinagre, B.; Feliu, V. Modeling and control of dynamic system using fractional calculus: Application to electrochemical processes and flexible structures. In Proceedings of the 41st IEEE Conference on Decision and Control, Las Vegas, NV, USA, 10–13 December 2002; pp. 214–239. [Google Scholar]
- Siddhartha, V.; Hote, Y.V.; Saxena, S. Non–ideal modelling and IMC based PID Controller Design of PWM DC–DC Buck Converter. IFAC–PapersOnLine 2018, 51, 639–644. [Google Scholar] [CrossRef]
- Saleem, O.; Shami, U.T.; Mahmood-ul Hasan, K. Time–optimal control of DC–DC buck converter using single–input fuzzy augmented fractional-order PI controller. Int. Trans. Electr. Energy Syst. 2019, 29, e12064. [Google Scholar] [CrossRef]
- Farsizadeh, H.; Gheisarnejad, M.; Mosayebi, M.; Rafiei, M.; Khooban, M.H. An intelligent and fast controller for DC/DC converter feeding CPL in a DC microgrid. IEEE Trans. Circuits Syst. II Express Briefs 2019. [Google Scholar] [CrossRef]
- Delavari, H.; Naderian, S. Backstepping fractional sliding mode voltage control of an islanded microgrid. IET Gener. Transm. Distrib. 2019, 13, 2464–2473. [Google Scholar] [CrossRef]
- Wang, J.; Xu, D.; Zhou, H.; Zhou, T. Adaptive fractional order sliding mode control for Boost converter in the Battery/Supercapacitor HESS. PLoS ONE 2018, 13, e0196501. [Google Scholar] [CrossRef]
- Sahin, E.; Altas, I.H. Optimized fractional order control of a cascaded synchronous buck–boost converter for a wave–UC hybrid energy system. Electr. Eng. 2018, 100, 653–665. [Google Scholar] [CrossRef]
- Al-Dhaifallah, M.; Nassef, A.M.; Rezk, H.; Nisar, K.S. Optimal parameter design of fractional order control based INC–MPPT for PV system. Sol. Energy 2018, 159, 650–664. [Google Scholar] [CrossRef]
- Soriano-Sánchez, A.G.; Posadas-Castillo, C.; Platas-Garza, M.A.; Arellano-Delgado, A. Synchronization and FPGA realization of complex networks with fractional-order Liu chaotic oscillators. Appl. Math. Comput. 2018, 332, 250–262. [Google Scholar]
- Muñoz-Vázquez, A.J.; Ortiz-Moctezuma, M.B.; Sánchez-Orta, A.; Parra-Vega, V. Adaptive robust control of fractional-order systems with matched and mismatched disturbances. Math. Comput. Simul. 2019, 162, 85–96. [Google Scholar] [CrossRef]
- Arthi, G.; Park, J.H.; Suganya, K. Controllability of fractional order damped dynamical systems with distributed delays. Math. Comput. Simul. 2019, 165, 74–91. [Google Scholar] [CrossRef]
- Sira-Ramirez, H.J.; Silva-Ortigoza, R. Control Design Techniques in Power Electronics Devices; Springer Science & Business Media: Berlin/Heidelberg, Germany, 2006. [Google Scholar]
- Rodríguez-Licea, M.A.; Pérez Pinal, F.J.; Nuñez-Perez, J.C.; Herrera Ramirez, C.A. Nonlinear robust control for low voltage direct–current residential microgrids with constant power loads. Energies 2018, 11, 1130. [Google Scholar] [CrossRef]
- El-Khazali, R. Fractional-order PIλDμ controller design. Comput. Math. Appl. 2013, 66, 639–646. [Google Scholar] [CrossRef]
- El-Khazali, R. On the biquadratic approximation of fractional-order Laplacian operators. Analog Integr. Circuits Signal Process. 2015, 82, 503–517. [Google Scholar] [CrossRef]
- Podlubny, I.; Petráš, I.; Vinagre, B.M.; O’leary, P.; Dorčák, L. Analogue realizations of fractional-order controllers. Nonlinear Dyn. 2002, 29, 281–296. [Google Scholar] [CrossRef]
- Wallén, A.; ÅRström, K.; Hägglun, T. Loop–Shaping Design Of PID Controllers With Constant Ti/Td RATIO. Asian J. Control 2002, 4, 403–409. [Google Scholar] [CrossRef]
- Monje, C.A.; Vinagre, B.M.; Feliu, V.; Chen, Y. Tuning and auto–tuning of fractional order controllers for industry applications. Control Eng. Pract. 2008, 16, 798–812. [Google Scholar] [CrossRef]
- Ogata, K. Modern Control Engineering; Prentice Hall: Upper Saddle River, NJ, USA, 2009. [Google Scholar]
- Aström, K.J.; Murray, R.M. Feedback Systems: An Introduction for Scientists and Engineers; Princeton University Press: Princeton, NJ, USA, 2010. [Google Scholar]
- Zurita-Bustamante, E.W.; Linares-Flores, J.; Guzmán-Ramírez, E.; Sira-Ramírez, H. A comparison between the GPI and PID controllers for the stabilization of a DC–DC “buck” converter: A field programmable gate array implementation. IEEE Trans. Ind. Electron. 2011, 58, 5251–5262. [Google Scholar] [CrossRef]
- Packard, A.; Doyle, J. The complex structured singular value. Automatica 1993, 29, 71–109. [Google Scholar] [CrossRef]
- Vinagre, B.; Podlubny, I.; Hernandez, A.; Feliu, V. Some approximations of fractional order operators used in control theory and applications. Fract. Calc. Appl. Anal. 2000, 3, 231–248. [Google Scholar]
- Tlelo-Cuautle, E.; Pano-Azucena, A.D.; Guillén-Fernández, O.; Silva-Juárez, A. Analog/Digital Implementation of Fractional Order Chaotic Circuits and Applications; Springer: Berlin/Heidelberg, Germany, 2020. [Google Scholar]
- Bingi, K.; Ibrahim, R.; Karsiti, M.N.; Hassan, S.M.; Harindran, V.R. Fractional-Order Systems and PID Controllers: Using Scilab and Curve Fitting Based Approximation Techniques; Springer Nature: Berlin/Heidelberg, Germany, 2019; Volume 264. [Google Scholar]
- Valério, D. Ninteger. MATLAB Central File Exchange. Available online: https://www.mathworks.com/matlabcentral/fileexchange/8312-ninteger (accessed on 13 January 2020).
- MATLAB. Partial Fraction Expansion (Partial Fraction Decomposition)—MATLAB Residue. Available online: https://la.mathworks.com/help/matlab/ref/residue.html (accessed on 13 January 2020).
- Newark. FYD0H105ZF–Supercapacitor, 1 F, 5.5 V, Radial Leaded, FY Series, +80%, -20%, 7.62 mm. Available online: https://www.newark.com/kemet/fyd0h105zf/super-capacitor-1f-5-5v-radial/dp/42AC9623?ost=FYD0H105ZF&ddkey=http%3Aen-US%2FElement14_US%2Fsearch (accessed on 13 January 2020).












| Element | Notation | Value |
|---|---|---|
| DC voltage source | 100 V | |
| Capacitor | C | 1 F |
| Inductor | L | 2.2 mH |
| Resistance (Load) | R | 500 |
| Parameter | Notation | FO PID | Typical PID 1st Op. | Typical PID 2nd Op. |
|---|---|---|---|---|
| Steady–state error | 0.0001 | 0 | 0 | |
| Time constant | 1.09 s | 1.37 s | 1.67 s | |
| Rising time | 1.39 s | 1.5 s | 2.05 s | |
| Peak time | 2.77 s | 3.9 s | 5.22 s | |
| Settling time | 12 s | 35.9 s | 26.5 s | |
| Overshoot | %M | 53.8% | 66.7% | 45% |
| Constant | Exponent |
|---|---|
| Parameter | Value | Parameter | Value |
|---|---|---|---|
| R | 10 k | 0.67 M | |
| 0.12 | 0.45 M | ||
| 67 | 1 F | ||
| 15.4 M | 1 F |
© 2020 by the authors. Licensee MDPI, Basel, Switzerland. This article is an open access article distributed under the terms and conditions of the Creative Commons Attribution (CC BY) license (http://creativecommons.org/licenses/by/4.0/).
Share and Cite
Soriano-Sánchez, A.G.; Rodríguez-Licea, M.A.; Pérez-Pinal, F.J.; Vázquez-López, J.A. Fractional-Order Approximation and Synthesis of a PID Controller for a Buck Converter. Energies 2020, 13, 629. https://doi.org/10.3390/en13030629
Soriano-Sánchez AG, Rodríguez-Licea MA, Pérez-Pinal FJ, Vázquez-López JA. Fractional-Order Approximation and Synthesis of a PID Controller for a Buck Converter. Energies. 2020; 13(3):629. https://doi.org/10.3390/en13030629
Chicago/Turabian StyleSoriano-Sánchez, Allan G., Martín A. Rodríguez-Licea, Francisco J. Pérez-Pinal, and José A. Vázquez-López. 2020. "Fractional-Order Approximation and Synthesis of a PID Controller for a Buck Converter" Energies 13, no. 3: 629. https://doi.org/10.3390/en13030629
APA StyleSoriano-Sánchez, A. G., Rodríguez-Licea, M. A., Pérez-Pinal, F. J., & Vázquez-López, J. A. (2020). Fractional-Order Approximation and Synthesis of a PID Controller for a Buck Converter. Energies, 13(3), 629. https://doi.org/10.3390/en13030629

