A Controller for Optimum Electrical Power Extraction from a Small Grid-Interconnected Wind Turbine
Abstract
1. Introduction
2. Wind Turbine Generalities: Small Wind and PMSG
2.1. Small Wind
2.2. Permanent Magnet Synchronous Generator
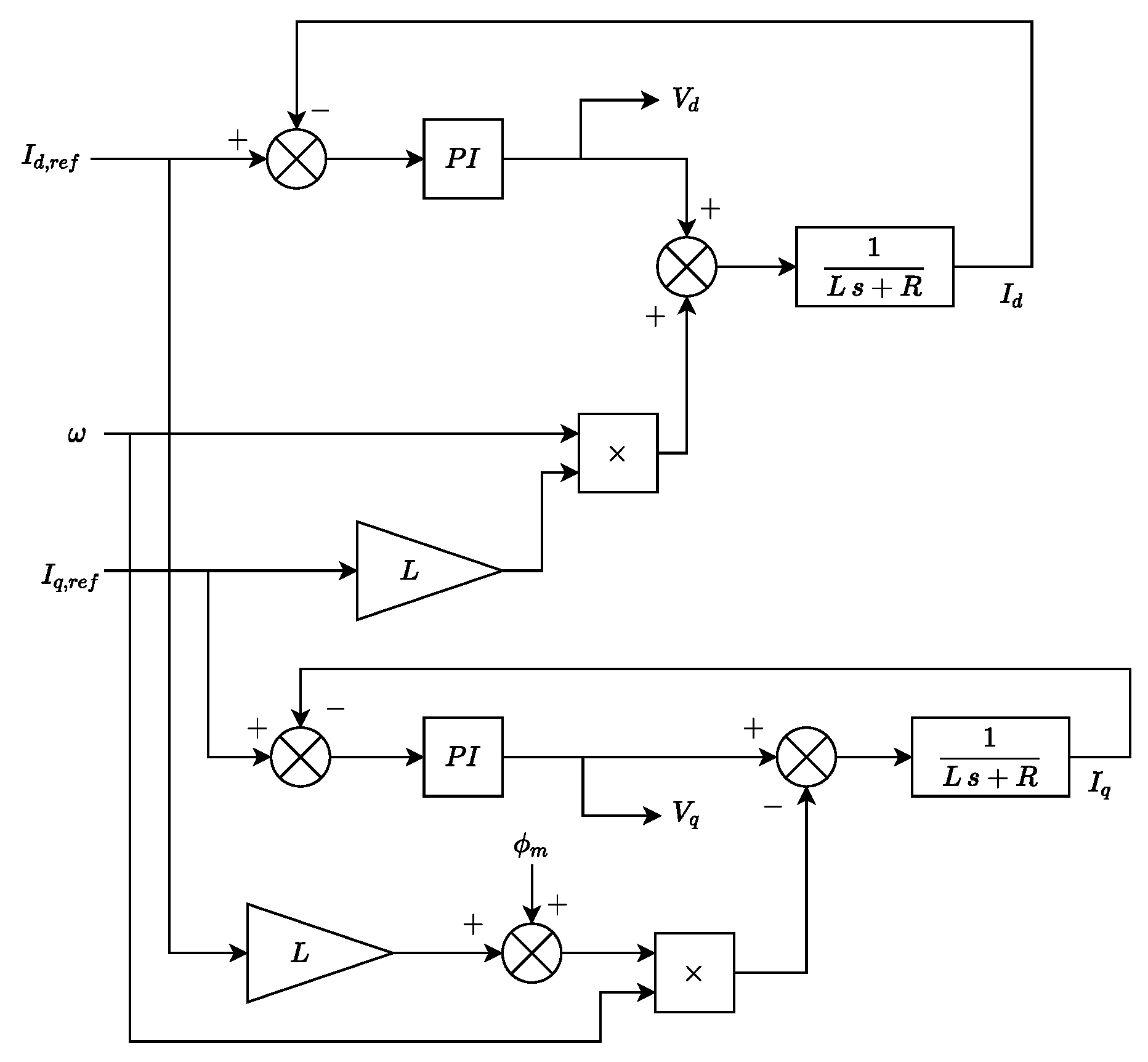
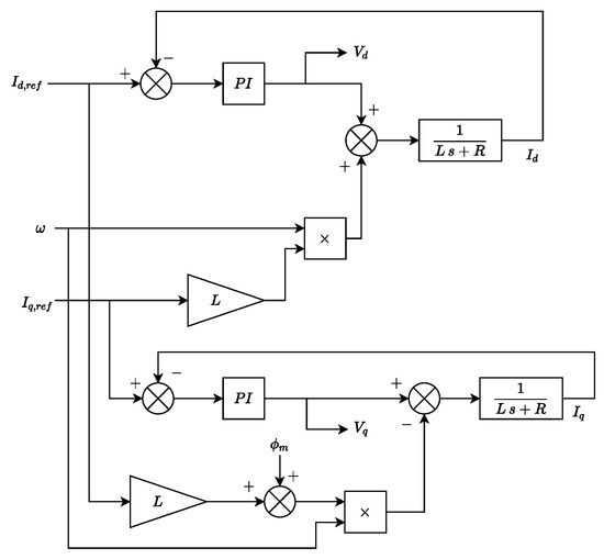
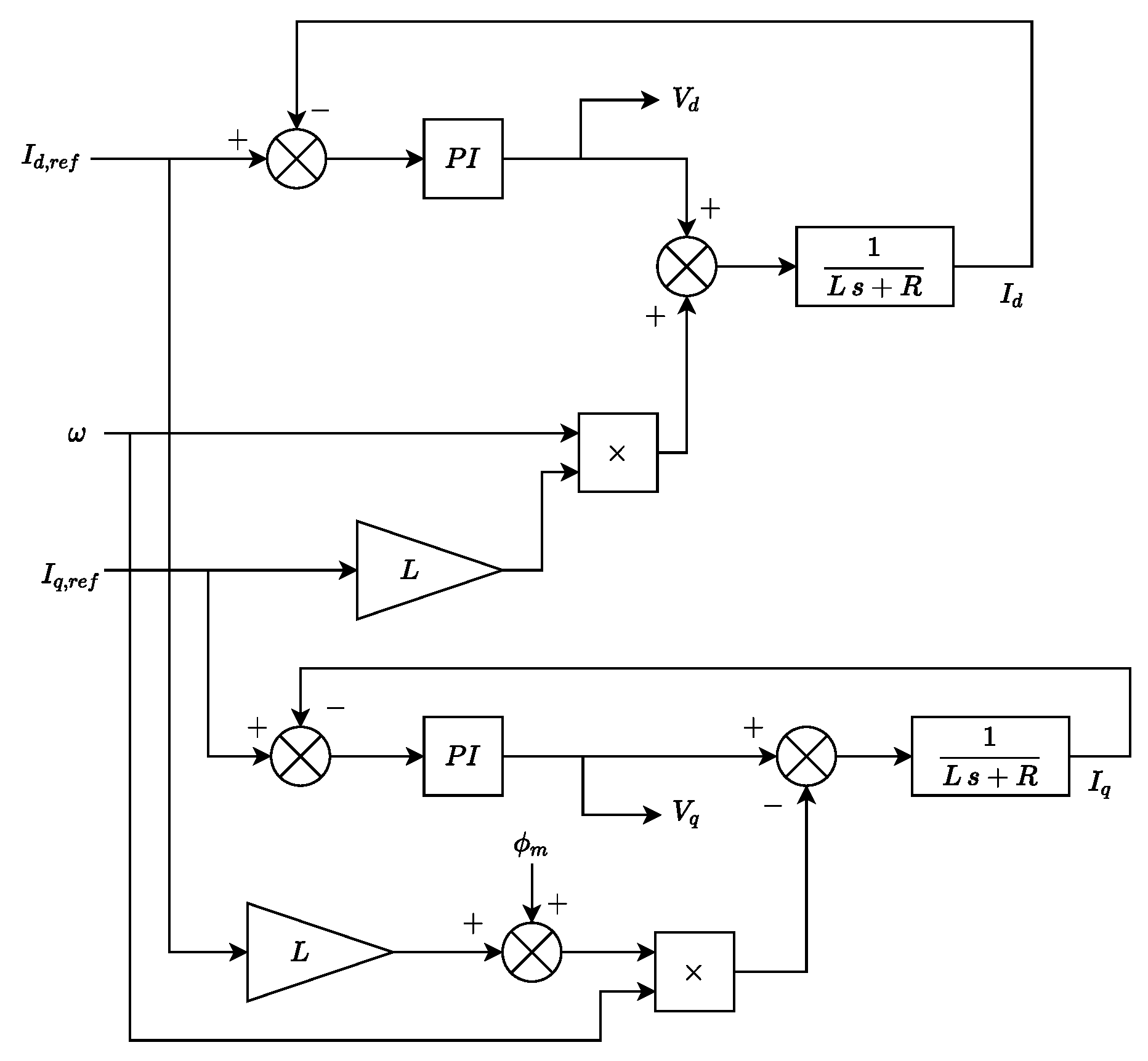
3. Optimum Electrical Power Extraction
4. Results
4.1. Wind Speed Variation
4.2. Local Load Variation
5. Conclusions
Author Contributions
Funding
Conflicts of Interest
Abbreviations
| blade pitch angle | |
| tip speed ratio | |
| air density | |
| PMSG magnetic flux | |
| generator speed | |
| rotor speed | |
| p | number of pairs of poles |
| wind speed | |
| A | swept area by the blades |
| power coefficient | |
| maximum power coefficient | |
| D | damping friction coefficient |
| H | inertia constant |
| d-axis components of the current | |
| reference current | |
| q-axis components of the current | |
| reference current | |
| d-axis inductance | |
| q-axis inductance | |
| mechanical power | |
| maximum power | |
| wind power | |
| stator winding resistance | |
| electromagnetic torque | |
| wind turbine torque | |
| d-axis components of the voltage | |
| q-axis components of the voltage | |
| FSWT | Fixed Speed Wind Turbine |
| MPPT | Maximum Power Point Tracking |
| PMSG | Permanent Magnet Synchronous Generator |
| VSWT | Variable Speed Wind Turbine |
References
- Fernández-Guillamón, A.; Villena-Lapaz, J.; Vigueras-Rodríguez, A.; García-Sánchez, T.; Molina-García, Á. An adaptive frequency strategy for variable speed wind turbines: Application to high wind integration into power systems. Energies 2018, 11, 1436. [Google Scholar] [CrossRef]
- Fernández-Guillamón, A.; Sarasúa, J.I.; Chazarra, M.; Vigueras-Rodríguez, A.; Fernández-Muñoz, D.; Molina-García, A. Frequency control analysis based on unit commitment schemes with high wind power integration: A Spanish isolated power system case study. Int. J. Electr. Power Energy Syst. 2020, 121, 106044. [Google Scholar] [CrossRef]
- Huber, M.; Dimkova, D.; Hamacher, T. Integration of wind and solar power in Europe: Assessment of flexibility requirements. Energy 2014, 69, 236–246. [Google Scholar] [CrossRef]
- Fernández-Guillamón, A.; Martínez-Lucas, G.; Molina-García, Á.; Sarasua, J.I. Hybrid Wind–PV Frequency Control Strategy under Variable Weather Conditions in Isolated Power Systems. Sustainability 2020, 12, 7750. [Google Scholar] [CrossRef]
- Fernández-Guillamón, A.; Vigueras-Rodríguez, A.; Molina-García, Á. Analysis of power system inertia estimation in high wind power plant integration scenarios. IET Renew. Power Gener. 2019, 13, 2807–2816. [Google Scholar] [CrossRef]
- Fernández-Guillamón, A.; Das, K.; Cutululis, N.A.; Molina-García, Á. Offshore wind power integration into future power systems: Overview and trends. J. Mar. Sci. Eng. 2019, 7, 399. [Google Scholar] [CrossRef]
- Muñoz-Benavente, I.; Hansen, A.D.; Gómez-Lázaro, E.; García-Sánchez, T.; Fernández-Guillamón, A.; Molina-García, Á. Impact of combined demand-response and wind power plant participation in frequency control for multi-area power systems. Energies 2019, 12, 1687. [Google Scholar] [CrossRef]
- Gil-García, I.C.; García-Cascales, M.S.; Fernández-Guillamón, A.; Molina-García, A. Categorization and analysis of relevant factors for optimal locations in onshore and offshore wind power plants: A taxonomic review. J. Mar. Sci. Eng. 2019, 7, 391. [Google Scholar] [CrossRef]
- Molina-García, A.; Fernández-Guillamón, A.; Gómez-Lázaro, E.; Honrubia-Escribano, A.; Bueso, M.C. Vertical wind profile characterization and identification of patterns based on a shape clustering algorithm. IEEE Access 2019, 7, 30890–30904. [Google Scholar] [CrossRef]
- Global Wind Report 2019. Available online: https://gwec.net/global-wind-report-2019/ (accessed on 15 August 2020).
- Chagas, C.C.M.; Pereira, M.G.; Rosa, L.P.; da Silva, N.F.; Freitas, M.A.V.; Hunt, J.D. From Megawatts to Kilowatts: A Review of Small Wind Turbine Applications, Lessons From The US to Brazil. Sustainability 2020, 12, 2760. [Google Scholar] [CrossRef]
- Culotta, S.; Franzitta, V.; Milone, D.; Moncada Lo Giudice, G. Small wind technology diffusion in suburban areas of Sicily. Sustainability 2015, 7, 12693–12708. [Google Scholar] [CrossRef]
- Nazir, M.S.; Wang, Y.; Muhammad, B.; Hafiz M, S.; Kadhem, A.A.; Nazir, H.; Abdalla, A.N.; Ma, Y. Comparison of Small-Scale Wind Energy Conversion Systems: Economic Indexes. Clean Technol. 2020, 2, 10. [Google Scholar] [CrossRef]
- Polat, A.; Ergene, L.T. A New MPPT Method with Fuzzy Logic Tuning in Small Scale Wind Energy Conversion Systems. In Proceedings of the 2019 11th International Conference on Electrical and Electronics Engineering (ELECO), Bursa, Turkey, 28–30 November 2019; pp. 91–95. [Google Scholar]
- García-Sánchez, T.; Muñoz-Benavente, I.; Gómez-Lázaro, E.; Fernández-Guillamón, A. Modelling Types 1 and 2 Wind Turbines Based on IEC 61400-27-1: Transient Response under Voltage Dips. Energies 2020, 13, 4078. [Google Scholar] [CrossRef]
- Fernández-Guillamón, A.; Martínez-Lucas, G.; Molina-García, Á.; Sarasua, J.I. An Adaptive Control Scheme for Variable Speed Wind Turbines Providing Frequency Regulation in Isolated Power Systems with Thermal Generation. Energies 2020, 13, 3369. [Google Scholar] [CrossRef]
- Tiwari, R.; Padmanaban, S.; Neelakandan, R.B. Coordinated control strategies for a permanent magnet synchronous generator based wind energy conversion system. Energies 2017, 10, 1493. [Google Scholar] [CrossRef]
- Sajadi, M.; De Kooning, J.D.; Vandevelde, L.; Crevecoeur, G. Harvesting wind gust energy with small and medium wind turbines using a bidirectional control strategy. J. Eng. 2019, 2019, 4261–4266. [Google Scholar] [CrossRef]
- Pandey, A.K. Performance Analysis of PMSG Wind Turbine at Variable Wind Speed. In Proceedings of the 2018 5th IEEE Uttar Pradesh Section International Conference on Electrical, Electronics and Computer Engineering (UPCON), Gorakhpur, India, 2–4 November 2018; pp. 1–6. [Google Scholar]
- Chavero-Navarrete, E.; Trejo-Perea, M.; Jáuregui-Correa, J.C.; Carrillo-Serrano, R.V.; Ríos-Moreno, J.G. Expert control systems for maximum power point tracking in a wind turbine with PMSG: State of the art. Appl. Sci. 2019, 9, 2469. [Google Scholar] [CrossRef]
- Orlando, N.A.; Liserre, M.; Mastromauro, R.A.; Dell’Aquila, A. A survey of control issues in PMSG-based small wind-turbine systems. IEEE Trans. Ind. Inform. 2013, 9, 1211–1221. [Google Scholar] [CrossRef]
- Sokolovs, A.; Grigans, L. Front-end converter choice considerations for PMSG-based micro-wind turbines. In Proceedings of the 2015 56th International Scientific Conference on Power and Electrical Engineering of Riga Technical University (RTUCON), Riga, Latvia, 14 October 2015; pp. 1–6. [Google Scholar]
- Daili, Y.; Gaubert, J.P.; Rahmani, L.; Harrag, A. Quantitative feedback theory design of robust MPPT controller for small wind energy conversion systems: Design, analysis and experimental study. Sustain. Energy Technol. Assess. 2019, 35, 308–320. [Google Scholar] [CrossRef]
- Harrouz, A.; Colak, I.; Kayisli, K. Control of a small wind turbine system application. In Proceedings of the 2016 IEEE International Conference on Renewable Energy Research and Applications (ICRERA), Birmingham, UK, 20–23 November 2016; pp. 1128–1133. [Google Scholar]
- Zhang, X.; Huang, C.; Hao, S.; Chen, F.; Zhai, J. An improved adaptive-torque-gain MPPT control for direct-driven PMSG wind turbines considering wind farm turbulences. Energies 2016, 9, 977. [Google Scholar] [CrossRef]
- Shafiei, A.; Dehkordi, B.M.; Kiyoumarsi, A.; Farhangi, S. A control approach for a small-scale PMSG-based WECS in the whole wind speed range. IEEE Trans. Power Electron. 2017, 32, 9117–9130. [Google Scholar] [CrossRef]
- Oliveira, T.D.; Tofaneli, L.A.; Santos, A.Á.B. Combined effects of pitch angle, rotational speed and site wind distribution in small HAWT performance. J. Braz. Soc. Mech. Sci. Eng. 2020, 42, 1–18. [Google Scholar] [CrossRef]
- Battisti, L.; Benini, E.; Brighenti, A.; Dell’Anna, S.; Castelli, M.R. Small wind turbine effectiveness in the urban environment. Renew. Energy 2018, 129, 102–113. [Google Scholar] [CrossRef]
- Jeong, H.G.; Seung, R.H.; Lee, K.B. An improved maximum power point tracking method for wind power systems. Energies 2012, 5, 1339–1354. [Google Scholar] [CrossRef]
- Zhu, Y.; Cheng, M.; Hua, W.; Wang, W. A novel maximum power point tracking control for permanent magnet direct drive wind energy conversion systems. Energies 2012, 5, 1398–1412. [Google Scholar] [CrossRef]
- Chen, J.H.; Hung, W. Blade fault diagnosis in small wind power systems using mppt with optimized control parameters. Energies 2015, 8, 9191–9210. [Google Scholar] [CrossRef]
- Syahputra, R.; Soesanti, I. Performance Improvement for Small-Scale Wind Turbine System Based on Maximum Power Point Tracking Control. Energies 2019, 12, 3938. [Google Scholar] [CrossRef]
- Aubrée, R.; Auger, F.; Macé, M.; Loron, L. Design of an efficient small wind-energy conversion system with an adaptive sensorless MPPT strategy. Renew. Energy 2016, 86, 280–291. [Google Scholar] [CrossRef]
- Syskakis, T.; Ordonez, M. MPPT for Small Wind Turbines: Zero-Oscillation Sensorless Strategy. In Proceedings of the 2019 IEEE 10th International Symposium on Power Electronics for Distributed Generation Systems (PEDG), Xi’an, China, 3–6 June 2019; pp. 1060–1065. [Google Scholar]
- Lopez-Flores, D.R.; Duran-Gomez, J.L.; Chacon-Murguia, M.I. A Mechanical Sensorless MPPT Algorithm for a Wind Energy Conversion System based on a Modular Multilayer Perceptron and a Processor-in-the-Loop Approach. Electr. Power Syst. Res. 2020, 186, 106409. [Google Scholar] [CrossRef]
- Thongam, J.S.; Ouhrouche, M. MPPT control methods in wind energy conversion systems. In Fundamental and Advanced Topics in Wind Power; InTech: Vienna, Austria, 2011; pp. 339–360. [Google Scholar]
- Martinez, J. Modelling and control of wind turbines. In Department of Chemical Engineering and Chemical Technology; Imperial College London: London, UK, 2007. [Google Scholar]
- Urtasun, A.; Sanchis, P.; San Martín, I.; López, J.; Marroyo, L. Modeling of small wind turbines based on PMSG with diode bridge for sensorless maximum power tracking. Renew. Energy 2013, 55, 138–149. [Google Scholar] [CrossRef]
- Kot, R.; Rolak, M.; Malinowski, M. Comparison of maximum peak power tracking algorithms for a small wind turbine. Math. Comput. Simul. 2013, 91, 29–40. [Google Scholar] [CrossRef]
- Muhsen, H.; Al-Kouz, W.; Khan, W. Small Wind Turbine Blade Design and Optimization. Symmetry 2020, 12, 18. [Google Scholar] [CrossRef]
- Qi, Z.; Lin, E. Integrated power control for small wind power system. J. Power Sources 2012, 217, 322–328. [Google Scholar] [CrossRef]
- Doll, C.N.; Pachauri, S. Estimating rural populations without access to electricity in developing countries through night-time light satellite imagery. Energy Policy 2010, 38, 5661–5670. [Google Scholar] [CrossRef]
- Raturi, A.K. Renewables 2016 Global Status Report; REN21 Secretariat: Paris, France, 2016. [Google Scholar]
- Zhang, S.; Qi, J. Small wind power in China: Current status and future potentials. Renew. Sustain. Energy Rev. 2011, 15, 2457–2460. [Google Scholar] [CrossRef]
- Rehman, S.; Sahin, A.Z. Wind power utilization for water pumping using small wind turbines in Saudi Arabia: A techno-economical review. Renew. Sustain. Energy Rev. 2012, 16, 4470–4478. [Google Scholar] [CrossRef]
- Park, J.H.; Chung, M.H.; Park, J.C. Development of a small wind power system with an integrated exhaust air duct in high-rise residential buildings. Energy Build. 2016, 122, 202–210. [Google Scholar] [CrossRef]
- Simic, Z.; Havelka, J.G.; Vrhovcak, M.B. Small wind turbines—A unique segment of the wind power market. Renew. Energy 2013, 50, 1027–1036. [Google Scholar] [CrossRef]
- Parag, Y.; Sovacool, B.K. Electricity market design for the prosumer era. Nat. Energy 2016, 1, 1–6. [Google Scholar] [CrossRef]
- Kortabarria, I.; Andreu, J.; de Alegría, I.M.; Jiménez, J.; Gárate, J.I.; Robles, E. A novel adaptative maximum power point tracking algorithm for small wind turbines. Renew. Energy 2014, 63, 785–796. [Google Scholar] [CrossRef]
- Emejeamara, F.; Tomlin, A.; Millward-Hopkins, J. Urban wind: Characterisation of useful gust and energy capture. Renew. Energy 2015, 81, 162–172. [Google Scholar] [CrossRef]
- Britter, R.; Hanna, S. Flow and dispersion in urban areas. Annu. Rev. Fluid Mech. 2003, 35, 469–496. [Google Scholar] [CrossRef]
- Kumar, A.P.; Parimi, A.M.; Rao, K.U. Investigation of small PMSG based wind turbine for variable wind speed. In Proceedings of the 2015 International Conference on Recent Developments in Control, Automation and Power Engineering (RDCAPE), Noida, India, 12–13 March 2015; pp. 107–112. [Google Scholar]
- Askarov, A.; Andreev, M.; Ruban, N. Impact assessment of full-converter wind turbine generators integration on transients in power systems. In AIP Conference Proceedings; AIP Publishing LLC: Melville, NY, USA, 2020; Volume 2212, p. 020005. [Google Scholar]
- Pillay, P.; Krishnan, R. Modeling of permanent magnet motor drives. IEEE Trans. Ind. Electron. 1988, 35, 537–541. [Google Scholar] [CrossRef]
- Fitzgerald, A.E.; Kingsley, C.; Umans, S.D.; James, B. Electric Machinery; McGraw-Hill: New York, NY, USA, 2003; Volume 5. [Google Scholar]
- Shariatpanah, H.; Fadaeinedjad, R.; Rashidinejad, M. A new model for PMSG-based wind turbine with yaw control. IEEE Trans. Energy Convers. 2013, 28, 929–937. [Google Scholar] [CrossRef]
- Ata, R.; Koçyigit, Y. An adaptive neuro-fuzzy inference system approach for prediction of tip speed ratio in wind turbines. Expert Syst. Appl. 2010, 37, 5454–5460. [Google Scholar] [CrossRef]
- Anelion SW 3.5 GT. Available online: https://www.wind-turbine-models.com/turbines/950-anelion-sw-3.5-gt (accessed on 25 August 2020).
- Samar, A.; Saedin, P.; Tajudin, A.I.; Adni, N. The implementation of Field Oriented Control for PMSM drive based on TMS320F2808 DSP controller. In Proceedings of the 2012 IEEE International Conference on Control System, Computing and Engineering, Penang, Malaysia, 23–25 November 2012; pp. 612–616. [Google Scholar]
- Salles, M.B.; Hameyer, K.; Cardoso, J.R.; Grilo, A.; Rahmann, C. Crowbar system in doubly fed induction wind generators. Energies 2010, 3, 738–753. [Google Scholar] [CrossRef]
- Kim, Y.S.; Chung, I.Y.; Moon, S.I. Tuning of the PI controller parameters of a PMSG wind turbine to improve control performance under various wind speeds. Energies 2015, 8, 1406–1425. [Google Scholar] [CrossRef]
- Widanagama Arachchige, L.N.; Rajapakse, A.D.; Muthumuni, D. Implementation, comparison and application of an average simulation model of a wind turbine driven doubly fed induction generator. Energies 2017, 10, 1726. [Google Scholar] [CrossRef]
- Kim, C.; Gui, Y.; Zhao, H.; Kim, W. Coordinated LVRT Control for a Permanent Magnet Synchronous Generator Wind Turbine with Energy Storage System. Appl. Sci. 2020, 10, 3085. [Google Scholar] [CrossRef]
- Das, K.; Hansen, A.D.; Sørensen, P.E. Understanding IEC standard wind turbine models using SimPowerSystems. Wind Eng. 2016, 40, 212–227. [Google Scholar] [CrossRef]










| Parameter | Symbol | Value | Controller | Value |
|---|---|---|---|---|
| PMSG stator resistance | 0.425 | 70 | ||
| PMSG inductance | 8.4 mH | 960 | ||
| Generator poles | p | 8 | 20 | |
| Flux linkage of PMSG | 0.433 Wb·t | 720 | ||
| Wind turbine blade radius | R | 1.75 m | 20 | |
| Combined inertia of rotor | J | 0.02 kg m | 720 | |
| Friction factor | D | 0.0002 N m s |
Publisher’s Note: MDPI stays neutral with regard to jurisdictional claims in published maps and institutional affiliations. |
© 2020 by the authors. Licensee MDPI, Basel, Switzerland. This article is an open access article distributed under the terms and conditions of the Creative Commons Attribution (CC BY) license (http://creativecommons.org/licenses/by/4.0/).
Share and Cite
García-Sánchez, T.; Mishra, A.K.; Hurtado-Pérez, E.; Puché-Panadero, R.; Fernández-Guillamón, A. A Controller for Optimum Electrical Power Extraction from a Small Grid-Interconnected Wind Turbine. Energies 2020, 13, 5809. https://doi.org/10.3390/en13215809
García-Sánchez T, Mishra AK, Hurtado-Pérez E, Puché-Panadero R, Fernández-Guillamón A. A Controller for Optimum Electrical Power Extraction from a Small Grid-Interconnected Wind Turbine. Energies. 2020; 13(21):5809. https://doi.org/10.3390/en13215809
Chicago/Turabian StyleGarcía-Sánchez, Tania, Arbinda Kumar Mishra, Elías Hurtado-Pérez, Rubén Puché-Panadero, and Ana Fernández-Guillamón. 2020. "A Controller for Optimum Electrical Power Extraction from a Small Grid-Interconnected Wind Turbine" Energies 13, no. 21: 5809. https://doi.org/10.3390/en13215809
APA StyleGarcía-Sánchez, T., Mishra, A. K., Hurtado-Pérez, E., Puché-Panadero, R., & Fernández-Guillamón, A. (2020). A Controller for Optimum Electrical Power Extraction from a Small Grid-Interconnected Wind Turbine. Energies, 13(21), 5809. https://doi.org/10.3390/en13215809

