Resonant Network Design Method to Reduce Influence of Mutual Inductance between Receivers in Multi-Output Omnidirectional Wireless Power Transfer Systems
Abstract
1. Introduction
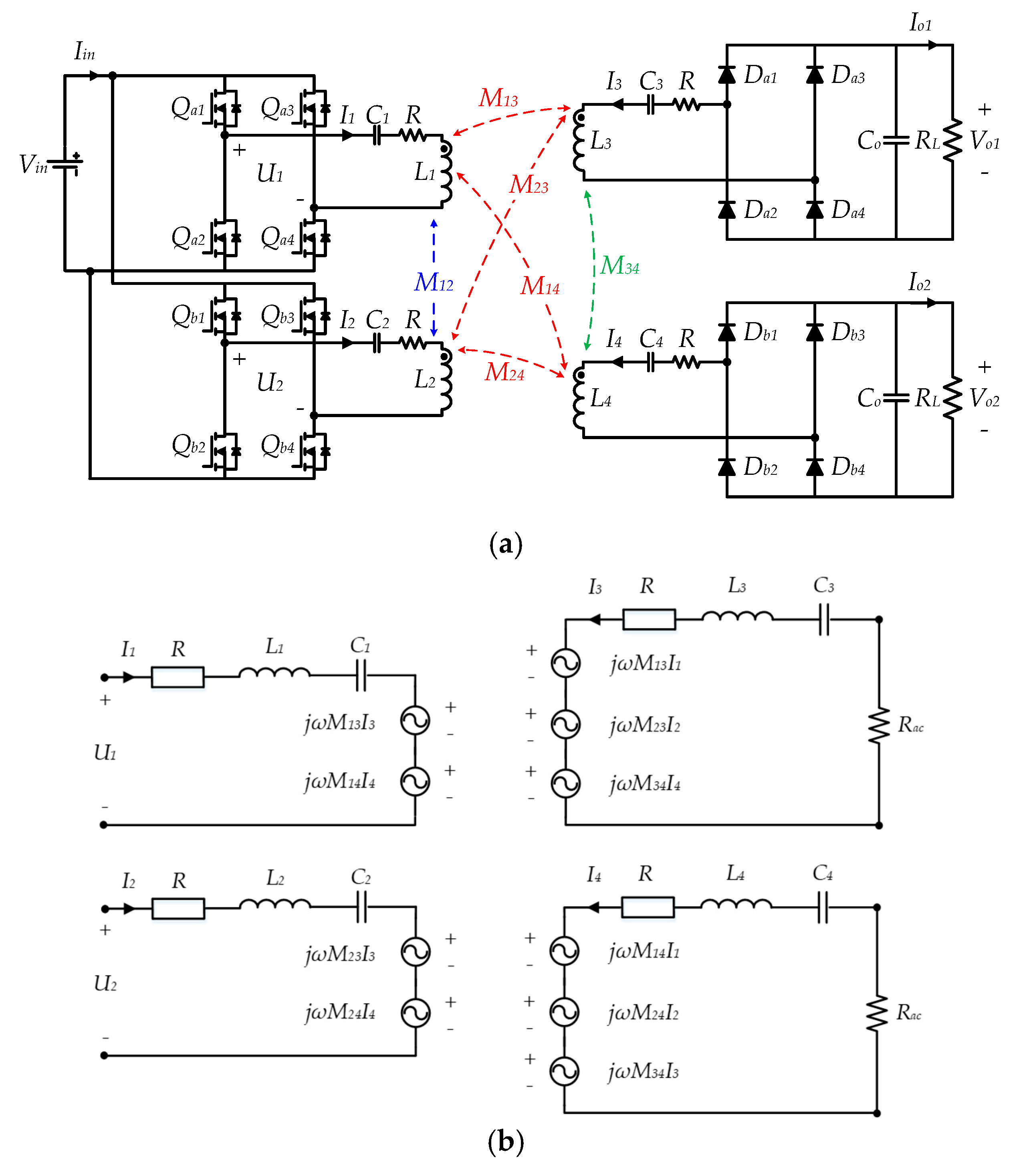
2. Multi-Output Omnidirectional Wireless Power Transfer System
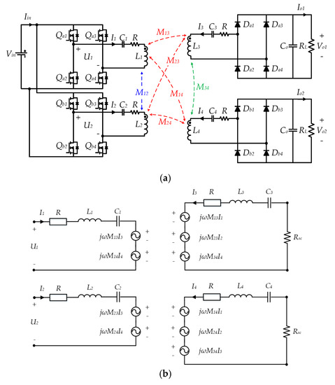
2.1. System Configuration
2.2. Relationship between Mutual Inductance between Receivers and Power Transfer Efficiency
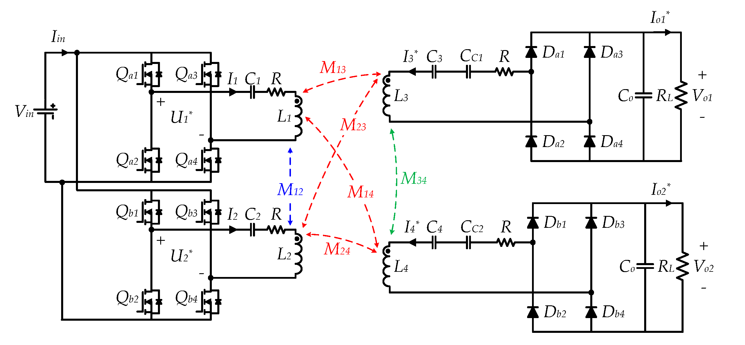
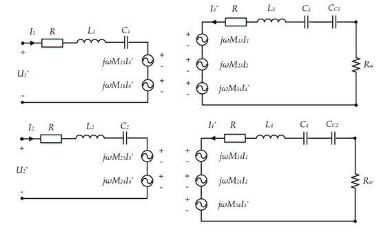
3. Resonant Network Design Method to Reduce Influence of Mutual Inductance between Receivers
3.1. Proposed Design Method
3.2. Selection of Canceling Capacitors Using Multi-Objective Optimization Method
4. Simulated and Experimental Results
4.1. Simulated Results
4.2. Experimental Results
5. Conclusions
Author Contributions
Funding
Conflicts of Interest
References
- Liu, X.; Hui, S.Y.R. Optimal design of a hybrid winding structure for planar contactless battery charging platform. IEEE Trans. Power Electron. 2008, 23, 455–463. [Google Scholar]
- Casanova, J.J.; Low, Z.N.; Lin, J. A loosely coupled planar wireless power system for multiple receivers. IEEE Trans. Ind. Electron. 2009, 56, 3060–3068. [Google Scholar] [CrossRef]
- Jiang, C.; Chau, K.T.; Han, W.; Liu, W. Development of multilayer rectangular coils for multiple-receiver multiple-frequency wireless power transfer. Prog. Electromagn. Res. 2018, 163, 15–24. [Google Scholar] [CrossRef]
- Liu, N.; Wang, B. An LLC-based planar wireless power transfer system for multiple devices. In Proceedings of the 2014 IEEE Applied Power Electronics Conference and Exposition-APEC 2014, Fort Worth, TX, USA, 16–20 March 2014. [Google Scholar]
- Zhang, Y.; Lu, T.; Zhao, Z.; He, F.; Chen, K.; Yuan, L. Selective wireless power transfer to multiple loads using receivers of different resonant frequencies. IEEE Trans. Power Electron. 2015, 30, 6001–6005. [Google Scholar] [CrossRef]
- Hassan, K.; Pan, S.; Jain, P. Multiple receiver wireless power charger for mobile electronic devices in near field. In Proceedings of the IEEE International Conference on Industrial Electronics for Sustainable Energy Systems (IESES), Hamilton, New Zealand, 31 January–2 February 2018. [Google Scholar]
- Kim, J.; Kim, D.; Park, Y. Analysis of capacitive impedance matching networks for simultaneous wireless power transfer to multiple devices. IEEE Trans. Ind. Electron. 2015, 62, 2807–2813. [Google Scholar] [CrossRef]
- Tan, L.; Zhang, M.; Wang, S.; Pan, S.; Zhang, Z.; Li, J.; Huang, X. The design and optimization of a wireless power transfer system allowing random access for multiple loads. Energies 2019, 12, 1017. [Google Scholar] [CrossRef]
- Cannon, B.L.; Hoburg, J.F.; Stancil, D.D.; Goldstein, S.C. Magnetic resonant coupling as a potential means for wireless power transfer to multiple small receivers. IEEE Trans. Power Electron. 2009, 24, 1819–1825. [Google Scholar] [CrossRef]
- Fu, M.; Zhang, T.; Zhu, X.; Luk, P.C.; Ma, C. Compensation of cross coupling in multiple-receiver wireless power transfer systems. IEEE Trans. Ind. Inf. 2016, 12, 474–482. [Google Scholar] [CrossRef]
- Cui, D.; Imura, T.; Hori, Y. Optimization of cross coupling cancellation for multiple-receiver wireless power transfer system at changing-state. In Proceedings of the Asian Wireless Power Transfer Workshop, Chengdu, China, 16–18 December 2016. [Google Scholar]
- O’Brien, K. Inductively Coupled Radio Frequency Power Transmission System for Wireless Systems and Devices; Shaker Verlag: Herzogenrath, Germany, 2007; pp. 21–62. [Google Scholar]
- Lin, D.; Zhang, C.; Hui, S.Y.R. Mathematical analysis of omnidirectional wireless power transfer—Part-I: Two-dimensional systems. IEEE Trans. Power Electron. 2017, 32, 625–633. [Google Scholar] [CrossRef]
- Lin, D.; Zhang, C.; Hui, S.Y.R. Mathematic analysis of omnidirectional wireless power transfer—Part-II Three-dimensional systems. IEEE Trans. Power Electron. 2017, 32, 613–624. [Google Scholar] [CrossRef]
- Ha-Van, N.; Seo, C. Analytical and experimental investigations of omnidirectional wireless power transfer using a cubic transmitter. IEEE Trans. Ind. Electron. 2018, 65, 1358–1366. [Google Scholar] [CrossRef]
- Han, W.; Chau, K.T.; Jiang, C.; Liu, W.; Lam, W.H. Design and analysis of quasi-omnidirectional dynamic wireless power transfer for fly-and-charge. IEEE Trans. Magn. 2019, 55, 1–9. [Google Scholar] [CrossRef]
- Ye, Z.; Sun, Y.; Liu, X.; Wang, P.; Tang, C.; Tian, H. Power transfer efficiency analysis for omnidirectional wireless power transfer system using three-phase-shifted drive. Energies 2018, 11, 2159. [Google Scholar] [CrossRef]
- Feng, J.; Fi, Q.; Lee, F.C.; Fu, M. Transmitter coils design for free-positioning omnidirectional wireless power transfer system. IEEE Trans. Ind. Inf. 2019, 15, 4656–4664. [Google Scholar] [CrossRef]
- Park, K.R.; Cha, H.R.; Kim, R.Y. Spherical flux concentration transmitter for omnidirectional wireless power transfer with improved power transmission distance. In Proceedings of the IEEE 4th International Future Energy Electronics Conference (IFEEC), Singapore, 25–28 November 2019. [Google Scholar]
- Choi, B.H.; Lee, E.S.; Sohn, Y.H.; Jang, G.C.; Rim, C.T. Six degrees of freedom mobile inductive power transfer by crossed dipole Tx and Rx coils. IEEE Trans. Power Electron. 2016, 31, 3252–3272. [Google Scholar] [CrossRef]
- Ng, W.M.; Zhang, C.; Lin, D.; Hui, S.Y.R. Two- and three-dimensional omnidirectional wireless power transfer. IEEE Trans. Power Electron. 2014, 29, 4470–4474. [Google Scholar] [CrossRef]
- Lin, D.; Hui, S.Y.R.; Zhang, C. Omni-directional wireless power transfer systems using discrete magnetic field vector control. In Proceedings of the IEEE Energy Conversion Congress and Exposition (ECCE), Montreal, QC, Canada, 20–24 September 2015. [Google Scholar]
- Zhang, C.; Lin, D.; Hui, S.Y.R. Basic control principles of omnidirectional wireless power transfer. IEEE Trans. Power Electron. 2016, 31, 5215–5227. [Google Scholar]
- Liu, G.; Zhang, B.; Xiao, W.; Qiu, D.; Chen, Y.; Guan, J. Omnidirectional wireless power transfer system based on rotary transmitting coil for household appliances. Energies 2018, 11, 878. [Google Scholar]
- Dai, Z.; Fang, Z.; Huang, H.; He, Y.; Wang, J. Selective omnidirectional magnetic resonant coupling wireless power transfer with multiple-receiver system. IEEE Access 2018, 6, 19287–19294. [Google Scholar] [CrossRef]
- Han, H.; Mao, Z.; Zhu, Q.; Su, M.; Hu, A.P. A 3D wireless charging cylinder with stable rotating magnetic field for multi-load application. IEEE Access 2019, 7, 35981–35997. [Google Scholar] [CrossRef]
- Tan, L.; Zhong, R.; Tang, Z.; Huang, T.; Huang, X.; Meng, T.; Zhai, X.; Wang, C.; Xu, Y.; Yang, Q. Power stability optimization design of three-dimensional wireless power transmission system in multi-load application scenarios. IEEE Access 2020, 8, 91843–91854. [Google Scholar] [CrossRef]
- Cheng, D.K. Field and Wave Electromagnetics, 2nd ed.; Pearson: London, UK, 1983; pp. 234–243. [Google Scholar]
- Arora, J.S. Introduction to Optimum Design, 3rd ed.; Elsevier: Amsterdam, The Netherlands, 2011; pp. 657–680. [Google Scholar]














| Parameter | Value (Unit) |
|---|---|
| Input Voltage (Vin) | 100 (V) |
| Resonant Frequency (fo) | 200 (kHz) |
| Operating Frequency (f) | 202 (kHz) |
| Self-Inductance of Transmitters (L1, L2) | 93.3 (μH) |
| Self-Inductance of Receivers (L3, L4) | 56.6 (μH) |
| Resonant Capacitor of Transmitters (C1, C2) | 6.8 (nF) |
| Resonant Capacitor of Receivers (C3, C4) | 11.2 (nF) |
| Radius of Coil (r) | 75 (mm) |
| Number of Turns (N) | 16 (Turns) |
| Output Capacitor (Co) | 100 (μF) |
| Load Resister (RL) | 5.8 (Ω) |
Publisher’s Note: MDPI stays neutral with regard to jurisdictional claims in published maps and institutional affiliations. |
© 2020 by the authors. Licensee MDPI, Basel, Switzerland. This article is an open access article distributed under the terms and conditions of the Creative Commons Attribution (CC BY) license (http://creativecommons.org/licenses/by/4.0/).
Share and Cite
Woo, D.-H.; Cha, H.-R.; Kim, R.-Y. Resonant Network Design Method to Reduce Influence of Mutual Inductance between Receivers in Multi-Output Omnidirectional Wireless Power Transfer Systems. Energies 2020, 13, 5556. https://doi.org/10.3390/en13215556
Woo D-H, Cha H-R, Kim R-Y. Resonant Network Design Method to Reduce Influence of Mutual Inductance between Receivers in Multi-Output Omnidirectional Wireless Power Transfer Systems. Energies. 2020; 13(21):5556. https://doi.org/10.3390/en13215556
Chicago/Turabian StyleWoo, Dong-Hun, Hwa-Rang Cha, and Rae-Young Kim. 2020. "Resonant Network Design Method to Reduce Influence of Mutual Inductance between Receivers in Multi-Output Omnidirectional Wireless Power Transfer Systems" Energies 13, no. 21: 5556. https://doi.org/10.3390/en13215556
APA StyleWoo, D.-H., Cha, H.-R., & Kim, R.-Y. (2020). Resonant Network Design Method to Reduce Influence of Mutual Inductance between Receivers in Multi-Output Omnidirectional Wireless Power Transfer Systems. Energies, 13(21), 5556. https://doi.org/10.3390/en13215556

