Impact Analysis of Large-Scale Wind Farms Integration in Weak Transmission Grid from Technical Perspectives
Abstract
1. Introduction
- Category-A:
- Category-B:
- Category-C:
- Category-D:
- Category-E:
- Category-F:
- (a)
- LSWF integration in a weak transmission grid, where Pakistan was the case study for the test setup.
- (b)
- Identify impacts of wake effects, wind intermittency, PQ, and Q compensation issues.
- (c)
- Performance analysis of capacitor banks and FACTS devices as the solution for issue mitigation.
- (d)
- Propose a case/scenario-based strategy for PQ and Q compensation issues with the most suitable FACTS devices and recovering power deficits by increasing hub height.
- (e)
- A comprehensive technical impact assessment of LSWF integration in terms of quantification.
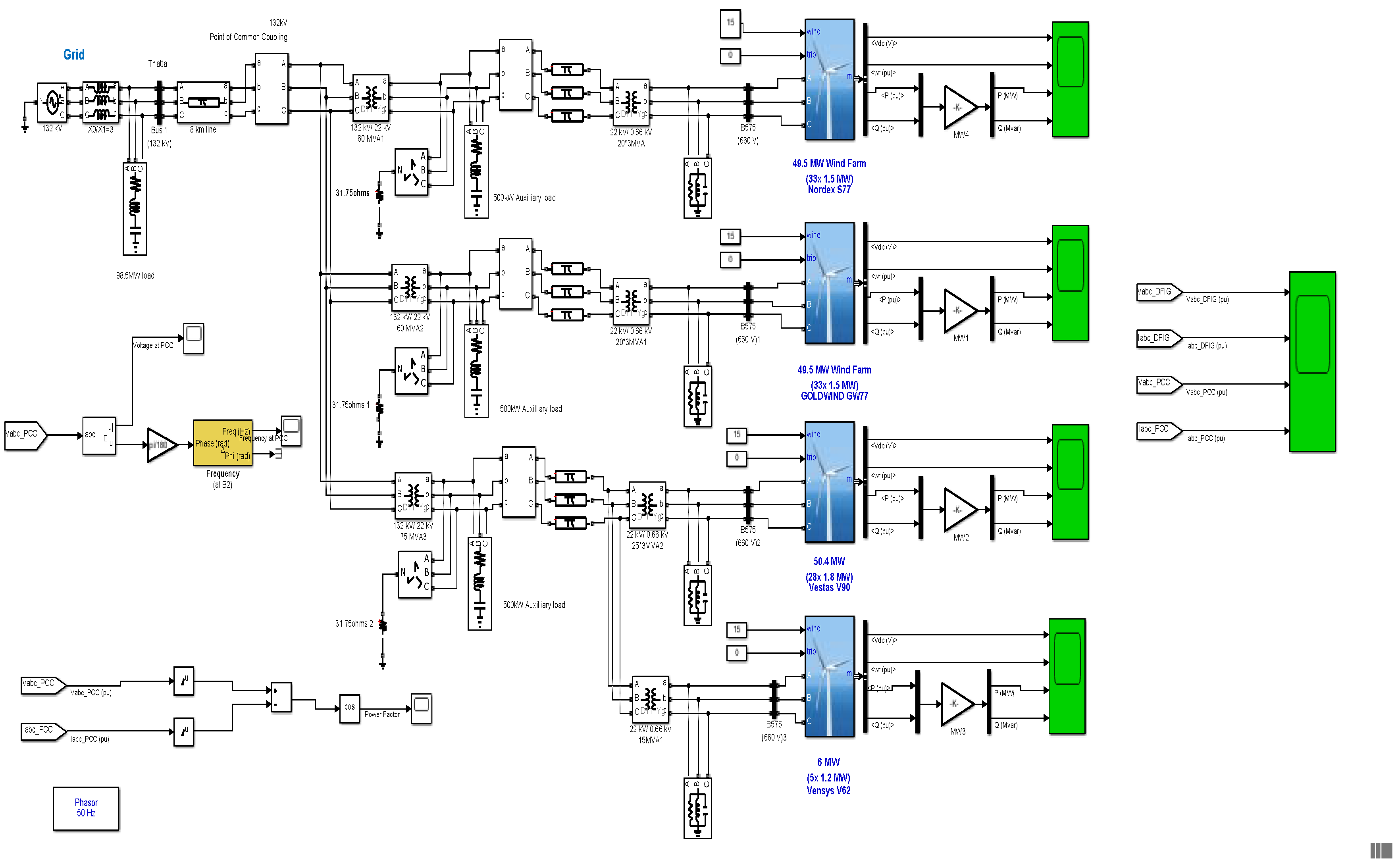
2. LSWF Test Setup and Background Information
2.1. Simulation LSWF Test Setup
2.2. Equivalent LSWF Model with Grid Integration Issues
2.3. Grid Codes for Power Quality
3. Methodology
3.1. Case-1: Base Case Scenarios Assessment
- Scenario 1a:
- Impact assessment of the ideal base case without wake effects and seasonal variations. This scenario 1a falls into the categories of A, D, and F.
- Scenario 1b:
- Impact assessment of the base case with wake effects and without seasonal variations. This scenario 1b falls into the categories of A, B, D, and F.
- Scenario 2:
- Impact assessment with wake effects and seasonal variations of winter. The time stamping (December to February) considers data from 4 January 2018. This scenario covers the assessment categories, designated by A-D and F, except for Q support.
- Scenario 3:
- Impact assessment with wake effects and seasonal variations from spring 2018. Time stamping (March to April) considers data from 2 April 2018. This scenario covers the assessment categories of A–D and Fm except for Q support.
- Scenario 4:
- Impact assessment with wake effects and seasonal variations of summer 2018. Time stamping (May to September) considers data from 2 July 2018. This scenario covers the assessment categories of A–D and F, except for Q support.
- Scenario 5:
- Impact assessment with wake effects and seasonal variations from autumn 2018. Time stamping (October to November) considers data from 1 October 2018. This scenario covers the assessment categories of A–D and F, except for Q support.
3.2. Case-2: VAR Devices Based Scenario Assesment
- Scenario 6:
- Impact assessment considering capacitor bank integration with inter-farm wake effects and seasonal variations. The scenario covers assessment categories of A–F.
- Scenario 7:
- Impact assessment considering SVC integration with inter-farm wake effects and seasonal variations. The scenario covers assessment categories of A–F.
- Scenario 8:
- Impact assessment considering STATCOM integration with inter-farm wake effects and seasonal variations. The scenario covers assessment categories of A–F.
- Scenario 9:
- Impact assessment considering SSSC integration with inter-farm wake effects and seasonal variations. The scenario covers assessment categories of A–F.
- Scenario 10:
- Impact assessment considering UPFC integration with inter-farm wake effects and seasonal variations. The scenario covers assessment categories of A–F.
4. Simulations, Results and Discussions
4.1. Case-1 Evaluation
4.1.1. Case-1, Scenario-1: The Ideal Case with and without Wake Effect
4.1.2. Case 1, Scenario 2: Seasonal Timestamp of January
4.1.3. Case 1, Scenario 3: Seasonal Timestamp of April
4.1.4. Case 1, Scenario 4: Seasonal Timestamp of July
4.1.5. Case 1, Scenario 5: Seasonal Timestamp of October
4.2. Case-2 Evaluation
4.2.1. Case-2, Scenario 6: Impact Assessment Considering Capacitor Bank
4.2.2. Case-2, Scenario 7: Impact Assessment Considering SVC
4.2.3. Case-2, Scenario 8: Impact Assessment Considering STATCOM
4.2.4. Case-2, Scenario 9: Impact Assessment Considering SSSC
4.2.5. Case-2, Scenario 10: Impact Assessment Considering UPFC
5. Results Validation
5.1. Comparative Analysis of Results via the Proposed Methodology
5.2. Comparison between the Reference Case and the Proposed Base Case
5.3. Special Case by Increasing the Hub Height of Wind Turbines
6. Conclusions and Future Works
- The increasing number of wind farms disturb PQ and PS parameters. For three wind farms integrated at optimal conditions, the voltage dropped to 0.97 pu. Further, the frequency transient went beyond an allowable range of 49.5–50.5 Hz, which can be observed with resonance behavior and decreased PF of up to 0.959. The cumulative active power output for three wind farms was 151 MW with the absorption of 7.05 MVar from PS without any compensation device.
- Seasons affect the output power of wind farms differently due to varying wind profiles. We found wind speed to be highest during the summer and lowest during the winter.
- The reactive power demand for wind farms was its lowest during the summer due to higher wind speeds and highest during the winter due to least wind speeds.
- In winter, P supply was the lowest minimum and sometimes was cuts off. Q absorption was also the highest during winter, touching the value of 13 MW, which made it the worst season for wind farm operations. To avoid this burden, wind farms should be kept off during the winter, as they absorb reactive power and are not able to supply a considerable amount of P.
- The wake as responsible for a significant active power deficit. It was also responsible for increased Q absorption. The P deficit for FFCEL was 10.65 MW for a maximum wake of 15%. The Q deficit for FFCEL due to wake effect was +0.174 MVar.
- Q repowering was performed with various compensation devices. UPFC was found to be best for Q repowering along with maintaining PS parameters at PCC. However, our utmost target was to achieve a device that maintained V, F, Z, and PF at PCC for the nearest nominal values, which were of a major concern. Hence, UPFC maintained V up to 1.002 pu, suppressing frequency transient in the range of 49.88–50.17 Hz and avoiding any resonance while maintaining the power factor in an allowable range.
- A special case study was performed by repeating ideal scenario 1 for both Case-1 and Case-2 scenarios with increasing WT hub height from 80 m to 100 m at FFCEL. A considerable amount of P repowering was seen during the maximum recovery of deficits due to a wake that was up to 48%.
Author Contributions
Funding
Acknowledgments
Conflicts of Interest
List of Abbreviations
| d | Direct axis | SCC | Short Circuit Capacity |
| DFIG | Doubly Fed Induction Generator | SCIG | Squirrel Cage Induction Generator |
| DG | Distributed Generation | SSSC | Static Synchronous Series Compensator |
| F | Frequency | STATCOM | Static Synchronous Compensator |
| FACTS | Flexible AC Transmission Systems | SVC | Static Var Compensator |
| FFCEL | Fauji Fertilizer Company Energy Limited | TCR | Thyristor Controlled Reactor |
| FRT | Fault Ride Through | TGF | Three Gorges First |
| GSC | Grid Side Converter | THD | Total Harmonic Distortion |
| HESCO | Hyderabad Electric Supply Company | TN | Transmission Network |
| IEC | International Electro-technical Commission | TSC | Thyristor Switched Capacitor |
| LSWF | Large Scale Wind Farms | UPFC | Unified Power Flow Controller |
| LVRT | Low Voltage Ride Through | V | Unified Power Flow Controller |
| NEPRA | National Electric Power Regulatory Authority | VGrid | Grid Voltage |
| P | Active Power | VPCC | Voltage at PCC |
| PCC | Point of Common Coupling | VSC | Voltage Source Converter |
| PE | Power Electronics | WECS | Wind Energy Conversion Systems |
| PF | Power Factor | WF | Wind Farm |
| PQ | Power Quality | WPP | Wind Power Plant |
| PS | Power System | WRSG | Wound Rotor Synchronous Generator |
| Q/VAR | Reactive Power | WT | Wind Turbine |
| q | Quadrature Axis | WTG | Wind Turbine Generator |
| RERs | Renewable Energy Resources | XTN | Reactance of Transmission Network |
| RSC | Rotor Side Converter | Z | Impedance |
| RTN | Resistance of Transmission Network | ZE | Zorlu Energi |
| s | Slip | ZTN | Impedance of Transmission Network |
Appendix A
Appendix A.1. Limitations in the Reviewed Work
| Ref: | A | B | C | D | E | F | Miscellaneous |
|---|---|---|---|---|---|---|---|
| [1] | ✓ | ✓ | ✓ | Storage and PE control application | |||
| [2] | ✓ | ✓ | ✓ | ✓ | - | ||
| [3] | ✓ | ✓ | Storage and PE control application | ||||
| [4] | ✓ | ✓ | - | ||||
| [5] | ✓ | ✓ | Economics | ||||
| [6] | ✓ | ✓ | - | ||||
| [7] | ✓ | Forecasting, policy, and economics | |||||
| [8] | ✓ | ✓ | ✓ | ✓ | - | ||
| [9] | Forecasting | ||||||
| [10] | ✓ | - | |||||
| [11] | ✓ | ✓ | Economics | ||||
| [12] | ✓ | Economics | |||||
| [13] | ✓ | ✓ | Policy and economics | ||||
| [14] | ✓ | ✓ | ✓ | Economics | |||
| [15] | ✓ | ✓ | ✓ | ✓ | Economics | ||
| [16] | ✓ | ✓ | Economics and environment | ||||
| [17] | ✓ | ✓ | ✓ | ✓ | - | ||
| [18] | ✓ | ✓ | - | ||||
| [19] | ✓ | ✓ | ✓ | - | |||
| [20] | ✓ | ✓ | ✓ | ✓ | Economics | ||
| [21] | ✓ | ✓ | ✓ | - | |||
| [22] | ✓ | ✓ | - | ||||
| [23] | ✓ | ✓ | ✓ | - | |||
| [24] | ✓ | ✓ | - | ||||
| [25] | ✓ | ✓ | - | ||||
| [26] | ✓ | ✓ | |||||
| [27] | ✓ | ✓ | - | ||||
| [28] | ✓ | ✓ | ✓ | ✓ | - | ||
| [29] | ✓ | ✓ | ✓ | - | |||
| [30] | ✓ | ✓ | ✓ | - | |||
| [31] | ✓ | ✓ | - | ||||
| [32] | ✓ | Economics | |||||
| [33] | ✓ | ✓ | - | ||||
| [34] | ✓ | ✓ | ✓ | - | |||
| [P] | ✓ | ✓ | ✓ | ✓ | ✓ | ✓ | Comprehensive technical study |
Appendix A.2. Doubly Fed Induction Generator (DFIG) in the Test Setup
Appendix A.3. Control Mechanism of Doubly Fed Induction Generator (DFIG)

Appendix B. Reactive Power (Q/VAR) Compensation Devices and Respective Connections in Grid
Appendix B.1. Capacitor Banks

Appendix B.2. Static Var Compensator (SVC)
Appendix B.3. Static Synchronous Compensator (STATCOM)
Appendix B.4. Static Synchronous Series Compensator (SSSC)

Appendix B.5. Unified Power Flow Controller (UPFC)

References
- Pathak, A.K.; Sharma, M.P.; Bundele, M. A critical review of voltage and reactive power management of wind farms. Renew. Sustain. Energy Rev. 2015, 51, 460–471. [Google Scholar] [CrossRef]
- Rona, B.; Güler, Ö. Power system integration of wind farms and analysis of grid code requirements. Renew. Sustain. Energy Rev. 2015, 49, 100–107. [Google Scholar] [CrossRef]
- Rahimi, E.; Rabiee, A.; Aghaei, J.; Muttaqi, K.M.; Esmaeel Nezhad, A. On the management of wind power intermittency. Renew. Sustain. Energy Rev. 2013, 28, 643–653. [Google Scholar] [CrossRef]
- Gupta, N. A review on the inclusion of wind generation in power system studies. Renew. Sustain. Energy Rev. 2016, 59, 530–543. [Google Scholar] [CrossRef]
- Murthy, K.S.R.; Rahi, O.P. A comprehensive review of wind resource assessment. Renew. Sustain. Energy Rev. 2017, 72, 1320–1342. [Google Scholar] [CrossRef]
- Mahela, O.P.; Shaik, A.G. Comprehensive overview of grid interfaced wind energy generation systems. Renew. Sustain. Energy Rev. 2016, 57, 260–281. [Google Scholar] [CrossRef]
- Huang, Y.W.; Kittner, N.; Kammen, D.M. ASEAN grid flexibility: Preparedness for grid integration of renewable energy. Energy Policy 2019, 128, 711–726. [Google Scholar] [CrossRef]
- Karbouj, H.; Rather, Z.H. Voltage Control Ancillary Service From Wind Power Plant. IEEE Trans. Sustain. Energy 2019, 10, 759–767. [Google Scholar] [CrossRef]
- Che, Y.; Peng, X.; Delle Monache, L.; Kawaguchi, T.; Xiao, F. A wind power forecasting system based on the weather research and forecasting model and Kalman filtering over a wind-farm in Japan. J. Renew. Sustain. Energy 2016, 8, 1. [Google Scholar] [CrossRef]
- Howland, M.F.; Lele, S.K.; Dabiri, J.O. Wind farm power optimization through wake steering. Proc. Natl. Acad. Sci. USA 2019, 116, 14495–14500. [Google Scholar] [CrossRef]
- González-Longatt, F.; Wall, P.P.; Terzija, V. Wake effect in wind farm performance: Steady-state and dynamic behavior. Renew. Energy 2012, 39, 329–338. [Google Scholar] [CrossRef]
- Lundquist, J.K.; DuVivier, K.K.; Kaffine, D.; Tomaszewski, J.M. Costs and consequences of wind turbine wake effects arising from uncoordinated wind energy development. Nat. Energy 2019, 4, 26–34. [Google Scholar] [CrossRef]
- Ayodele, T.R.; Ogunjuyigbe, A.S.O. Mitigation of wind power intermittency: Storage technology approach. Renew. Sustain. Energy Rev. 2015, 44, 447–456. [Google Scholar] [CrossRef]
- Luh, P.B.; Yu, Y.; Zhang, B.; Litvinov, E.; Zheng, T.; Zhao, F.; Zhao, J.; Wang, C. Grid integration of intermittent wind generation A Markovian approach. IEEE Trans. Smart Grid. 2014, 5, 732–741. [Google Scholar] [CrossRef]
- Ouyang, J.; Li, M.; Zhang, Z.; Tang, T. Multi-timescale active and reactive power-coordinated control of large-scale wind integrated power system for severe wind speed fluctuation. IEEE Access 2019, 7, 51201–51210. [Google Scholar] [CrossRef]
- Ren, G.; Liu, J.; Wan, J.; Guo, Y.; Yu, D. Overview of wind power intermittency: Impacts, measurements, and mitigation solutions. Appl. Energy 2017, 204, 47–65. [Google Scholar] [CrossRef]
- Ameur, A.; Berrada, A.; Loudiyi, K.; Aggour, M. Analysis of renewable energy integration into the transmission network. Electr. J. 2019, 32, 106676. [Google Scholar] [CrossRef]
- Sexauer, J.M.; Mohagheghi, S. Reactive compensation techniques to improve the ride-through capability of wind turbine during disturbance. IEEE Trans. Power Deliv. 2013, 28, 1652–1662. [Google Scholar] [CrossRef]
- Djamel, L.; Zohra, M.; Selwa, F. Influence of the wind farm integration on load flow and voltage in electrical power system. Int. J. Hydrog. Energy 2016, 41, 12603–12617. [Google Scholar]
- Kraiczy, M.; Wang, H.; Schmidt, S.; Wirtz, F.; Braun, M. Reactive power management at the transmission–distribution interface with the support of distributed generators—A grid planning approach. IET Gener. Transm. Distrib. 2018, 12, 5949–5955. [Google Scholar] [CrossRef]
- Vittal, E.; O’Malley, M.; Keane, A. A steady-state voltage stability analysis of power systems with high penetrations of wind. IEEE Trans. Power Syst. 2010, 25, 433–442. [Google Scholar] [CrossRef]
- Blaabjerg, F.; Ma, K. Wind Energy Systems, reviews application of power electronics in wind energy systems. IEEE Power Energy Soc. 2017, 105, 2116–2131. [Google Scholar]
- Saqib, M.A.; Saleem, A.Z. Power-quality issues and the need for reactive-power compensation in the grid integration of wind power. Renew. Sustain. Energy Rev. 2015, 43, 51–64. [Google Scholar] [CrossRef]
- Sinsel, S.R.; Riemke, R.L.; Hoffmann, V.H. Challenges and solution technologies for the integration of variable renewable energy sources—A review. Renew. Energy 2020, 145, 2271–2285. [Google Scholar] [CrossRef]
- Abulanwar, S.; Hu, W.; Chen, Z.; Iov, F. Adaptive voltage control strategy for variable-speed wind turbine connected to a weak network. IET Renew. Power Gener. 2016, 10, 238–249. [Google Scholar] [CrossRef]
- Prasai, A.; Sastry, J.; Divan, D.M. Dynamic capacitor (D-CAP): An integrated approach to reactive and harmonic compensation. IEEE Trans. Ind. Appl. 2010, 46, 2518–2525. [Google Scholar] [CrossRef]
- Ouyang, J.; Tang, T.; Yao, J.; Li, M. Active Voltage Control for DFIG-based Wind Farm Integrated Power System by Coordinating Active and Reactive Powers under Wind Speed Variations. IEEE Trans. Energy Convers. 2019, 34, 1504–1511. [Google Scholar] [CrossRef]
- She, X.; Huang, A.Q.; Wang, F.; Burgos, R. Wind energy system with integrated functions of active power transfer, reactive power compensation, and voltage conversion. IEEE Trans. Ind. Electron. 2013, 60, 4512–4524. [Google Scholar] [CrossRef]
- Chen, B.; Fei, W.; Tian, C.; Yuan, J. Research on an Improved Hybrid Unified Power Flow Controller. IEEE Trans. Ind. Appl. 2018, 54, 5649–5660. [Google Scholar] [CrossRef]
- Fawzi, A.; Jowder, L. Influence of mode of operation of the SSSC on the small disturbance and transient stability of a radial power system. IEEE Trans. Power Syst. 2005, 20, 2. [Google Scholar]
- Wang, X.; Wang, H.; Yang, J.; Xu, Z.; Sun, W.; Wu, C.; Li, C. Application of 500 kV UPFC in Suzhou southern power grid. J. Eng. 2019, 2019, 2580–2584. [Google Scholar] [CrossRef]
- Mahfouz, M.M.A.; El-Sayed, M.A.H. Static synchronous compensator sizing for enhancement of fault ride-through capability and voltage stabilisation of fixed speed wind farms. IET Renew. Power Gener. 2014, 8, 1–9. [Google Scholar] [CrossRef]
- Chompoo-Inwai, C.; Yingvivatanapong, C.; Methaprayoon, K.; Lee, W.J. System Impact Study for the Interconnection of Wind Generation and Utility System. IEEE Trans. Ind. Appl. 2005, 41, 1484. [Google Scholar] [CrossRef]
- National Electric Power Regulatory Authority (NEPRA) State of Industry Report 2019. Available online: https://www.nepra.org.pk/publications/State%20of%20Industry%20Reports/State%20of%20Industry%20Report%202019.pdf (accessed on 20 July 2020).
- Haseeb, A.; Asim, R.M.; Javed, A.; Calhoun, R. Partial Repowering Analysis of a Wind Farm by Turbine Hub Height Variation to Mitigate Neighboring Wind Farm Wake Interference using Mesoscale Simulations. Appl. Energy 2020, 268, 1–23. [Google Scholar]
















| Technical Data/LSWFs (WPP) | FFCEL (Test Case) | ZE (Upstream) | TGF (Upstream) |
|---|---|---|---|
| Operational Date | May 2013 | July 2013 | November 2014 |
| Model of wind turbines | Nordex-S77 | Vestas and Vensys-62 | Goldwind GW771500 |
| Capacity of wind turbine (MW) | 1.5 | Vestas = 1.8; Vensys-62 = 1.2 | 1.5 |
| Total number of wind turbines | 33 | 28 × Vestas; 5 × Vesys-62 | 33 |
| Capacity of wind farm (MW) | 49.5 | 56.4 | 49.5 |
| Type of generator | DFIG | DFIG | DFIG |
| Generator’s output voltage (V) | 660 | 660 | 660 |
| Conductor (as collector cable) | Cairo | Cairo | Cairo |
| Spacing | Asymmetrical | Asymmetrical | Asymmetrical |
| Inter-Farm Least Distance (m) | - | ~800 | ~1400 |
| Parameters | Grid Codes |
|---|---|
| Harmonics | IEC 61400-21 requires specifications of voltage and current harmonics up to 50 times the fundamental power frequency. The total harmonic distortion (THD) from these harmonics at the PCC should not exceed 5%. |
| Voltage | The wind farm should be able to deliver available power while maintaining the voltage at PCC within limits of ±5% of nominal voltage. |
| Frequency | The wind farm should be capable to operate continuously between the permissible system frequency range of 49.5–50.5 Hz. |
| Resonance | No resonance at odd harmonics as it proves devastating for the power system. |
| Power Factor | The wind farm should manage, at the point of interconnection, the reactive-power control to maintain the PF within the specified range of 0.95 lagging to 0.95 leading over the full range of plant operation. |
| Scenario. #: | V (PU) | Transient F (Hz) | Impedance (Ohms) | PF | P(MW) Deficit | Q(MVAR) Deficit | |
|---|---|---|---|---|---|---|---|
| 1 | Ideal-1 | 0.9704 | 49.36–50.89 | 24.96 | 0.959 | 10.65 | +0.174 |
| 6 | Capacitor Bank | 1.028 | 49.55–50.41 | 26.53 | 0.999 | 10.18 | −0.52 |
| 7 | SVC | 1.028 | 49.75–50.24 | 24.76 | 0.999 | 10.70 | −0.56 |
| 8 | STATCOM | 1.006 | 49.76–50.26 | 24.76 | 0.962 | 10.51 | −1.06 |
| 9 | SSSC | 1.004 | 49.67–50.75 | 20.83 | 0.960 | 11.12 | −3.40 |
| 10 | UPFC | 1.002 | 49.88–50.17 | 20.83 | 0.962 | 10.15 | −0.53 |
| Parameters | Voltage Harmonics (%) | Current Harmonics (%) | Voltage (pu) | Frequency (Hz) | Harmonic Resonance | Power Factor | P without Wake(MW) | P with Wake (MW) | Q without Wake (MVar) | Q with Wake (MVar) |
|---|---|---|---|---|---|---|---|---|---|---|
| [23] 1 Plant | 0.70 | 2.35 | - | - | Exists | - | - | - | - | - |
| [P] 1 Plant | 0.36 | 2.07 | 0.966 | 50 | Exists | 0.99 | 48.3 | 37.6 | 2.57 | 2.75 |
| [P] 3 Plant | 1.08 | 3.32 | 0.970 | 50 | Exists | 0.96 | 151 | 143 | 7.05 | 6.87 |
| Scenario. #: | P(MW) without Wake | P(MW) with Wake at Hub Height = 100 m | P(MW) Deficit at Hub Height = 100 m | Q(MVar) Deficit at Hub Height = 100 m | |
|---|---|---|---|---|---|
| 1 | Ideal | 48.28 | 42.70 | 5.58 | +0.044 |
| 6 | Capacitor Bank | 48.25 | 42.66 | 5.59 | −0.25 |
| 7 | SVC | 48.25 | 42.72 | 5.53 | −0.25 |
| 8 | STATCOM | 48.30 | 42.77 | 5.53 | −0.53 |
| 9 | SSSC | 44.04 | 42.34 | 1.70 | −2.34 |
| 10 | UPFC | 48.30 | 42.78 | 5.52 | −0.23 |
Publisher’s Note: MDPI stays neutral with regard to jurisdictional claims in published maps and institutional affiliations. |
© 2020 by the authors. Licensee MDPI, Basel, Switzerland. This article is an open access article distributed under the terms and conditions of the Creative Commons Attribution (CC BY) license (http://creativecommons.org/licenses/by/4.0/).
Share and Cite
Abbas, S.R.; Kazmi, S.A.A.; Naqvi, M.; Javed, A.; Naqvi, S.R.; Ullah, K.; Khan, T.-u.-R.; Shin, D.R. Impact Analysis of Large-Scale Wind Farms Integration in Weak Transmission Grid from Technical Perspectives. Energies 2020, 13, 5513. https://doi.org/10.3390/en13205513
Abbas SR, Kazmi SAA, Naqvi M, Javed A, Naqvi SR, Ullah K, Khan T-u-R, Shin DR. Impact Analysis of Large-Scale Wind Farms Integration in Weak Transmission Grid from Technical Perspectives. Energies. 2020; 13(20):5513. https://doi.org/10.3390/en13205513
Chicago/Turabian StyleAbbas, Shah Rukh, Syed Ali Abbas Kazmi, Muhammad Naqvi, Adeel Javed, Salman Raza Naqvi, Kafait Ullah, Tauseef-ur-Rehman Khan, and Dong Ryeol Shin. 2020. "Impact Analysis of Large-Scale Wind Farms Integration in Weak Transmission Grid from Technical Perspectives" Energies 13, no. 20: 5513. https://doi.org/10.3390/en13205513
APA StyleAbbas, S. R., Kazmi, S. A. A., Naqvi, M., Javed, A., Naqvi, S. R., Ullah, K., Khan, T.-u.-R., & Shin, D. R. (2020). Impact Analysis of Large-Scale Wind Farms Integration in Weak Transmission Grid from Technical Perspectives. Energies, 13(20), 5513. https://doi.org/10.3390/en13205513

