Indirect Matrix Converter-Based Grid-Tied Photovoltaics System for Smart Grids
Abstract
1. Introduction
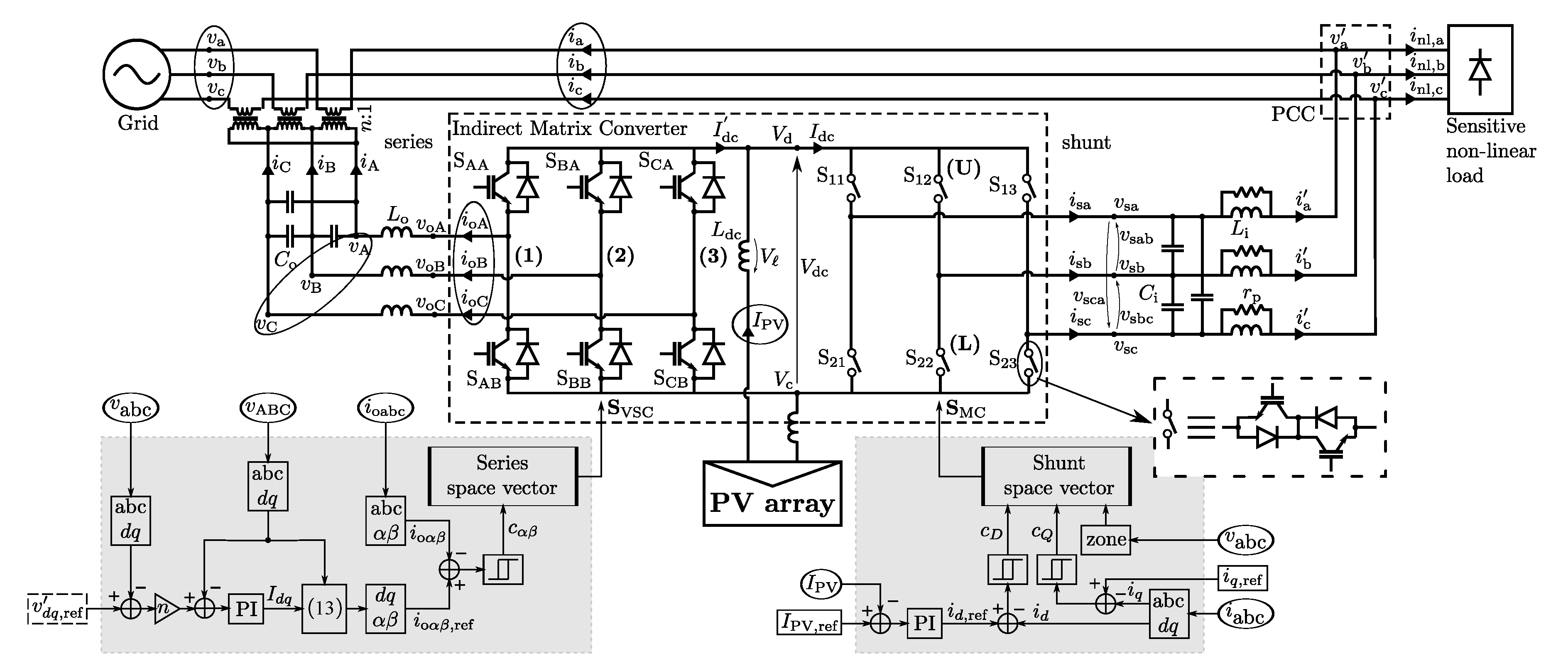
2. Model of the Grid-Tied PV-UPQC System
2.1. Shunt Converter
2.2. Series Converter
2.3. PV System
3. Control of the Shunt Converter
3.1. Control of the SG Currents
- If () then and a vector that decreases should be chosen
- If () then and a vector that does not significantly modify should be chosen
- If () then and a vector that increases should be chosen
3.2. PV Array Current Control
4. Control of the Load Voltages
4.1. Series Converter ac Current Control
4.2. Series Voltage Control
5. Simulation and Experimental Results
5.1. Setup Description
5.2. Semiconductors Switching Strategy
5.3. Results
5.3.1. No-Load Conditions
5.3.2. Load Conditions
5.3.3. Voltage Sag/Swell Conditions
6. Conclusions
Author Contributions
Funding
Conflicts of Interest
References
- Hafezi, H.; D’Antona, G.; Dedè, A.; Della Giustina, D.; Faranda, R.; Massa, G. Power Quality Conditioning in LV Distribution Networks: Results by Field Demonstration. IEEE Trans. Smart Grid 2017, 8, 418–427. [Google Scholar] [CrossRef]
- Singh, B.; Chandra, A.; Al-Haddad, K. Power Quality: Problems and Mitigation Techniques; Wiley: Hoboken, NJ, USA, 2015; p. 582. [Google Scholar]
- Asrari, A.; Wu, T.; Lotfifard, S. The Impacts of Distributed Energy Sources on Distribution Network Reconfiguration. IEEE Trans. Energy Convers. 2016, 31, 606–613. [Google Scholar] [CrossRef]
- Torquato, R.; Salles, D.; Pereira, C.O.; Meira, P.C.M.; Freitas, W. A Comprehensive Assessment of PV Hosting Capacity on Low-Voltage Distribution Systems. IEEE Trans. Power Deliv. 2018, 33, 1002–1012. [Google Scholar] [CrossRef]
- Yang, D.; Ma, Z.; Gao, X.; Ma, Z.; Cui, E. Control strategy of intergrated photovoltaic-UPQC System for DC-Bus voltage stability and voltage sags compensation. Energies 2019, 12, 4009. [Google Scholar] [CrossRef]
- Tushar, W.; Chai, B.; Yuen, C.; Smith, D.B.; Wood, K.L.; Yang, Z.; Poor, H.V. Three-Party Energy Management With Distributed Energy Resources in Smart Grid. IEEE Trans. Ind. Electron. 2015, 62, 2487–2498. [Google Scholar] [CrossRef]
- Ahmad, A.; Hassan, N.U. Smart Grid as a Solution for Renewable and Efficient Energy; IGI Global: Hershey, PA, USA, 2016; p. 415. [Google Scholar]
- Bacha, S.; Picault, D.; Burger, B.; Etxeberria-Otadui, I.; Martins, J. Photovoltaics in Microgrids: An overview of grid integration and energy management aspects. Ind. Electron. Mag. 2015, 33–46. [Google Scholar] [CrossRef]
- Saadat, N.; Choi, S.S.; Vilathgamuwa, D.M. A series-connected photovoltaic distributed generator capable of enhancing power quality. IEEE Trans. Energy Convers. 2013, 28, 1026–1035. [Google Scholar] [CrossRef]
- Teodorescu, R.; Liserre, M.; Rodriguez, P. Grid Converters for Photovoltaic and Wind Power Systems; Wiley: Hoboken, NJ, USA, 2011; p. 398. [Google Scholar]
- Tang, C.Y.; Chen, Y.T.; Chen, Y.M. PV Power System With Multi-Mode Operation and Low-Voltage Ride-Through Capability. IEEE Trans. Ind. Electron. 2015, 62, 7524–7533. [Google Scholar] [CrossRef]
- Szczesniak, P.; Kaniewski, J. Power electronics converters without DC energy storage in the future electrical power network. Electr. Power Syst. Res. 2015, 194–207. [Google Scholar] [CrossRef]
- Chilipi, R.R.; Sayari, N.A.; Beig, A.R.; Hosani, K.A. A Multitasking Control Algorithm for Grid-Connected Inverters in Distributed Generation Applications Using Adaptive Noise Cancellation Filters. IEEE Trans. Energy Convers. 2016, 31, 714–727. [Google Scholar] [CrossRef]
- Munir, M.; Li, Y. Residential distribution system harmonic compensation using PV interfacing inverter. IEEE Trans. Smart Grid 2013, 4, 816–827. [Google Scholar] [CrossRef]
- Geury, T.; Pinto, S.; Gyselinck, J. Current source inverter-based photovoltaic system with enhanced active filtering functionalities. IET Power Electron. 2015, 8, 2483–2491. [Google Scholar] [CrossRef]
- Ghanbari, T.; Farjah, E.; Naseri, F. Power quality improvement of radial feeders using an efficient method. Electric Power Syst. Res. 2018, 163, 140–153. [Google Scholar] [CrossRef]
- Gayatri, M.; Parimi, A.; Pavan Kumar, A. A review of reactive power compensation techniques in microgrids. Renew. Sustain. Energy Rev. 2018, 81, 1030–1036. [Google Scholar] [CrossRef]
- Ali, M.S.; Haque, M.M.; Wolfs, P. A review of topological ordering based voltage rise mitigation methods for LV distribution networks with high levels of photovoltaic penetration. Renew. Sustain. Energy Rev. 2019, 103, 463–476. [Google Scholar] [CrossRef]
- Kumar, M.; Mishra, M.; Kumar, C. A Grid-Connected Dual Voltage Source Inverter with Power Quality Improvement Features. IEEE Trans. Sustain. Energy 2015, 6, 482–490. [Google Scholar] [CrossRef]
- Benali, A.; Khiat, M.; Allaoui, T.; Denaï, M. Power Quality Improvement and Low Voltage Ride Through Capability in Hybrid Wind-PV Farms Grid-Connected Using Dynamic Voltage Restorer. IEEE Access 2018, 6, 68634–68648. [Google Scholar] [CrossRef]
- Santos, R.; Cunha, J.; Mezaroba, M. A Simplified Control Technique for a Dual Unified Power Quality Conditioner. IEEE Trans. Ind. Electron. 2014, 61, 5851–5860. [Google Scholar] [CrossRef]
- Khadkikar, V. Enhancing electric power quality using UPQC: A comprehensive overview. IEEE Trans. Power Electron. 2012, 27, 2284–2297. [Google Scholar] [CrossRef]
- Muthuvel, K.; Vijayakumar, M. Solar PV sustained quasi Z-source network-based unified power quality conditioner for enhancement of power quality. Energies 2020, 13, 2657. [Google Scholar] [CrossRef]
- Geury, T.; Pinto, S.; Gyselinck, J.; Wheeler, P. An Indirect Matrix Converter-based Unified Power Quality Conditioner for a PV inverter with enhanced Power Quality functionality. In Proceedings of the 2015 IEEE Innovative Smart Grid Technologies—Asia (ISGT ASIA), Bangkok, Thailand, 3–6 November 2015; pp. 1–8. [Google Scholar] [CrossRef]
- Campanhol, L.; Silva, S.; Oliveira, A.; Bacon, V. Single-stage three-phase grid-tied pv system with universal filtering capability applied to DG systems and AC microgrids. IEEE Trans. Power Electron. 2017, 32, 9131–9142. [Google Scholar] [CrossRef]
- Devassy, S.; Singh, B. Design and Performance Analysis of Three Phase Solar PV integrated UPQC. IEEE Trans. Ind. Appl. 2018, 54, 73–81. [Google Scholar] [CrossRef]
- Peña, R.; Cárdenas, R.; Reyes, E.; Clare, J.; Wheeler, P. Control of a Doubly Fed Induction Generator via an Indirect Matrix Converter With Changing DC Voltage. IEEE Trans. Ind. Electron. 2011, 58, 4664–4674. [Google Scholar] [CrossRef]
- Friedli, T.; Kolar, J.W.; Rodriguez, J.; Wheeler, P. Comparative evaluation of three-phase ac-ac matrix converter and voltage dc-link back-to-back converter systems. IEEE Trans. Ind. Electron. 2012, 59, 4487–4510. [Google Scholar] [CrossRef]
- Empringham, L.; Kolar, J.W.; Rodriguez, J.; Wheeler, P.; Clare, J. Technological issues and industrial application of matrix converters: A review. IEEE Trans. Ind. Electron. 2013, 60, 4260–4271. [Google Scholar] [CrossRef]
- Vijayagopal, M.; Silva, C.; Empringham, L.; de Lillo, L. Direct Predictive Current-error Vector Control for a direct Matrix Converter. IEEE Trans. Power Electron. 2019, 34, 1925–1935. [Google Scholar] [CrossRef]
- Malekjamshidi, Z.; Jafari, M.; Zhu, J.; Xiao, D. Comparative Analysis of Input Power Factor Control Techniques in Matrix Converters Based on Model Predictive and Space Vector Control Schemes. IEEE Access 2019, 7, 139150–139160. [Google Scholar] [CrossRef]
- Rachid, M.H. Power Electronics Handbook, 4th ed.; Elsevier Inc.: Philadelphia, PA, USA, 2018; p. 1389. [Google Scholar]
- Musa, A.; Sabug, L.R.; Monti, A. Robust Predictive Sliding Mode Control for Multiterminal HVDC Grids. IEEE Trans. Power Deliv. 2018, 33, 1545–1555. [Google Scholar] [CrossRef]
- Liu, J.; Vazquez, S.; Member, S.; Wu, L.; Member, S. Extended State Observer-Based Sliding-Mode Control for Three-Phase Power Converters. IEEE Trans. Ind. Electron. 2017, 64, 22–31. [Google Scholar] [CrossRef]
- Geury, T.; Pinto, S.; Gyselinck, J. Direct Control Method for a PV System Integrated in an Indirect Matrix Converter-Based UPQC. In Proceedings of the IEEE International Conference on Smart Energy Grid Engineering—SEGE, Oshawa, ON, Canada, 21–24 August 2016; pp. 117–122. [Google Scholar] [CrossRef]












| S | (U) | (L) | ||||||
|---|---|---|---|---|---|---|---|---|
| 1 | 0 | |||||||
| 2 | 0 | |||||||
| 3 | 0 | |||||||
| 4 | 0 | |||||||
| 5 | 0 | |||||||
| 6 | 0 | |||||||
| 7–9 | 0 | 0 | 0 | 0 | 0 | – |
| S | (1) | (2) | (3) | ||||||
|---|---|---|---|---|---|---|---|---|---|
| I | 0 | 0 | |||||||
| II | 0 | ||||||||
| III | 0 | ||||||||
| IV | 0 | ||||||||
| V | 0 | ||||||||
| VI | 0 | ||||||||
| VII(I) | 0 | 0 | 0 | 0 | 0 | – |
| Zone | ||||||||||||
|---|---|---|---|---|---|---|---|---|---|---|---|---|
| Vectors | 1,6 | 1,2,6 | 1,2 | 1,2,3 | 2,3 | 2,3,4 | 3,4 | 3,4,5 | 4,5 | 4,5,6 | 5,6 | 5,6,1 |
| Zone | |||||||||||||
|---|---|---|---|---|---|---|---|---|---|---|---|---|---|
| {,} | {0,0–2} | 7,8,9 | 7,8,9 | 7,8,9 | 7,8,9 | 7,8,9 | 7,8,9 | 7,8,9 | 7,8,9 | 7,8,9 | 7,8,9 | 7,8,9 | 7,8,9 |
| {2,0} | 6 | 6 | 1 | 1 | 2 | 2 | 3 | 3 | 4 | 4 | 5 | 5 | |
| {2,1} | 1 | 1 | 2 | 2 | 3 | 3 | 4 | 4 | 5 | 5 | 6 | 6 | |
| {2,2} | 1 | 2 | 2 | 3 | 3 | 4 | 4 | 5 | 5 | 6 | 6 | 1 | |
| Symbol | Description | Value | Units |
|---|---|---|---|
| Sample time | 18 | ||
| Grid line-to-ground rms voltage | 110 | ||
| Grid frequency | 50 | ||
| n | Series transformer turns ratio | 3.31 | - |
| Shunt filter line-to-line capacitance | 6.6 | ||
| Shunt filter line inductance | 4 | ||
| Shunt filter damping resistance | 40 | ||
| Series filter line-to-line capacitance | 20 | ||
| Series filter line inductance | 6 |
Publisher’s Note: MDPI stays neutral with regard to jurisdictional claims in published maps and institutional affiliations. |
© 2020 by the authors. Licensee MDPI, Basel, Switzerland. This article is an open access article distributed under the terms and conditions of the Creative Commons Attribution (CC BY) license (http://creativecommons.org/licenses/by/4.0/).
Share and Cite
Geury, T.; Pinto, S.F.; Gyselinck, J.; Wheeler, P. Indirect Matrix Converter-Based Grid-Tied Photovoltaics System for Smart Grids. Energies 2020, 13, 5405. https://doi.org/10.3390/en13205405
Geury T, Pinto SF, Gyselinck J, Wheeler P. Indirect Matrix Converter-Based Grid-Tied Photovoltaics System for Smart Grids. Energies. 2020; 13(20):5405. https://doi.org/10.3390/en13205405
Chicago/Turabian StyleGeury, Thomas, Sonia Ferreira Pinto, Johan Gyselinck, and Patrick Wheeler. 2020. "Indirect Matrix Converter-Based Grid-Tied Photovoltaics System for Smart Grids" Energies 13, no. 20: 5405. https://doi.org/10.3390/en13205405
APA StyleGeury, T., Pinto, S. F., Gyselinck, J., & Wheeler, P. (2020). Indirect Matrix Converter-Based Grid-Tied Photovoltaics System for Smart Grids. Energies, 13(20), 5405. https://doi.org/10.3390/en13205405

