An Improved SOC Control Strategy for Electric Vehicle Hybrid Energy Storage Systems
Abstract
1. Introduction
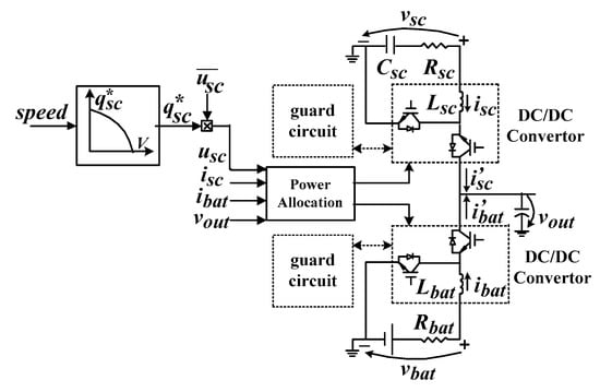
2. Hybrid Energy Storage System
3. Typical Control Policy
4. Improved SOC Control Strategy
5. Conclusions
Author Contributions
Funding
Conflicts of Interest
References
- Yuan, D.; Sun, M.; Zhao, M.; Tang, S.; Qi, J.; Zhang, X.; Wang, K.; Li, B. Persulfate promoted ZnIn2S4 visible light photocatalytic dye decomposition. Int. J. Electrochem. Sci. 2020, 15, 8761–8770. [Google Scholar] [CrossRef]
- Feng, X.; Zhang, Y.; Kang, L.; Wang, L.C.; Duan, C.X.; Yin, K.; Pang, J.B.; Wang, K. Integrated energy storage system based on triboelectric nanogenerator in electronic devices. Front. Chem. Sci. Eng. 2020. [Google Scholar] [CrossRef]
- Bu, C.Y.; Li, F.J.; Yin, K.; Pang, J.B.; Wang, L.C.; Wang, K. Research progress and prospect of triboelectric nanogenerators as self-powered human body sensors. ACS Appl. Electron. Mater. 2020, 2, 863–878. [Google Scholar] [CrossRef]
- Xia, G.T.; Huang, Y.N.; Li, F.J.; Wang, L.C.; Pang, J.B.; Li, L.W.; Wang, K. A thermally flexible and multi-site tactile sensor for remote 3D dynamic sensing imaging. Front. Chem. Sci. Eng. 2020. [Google Scholar] [CrossRef]
- Wang, K.; Li, L.W.; Xue, W.; Zhou, S.Z.; Lan, Y.; Zhang, H.W.; Sui, Z.Q. Electrodeposition synthesis of PANI/MnO2/Graphene composite materials and its electrochemical performance. Int. J. Electrochem. Sci. 2017, 12, 8306–8314. [Google Scholar]
- Yuan, D.L.; Zhang, C.; Tang, S.F.; Sun, M.T.; Zhang, Y.T.; Rao, Y.D.; Wang, Z.B.; Ke, J. Fe3+-sulfite complexation enhanced persulfate Fenton-like process for antibiotic degradation based on response surface optimization. Sci. Total Environ. 2020, 727, 138773. [Google Scholar] [CrossRef]
- Jiang, W.; Wu, X.; Zhao, H. Novel bifunctional converter-based supercapacitor energy storage module with active voltage equalizing technology. IEEJ Trans. Electr. Electron. Eng. 2017, 12, 328–336. [Google Scholar] [CrossRef]
- Rizoug, N.; Mesbahi, T.; Sadoun, R.; Bartholomeüs, P.; Le Moigne, P. Development of new improved energy management strategies for electric vehicle battery/supercapacitor hybrid energy storage system. Energy Effic. 2018, 11, 823–843. [Google Scholar] [CrossRef]
- Wang, W.L.; Li, Y.H.; Li, L.W.; Wang, L.C.; Wang, K. Nanoparticle Structure for Flexible Quasi-solid-state Lithium-Ion Batteries. Int. J. Electrochem. Sci. 2020, 15, 1–14. [Google Scholar]
- Samani, H.; Fernando, X. Battery current’s fluctuations removal in hybrid energy storage system based on optimized control of supercapacitor voltage. IEEE Embed. Syst. Lett. 2016, 8, 53–56. [Google Scholar] [CrossRef]
- Zhang, T.; Bai, D.; Yang, Z.; Long, Z.; Gao, B. Research of Control Strategy on DC Side of Hybrid Energy Storage in Micro Grid. Int. J. Grid Distrib. Comput. 2016, 9, 327–336. [Google Scholar] [CrossRef]
- Luo, X.; Zhang, F.; Li, Q.; Xia, Q.; Li, Z.; Li, X.; Ye, W.; Li, S.; Ge, C. Reversible control of magnetization in Fe3O4 nanoparticles by a supercapacitor. J. Phys. Condens. Matter 2020, 32, 334001. [Google Scholar] [CrossRef] [PubMed]
- Zhang, F.L.; Teng, X.L.; Shi, W.K.; Song, Y.F.; Zhang, J.; Wang, X.; Li, H.S.; Li, Q.; Li, S.D.; Hu, H. SnO2 nanoflower arrays on an amorphous buffer layer as binder-free electrodes for flexible lithium-ion batteries. Appl. Surf. Sci. 2020, 52, 146910. [Google Scholar] [CrossRef]
- Tang, S.F.; Tang, J.C.; Yuan, D.L.; Wang, Z.T.; Zhang, Y.T.; Rao, Y.D. Elimination of humic acid in water: Comparison of UV/PDS and UV/PMS. RSC Adv. 2020, 10, 17627–17634. [Google Scholar] [CrossRef]
- Muhammad, A.; Du, H.L. Fabrication, structure, and frequency-dependent electrical and dielectric properties of Sr-doped BaTiO3 ceramics. Ceram. Int. 2019, 46, 2238–2246. [Google Scholar]
- Tang, S.F.; Wang, Z.T.; Yuan, D.; Zhang, C.; Rao, Y.D.; Wang, Z.B.; Yin, K. Ferrous ion-tartaric acid chelation promoted calcium peroxide fenton-like reactions for simulated organic wastewater treatment. J. Clean. Prod. 2020, 268, 122253. [Google Scholar] [CrossRef]
- Wang, K.; Zhou, S.Z.; Zhou, Y.T.; Ren, J.; Li, L.W.; Lan, Y. Synthesis of porous carbon by activation method and its electrochemical performance. Int. J. Electrochem. Sci. 2018, 13, 10766–10773. [Google Scholar]
- Wang, X.X.; Song, W.Z.; You, M.H. Bionic single-electrode electronic skin unit based on piezoelectric nanogenerator. ACS Nano 2018, 12, 8588–8596. [Google Scholar] [CrossRef]
- Du, H.L.; Ma, C.Y.; Ma, W.X.; Wang, H.T. Microstructure evolution and dielectric properties of Ce-doped SrBi4Ti4O15 ceramics synthesized via glycine-nitrate process. Process. Appl. Ceram. 2018, 12, 303–312. [Google Scholar] [CrossRef]
- Wang, K.; Pang, J.B.; Li, L.W.; Zhou, S.Z.; Li, Y.H.; Zhang, T.Z. Synthesis of hydrophobic carbon nanotubes/reduced graphene oxide composite films by flash light irradiation. Front. Chem. Sci. Eng. 2018, 12, 376–382. [Google Scholar] [CrossRef]
- Wen, Y.; Dai, Y.; Zhou, X.; Qian, F. Multiple roles coordinated control of battery storage units in a large-scale island microgrid application. IEEJ Trans. Electr. Electron. Eng. 2017, 12, 527–535. [Google Scholar] [CrossRef]
- Wang, K.; Feng, X.; Pang, J.B.; Ren, J.; Duan, C.X.; Li, W. State of Charge (SOC) Estimation of Lithium-ion Battery Based on Adaptive Square Root Unscented Kalman Filter. Int. J. Electrochem. Sci. 2020, 15, 9499–9516. [Google Scholar]
- Zhou, Y.T.; Huang, Y.N.; Pang, J.B.; Wang, K. Remaining useful life prediction for supercapacitor based on long short-term memory neural network. J. Power Sources 2019, 440, 227149. [Google Scholar] [CrossRef]
- Xia, G.T.; Li, C.; Wang, K.; Li, L.W. Structural design and electrochemical performance of PANI/CNTs and MnO2/CNTs supercapacitor. Sci. Adv. Mater. 2019, 11, 1079–1086. [Google Scholar] [CrossRef]
- Wang, K.; Li, L.; Zhang, T.Z.; Liu, Z.F. Nitrogen-doped graphene for supercapacitor with long-term electrochemical stability. Energy 2014, 70, 612–617. [Google Scholar] [CrossRef]
- Zhou, Y.T.; Wang, Y.N.; Wang, K.; Kang, L.; Peng, F.; Wang, L.C.; Pang, J.B. Hybrid genetic algorithm method for efficient and robust evaluation of remaining useful life of supercapacitors. Appl. Energy 2020, 260, 114169. [Google Scholar] [CrossRef]
- Wang, K.; Li, L.W.; Lan, Y.; Dong, P.; Xia, G.T. Application research of chaotic carrier frequency modulation technology in two-stage matrix converter. Math. Probl. Eng. 2019, 2019, 2614327. [Google Scholar] [CrossRef]
- Zhang, M.; Wang, K.; Zhou, Y. Online state of charge estimation of lithium-ion cells using particle filter-based hybrid filtering approach. Complexity 2020, 2020, 8231243. [Google Scholar] [CrossRef]
- Wang, L.C.; Yan, R.; Bai, F.; Saha, T.K.; Wang, K. A distributed inter-phase coordination algorithm for voltage control with unbalanced PV integration in LV systems. IEEE Trans. Sustain. Energy 2020, 11, 2687–2697. [Google Scholar] [CrossRef]
- Wang, K.; Li, L.W.; Yin, H.X.; Zhang, T.Z.; Wan, W.B. Thermal modelling analysis of spiral wound supercapacitor under constant-current cycling. PLoS ONE 2015, 10, e0138672. [Google Scholar] [CrossRef]
- Kollimalla, S.K.; Ukil, A.; Gooi, H.B.; Manandhar, U.; Tummuru, N.R. Optimization of charge/discharge rates of a battery using a two-stage rate-limit control. IEEE Trans. Sustain. Energy 2017, 8, 516–529. [Google Scholar] [CrossRef]
- Dai, J.; Fu, K.; Palanisamy, R.; Gong, A.; Pastel, G.; Kornfeld, R.; Zhu, H.; Sanghadasa, M.; Bekyarova, E.; Hu, L. A solid state energy storage device with supercapacitor–battery hybrid design. J. Mater. Chem. A 2017, 5, 15266–15272. [Google Scholar] [CrossRef]
- Jiang, W.; Zhang, L.; Zhao, H.; Huang, H.; Hu, R. Research on power sharing strategy of hybrid energy storage system in photovoltaic power station based on multi-objective optimisation. IET Renew. Power Gener. 2016, 10, 575–583. [Google Scholar] [CrossRef]
- Zhang, Q.; Deng, W.; Li, G. Stochastic control of predictive power management for battery/supercapacitor hybrid energy storage systems of electric vehicles. IEEE Trans. Ind. Inform. 2018, 14, 3023–3030. [Google Scholar] [CrossRef]
- Athikkal, S.; Sundaramoorthy, K.; Sankar, A. Development and performance analysis of dual-input DC–DC converters for DC microgrid application. IEEJ Trans. Electr. Electron. Eng. 2018, 13, 1034–1043. [Google Scholar] [CrossRef]
- Hiramatsu, T.; Huang, X.; Kato, M.; Hori, Y. Capacity Design of Supercapacitor-Battery Hybrid Energy System with Repetitive Charging. Electr. Eng. Japan 2016, 197, 58–66. [Google Scholar] [CrossRef]
- Abeywardana, D.B.W.; Hredzak, B.; Agelidis, V.G. A fixed-frequency sliding mode controller for a boost-inverter-based battery-supercapacitor hybrid energy storage system. IEEE Trans. Power Electron. 2017, 32, 668–680. [Google Scholar] [CrossRef]
- Zhang, Q.; Ju, F.; Zhang, S.; Deng, W.; Wu, J.; Gao, C. Power Management for Hybrid Energy Storage System of Electric Vehicles Considering Inaccurate Terrain Information. IEEE Trans. Autom. Sci. Eng. 2017, 14, 608–618. [Google Scholar] [CrossRef]
- Castaings, A.; Lhomme, W.; Trigui, R.; Bouscayrol, A. Practical control schemes of a battery/supercapacitor system for electric vehicle. IET Electr. Syst. Transp. 2016, 6, 20–26. [Google Scholar] [CrossRef]
- Liu, Y.; Du, W.; Xiao, L.; Wang, H.; Bu, S.; Cao, J. Sizing a hybrid energy storage system for maintaining power balance of an isolated system with high penetration of wind generation. IEEE Trans. Power Syst. 2016, 31, 3267–3275. [Google Scholar] [CrossRef]
- Jia, Z.Y.; Liu, M.N.; Zhao, X.L.; Wang, X.S.; Pan, Z.H.; Zhang, Y.G. Lithium Ion Hybrid Supercapacitor Based on Three-Dimensional Flower-Like Nb2O5 and Activated Carbon Electrode Materials. Acta Physico-Chim. Sin. 2017, 33, 2510–2516. [Google Scholar]
- Shin, D.; Lee, K.; Chang, N. Fuel economy analysis of fuel cell and supercapacitor hybrid systems. Int. J. Hydrog. Energy 2016, 41, 1381–1390. [Google Scholar] [CrossRef]
- Naseri, F.; Farjah, E.; Ghanbari, T. An efficient regenerative braking system based on battery/supercapacitor for electric, hybrid, and plug-in hybrid electric vehicles with BLDC motor. IEEE Trans. Veh. Technol. 2017, 66, 3724–3738. [Google Scholar] [CrossRef]
- Abeywardana, D.B.; Hredzak, B.; Agelidis, V.G.; Demetriades, G.D. Supercapacitor sizing method for energy-controlled filter-based hybrid energy storage systems. IEEE Trans. Power Electron. 2017, 32, 1626–1637. [Google Scholar] [CrossRef]















| Energy Storage Type | Efficiency (%) | Energy Density (Wh/kg) | Power Density (W/kg) | Service Cycle | Cost ($/kW/Year) |
|---|---|---|---|---|---|
| Battery | 60–80 | 30–240 | 100–700 | ≤2000 | 25–120 |
| Lithium battery | ≥85 | 250–300 | 800–1100 | 103–104 | 120 |
| Supercapacitor | ≥90 | ≤10 | 700–18,000 | ≥105 | 85 |
| Superconducting energy storage | ≥95 | ≤10 | ≥104 | ≥105 | 200 |
| Variable | Symbol | Value | Units |
|---|---|---|---|
| Vehicle total mass | m | 1150 | [kg] |
| SC system capacitance | C | 5 | [F] |
| SC system nominal voltage | usc | 305 | [V] |
| Battery nominal voltage | ubat | 325 | [V] |
| Battery nominal current | ibat | 21 | [A] |
| Power assisting time | t0 | 9 | [s] |
| Maximum speed | Vmax | 80 | [mph] |
© 2020 by the authors. Licensee MDPI, Basel, Switzerland. This article is an open access article distributed under the terms and conditions of the Creative Commons Attribution (CC BY) license (http://creativecommons.org/licenses/by/4.0/).
Share and Cite
Wang, K.; Wang, W.; Wang, L.; Li, L. An Improved SOC Control Strategy for Electric Vehicle Hybrid Energy Storage Systems. Energies 2020, 13, 5297. https://doi.org/10.3390/en13205297
Wang K, Wang W, Wang L, Li L. An Improved SOC Control Strategy for Electric Vehicle Hybrid Energy Storage Systems. Energies. 2020; 13(20):5297. https://doi.org/10.3390/en13205297
Chicago/Turabian StyleWang, Kai, Wanli Wang, Licheng Wang, and Liwei Li. 2020. "An Improved SOC Control Strategy for Electric Vehicle Hybrid Energy Storage Systems" Energies 13, no. 20: 5297. https://doi.org/10.3390/en13205297
APA StyleWang, K., Wang, W., Wang, L., & Li, L. (2020). An Improved SOC Control Strategy for Electric Vehicle Hybrid Energy Storage Systems. Energies, 13(20), 5297. https://doi.org/10.3390/en13205297

