An Iterative Scheme for the Power-Flow Analysis of Distribution Networks based on Decoupled Circuit Equivalents in the Phasor Domain
Abstract
1. Introduction
2. Power-Flow Analysis and Numerical Simulation
2.1. Circuital Equivalent of a Distributed Network in the Phasor Domain
2.2. Fixed Point Iteration Via Circuital Interpretation
2.3. Source and Load Definition
3. Numerical Results
3.1. Validation: IEEE 8500-Node Test Feeder
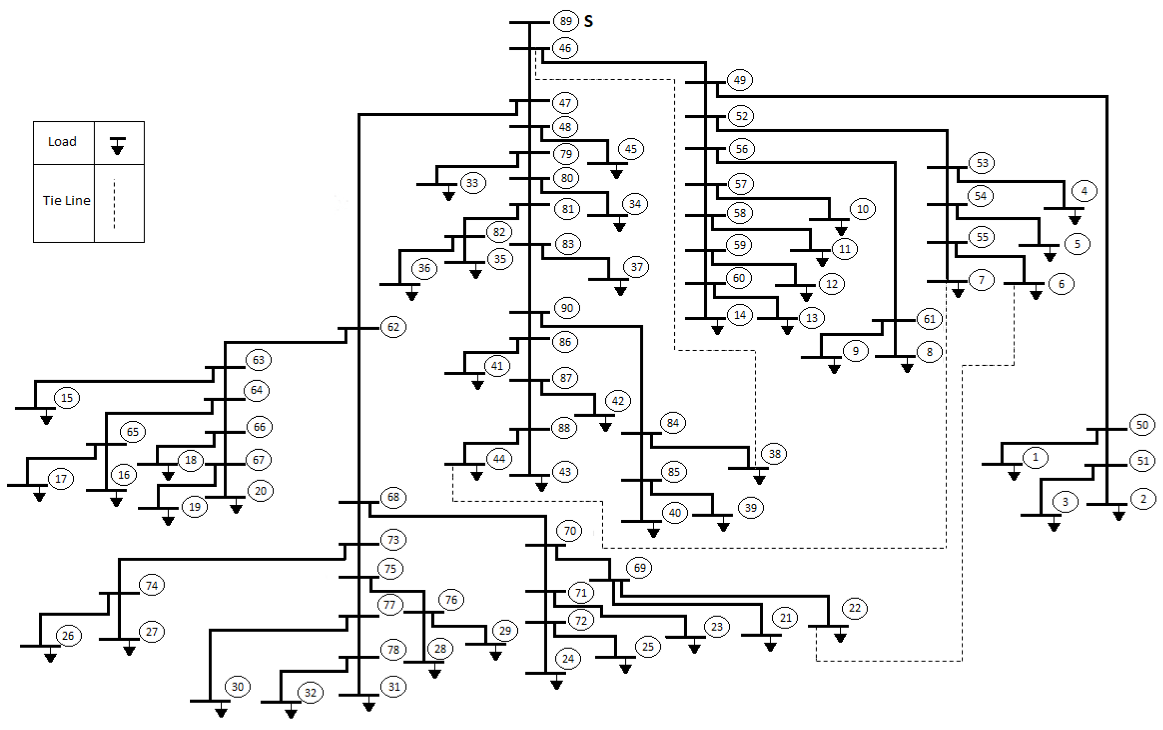
3.2. Validation: 90-Node Single Phase Network
3.3. Application: DGs and Stochastic Analysis
4. Summary and Conclusions
- Verify the feasibility of using the waveform relaxation technique [26] to the power-flow analysis of power networks. This allows decoupling the inherent nonlinear network into the combination of a large linear subpart and a nonlinear portion, unavoidably enabling any tool for speeding up the simulation of the linear part;
- Offer a flexible iterative procedure, which is combined with the simplest possible numerical scheme such as the fixed-point iteration. The mentioned procedure can be readily modified to incorporate other schemes such as Newton–Rapson;
- Verify that without working on the fine optimization of the routines, the implementation of the MNA-based formulae in MATLAB still produces the same accuracy and computational efficiency of reference commercial tools (e.g., OpenDSS) and of other custom implementations of state-of-the art load flow analyses (e.g., [20]).
Author Contributions
Funding
Conflicts of Interest
Appendix A
References
- Oshnoei, A.; Khezri, R.; Hagh, M.T.; Techato, K.; Muyeen, S.M.; Sadeghian, O. Direct Probabilistic Load Flow in Radial Distribution Systems Including Wind Farms: An Approach Based on Data Clustering. Energies 2018, 11, 310. [Google Scholar] [CrossRef]
- Bockl, B.; Greiml, M.; Leitner, L.; Pichler, P.; Kriechbaum, L.; Kienberger, T. HyFlow—A Hybrid Load Flow-Modelling Framework to Evaluate the Effects of Energy Storage and Sector Coupling on the Electrical Load Flows. Energies 2019, 12, 956. [Google Scholar] [CrossRef]
- Yang, J.; Hao, W.; Chen, L.; Chen, J.; Jin, J.; Wang, F. Risk Assessment of Distribution Networks Considering the Charging-Discharging Behaviors of Electric Vehicles. Energies 2016, 9, 560. [Google Scholar] [CrossRef]
- Corrêa, H.P.; Vieira, F.H.T. Load Flow Independent Method for Estimating Neutral Voltage in Three-Phase Power Systems. Energies 2019, 12, 3216. [Google Scholar]
- Stevenson, W.D. Elements of Power System Analysis, 4th ed.; McGraw-Hill: New-York, NY, USA, 1982. [Google Scholar]
- Tinney, W.F.; Hart, C.E. Power flow solutions by Netwon’s method. IEEE Trans. Power Appar. Syst. 1967, 86, 1449–1460. [Google Scholar] [CrossRef]
- Stott, B.; Alsac, O. Fast decoupled load flow. IEEE Trans. Power Appar. Syst. 1974, 93, 859–869. [Google Scholar] [CrossRef]
- Saadat, H. Power System Analysis, 3rd ed.; McGraw-Hill: New York, NY, USA, 1999. [Google Scholar]
- Carreras, B.A.; Lynch, V.E.; Dobson, I.; Newman, D.E. Complex dynamics of blackouts in power transmission systems. Chaos 2004, 14, 643–652. [Google Scholar] [CrossRef]
- Liao, H.; Apt, J.; Talukdar, S. Phase transitions in the probability of cascading failures. In Proceedings of the Electrical Transmission in Deregulated Markets Conference, Pittsburgh, PA, USA, 15 December 2004. [Google Scholar]
- Hertem, D.V.; Verboomen, J.; Purchala, K.; Belmans, R.; Kling, W.L. Usefulness of DC Power flow for active power flow analysis with flow controlling devices. In Proceedings of the 8th IEE International Conference on AC and DC power Transmission, London, UK, 28 March 2006; pp. 58–68. [Google Scholar]
- Yuan, J.; Tang, Y.; He, H.; Sun, Y. Cascading failure analysis with DC power flow model and TSA. IEEE Trans. Power Syst. 2015, 30, 285–297. [Google Scholar] [CrossRef]
- Zhang, F.; Cheng, C.S. A modified newton method for radial distribution system power flow analysis. IEEE Trans. Power Syst. 1997, 12, 389–397. [Google Scholar] [CrossRef]
- Teng, J.H. A modified guass-siedel algorithm of three phase power flow analysis in distribution networks. Elect. Power Energy Syst. 2002, 24, 97–102. [Google Scholar] [CrossRef]
- Thukaram, D.; Banda, H.M.W.; Jerome, J. A robust three phase power flow algorithm for radial distribution systems. Elect. Power Syst. Res. 1999, 50, 227–236. [Google Scholar] [CrossRef]
- Teng, J.H. A direct approach for distribution system load flow solutions. IEEE Trans. Power Deliv. 2003, 18, 882–887. [Google Scholar] [CrossRef]
- Eminoglu, U.; Hocaoglu, M.H. A new power flow method for radial distribution systems including voltage dependent load models. Electr. Power Syst. Res. 2005, 76, 106–114. [Google Scholar] [CrossRef]
- Satyanarayana, S.; Ramana, T.; Sivanagaraju, S.; Rao, G.K. An efficient load flow solution for radial distribution network including voltage dependent load models. Elect. Power Comp. Syst. 2007, 35, 539–551. [Google Scholar] [CrossRef]
- Garces, A. A linear three phase load flow for power distribution systems. IEEE Trans. Power Syst. 2016, 31, 827–828. [Google Scholar] [CrossRef]
- Bazrafshan, M.; Gatsis, N. Comprehensive modelling of three phase distribution systems via the bus admittance matrix. IEEE Trans. Power Syst. 2018, 33, 2015–2029. [Google Scholar] [CrossRef]
- Zhang, G.; Wang, C.; Wang, H.; Xie, N. On the convergence of the implicit Z bus power flow method for distribution systems. Elect. Power Syst. Res. 2019, 171, 74–84. [Google Scholar] [CrossRef]
- Pandey, A.; Jereminov, M.; Wagner, M.R.; Bromberg, D.M.; Hug, G.; Pileggi, L. Robust power flow and three phase power flow analyses. IEEE Trans. Power Syst. 2019, 34, 616–626. [Google Scholar] [CrossRef]
- Kocar, I.; Mahseredjian, J.; Karaagac, U.; Soykan, G.; Saad, O. Multiphase Load-Flow Solution for Large-Scale Distribution Systems Using MANA. IEEE Trans. Power Deliv. 2014, 29, 908–915. [Google Scholar] [CrossRef]
- Cetindag, B.; Kocar, I.; Gueye, A.; Karaagac, U. Modeling of Step Voltage Regulators in Multiphase Load Flow Solution of Distribution Systems Using Newton’s Method and Augmented Nodal Analysis. Elect. Power Comp. Syst. 2017, 45, 1667–1677. [Google Scholar] [CrossRef]
- Ho, C.W.; Ruehli, A.E.; Brennan, P.A. The modified nodal approach to network analysis. IEEE Trans. Circuits Syst. 1975, 22, 504–509. [Google Scholar]
- White, J.K.; Sangiovanni-Vincentelli, A. Waveform Relaxation. In Relaxation Techniques for the Simulation of VLSI Circuits; The Kluwer International Series in Engineering and Computer Science (VLSI, Computer Architecture and Digital Signal Processing); Springer: Boston, MA, USA, 1987; Volume 20. [Google Scholar]
- Vaccariello, E.; Leone, P.; Stievano, I.S. Generation of synthetic models of gas distribution networks with spatial and multi-level features. Int. J. Elect. Power Energy Syst. 2020, 117, 105656. [Google Scholar] [CrossRef]
- Cheng, C.; Gao, H.; An, Y.; Cheng, X.; Yang, J. Calculation method and analysis of power flow for distribution network with distributed generation. In Proceedings of the 5th International Conference on Electric Utility Deregulation and Restructing and Power Technologies (DRPT), Changsha, China, 26–29 November 2015; pp. 2020–2024. [Google Scholar]
- Teng, J.H. Modelling distributed generations in three-phase distribution load flow. IET Gener. Transm. Distrib. 2008, 2, 330–340. [Google Scholar] [CrossRef]
- Arritt, R.F.; Dugan, R.C. The IEEE 8500-node test feeder. In Proceedings of the IEEE PES T&D, New Orleans, LA, USA, 19–22 April 2010. [Google Scholar]
- IEEE PES Distribution System Analysis Subcommittee’s Distribution Test Feeders. Available online: http://sites.ieee.org/pes-testfeeders/resources/ (accessed on 7 May 2019).
- Sereeter, B.; Vuik, F.; Witteveen, C. Newton Power Flow Methods for Unbalanced Three-Phase Distribution Networks. Energies 2017, 10, 1658. [Google Scholar] [CrossRef]
- Hafezbazrafshan/Three-Phase-Modeling. Available online: https://github.com/hafezbazrafshan/three-phase-modeling (accessed on 7 August 2019).
- OpenDSS Program. Available online: http://sourceforge.net/projects/electricdss (accessed on 2 December 2019).
- Goswami, S.K.; Basu, S.K. Direct solution of distribution systems. IEE Proc. C Gener. Transm. Distrib. 1991, 138, 78–88. [Google Scholar] [CrossRef]
- Manfredi, P.; Ginste, D.V.; Stievano, I.S.; Zutter, D.D.; Canavero, F.G. Stochastic transmission line analysis via polynomial chaos methods: An overview. IEEE Electromagn. Compat. Mag. 2017, 6, 77–84. [Google Scholar] [CrossRef]
- Trinchero, R.; Manfredi, P.; Stievano, I.S.; Canavero, F.G. Machine Learning for the Performance Assessment of High-Speed Links. IEEE Trans. Electromagn. Compat. 2018, 6, 1627–1634. [Google Scholar] [CrossRef]
- Trinchero, M.; Larbi, M.; Torun, H.M.; Canavero, F.G.; Swaminathan, M. Machine Learning and Uncertainty Quantification for Surrogate Models of Integrated Devices With a Large Number of Parameters. IEEE Access 2019, 7, 4056–4066. [Google Scholar] [CrossRef]
- Gruosso, G.; Gajani, G.S.; Zhang, Z.; Daniel, L.; Maffezzoni, P. Uncertainty-Aware Computational Tools for Power Distribution Networks Including Electrical Vehicle Charging and Load Profiles. IEEE Access 2019, 7, 9357–9367. [Google Scholar] [CrossRef]











| DGs | Distributed generator sources |
| MNA | Modified nodal analysis |
| SPICE | Simulation program with integrated circuit emphasis |
| PQ | Generator node with real and reactive power |
| PV | Generator node with real power and voltage magnitude |
| PQ(V) | Generator node with real power and voltage dependent reactive power |
| EPRI | Electric Power Research Institute |
| MV | Medium voltage |
| LV | Low voltage |
| OpenDSS | Open source distribution system simulator |
| Method | Iterations | CPU Time (ms) |
|---|---|---|
| Proposed (MNA) | 11 | 96.6 |
| Z Bus | 12 | 101.1 |
| OpenDSS | 10 | 53.4 |
| Case | DG Node(s) | Type | P (p.u.) | Q (p.u.) | V (p.u.) |
|---|---|---|---|---|---|
| Case I | No DGs | - | - | - | - |
| 7 | PQ | 0.3 | 0.3 | - | |
| 20 | PQ | 0.1 | 0.1 | - | |
| 37 | PQ | 0.234 | 0.234 | - | |
| 43 | PQ | 0.1 | 0.1 | - | |
| 44 | PQ | 0.05 | 0.05 | - | |
| 58 | PQ | 0.19 | 0.19 | - | |
| Case II | 61 | PQ | 0.03 | 0.03 | - |
| 63 | PQ | 0.18 | 0.18 | - | |
| 68 | PQ | 0.12 | 0.12 | - | |
| 81 | PQ | 0.05 | 0.05 | - | |
| 84 | PQ | 0.08 | 0.08 | - | |
| 88 | PQ | 0.3 | 0.3 | - | |
| 7 | PV | 0.3 | - | 1.00 | |
| 20 | PQ | 0.1 | 0.1 | - | |
| 37 | PQ | 0.234 | 0.234 | - | |
| 43 | PV | 0.1 | - | 1.00 | |
| 44 | PQ | 0.05 | 0.05 | - | |
| 58 | PQ | 0.19 | 0.19 | - | |
| Case III | 61 | PQ | 0.03 | 0.03 | - |
| 63 | PQ | 0.18 | 0.18 | - | |
| 68 | PQ | 0.12 | 0.12 | - | |
| 81 | PQ | 0.05 | 0.05 | - | |
| 84 | PQ | 0.08 | 0.08 | - | |
| 88 | PV | 0.3 | - | 1.00 |
© 2020 by the authors. Licensee MDPI, Basel, Switzerland. This article is an open access article distributed under the terms and conditions of the Creative Commons Attribution (CC BY) license (http://creativecommons.org/licenses/by/4.0/).
Share and Cite
Memon, Z.A.; Trinchero, R.; Xie, Y.; Canavero, F.G.; Stievano, I.S. An Iterative Scheme for the Power-Flow Analysis of Distribution Networks based on Decoupled Circuit Equivalents in the Phasor Domain. Energies 2020, 13, 386. https://doi.org/10.3390/en13020386
Memon ZA, Trinchero R, Xie Y, Canavero FG, Stievano IS. An Iterative Scheme for the Power-Flow Analysis of Distribution Networks based on Decoupled Circuit Equivalents in the Phasor Domain. Energies. 2020; 13(2):386. https://doi.org/10.3390/en13020386
Chicago/Turabian StyleMemon, Zain Anwer, Riccardo Trinchero, Yanzhao Xie, Flavio G. Canavero, and Igor S. Stievano. 2020. "An Iterative Scheme for the Power-Flow Analysis of Distribution Networks based on Decoupled Circuit Equivalents in the Phasor Domain" Energies 13, no. 2: 386. https://doi.org/10.3390/en13020386
APA StyleMemon, Z. A., Trinchero, R., Xie, Y., Canavero, F. G., & Stievano, I. S. (2020). An Iterative Scheme for the Power-Flow Analysis of Distribution Networks based on Decoupled Circuit Equivalents in the Phasor Domain. Energies, 13(2), 386. https://doi.org/10.3390/en13020386

