Energy and Exergy Analysis of Sensible Thermal Energy Storage—Hot Water Tank for a Large CHP Plant in Poland †
Abstract
1. Introduction
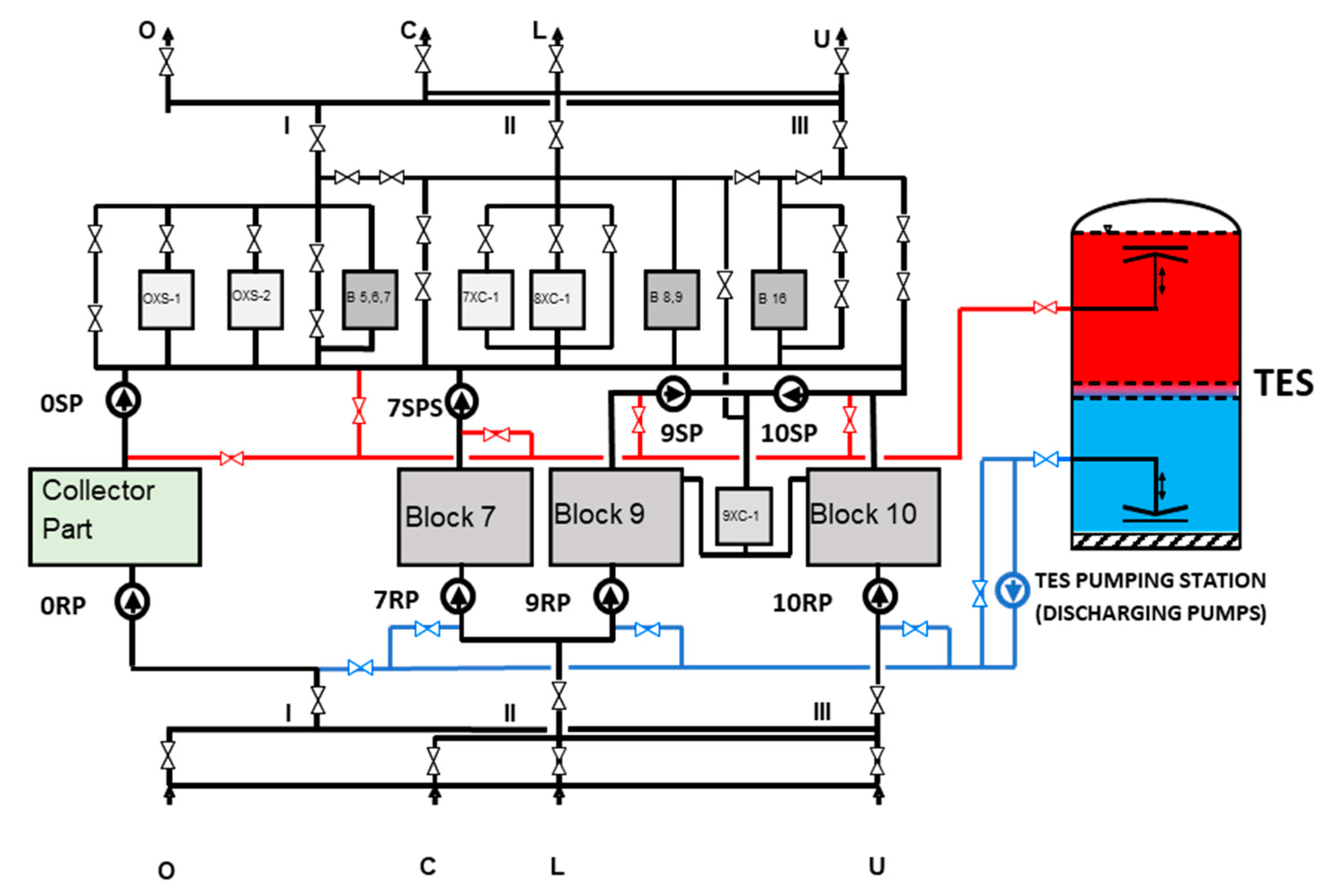
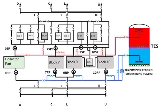
2. System Description
- Collector Part—the boilers supply a common steam collector from which the steam is directed to the turbines (number of boilers—4, number of turbines—5, electrical capacity—170 MWel).
- Blocks Part—each block consists of its own boiler and its own turbine (number of blocks—3, electrical capacity—110 MWel each, heating capacity—175 MWth each).
- Condensing turbine with steam extraction (electrical capacity—125 MWe).
- Water boilers (number of boilers—6, total heating capacity—884 MWth).
3. Materials and Methods
- operation without TES,
- operation with TES—charging process,
- operation with TES—discharging process.
- Return Pumps—ηRP = 80%,
- Supply Pumps—ηSP = 82%,
- Discharging Pumps (TES pumps)—ηDP = 90%.
3.1. Energy Analysis
3.1.1. CHP Plant Operation without TES
3.1.2. CHP Plant Operation with TES—Charging Process of TES
3.1.3. CHP Plant Operation with TES—Discharging Process of TES
3.2. Exergy Analysis
- the tank insulation is 500 mm thick (glass wool), therefore heat losses to ambient air are very low,
- the storing periods are short, not usually more than a few hours,
- stratification and thermocline are observed as good and very stable.
3.2.1. CHP Plant Operation without TES



3.2.2. CHP Plant Operation with TES—Charging Process of TES

3.2.3. CHP Plant Operation with TES—Discharging Process of TES

4. Results and Discussion
5. Conclusions
- Power of the TES pumps is relatively low in relation to the power of the block and is approx. 500–800 kW, which equates to approx. 0.5–0.8% of the block electric power.
- For the lowest considered outside temperature Tex = −20 °C TES pumps power represents only 2% of pumps total power in the Blocks Part of the CHP plant.
- Differences in powers and losses of the RP and SP pumps are negligible during operation of the CHP plant without and with the TES.
- The biggest exergy destruction appears in the heat exchangers, but the differences between them for the analyzed cases, i.e., during operation of the Blocks Part of CHP plant without the TES and the charging and discharging processes of the TES, are negligible.
- Throttling losses during the charging process of the TES and exergy destruction in Discharging Pumps (TES Pumps) are also low and fluctuate in the range 120–450 kW depending on the considered case.
Author Contributions
Funding
Conflicts of Interest
Nomenclature
| cp | specific heat capacity (kJ/kg·K) |
| h | specific enthalpy (kJ/kg) |
| m | mass (kg) |
| mass flow rate (kg/s) | |
| p | pressure (bar) |
| heat rate (kW) | |
| s | specific entropy (kJ/kg·K) |
| entropy rate (kW/K) | |
| T | temperature (°C or K) |
| W | power (kW or MW) |
| Greek letters | |
| η | energy efficiency (—or %) |
| exergy destruction rate (kW or MW) | |
| Subscripts and superscripts | |
| 0 | dead state (environment) condition |
| ex | external air temperature |
| el | electrical |
| s/c | steam/condensate |
| th | thermal |
| thr | throttling losses |
| w | water; ′—liquid, ″—vapor states |
| Abbreviations | |
| CHP | Combined Heat and Power |
| DHS | District Heating System |
| DHP | District Heating Plant |
| DP | Discharging Pump |
| RP | Return Pump |
| SP | Supply Pump |
| TES | Thermal Energy Storage |
| XA, XB | Heat Exchanger (Network Water Heater) |
| DCS | Distributed Control System |
References
- The Carbon Trust. Biomass Heating; A Practical Guide for Potential Users; The Carbon Trust: London, UK, 2005. [Google Scholar]
- Obernberger, I. Decentralized biomass combustion: State of the art and future development. Biomass Bioenergy 1998, 14, 33–56. [Google Scholar] [CrossRef]
- Fernández, R.G.; García, C.P.; Lavín, A.G.; Bueno De Las Heras, J.L. Study of main combustion characteristics for biomass fuels used in boilers. Fuel Process. Technol. 2012, 103, 16–26. [Google Scholar] [CrossRef]
- Ürge-Vorsatz, D.; Cabeza, L.F.; Serrano, S.; Barreneche, C.; Petrichenko, K. Heating and cooling energy trends and drivers in buildings. Renew. Sustain. Energy Rev. 2015, 41, 85–98. [Google Scholar] [CrossRef]
- Onovwiona, H.I.; Ugursal, V.I. Residential cogeneration systems: Review of the current technology. Renew. Sustain. Energy Rev. 2006, 10, 389–431. [Google Scholar] [CrossRef]
- Chel, A.; Kaushik, G. Renewable energy technologies for sustainable development of energy efficient building. Alex. Eng. J. 2018, 57, 655–669. [Google Scholar] [CrossRef]
- Chan, H.Y.; Riffat, S.B.; Zhu, J. Review of passive solar heating and cooling technologies. Renew. Sustain. Energy Rev. 2010, 14, 781–789. [Google Scholar] [CrossRef]
- Tyagi, V.V.; Kaushik, S.C.; Tyagi, S.K. Advancement in solar photovoltaic/thermal (PV/T) hybrid collector technology. Renew. Sustain. Energy Rev. 2012, 16, 1383–1398. [Google Scholar] [CrossRef]
- Pająk, L.; Tomaszewska, B.; Bujakowski, W.; Bielec, B.; Dendys, M. Review of the low-enthalpy lower cretaceous geothermal energy resources in poland as an environmentally friendly source of heat for urban district heating systems. Energies 2020, 13, 1302. [Google Scholar] [CrossRef]
- Bundschuh, J.; Tomaszewska, B.; Ghaffour, N.; Hamawand, I.; Mahmoudi, H.; Goosen, M. Coupling geothermal direct heat with agriculture. In Geothermal Water Management; CRC Press: Boca Raton, FL, USA, 2018; pp. 277–300. ISBN 9781317562580. [Google Scholar]
- Bujakowski, W.; Tomaszewska, B.; Miecznik, M. The Podhale geothermal reservoir simulation for long-term sustainable production. Renew. Energy 2016, 99, 420–430. [Google Scholar] [CrossRef]
- Tomaszewska, B.; Szczepański, A. Possibilities for the efficient utilisation of spent geothermal waters. Environ. Sci. Pollut. Res. 2014, 21, 11409–11417. [Google Scholar] [CrossRef]
- Tomaszewska, B.; Sowiżdżał, A.; Chmielowska, A. Selected technical aspects of well construction for geothermal energy utilization in Poland. Contemp. Trends Geosci. 2018, 7, 188–199. [Google Scholar] [CrossRef]
- Tomaszewska, B.; Pajak, L. Gospodarka zasobami wód termalnych—Ekonomiczne aspekty ich uzdatniania. Gospod. Surowcami Miner. Miner. Resour. Manag. 2012, 28, 59–70. [Google Scholar] [CrossRef]
- Lund, H.; Andersen, A.N. Optimal designs of small CHP plants in a market with fluctuating electricity prices. Energy Convers. Manag. 2005, 46, 893–904. [Google Scholar] [CrossRef]
- Hedman, B.; Kaarsberg, T. Combined heat and power (CHP). In Distributed Generation: The Power Paradigm for the New Millennium; Borbely, A.M., Kreider, J.F., Eds.; CRC Press: Boca Raton, FL, USA, 2001; pp. 271–294. ISBN 9781420042399. [Google Scholar]
- Ren, H.; Gao, W.; Ruan, Y. Optimal sizing for residential CHP system. Appl. Therm. Eng. 2008, 28, 514–523. [Google Scholar] [CrossRef]
- Lund, R.; Mathiesen, B.V. Large combined heat and power plants in sustainable energy systems. Appl. Energy 2015, 142, 389–395. [Google Scholar] [CrossRef]
- Gvozdenac, D.; Urošević, B.G.; Menke, C.; Urošević, D.; Bangviwat, A. High efficiency cogeneration: CHP and non-CHP energy. Energy 2017, 135, 269–278. [Google Scholar] [CrossRef]
- Connolly, D.; Lund, H.; Mathiesen, B.V.; Werner, S.; Möller, B.; Persson, U.; Boermans, T.; Trier, D.; Østergaard, P.A.; Nielsen, S. Heat roadmap Europe: Combining district heating with heat savings to decarbonise the EU energy system. Energy Policy 2014, 65, 475–489. [Google Scholar] [CrossRef]
- Rezaie, B.; Rosen, M.A. District heating and cooling: Review of technology and potential enhancements. Appl. Energy 2012, 93, 2–10. [Google Scholar] [CrossRef]
- Werner, S. District heating and cooling in Sweden. Energy 2017, 126, 419–429. [Google Scholar] [CrossRef]
- Werner, S. International review of district heating and cooling. Energy 2017, 137, 617–631. [Google Scholar] [CrossRef]
- IEA—International Energy Agency. Technology Roadmap—Energy Storage. Available online: https//www.iea.org/reports/technology-roadmap-energy-storage (accessed on 5 August 2020).
- Caliskan, H.; Dincer, I.; Hepbasli, A. Energy and exergy analyses of combined thermochemical and sensible thermal energy storage systems for building heating applications. Energy Build. 2012, 48, 103–111. [Google Scholar] [CrossRef]
- Zwierzchowski, R. Improvement of operation of steam cushion system for sensible thermal energy storage. In Proceedings of the International Conference on Advances in Energy Systems and Environmental Engineering (ASEE19), Wroclaw, Poland, 9–12 June 2019. [Google Scholar]
- Dincer, I. On thermal energy storage systems and applications in buildings. Energy Build. 2002, 34, 377–388. [Google Scholar] [CrossRef]
- Dincer, I. Thermal energy storage systems as a key technology in energy conservation. Int. J. Energy Res. 2002, 26, 567–588. [Google Scholar] [CrossRef]
- Zwierzchowski, R. Characteristics of large thermal energy storage systems in Poland. In Proceedings of the International Conference on Advances in Energy Systems and Environmental Engineering (ASEE17), Wroclaw, Poland, 2–5 July 2017. [Google Scholar]
- Dincer, I.; Dost, S.; Li, X. Thermal energy storage applications from an energy saving perspective. Int. J. Glob. Energy Issues 1997, 9, 351–364. [Google Scholar] [CrossRef]
- Zwierzchowski, R. Analiza Układów Hydraulicznych w Elektrociepłowniach i Ciepłowniach z Akumulatorem Ciepła; Oficyna Wydawnicza Politechniki Warszawskiej: Warsaw, Poland, 2013. [Google Scholar]
- Dincer, I.; Dost, S.; Li, X. Performance analyses of sensible heat storage systems for thermal applications. Int. J. Energy Res. 1997, 21, 1157–1171. [Google Scholar] [CrossRef]
- Dinçer, I.; Rosen, M.A. Thermal Energy Storage: Systems and Applications, 2nd ed.; John Wiley & Sons: Hoboken, NJ, USA, 2010; ISBN 9780470747063. [Google Scholar]
- Rosen, M.A.; Dincer, I. Exergy methods for assessing and comparing thermal storage systems. Int. J. Energy Res. 2003, 27, 415–430. [Google Scholar] [CrossRef]
- Krane, R.J. A Second Law analysis of the optimum design and operation of thermal energy storage systems. Int. J. Heat Mass Transf. 1987, 30, 43–57. [Google Scholar] [CrossRef]
- Jurigova, M.; Chmúrny, I. Systems of Sensible Thermal Energy Storage. Appl. Mech. Mater. 2016, 820, 206–211. [Google Scholar] [CrossRef]
- Rosen, M.A. Appropriate thermodynamic performance measures for closed systems for thermal energy storage. J. Sol. Energy Eng. Trans. ASME 1992, 114, 100–105. [Google Scholar] [CrossRef]
- Rosen, M.; Hooper, F. Designer-oriented temperature distribution models for vertically stratified thermal energy storages to facilitate energy and exergy evaluation. In Proceedings of the 6th International Conference on Thermal Energy Storages, Espoo, Finland, 22–25 August 1994; pp. 263–270. [Google Scholar]
- Rosen, M.A.; Tang, R.; Dincer, I. Effect of stratification on energy and exergy capacities in thermal storage systems. Int. J. Energy Res. 2004, 28, 177–193. [Google Scholar] [CrossRef]
- Wagner, W.; Kretzschmar, H.J. IAPWS Industrial Formulation 1997 for the Thermodynamic Properties of Water and Steam. In International Steam Tables; Springer: Berlin/Heidelberg, Germany, 2008; pp. 7–150. [Google Scholar]
- Bejan, A. Exergy analysis of thermal, chemical and metallurgical processes. Int. J. Heat Fluid Flow 1989, 10, 87–88. [Google Scholar] [CrossRef]








| Parameter | Value | Unit |
|---|---|---|
| Total volume of the tank | 30,400 | m3 |
| Diameter of the tank | 30 | m |
| Height of shell of the tank | 43 | m |
| Radius of room dome | 45 | m |
| Insulation thickness | 0.5 | m |
| Charging/discharging flow rate | 1250 | kg/s |
| Temperature of stored water | 98/40 | °C |
| Total mass of the tank | 53,000 | kg |
| Power (MW) | Block No | ||||||||
|---|---|---|---|---|---|---|---|---|---|
| 7 | 9 | 10 | |||||||
| Tex (°C) | |||||||||
| −20 | 1 | 15 | −20 | 1 | 15 | −20 | 1 | 15 | |
| Operation without TES | |||||||||
| RP pumps | 7.9 | 1.4 | 1.2 | 8.3 | 1.4 | - | 2.5 | 1.5 | - |
| XA heat exchanger | 113.6 | 103.7 | 97.6 | 117.0 | 131.0 | - | 117.3 | 94.4 | - |
| XB heat exchanger | 91.4 | 89.8 | 84.9 | 58.6 | 74.0 | - | 75.3 | 96.9 | - |
| SP pumps | 2.6 | 2.4 | 1.5 | 2.7 | 2.0 | - | 3.9 | 2.7 | - |
| Charging process of TES | |||||||||
| RP pumps | 8.1 | 1.4 | 1.2 | 8.8 | 1.2 | - | 2.6 | 1.5 | - |
| XA heat exchanger | 111.2 | 108.9 | 112.5 | 125.0 | 140.5 | - | 113.6 | 101.0 | - |
| XB heat exchanger | 108.9 | 94.7 | 95.1 | 68.5 | 71.0 | - | 78.4 | 91.8 | - |
| SP pumps | 3.0 | 2.5 | 1.6 | 2.8 | 1.8 | - | 2.5 | 2.8 | - |
| Discharging process of TES | |||||||||
| RP pumps | 7.9 | 1.4 | 1.0 | 7.8 | 1.4 | - | 2.6 | 1.5 | - |
| XA heat exchanger | 112.0 | 105.8 | 75.4 | 126.3 | 133.8 | - | 119.9 | 99.6 | - |
| XB heat exchanger | 89.1 | 91.4 | 65.2 | 68.9 | 72.3 | - | 77.3 | 96.0 | - |
| SP pumps | 3.4 | 3.4 | 1.6 | 2.6 | 2.0 | - | 2.9 | 2.9 | - |
| DP pumps | 0.7 | 0.8 | 0.5 | 0.7 | 0.8 | - | 0.7 | 0.8 | - |
| Exergy Destruction (MW) | Block No | ||||||||
|---|---|---|---|---|---|---|---|---|---|
| 7 | 9 | 10 | |||||||
| Tex (°C) | |||||||||
| −20 | 1 | 15 | −20 | 1 | 15 | −20 | 1 | 15 | |
| Operation without TES | |||||||||
| RP pumps | 4.63 | 0.39 | 0.36 | 5.06 | 0.48 | - | 1.10 | 0.52 | - |
| XA heat exchanger | 4.93 | 5.1 | 4.4 | 1.04 | 8.9 | - | 6.97 | 7.09 | - |
| XB heat exchanger | 1.96 | 2.48 | 2.13 | 1.56 | 2.85 | - | 1.77 | 3.95 | - |
| SP pumps | 0.65 | 0.60 | 0.73 | 0.67 | 0.20 | - | 1.22 | 0.48 | - |
| Charging process of TES | |||||||||
| RP pumps | 4.80 | 0.38 | 0.44 | 5.56 | 0.46 | - | 1.10 | 0.48 | - |
| XA heat exchanger | 4.93 | 5.33 | 5.04 | 1.27 | 9.08 | - | 6.97 | 7.78 | - |
| XB heat exchanger | 2.28 | 2.82 | 2.33 | 1.87 | 2.33 | - | 1.77 | 3.57 | - |
| SP pumps | 0.87 | 0.49 | 0.68 | 0.83 | 0.37 | - | 1.22 | 0.84 | - |
| Discharging process of TES | |||||||||
| RP pumps | 4.66 | 0.39 | 0.35 | 4.65 | 0.48 | - | 1.22 | 0.49 | - |
| XA heat exchanger | 5.10 | 5.30 | 3.69 | 1.27 | 8.76 | - | 7.50 | 8.56 | - |
| XB heat exchanger | 2.36 | 2.74 | 1.87 | 0.95 | 2.59 | - | 1.77 | 3.72 | - |
| SP pumps | 0.65 | 0.87 | 0.69 | 0.58 | 0.20 | - | 1.22 | 0.80 | - |
| Exergy Destruction (MW) | Tex (°C) | ||
|---|---|---|---|
| −20 | +1 | +15 | |
| Charging process of TES | |||
| Throttling losses | 0.32 | 0.16 | 0.45 |
| TES charging process | 0.12 | 0.12 | 0.12 |
| Discharging process of TES | |||
| DP pumps | 0.15 | 0.15 | 0.13 |
| TES discharging process | 0.15 | 0.24 | 0.16 |
© 2020 by the authors. Licensee MDPI, Basel, Switzerland. This article is an open access article distributed under the terms and conditions of the Creative Commons Attribution (CC BY) license (http://creativecommons.org/licenses/by/4.0/).
Share and Cite
Zwierzchowski, R.; Wołowicz, M. Energy and Exergy Analysis of Sensible Thermal Energy Storage—Hot Water Tank for a Large CHP Plant in Poland. Energies 2020, 13, 4842. https://doi.org/10.3390/en13184842
Zwierzchowski R, Wołowicz M. Energy and Exergy Analysis of Sensible Thermal Energy Storage—Hot Water Tank for a Large CHP Plant in Poland. Energies. 2020; 13(18):4842. https://doi.org/10.3390/en13184842
Chicago/Turabian StyleZwierzchowski, Ryszard, and Marcin Wołowicz. 2020. "Energy and Exergy Analysis of Sensible Thermal Energy Storage—Hot Water Tank for a Large CHP Plant in Poland" Energies 13, no. 18: 4842. https://doi.org/10.3390/en13184842
APA StyleZwierzchowski, R., & Wołowicz, M. (2020). Energy and Exergy Analysis of Sensible Thermal Energy Storage—Hot Water Tank for a Large CHP Plant in Poland. Energies, 13(18), 4842. https://doi.org/10.3390/en13184842

