Enhancing the Protective Performance of Surge Arresters against Indirect Lightning Strikes via an Inductor-Based Filter
Abstract
1. Introduction
- Proposing a filtered surge arrester to mitigate lightning overvoltages by limiting the energy pushed into the surge arrester.
- Proposing an energy-controlled switch to model the fault behavior of surge arrester due to absorbing excess energy.
- Investigating the impact of the proposed filter on enhancing the protective performance of the surge arrester for protecting MV transformers against indirect lightning phenomena.
- Investigating the impact of the joint spark gap and proposed surge arrester on protecting an MV transformer against indirect lightning phenomena.
2. Simulation Setup
2.1. Indirect Lightning
2.2. Transformer
2.3. Spark Gap
2.4. Surge Arrester
2.4.1. Frequency-Dependent Model
2.4.2. Surge Arrester Fault Model
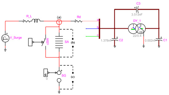
2.5. Arrangement of Lightning Protection Devices
3. Model Validation, Case Studies, and Simulation Results
3.1. Model Validation Validating the Surge Arrester Fault Model and the Spark Gap
3.1.1. Validating the Surge Arrester Fault Model
3.1.2. Validating the Spark Gap
3.2. Case Studies
- Case 1
- Transformer protected by surge arrester. The main goal of this case is to reveal the protection capability of different surge arresters in protecting MV transformers against various indirect lightning overvoltages.
- Case 2
- Transformer protected by a series connection of surge arrester and spark gap. This case is used to investigate the impact of the combined protective devices on the overvoltage stress and protection of MV transformers against indirect lightning.
- Case 3
- Transformer protected by filtered surge arrester. The primary goal of this case is to investigate the impact of an inductor-based filter on the performance and operating margin of surge arresters.
- Case 4
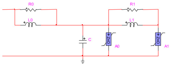
- Transformer protected by a series connection of filtered surge arrester and spark gap. This case investigates the role of an inductor-based filter on the protective performance of a combined surge arrester and spark gap devices, presented in Case 2.
3.3. Simulation Results and Discussions
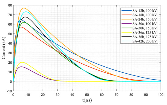
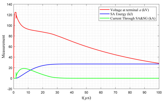
3.3.1. Case 1. Transformer Protected by Surge Arrester
3.3.2. Case 2. Transformer Protected by a Series Connection of Surge Arrester and Spark Gap
- Scenario 1:Spark Gap is not triggered
- Scenario 2:Spark Gap is triggered and Surge Arrester is pushed into Failure
- Scenario 3:Spark gap is triggered and Surge Arrester works properly
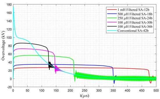
3.3.3. Case 3. Transformer Protected by Filtered Surge Arrester
3.3.4. Case 4. Transformer Protected by the Series Connection of Filtered Surge Arrester and Spark Gap
4. Conclusions
Author Contributions
Funding
Conflicts of Interest
References
- Visacro Filho, S. Atmospheric Discharge: An Engineering Approach (Descargas Atmosféricas: Uma abordagem de engenharia); Artliber Editora: São Paulo, Brazil, 2005; ISBN 8588098318. [Google Scholar]
- Keitoue, S.; Murat, I.; Filipović-Grčić, B.; Župan, A.; Damjanović, I.; Pavić, I. Lightning caused overvoltages on power transformers recorded by on-line transient overvoltage monitoring system. J. Energy Energ. 2018, 67, 44–53. [Google Scholar]
- Furgał, J. Influence of Lightning Current Model on Simulations of Overvoltages in High Voltage Overhead Transmission Systems. Energies 2020, 13, 296. [Google Scholar] [CrossRef]
- Sabiha, N.A.; Lehtonen, M. Overvoltage spikes transmitted through distribution transformers due to MV spark-gap operation. In Proceedings of the 2010 Electric Power Quality and Supply Reliability Conference, Kuressaare, Estonia, 16–18 June 2010; pp. 207–214. [Google Scholar]
- Heine, P.; Lehtonen, M.; Oikarinen, A. Overvoltage protection, faults and voltage sags. In Proceedings of the 2004 11th International Conference on Harmonics and Quality of Power (IEEE Cat. No.04EX951), Lake Placid, NY, USA, 12–15 September 2004; pp. 100–105. [Google Scholar]
- Mahmood, F.; Rizk, M.E.M.; Lehtonen, M. Evaluation of Lightning Overvoltage Protection Schemes for Pole-Mounted Distribution Transformers. Int. Rev. Electr. Eng. 2015, 10, 616. [Google Scholar] [CrossRef]
- Pazos, F.J.; Amantegui, J.; Ferrandis, F.; Barona, A. Overvoltages in low voltage systems due to normal medium voltage switching. In Proceedings of the 19th International Conference on Electricity Distribution (CIRED), Vienna, Austria, 21–24 May 2007; pp. 1–4. [Google Scholar]
- Meng, P.; Gu, S.; Wang, J.; Hu, J.; He, J. Improving electrical properties of multiple dopant ZnO varistor by doping with indium and gallium. Ceram. Int. 2018, 44, 1168–1171. [Google Scholar] [CrossRef]
- Opsahl, A.M.; Brookes, A.S.; Southgate, R.N. Lightning Protection for Distribution Transformers. Trans. Am. Inst. Electr. Eng. 1932, 51, 245–251. [Google Scholar] [CrossRef]
- Mikropoulos, P.N.; Tsovilis, T.E.; Koutoula, S.G. Lightning Performance of Distribution Transformer Feeding GSM Base Station. Ieee Trans. Power Deliv. 2014, 29, 2570–2579. [Google Scholar] [CrossRef]
- Cigre Working Group A2.37. Transformer Reliability Survey; Technical brochure no. 642; International Council on Large Electric Systems: Paris, France, 2015. [Google Scholar]
- Meng, P.; Yuan, C.; Xu, H.; Wan, S.; Xie, Q.; He, J.; Zhao, H.; Hu, J.; He, J. Improving the protective effect of surge arresters by optimizing the electrical property of ZnO varistors. Electr. Power Syst. Res. 2020, 178, 106041. [Google Scholar] [CrossRef]
- Meng, P.; Lyu, S.; Hu, J.; He, J. Tailoring low leakage current and high nonlinear coefficient of a Y-doped ZnO varistor by indium doping. Mater. Lett. 2017, 188, 77–79. [Google Scholar] [CrossRef]
- Meng, P.; Zhou, Y.; Wu, J.; Hu, J.; He, J. Novel ZnO Varistors for Dramatically Improving Protective Effect of Surge Arresters. In Proceedings of the 2018 34th International Conference on Lightning Protection (ICLP), Rzeszow, Poland, 2–7 September 2018; pp. 1–6. [Google Scholar]
- He, J. Metal. Oxide Varistors: From Microstructure to Macro-Characteristics; Wiley-VCH Verlag GmbH & Co. KGaA: Weinheim, Germany, 2019; ISBN 9783527684038. [Google Scholar]
- Zi-Ming, H.; Xiu-Juan, C.; Wei-Jiang, C. The Power Loss Calculation Model of Metal Oxide Resistors at Continuous Operating Voltage. In Proceedings of the 2019 11th Asia-Pacific International Conference on Lightning (APL), Hong Kong, 12–14 June 2019; pp. 1–6. [Google Scholar]
- Piantini, A.; de Carvalho, T.O.; Obase, P.F.; Janiszewski, J.M.; Santos, G.J.G.; Fagundes, D.R.; Uchoa, J.I.L.; Kunz, E.N. The effect of the distance between transformer and MV arresters on the surges transferred to the LV side. In Proceedings of the 2012 International Conference on High Voltage Engineering and Application, Shanghai, China, 17 September 2012; pp. 105–109. [Google Scholar]
- Josephine, M.M.; Ikechukwu, G.A. Performance of Surge Arrester Installation to Enhance Protection. In Proceedings of the World Congress on Engineering and Computer Science 2016 Vol I, San Francisco, CA, USA, 19–21 October 2016; pp. 1–7. [Google Scholar]
- Christodoulou, C.A.; Vita, V.; Maris, T.I. On the optimal placement of surge arresters for the efficient protection of medium voltage distribution networks against atmospheric overvoltages. In Proceedings of the 2019 54th International Universities Power Engineering Conference (UPEC), Bucharest, Romania, 3–6 September 2019; pp. 1–4. [Google Scholar]
- Firouzjah, K.G. Distribution Network Expansion Based on the Optimized Protective Distance of Surge Arresters. Ieee Trans. Power Deliv. 2018, 33, 1735–1743. [Google Scholar] [CrossRef]
- Sabiha, N.A.; Lehtonen, M. Lightning-Induced Overvoltages Transmitted Over Distribution Transformer With MV Spark-Gap Operation—Part II: Mitigation Using LV Surge Arrester. IEEE Trans. Power Deliv. 2010, 25, 2565–2573. [Google Scholar] [CrossRef]
- Somogyi, A.; Vizi, L. Overvoltage protection of pole mounted distribution transformers. Period. Polytech. Electr. Eng. 1997, 41, 27–40. [Google Scholar]
- Application Note 2.0— Metal-oxide surge arresters in medium-voltage systems. In Overvoltage Protection of Transformers; ABB Switzerland Ltd.: Baden, Switzerland, 2018.
- Piasecki, W.; Kuczek, T.; Stosur, M.; Steiger, M.; Szewczyk, M. Investigation on new mitigation method for lightning overvoltages in high-voltage power substations. Iet Gener. Transm. Distrib. 2013, 7, 1055–1062. [Google Scholar] [CrossRef]
- Visacro, S. Statistical analysis of lightning current parameters: Measurements at Morro do Cachimbo Station. J. Geophys. Res. 2004, 109, D01105. [Google Scholar] [CrossRef]
- De Conti, A.; Perez, E.; Soto, E.; Silveira, F.H.; Visacro, S.; Torres, H. Calculation of Lightning-Induced Voltages on Overhead Distribution Lines Including Insulation Breakdown. IEEE Trans. Power Deliv. 2010, 25, 3078–3084. [Google Scholar] [CrossRef]
- Kuffel, E.; Zaengl, W.S.; Kuffel, J. High. Voltage Engineering Fundamentals; Elsevier: Amsterdam, The Netherlands, 2000; ISBN 9780750636346. [Google Scholar]
- Jia, W.; Xiaoqing, Z. Double-Exponential Expression of Lightning Current Waveforms. In Proceedings of the The 2006 4th Asia-Pacific Conference on Environmental Electromagnetics, Dalian, China, 1–4 August 2006; pp. 320–323. [Google Scholar]
- Pourakbari-Kasmaei, M.; Mahmoud, F.; Krbal, M.; Pelikan, L.; Orságová, J.; Toman, P.; Lehtonen, M. Optimal Adjustment of Double Exponential Model Parameters to Reproduce the Laboratory Volt-Time Curve of Lightning Impulse. Available online: https://drive.google.com/file/d/15NgOIIbDuCZIiqTqXzC7QeMKND8O22Tj/view?usp=usp=sharing (accessed on 15 August 2020).
- Electromagnetic Transients Program-Restructured Version (EMTP-RV). Available online: https://www.emtp-software.com/ (accessed on 15 August 2020).
- Pourakbari-Kasmaei, M.; Lehtonen, M. GAMS Code for Obtaining Optimal Parameters of Double Exponential Function. Available online: https://drive.google.com/drive/folders/19IBsft1DEfb57IJ_frpmvnTRsuJn5FpN?usp=sharing (accessed on 15 August 2020).
- Cigre Working Group 02 (Internal overvoltages) Of Study Committee 33. Guidelines for Representation of Network Elements When Calculating Transients; International Council on Large Electric Systems: Paris, France, 1990; 30p. [Google Scholar]
- Pourakbari-Kasmaei, M.; Mahmood, F.; Krbal, M.; Pelikan, L.; Orságová, J.; Toman, P.; Lehtonen, M. Evaluation of Filtered Spark Gap on the Lightning Protection of Distribution Transformers: Experimental and Simulation Study. Energies 2020, 13, 3799. [Google Scholar] [CrossRef]
- Savadamuthu, U.; Udayakumar, K.; Jayashankar, V. Modified disruptive effect method as a measure of insulation strength for non-standard lightning waveforms. IEEE Trans. Power Deliv. 2002, 17, 510–515. [Google Scholar] [CrossRef]
- Darveniza, M. The generalized integration method for predicting impulse volt-time characteristics for non-standard wave shapes-a theoretical basis. IEEE Trans. Electr. Insul. 1988, 23, 373–381. [Google Scholar] [CrossRef]
- IEEE Working Group. 3.4.11: Application of Surge Protective Devices Subcommittee- Surge Protective Device Committee. Modeling of metal oxide surge arresters. IEEE Trans. Power Deliv. 1992, 7, 302–309. [Google Scholar] [CrossRef]
- Siemens Catalogue 31.1 HG Medium-Voltage Surge Arresters: Product Guide. Available online: https://assets.new.siemens.com/siemens/assets/api/uuid:a6c3362fa89bb8e6ba4c444b07ab680a87a4105a/version:0/medium-voltage-surge-arresters-catalog-hg-31-1-2017-low-resoluti.pdf (accessed on 15 August 2020).
- IEEE Standards Board. 1313-1993-IEEE Standard for Power Systems - Insulation Coordination. IEEE Std 1313-1993 1993. [Google Scholar] [CrossRef]
- Technical Specification of Transformer. Available online: https://procurement-notices.undp.org/view_file.cfm?doc_id=104038 (accessed on 15 August 2020).
- National Electrical Manufacturers Association Understanding the Arrester Datasheet. Available online: https://www.nemaarresters.org/understanding-arrester-datasheet/ (accessed on 15 August 2020).
- Göhler, R.; Hinrichsen, V. Metal-Oxide Surge Arresters in High-Voltage Power Systems: Fundamentals. Available online: https://assets.new.siemens.com/siemens/assets/api/uuid:64a37729c7408df1e15b39ca8c9cde8b957a5463/e50001-g630-h197-x-4a00-ableiterhandbuch-teil-1-a4.pdf (accessed on 15 August 2020).
- INMR Principal Failure Modes for Surge Arresters. Available online: https://www.inmr.com/principal-failure-modes-surge-arresters/#:~:text=Inmostscenarios%2Cfailureoccurs,orswitching)orlightningor (accessed on 15 August 2020).
- Novizon, N.; Malek, Z.A.; Ahmad, M.H.; Waldi, E.P.; Aulia, S.; Laksono, H.D.; Riska, N. Power loss estimation of polymeric housing surge arrester using leakage current and temperature approach. Iop Conf. Ser. Mater. Sci. Eng. 2019, 602, 012008. [Google Scholar] [CrossRef]
- Tsovilis, T.E.; Topcagic, Z. DC Overload Behavior of Low-Voltage Varistor-Based Surge Protective Devices. Ieee Trans. Power Deliv. 2020, 1. [Google Scholar] [CrossRef]
- Topcagic, Z.; Tsovilis, T.E. Varistor Electrical Properties: Microstructural Effects. In Reference Module in Materials Science and Materials Engineering; Elsevier: Amsterdam, The Netherlands, 2020. [Google Scholar]
- IEEE. 1410 IEEE guide for improving the lightning performance of electric power overhead distribution lines. IEEE Std 1410-2010 (Revision IEEE Std 1410-2004) 2011, 1–73. [Google Scholar] [CrossRef]
- Richter, B. Application Guidelines: Overvoltage Protection Metal-Oxide Surge Arresters in Medium-Voltage Systems; ABB Switzerland Ltd.: Wettingen, Switzerland, 2018. [Google Scholar]
- Cigre Working Group 01 (Lightning) of Study Committee 33 (Overvoltages and Insulation Co-ordination). Guide to Procedures for Estimating the Lightning Performance of Transmission Lines; Technical brochure no. 063; International Council on Large Electric Systems: Paris, France, 1991. [Google Scholar]
- Pourakbari-Kasmaei, M.; Mahmoud, F.; Krbal, M.; Pelikan, L.; Orságová, J.; Toman, P.; Lehtonen, M. Transformer with serial inductors and protection spark gap. Available online: https://drive.google.com/file/d/1ztdvBW2QNNZx1t6XsAY6IMTzq-nxAlVc/view?usp=sharing (accessed on 15 August 2020).
- Pourakbari-Kasmaei, M.; Mahmood, F.; Lehtonen, M. Optimized Protection of Pole-Mounted Distribution Transformers against Direct Lightning Strikes. Energies 2020, 13, 4372. [Google Scholar] [CrossRef]
- Datsios, Z.G.; Panteleimon, M.; Politis, Z.; Kagiannas, A.G.; Tsovilis, T.E. Protection of distribution transformer against arising or transferred fast-front overvoltages: Effects of surge arrester connection conductors length. In Proceedings of the 18th International Symposium on High Voltage Engineering, Seoul, Korea, 25–30 August 2013. [Google Scholar]


































| Surge Arrester Type | Rated Voltage (kV) | Maximum Continuous Operating Voltage (kV) | Residual Voltage at Nominal Discharge Current (kV) | Protective Level (kV) | Height (mm) | Thermal Energy Absorption Limit (kJ) |
|---|---|---|---|---|---|---|
| SA-12a | 12 | 9.6 | 31.8 | 31.9 | 135 | 13.2 |
| SA-12b | 12 | 9.6 | 28.2 | 28.8 | 142 | 84 |
| SA-18a | 18 | 14.4 | 47.7 | 47.8 | 135 | 19.8 |
| SA-18b | 15 | 12 | 35.3 | 36.0 | 142 | 105 |
| SA-24a | 24 | 19.2 | 63.6 | 63.8 | 135 | 26.4 |
| SA-24b | 24 | 19.2 | 56.4 | 57.6 | 142 | 168 |
| SA-30a | 30 | 24.0 | 79.5 | 79.7 | 135 | 33.0 |
| SA-30b | 30 | 24.0 | 70.5 | 72.0 | 142 | 210.0 |
| SA-36a | 36 | 28.8 | 95.4 | 95.7 | 135 | 39.6 |
| SA-36b | 36 | 28.8 | 84.6 | 86.4 | 142 | 252 |
| SA-42b | 42 | 33.6 | 98.7 | 101 | 142 | 294 |
| 100 | 102 | −14036.78 | −4867830.80 |
| 125 | 127.7 | −15100.47 | −4790636.88 |
| 150 | 153 | −14036.78 | −4867830.71 |
| 175 | 178.5 | −14027.23 | −4864444.27 |
| 200 | 204 | −14036.78 | −4867830.80 |
| 250 | 255 | −14036.78 | −4867830.89 |
| 300 | 306 | −14036.78 | −4867831.15 |
| 500 | 510 | −14099.63 | −4889384.19 |
| Surge Arrester | No Filter | Filter Size | ||||
|---|---|---|---|---|---|---|
| Highest Lightning Impulse Level (kV) | SA-12a | - | - | - | - | 100 |
| SA-12b | 100 | 125 | 150 | 175 | 200 | |
| SA-18a | - | - | 100 | 100 | 125 | |
| SA-18b | 100 | 125 | 150 | 200 | 250 | |
| SA-24a | - | 100 | 125 | 125 | 150 | |
| SA-24b | 150 | 175 | 200 | 250 | 300 | |
| SA-30a | 100 | 125 | 125 | 150 | 175 | |
| SA-30b | 150 | 200 | 250 | 300 | 300 | |
| SA-36a | 125 | 150 | 150 | 175 | 200 | |
| SA-36b | 175 | 200 | 250 | 300 | 300 | |
| SA-42b | 200 | 250 | 300 | 300 | 300 | |
© 2020 by the authors. Licensee MDPI, Basel, Switzerland. This article is an open access article distributed under the terms and conditions of the Creative Commons Attribution (CC BY) license (http://creativecommons.org/licenses/by/4.0/).
Share and Cite
Pourakbari-Kasmaei, M.; Lehtonen, M. Enhancing the Protective Performance of Surge Arresters against Indirect Lightning Strikes via an Inductor-Based Filter. Energies 2020, 13, 4754. https://doi.org/10.3390/en13184754
Pourakbari-Kasmaei M, Lehtonen M. Enhancing the Protective Performance of Surge Arresters against Indirect Lightning Strikes via an Inductor-Based Filter. Energies. 2020; 13(18):4754. https://doi.org/10.3390/en13184754
Chicago/Turabian StylePourakbari-Kasmaei, Mahdi, and Matti Lehtonen. 2020. "Enhancing the Protective Performance of Surge Arresters against Indirect Lightning Strikes via an Inductor-Based Filter" Energies 13, no. 18: 4754. https://doi.org/10.3390/en13184754
APA StylePourakbari-Kasmaei, M., & Lehtonen, M. (2020). Enhancing the Protective Performance of Surge Arresters against Indirect Lightning Strikes via an Inductor-Based Filter. Energies, 13(18), 4754. https://doi.org/10.3390/en13184754
