Modeling of a Catalytic Cracking in the Gasoline Production Installation with a Fuzzy Environment
Abstract
1. Introduction
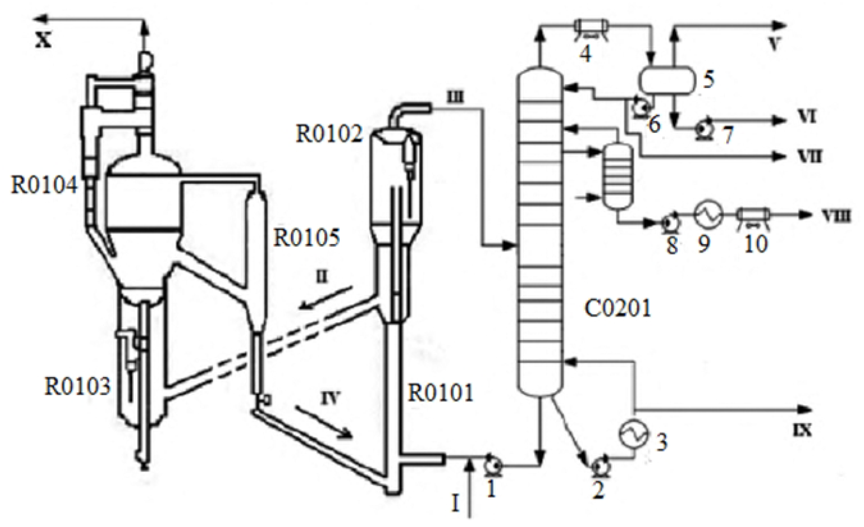
2. Experimental Unit
3. Results and Discussion
3.1. Development of a Method for Conducting Expert Procedures within Fuzzy Environment
- -
- octane number of a catalysate (according to motor method is not less than 86, i.e., fuzzy
- -
- fractional composition of catalysate –10% and 50% refine, and respectively at approximately 70 and 115 C,
- -
- pressure of saturated steam—no more than mm of mercury,
- -
- resin content in 100 mL. of gasoline—no more than mg.
3.2. Model Building of Main Parts of Reactor Block of Fluid Catalytic Cracking Unit
- —volume of catalyst (target product) from output of reactor,
- —quality indicators of catalysate octane number —not less than 91 according to motor method),
- —raw materials, hydrogenate from discharge of hydrotreating unit, m/hour,
- —volumetric flow rate within reactors, hour,
- —temperature within reactors, C,
- —pressure within reactors, kg/cm,
- —/raw materials ratio, nm.
- “If is low, is below the average, is lower than the average,
- if is average, is average, is normal,
- if is high, is above the average, is higher than the norm”.
- —reactor’s temperature is low,
- —reactor’s temperature is average,
- —reactor’s temperature is high,
- —discharge of catalysate is low,
- —discharge of catalysate is average,
- —discharge of catalysate is higher than the average,
- —stability of catalysate is lower than normal,
- —stability of catalysate is normal,
- —stability of catalysate is higher than normal.
4. Conclusions
Author Contributions
Funding
Conflicts of Interest
Abbreviations
| CTS | Chemical-technological system |
| DM | Decision making |
| FCC | Fluid catalytic cracking |
| FCCU | Fluid catalytic cracking unit |
| FM | Fuzzy model |
| FST | Fuzzy set theory |
| LM | Logical model |
| PMD | Person making decisions |
| R2R | Vacuum, two-stage regeneration system |
References
- Nazarova, G.R.; Burumbaeva, G.J.; Seytenova, G.J. The testing of a kinetic model of FCCU in the “C-200” section of the KT-1/1 installation of oil refining plants in Kazakhstan—Chemistry and chemical technology in the XXI century. In Proceedings of the XVII International Scientific and Practical Conference 2016, Tomsk, Russia, 17–20 May 2016; pp. 513–515. [Google Scholar]
- Orazbayev, B.B.; Ospanov, Y.A.; Orazbayeva, K.N.; Makhatova, V.E.; Urazgaliyeva, M.K.; Shagayeva, A.B. Development of mathematical models of R-1 reactor hydrotreatment unit using available information of various types. J. Phys. Conf. Ser. 2019, 1399, 044024. [Google Scholar] [CrossRef]
- Pashayeva, B. Mathematical Model of the Fluid Catalytic Cracking for Work in Testing Control Systems for the Cracking Plant; PCI: Baku, Azerbaijan, 2010; pp. 328–331. [Google Scholar]
- Mircea, C.; Agachi, S.; Marimoiu, V. Simulation and model predictive control of a UOP fluid catalytic cracking. Chem. Eng. Process. 2003, 42, 42–67. [Google Scholar] [CrossRef]
- Yidi, B.S. TAI, Research Project. In Lignin Fast Pyrolysis: Towards Enhanced Product Selectivities by Varying Particle Sizes of H-ZSM5 Zeolites; Swiss Federal Institute of Technology Zurich (ETH Zurich): Zurich, Switzerland, 2016; p. 72. [Google Scholar]
- Osman, A.I. Catalytic hydrogen production from methane partial oxidation: Mechanism and kinetic study. Chem. Eng. Technol. 2020, 43, 641–648. [Google Scholar] [CrossRef]
- Harinath, E.; Biegler, L.T.; Dumont, G.A. Predictive optimal control for thermo-mechanical pulping processes with multi-stage low consistency refining. J. Process. Control 2013, 47, 1001–1015. [Google Scholar] [CrossRef]
- Pavlov, S.Y.; Kulov, N.N.; Kerimov, R.M. Improvement of chemical engineering processes using systems analysis. Theor. Found. Chem. Eng. 2016, 53, 117–126. [Google Scholar] [CrossRef]
- Dzhambekov, A.M.; Sherbatov, I.A. Control of catalytic reforming process based expert information. Syst. Method Technol. 2014, 4, 103–111. [Google Scholar]
- Orazbayev, B.B.; Ospanov, E.A.; Orazbayeva, K.N.; Kurmangazieva, L.T. A hybrid method for the development of mathematical models of a chemical engineering system in ambiguous conditions. Math. Models Comput. Simul. 2018, 10, 748–758. [Google Scholar] [CrossRef]
- Kim, S.W.; Yeo, C.E.; Lee, D.Y. Effect of fines content on fluidity of FCC catalysts for stable operation of fluid catalytic cracking unit. Energies 2019, 12, 293. [Google Scholar] [CrossRef]
- Technological Regulations for the Catalytic Reforming Installation LG-35-11/300-95; 130c; Atyrau Oil Refinery: Atyrau, Kazakhstan, 2002.
- Roudneshin, M.; Azadeh, A. A novel multi-objective fuzzy model for optimization of oil sludge management by considering health, safety andeEnvironment (HSE) and resiliency indicators in a gas refinery. J. Clean. Prod. 2019, 206, 559–571. [Google Scholar] [CrossRef]
- Nourian, R.; Meysam Mousavi, S.; Raissi, S. A fuzzy expert system for mitigation of risks and effective control of gas pressure reduction stations with a real application. J. Loss. Prevent. Proc. 2019, 59, 77–90. [Google Scholar] [CrossRef]
- Ying, H. Fuzzy Control and Modeling: Analytical Foundations and Applications; Wiley-IEEE Press: Hoboken, NJ, USA, 2000. [Google Scholar]
- Mehran, K. Fuzzy Modeling for Process Control; School of Electrical, Electronic and Computer Engineering: Wuhan, China, 21 January 2008; p. 21. [Google Scholar]
- Zhu, B. A novel multiscale ensemble carbon price prediction model integrating empirical mode decomposition, genetic algorithm and artificial neural network. Energies 2012, 5, 355–370. [Google Scholar] [CrossRef]
- Shumsky, V.M.; Zyryanova, L.A. Engineering Tasks in Oil Refining and Petrochemistry; MPC Publ.: Moscow, Russia, 2014; p. 475. [Google Scholar]
- Tchoketch Kebir, G.F.; Larbes, C.; Ilinca, A.; Obeidi, T.; Tchoketch Kebir, S. Study of the intelligent behavior of a maximum photovoltaic energy tracking fuzzy controller. Energies 2018, 11, 3263. [Google Scholar] [CrossRef]
- Leanenkov, A.V. Fuzzy Modeling in Matlab and FuzzyTech; BHV: Sankt Petersburg, Russia, 2005; pp. 725–727. [Google Scholar]
- Shtovba, S.D. Design of Fuzzy Systems by Means of Matlab; MathWorks: Moscow, Russia, 2007. [Google Scholar]
- Fuzzy Logic Toolbox. Available online: http://www.matlab.ru (accessed on 1 September 2020).







| No. | Input Operational Parameters | Rank |
|---|---|---|
| 1 | Loading of raw materials, m/h | 1 |
| 2 | Discharge pressure R0102, kg/cm | 3 |
| 3 | Hydrogen-containing gases (HCG), m/h | 3 |
| 4 | HCG from reforming | 4 |
| 5 | Temperature, C | 3 |
| 6 | Input to R0102 | 1 |
| 7 | Output from R0102 | 1 |
| 8 | Input to R0103 | 1 |
| 9 | Output from R0103 | 1 |
| 10 | Input to R0104 | 1 |
| 11 | Output from R0104 | 1 |
| 12 | Pressure, kg/cm in R0102 | 2 |
| 13 | R0103 | 2 |
| 14 | R0104 | 2 |
| … |
| Parameter Value | Known Model [17] | Developed Model | Production Data |
|---|---|---|---|
| Target products of the cracking process, % (weight) | 94.1 | 95.1 | 95.0 |
| Aromatic hydrocarbon, % (weight) | 68.9 | - | - |
| The composition of sulfur in the production | |||
| of reactor,% (weight) | - | 0.000046 | (0.000047) |
| The composition of acids and alkalis | |||
| in the products of the reactor, % (weight) | - | 0.000003 | (0.000003) |
| The output of the hydrogenated feed is separated | |||
| from the column fractionation C-0201, m/h | 75.4500 | 76.5031 | 76.5575 |
| Output HCG from the column C-0201, m/h | 1700 | 1703 | 1704 |
| The amount of catalyst, m/h | 77.2 | 77.8 | 77.5 |
| RON | - | 92 | (91) |
| Fractional composition of the catalyzate C: | |||
| 10% distillation | - | 67 | (68) |
| 50% distillation | - | 114 | (114) |
© 2020 by the authors. Licensee MDPI, Basel, Switzerland. This article is an open access article distributed under the terms and conditions of the Creative Commons Attribution (CC BY) license (http://creativecommons.org/licenses/by/4.0/).
Share and Cite
Orazbayev, B.; Kozhakhmetova, D.; Wójtowicz, R.; Krawczyk, J. Modeling of a Catalytic Cracking in the Gasoline Production Installation with a Fuzzy Environment. Energies 2020, 13, 4736. https://doi.org/10.3390/en13184736
Orazbayev B, Kozhakhmetova D, Wójtowicz R, Krawczyk J. Modeling of a Catalytic Cracking in the Gasoline Production Installation with a Fuzzy Environment. Energies. 2020; 13(18):4736. https://doi.org/10.3390/en13184736
Chicago/Turabian StyleOrazbayev, Batyr, Dinara Kozhakhmetova, Ryszard Wójtowicz, and Janusz Krawczyk. 2020. "Modeling of a Catalytic Cracking in the Gasoline Production Installation with a Fuzzy Environment" Energies 13, no. 18: 4736. https://doi.org/10.3390/en13184736
APA StyleOrazbayev, B., Kozhakhmetova, D., Wójtowicz, R., & Krawczyk, J. (2020). Modeling of a Catalytic Cracking in the Gasoline Production Installation with a Fuzzy Environment. Energies, 13(18), 4736. https://doi.org/10.3390/en13184736

