A Novel Protection Scheme for Solar Photovoltaic Generator Connected Networks Using Hybrid Harmony Search Algorithm-Bollinger Bands Approach
Abstract
1. Introduction
- demonstrates that to develop a reliable protection scheme for SPVG-connected networks, voltage-restrained overcurrent relays (VROCRs) are deployed to sense a low fault current on the SPVG side, whereas DOCRs are used to operate with a high fault current on the grid side. VROCRs can sense a low fault current by providing the set overcurrent operating value in proportion to the applied input voltage. Also, VROCRs helps to maintain grid stability because they can avoid unnecessary isolations of SPVG networks against short-term disturbances such as voltage dips due to the fault cleared by DOCRs.
- formulates a new problem of optimum coordination of DOCRs-DOCRs and DOCRs-VROCRs in SPVG-connected networks.
- hybridizes the Harmony Search Algorithm (HSA) with the Bollinger Bands (BB) approach for accelerating a local search and improving the convergence and accuracy of the results. The BB method is also modified to support HSA in exploration and exploitation.
- estimates the performance of the proposed hybrid approach by applying over three case studies. The outcomes in terms of the total operating time, violations in constraints, and convergence behaviour are compared with the genetic algorithm (GA), particle swarm optimization (PSO), cuckoo search algorithm (CSA), HSA and hybrid GA-nonlinear programming (GA-NLP) methods.
- performs a statistical analysis using descriptive and nonparametric tests to demonstrate the more excellent value of HSA-BB.
2. Problem Formulation of Optimum Relay Coordination
2.1. Objective Function (OF)
2.2. Constraints
2.2.1. Coordination Time Interval (CTI)
2.2.2. Bounds on Relay Settings
2.2.3. Bounds on Time of Operation (TOP) of Relay
2.2.4. Characteristic of Relay
3. Hybrid HSA-BB Method
3.1. Harmony Search Algorithm
3.2. Bollinger Bands Approach
3.3. Hybrid HSA-BB Method
4. Simulation Results and Discussion
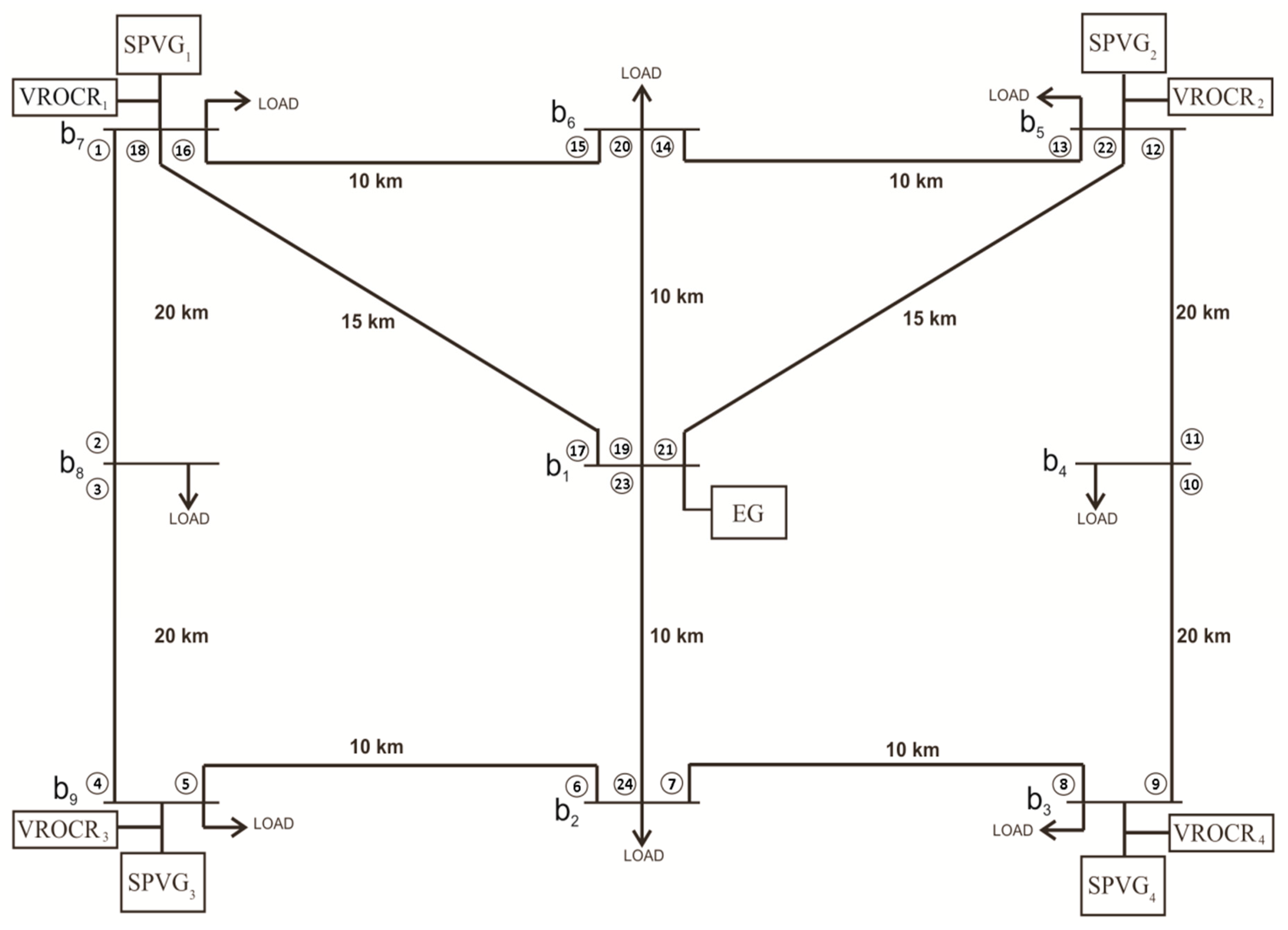
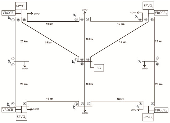
4.1. Case 1: 8-Bus Network
4.2. Case 2: 9-Bus Network
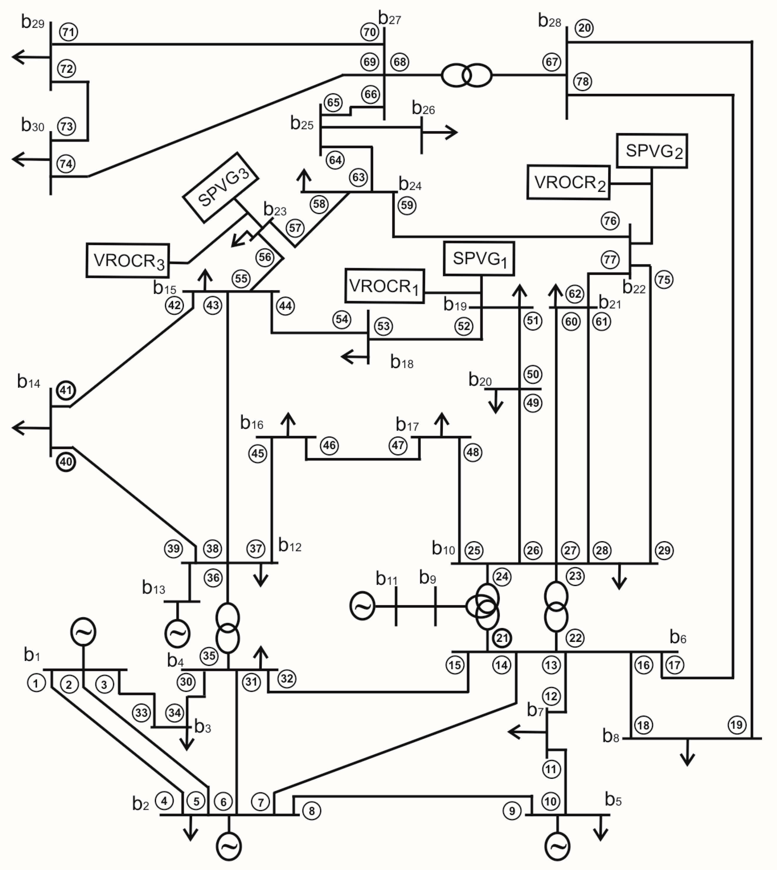
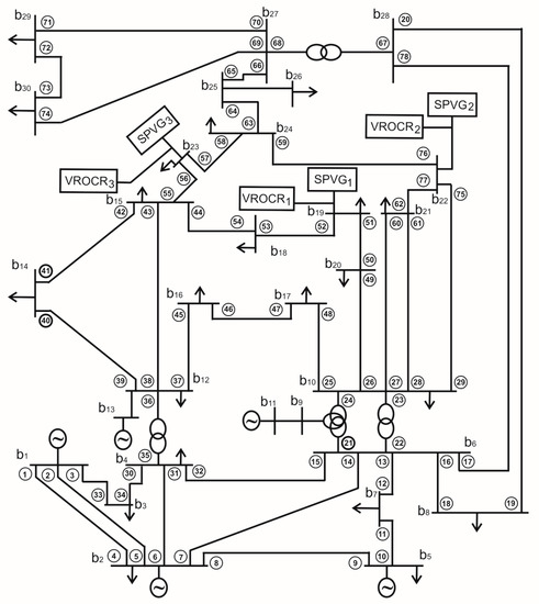
4.3. Case 3: IEEE 30-Bus Network
5. Conclusions
Author Contributions
Funding
Conflicts of Interest
References
- Hernández, J.; De la Cruz, J.; Ogayar, B. Electrical protection for the grid-interconnection of photovoltaic-distributed generation. Electr. Power Syst. Res. 2012, 89, 85–99. [Google Scholar] [CrossRef]
- Geem, Z.W. Size optimization for a hybrid photovoltaic–wind energy system. Int. J. Electr. Power Energy Syst. 2012, 42, 448–451. [Google Scholar] [CrossRef]
- Shin, H.; Geem, Z.W. Optimal design of a residential photovoltaic renewable system in South Korea. Appl. Sci. 2019, 9, 1138. [Google Scholar] [CrossRef]
- Cagnano, A.; De Tuglie, E.; Mancarella, P. Microgrids: Overview and guidelines for practical implementations and operation. Appl. Energy 2020, 258, 114039. [Google Scholar] [CrossRef]
- Amraee, T. Coordination of directional overcurrent relays using seeker algorithm. IEEE Trans. Power Deliv. 2012, 27, 1415–1422. [Google Scholar] [CrossRef]
- Bedekar, P.P.; Bhide, S.R. Optimum coordination of directional overcurrent relays using the hybrid GA-NLP approach. IEEE Trans. Power Deliv. 2011, 26, 109–119. [Google Scholar] [CrossRef]
- Noghabi, A.S.; Sadeh, J.; Mashhadi, H.R. Considering different network topologies in optimal overcurrent relay coordination using a hybrid GA. IEEE Trans. Power Deliv. 2009, 24, 1857–1863. [Google Scholar] [CrossRef]
- Rajput, V.N.; Pandya, K.S. Coordination of directional overcurrent relays in the interconnected power systems using effective tuning of harmony search algorithm. Sustain. Comput. Inform. Syst. 2017, 15, 1–15. [Google Scholar] [CrossRef]
- Kida, A.A.; Labrador Rivas, A.E.; Gallego, L.A. An improved simulated annealing–linear programming hybrid algorithm applied to the optimal coordination of directional overcurrent relays. Electr. Power Syst. Res. 2020, 181, 106197. [Google Scholar] [CrossRef]
- Srinivas, S.T.P.; Shanti Swarup, K. Application of improved invasive weed optimization technique for optimally setting directional overcurrent relays in power systems. Appl. Soft Comput. 2019, 79, 1–13. [Google Scholar] [CrossRef]
- Wadood, A.; Gholami Farkoush, S.; Khurshaid, T.; Kim, C.-H.; Yu, J.; Geem, Z.W.; Rhee, S.-B. An optimized protection coordination scheme for the optimal coordination of overcurrent relays using a nature-inspired root tree algorithm. Appl. Sci. 2018, 8, 1664. [Google Scholar] [CrossRef]
- Gaonkar, D. Distributed Generation; IntechOpen: Rijeka, Croatia, 2010; pp. 289–310. [Google Scholar]
- Dewadasa, M.; Ghosh, A.; Ledwich, G. Fold back current control and admittance protection scheme for a distribution network containing distributed generators. IET Gener. Transm. Distrib. 2010, 4, 952–962. [Google Scholar] [CrossRef]
- Vieira, J.C.; Freitas, W.; Xu, W.; Morelato, A. Performance of frequency relays for distributed generation protection. IEEE Trans. Power Deliv. 2006, 21, 1120–1127. [Google Scholar] [CrossRef]
- Ustun, T.S.; Ozansoy, C.; Ustun, A. Fault current coefficient and time delay assignment for microgrid protection system with central protection unit. IEEE Trans. Power Syst. 2013, 28, 598–606. [Google Scholar] [CrossRef]
- Chabanloo, R.; Abyaneh, H.A.; Agheli, A.; Rastegar, H. Overcurrent relays coordination considering transient behaviour of fault current limiter and distributed generation in distribution power network. IET Gener. Transm. Distrib. 2011, 5, 903–911. [Google Scholar] [CrossRef]
- El-Khattam, W.; Sidhu, T.S. Restoration of directional overcurrent relay coordination in distributed generation systems utilizing fault current limiter. IEEE Trans. Power Deliv. 2008, 23, 576–585. [Google Scholar] [CrossRef]
- Farzinfar, M.; Jazaeri, M. A novel methodology in optimal setting of directional fault current limiter and protection of the MG. Int. J. Electr. Power Energy Syst. 2020, 116, 105564. [Google Scholar] [CrossRef]
- Mirsaeidi, S.; Said, D.M.; Mustafa, M.W.; Habibuddin, M.H.; Ghaffari, K. An analytical literature review of the available techniques for the protection of micro-grids. Int. J. Electr. Power Energy Syst. 2014, 58, 300–306. [Google Scholar] [CrossRef]
- Al-Nasseri, H.; Redfern, M. Harmonics content based protection scheme for micro-grids dominated by solid state converters. In Proceedings of the 12th International Middle-East Power System Conference, Aswan, Egypt, 12–15 March 2008; pp. 50–56. [Google Scholar] [CrossRef]
- Brahma, S.M.; Girgis, A.A. Development of adaptive protection scheme for distribution systems with high penetration of distributed generation. IEEE Trans. Power Deliv. 2004, 19, 56–63. [Google Scholar] [CrossRef]
- Lien, K.-Y.; Bui, D.M.; Chen, S.-L.; Zhao, W.-X.; Chang, Y.-R.; Lee, Y.-D.; Jiang, J.-L. A novel fault protection system using communication-assisted digital relays for AC microgrids having a multiple grounding system. Int. J. Electr. Power Energy Syst. 2016, 78, 600–625. [Google Scholar] [CrossRef]
- Sharma, N.K.; Samantaray, S.R. PMU assisted integrated impedance angle-based microgrid protection scheme. IEEE Trans. Power Deliv. 2020, 35, 183–193. [Google Scholar] [CrossRef]
- Habib, H.F.; Lashway, C.R.; Mohammed, O.A. A review of communication failure impacts on adaptive microgrid protection schemes and the use of energy storage as a contingency. IEEE Trans. Ind. Appl. 2018, 54, 1194–1207. [Google Scholar] [CrossRef]
- Nsengiyaremye, J.; Pal, B.C.; Begovic, M.M. Microgrid protection using low-cost communication systems. IEEE Trans. Power Deliv. 2019. [Google Scholar] [CrossRef]
- Sortomme, E.; Ren, J.; Venkata, S.S. A differential zone protection scheme for microgrids. In Proceedings of the IEEE Power & Energy Society General Meeting, Vancouver, BC, Canada, 21–25 July 2013; pp. 1–5. [Google Scholar] [CrossRef]
- Jayawarna, N.; Barnes, M. Central storage unit response requirement in ‘Good Citizen’microgrid. In Proceedings of the 2009 13th European Conference on Power Electronics and Applications, Barcelona, Spain, 8–10 September 2009; pp. 1–10. [Google Scholar]
- van Overbeeke, F. Fault current source to ensure the fault level in inverter dominated networks. In Proceedings of the CIRED 2009—The 20th International Conference and Exhibition on Electricity Distribution—Part 2, Prague, Czech Republic, 8–11 June 2009; pp. 1–13. [Google Scholar]
- El-Naily, N.; Saad, S.M.; Hussein, T.; Mohamed, F.A. A novel constraint and non-standard characteristics for optimal over-current relays coordination to enhance microgrid protection scheme. IIET Gener. Transm. Distrib. 2019, 13, 780–793. [Google Scholar] [CrossRef]
- Kılıçkıran, H.C.; Akdemir, H.; Şengör, İ.; Kekezoğlu, B.; Paterakis, N.G. A non-standard characteristic based protection scheme for distribution networks. Energies 2018, 11, 1241. [Google Scholar] [CrossRef]
- Ehrenberger, J.; Švec, J. Directional overcurrent relays coordination problems in distributed generation systems. Energies 2017, 10, 1452. [Google Scholar] [CrossRef]
- Kiliçkiran, H.C.; Şengör, İ.; Akdemir, H.; Kekezoğlu, B.; Erdinç, O.; Paterakis, N.G. Power system protection with digital overcurrent relays: A review of non-standard characteristics. Electr. Power Syst. Res. 2018, 164, 89–102. [Google Scholar] [CrossRef]
- Banu, I.V.; Istrate, M. Study on three-phase photovoltaic systems under grid faults. In Proceedings of the 2014 International Conference and Exposition on Electrical and Power Engineering (EPE), Iasi, Romania, 16–18 October 2014; pp. 1132–1137. [Google Scholar] [CrossRef]
- Falvo, M.C.; Capparella, S. Safety issues in PV systems: Design choices for a secure fault detection and for preventing fire risk. Case Stud. Fire Saf. 2015, 3, 1–16. [Google Scholar] [CrossRef]
- Alsharif, M.H.; Yahya, K.; Geem, Z.W. Strategic market growth and policy recommendations for sustainable solar energy deployment in South Korea. J. Electr. Eng. Technol. 2020, 15, 803–815. [Google Scholar] [CrossRef]
- Voltage Restrained Overcurrent Relay and Protection Assemblies. Available online: https://new.abb.com/substation-automation/products/protection-control/modular-relays-and-accessories/measuring-relays/limited-measuring-relays/rxisk (accessed on 12 April 2017).
- Ventruella, D.; Steciuk, P. A second look at generator 51-V relays. IEEE Trans. Ind. Appl. 1997, 33, 848–856. [Google Scholar] [CrossRef]
- Geem, Z.W.; Kim, J.H.; Loganathan, G.V. A new heuristic optimization algorithm: Harmony search. Simulation 2001, 76, 60–68. [Google Scholar] [CrossRef]
- Fesanghary, M.; Mahdavi, M.; Minary-Jolandan, M.; Alizadeh, Y. Hybridizing harmony search algorithm with sequential quadratic programming for engineering optimization problems. Comput. Methods Appl. Mech. Eng. 2008, 197, 3080–3091. [Google Scholar] [CrossRef]
- Lee, K.S.; Geem, Z.W. A new meta-heuristic algorithm for continuous engineering optimization: Harmony search theory and practice. Comput. Methods Appl. Mech. Eng. 2005, 194, 3902–3933. [Google Scholar] [CrossRef]
- Geem, Z.W.; Yoon, Y. Harmony search optimization of renewable energy charging with energy storage system. Int. J. Electr. Power Energy Syst. 2017, 86, 120–126. [Google Scholar] [CrossRef]
- Thakkar, A.; Kotecha, K. A new Bollinger Band based energy efficient routing for clustered wireless sensor network. Appl. Soft Comput. 2015, 32, 144–153. [Google Scholar] [CrossRef]
- Zhu, Q.; Tang, X.; Li, Y.; Yeboah, M.O. An improved differential-based harmony search algorithm with linear dynamic domain. Knowl. Based Syst. 2020, 187, 104809. [Google Scholar] [CrossRef]
- Lan, H.; Liao, Z.-m.; Yuan, T.-g.; Zhu, F. Calculation of PV power station access. Energy Procedia 2012, 17, 1452–1459. [Google Scholar] [CrossRef]
- Mandal, A. Design & Estimation of 1 MW Utility Scale Solar PV Power Plant: Technical & Financial. Available online: http://www.academia.edu/5449881 (accessed on 21 February 2017).
- Teodorescu, R.; Liserre, M.; Rodriguez, P. Grid Converters for Photovoltaic and Wind Power Systems; John Wiley & Sons: Hoboken, NJ, USA, 2010. [Google Scholar] [CrossRef]
- Rajput, V.N.; Pandya, K.S. On 8-bus test system for solving challenges in relay coordination. In Proceedings of the 2016 IEEE 6th International Conference on Power Systems (ICPS), New Delhi, India, 4–6 March 2016; pp. 1–5. [Google Scholar] [CrossRef]
- García, S.; Molina, D.; Lozano, M.; Herrera, F. A study on the use of non-parametric tests for analyzing the evolutionary algorithms’ behaviour: A case study on the CEC’2005 special session on real parameter optimization. J. Heuristics 2009, 15, 617. [Google Scholar] [CrossRef]
- Trawiński, B.; Smętek, M.; Telec, Z.; Lasota, T. Nonparametric statistical analysis for multiple comparison of machine learning regression algorithms. Int. J. Appl. Math. Comput. Sci. 2012, 22, 867–881. [Google Scholar] [CrossRef]
- Fentaw, F.; Melesse, A.M.; Hailu, D.; Nigussie, A. Precipitation and streamflow variability in Tekeze River basin, Ethiopia. In Extreme Hydrology and Climate Variability; Melesse, A.M., Abtew, W., Senay, G., Eds.; Elsevier: Amsterdam, The Netherlands, 2019; pp. 103–121. [Google Scholar] [CrossRef]






| Method | Parameters | 8-Bus System | 9-Bus System | IEEE 30-Bus System |
|---|---|---|---|---|
| GA | Population size (Ps) | 150 | 200 | 300 |
| Crossover rate (CR) | 0.95 | 0.95 | 0.95 | |
| Mutation rate (MR) | 0.01 | 0.01 | 0.01 | |
| PSO | Numbers of particles (N) | 30 | 50 | 100 |
| Acceleration coefficients (C1, C2) | (2.1, 2.0) | (2.1, 2.0) | (2.1, 2.0) | |
| Min. and max. inertia weights (wmin, wmax) | (0.2, 1.0) | (0.2, 1.0) | (0.2, 1.0) | |
| Min. and max. velocity (vmin, vmax) | (−0.45, 0.45) | (−0.45, 0.45) | (−0.45, 0.45) | |
| CSA | Numbers of nets (n) | 20 | 25 | 35 |
| Discovery rate (Pa) | 0.25 | 0.25 | 0.25 | |
| HSA | Harmony memory size (HMS) | 30 | 30 | 40 |
| Harmony memory consideration rate (HMCR) | 0.9 | 0.9 | 0.9 | |
| Pitch adjustment rate (PAR) | 0.5 | 0.5 | 0.5 |
| Primary Relay (PR) | Fault Current (A) | Backup Relay (BR) | Fault Current (A) | Primary Relay (PR) | Fault Current (A) | Backup Relay (BR) | Fault Current (A) |
|---|---|---|---|---|---|---|---|
| 1 | 3382 | 6 | 3382 | 8 | 6278 | 7 | 2068 |
| 2 | 6098 | 1 | 1000 | 8 | 6278 | 9 | 1180 |
| 2 | 6098 | 7 | 2068 | 9 | 2635 | 10 | 2635 |
| 3 | 3560 | 2 | 3560 | 10 | 4060 | 11 | 2520 |
| 4 | 3790 | 3 | 2250 | 11 | 3917 | 12 | 3700 |
| 5 | 2617 | 4 | 2400 | 12 | 5899 | 13 | 989 |
| 6 | 6293 | 5 | 1383 | 12 | 5899 | 14 | 1880 |
| 6 | 6293 | 14 | 1880 | 13 | 3075 | 8 | 3075 |
| 7 | 5402 | 5 | 1383 | 14 | 5220 | 1 | 1000 |
| 7 | 5402 | 13 | 989 | 14 | 5220 | 9 | 1180 |
| Close-in Fault to DOCRs | VROCR as Backup | |||
|---|---|---|---|---|
| Relay No. | Voltage Reduction (kV) | Voltage Reduction in (%) of System Voltage | Fault Current Supplied by SPVG (A) | Fault Current in (%) of Rated Current Supplied by SPVG |
| 1 | 30.63 | 20.42 | 173 | 115.33 |
| 2 | 18.29 | 12.19 | 191 | 127.33 |
| 3 | 28.80 | 19.20 | 175 | 116.67 |
| 4 | 18.68 | 12.45 | 190 | 126.67 |
| 5 | 0.00 | 0.00 | 217 | 144.67 |
| 6 | 9.76 | 06.51 | 203 | 135.33 |
| 7 | 9.76 | 06.51 | 203 | 135.33 |
| 8 | 18.29 | 12.19 | 191 | 127.33 |
| 9 | 28.80 | 19.20 | 175 | 116.67 |
| 10 | 18.68 | 12.45 | 190 | 126.67 |
| 11 | 0.00 | 0.00 | 217 | 144.67 |
| 12 | 9.76 | 06.51 | 203 | 135.33 |
| 13 | 30.63 | 20.42 | 173 | 115.33 |
| 14 | 18.29 | 12.19 | 191 | 127.33 |
| Relay No. | GA | PSO | CSA | HSA | GA-NLP | HSA-BB | ||||||||||||||||||
|---|---|---|---|---|---|---|---|---|---|---|---|---|---|---|---|---|---|---|---|---|---|---|---|---|
| Ipi (A) | Vpi (kV) | TMS | TOP (s) | Ipi (A) | Vpi (kV) | TMS | TOP (s) | Ipi (A) | Vpi (kV) | TMS | TOP (s) | Ipi (A) | Vpi (kV) | TMS | TOP (s) | Ipi (A) | Vpi (kV) | TMS | TOP (s) | Ipi (A) | Vpi (kV) | TMS | TOP (s) | |
| 1 | 300.0 | -- | 0.289 | 0.816 | 592.6 | -- | 0.113 | 0.445 | 385.4 | -- | 0.178 | 0.561 | 459.1 | -- | 0.145 | 0.499 | 508.8 | -- | 0.105 | 0.380 | 524.5 | -- | 0.100 | 0.369 |
| 2 | 302.0 | -- | 0.551 | 1.245 | 405.8 | -- | 0.470 | 1.182 | 439.4 | -- | 0.383 | 0.993 | 489.5 | -- | 0.368 | 0.994 | 598.3 | -- | 0.264 | 0.778 | 600.0 | -- | 0.264 | 0.778 |
| 3 | 202.5 | -- | 0.516 | 1.224 | 288.4 | -- | 0.429 | 1.164 | 233.5 | -- | 0.381 | 0.953 | 201.5 | -- | 0.409 | 0.969 | 449.8 | -- | 0.217 | 0.719 | 450.0 | -- | 0.217 | 0.718 |
| 4 | 517.0 | -- | 0.337 | 1.162 | 308.5 | -- | 0.365 | 0.993 | 462.5 | -- | 0.258 | 0.841 | 341.8 | -- | 0.297 | 0.844 | 599.7 | -- | 0.168 | 0.628 | 600.0 | -- | 0.168 | 0.627 |
| 5 | 369.6 | -- | 0.346 | 1.212 | 417.5 | -- | 0.245 | 0.919 | 407.2 | -- | 0.211 | 0.780 | 474.8 | -- | 0.183 | 0.736 | 599.9 | -- | 0.115 | 0.538 | 600.0 | -- | 0.115 | 0.538 |
| 6 | 300.0 | -- | 0.426 | 0.949 | 312.6 | -- | 0.279 | 0.632 | 345.2 | -- | 0.287 | 0.673 | 306.5 | -- | 0.287 | 0.645 | 473.7 | -- | 0.195 | 0.514 | 354.4 | -- | 0.220 | 0.521 |
| 7 | 200.0 | -- | 0.669 | 1.373 | 264.7 | -- | 0.458 | 1.031 | 228.2 | -- | 0.417 | 0.893 | 252.9 | -- | 0.397 | 0.880 | 449.9 | -- | 0.239 | 0.656 | 450.0 | -- | 0.238 | 0.655 |
| 8 | 300.0 | -- | 0.453 | 1.011 | 374.9 | -- | 0.255 | 0.616 | 328.0 | -- | 0.297 | 0.683 | 301.5 | -- | 0.287 | 0.642 | 468.9 | -- | 0.192 | 0.505 | 359.0 | -- | 0.216 | 0.513 |
| 9 | 200.5 | -- | 0.339 | 0.897 | 373.4 | -- | 0.240 | 0.844 | 309.5 | -- | 0.216 | 0.691 | 295.2 | -- | 0.215 | 0.673 | 449.9 | -- | 0.133 | 0.516 | 450.0 | -- | 0.129 | 0.504 |
| 10 | 300.8 | -- | 0.380 | 0.995 | 314.9 | -- | 0.382 | 1.019 | 349.2 | -- | 0.292 | 0.814 | 412.8 | -- | 0.263 | 0.788 | 599.6 | -- | 0.175 | 0.629 | 600.0 | -- | 0.172 | 0.619 |
| 11 | 300.8 | -- | 0.402 | 1.068 | 384.4 | -- | 0.363 | 1.068 | 591.6 | -- | 0.234 | 0.850 | 353.3 | -- | 0.312 | 0.887 | 485.2 | -- | 0.222 | 0.729 | 600.0 | -- | 0.191 | 0.700 |
| 12 | 301.5 | -- | 0.503 | 1.149 | 339.1 | -- | 0.483 | 1.150 | 498.1 | -- | 0.337 | 0.930 | 374.6 | -- | 0.398 | 0.983 | 503.7 | -- | 0.299 | 0.830 | 600.0 | -- | 0.265 | 0.792 |
| 13 | 300.5 | -- | 0.350 | 1.029 | 519.4 | -- | 0.135 | 0.523 | 321.1 | -- | 0.200 | 0.606 | 434.4 | -- | 0.152 | 0.534 | 554.1 | -- | 0.100 | 0.402 | 523.1 | -- | 0.100 | 0.388 |
| 14 | 201.3 | -- | 0.474 | 0.985 | 203.6 | -- | 0.498 | 1.040 | 245.1 | -- | 0.367 | 0.814 | 400.4 | -- | 0.289 | 0.768 | 449.9 | -- | 0.234 | 0.653 | 450.0 | -- | 0.226 | 0.631 |
| VR-OCR | 166.5 | 127.5 | 0.794 | 1.800 | 166.5 | 127.5 | 0.790 | 1.791 | 166.5 | 127.5 | 0.640 | 1.451 | 166.5 | 127.5 | 0.653 | 1.481 | 166.5 | 127.5 | 0.582 | 1.319 | 166.5 | 127.5 | 0.566 | 1.283 |
| OF (s) | 16.916 | 14.417 | 12.533 | 12.325 | 9.795 | 9.636 | ||||||||||||||||||
| P/B Relay Pair | CTI (s) | P/B Relay Pair | CTI (s) | ||||||||||
|---|---|---|---|---|---|---|---|---|---|---|---|---|---|
| GA | PSO | CSA | HSA | GA-NLP | HSA-BB | GA | PSO | CSA | HSA | GA-NLP | HSA-BB | ||
| 1-6 | 0.384 | 0.357 | 0.300 | 0.318 | 0.300 | 0.300 | 13-8 | 0.301 | 0.308 | 0.302 | 0.311 | 0.300 | 0.300 |
| 2-1 | 0.417 | 0.316 | 0.302 | 0.302 | 0.300 | 0.300 | 14-1 | 0.677 | 0.458 | 0.481 | 0.529 | 0.426 | 0.447 |
| 2-7 | 0.712 | 0.345 | 0.302 | 0.301 | 0.300 | 0.300 | 14-9 | 0.328 | 0.405 | 0.300 | 0.304 | 0.300 | 0.300 |
| 3-2 | 0.301 | 0.318 | 0.302 | 0.302 | 0.300 | 0.300 | 1-VROCR | 2.924 | 3.277 | 2.453 | 2.578 | 2.359 | 2.297 |
| 4-3 | 0.302 | 0.438 | 0.310 | 0.314 | 0.300 | 0.300 | 2-VROCR | 1.373 | 1.424 | 1.117 | 1.160 | 1.139 | 1.088 |
| 5-4 | 0.303 | 0.301 | 0.300 | 0.311 | 0.300 | 0.300 | 3-VROCR | 2.336 | 2.378 | 1.916 | 1.960 | 1.889 | 1.819 |
| 6-5 | 0.860 | 0.786 | 0.521 | 0.538 | 0.442 | 0.434 | 4-VROCR | 1.491 | 1.647 | 1.297 | 1.338 | 1.315 | 1.264 |
| 6-14 | 0.501 | 0.901 | 0.562 | 0.643 | 0.617 | 0.571 | 5-VROCR | 0.589 | 0.872 | 0.671 | 0.745 | 0.780 | 0.745 |
| 7-5 | 0.436 | 0.387 | 0.301 | 0.303 | 0.300 | 0.300 | 6-VROCR | 1.004 | 1.312 | 0.901 | 0.961 | 0.917 | 0.871 |
| 7-13 | 0.659 | 0.429 | 0.337 | 0.405 | 0.546 | 0.437 | 7-VROCR | 0.580 | 0.913 | 0.681 | 0.727 | 0.775 | 0.737 |
| 8-7 | 0.946 | 0.911 | 0.611 | 0.653 | 0.573 | 0.565 | 8-VROCR | 1.608 | 1.989 | 1.427 | 1.512 | 1.412 | 1.353 |
| 8-9 | 0.303 | 0.829 | 0.431 | 0.430 | 0.448 | 0.418 | 9-VROCR | 2.664 | 2.698 | 2.178 | 2.256 | 2.092 | 2.034 |
| 9-10 | 0.301 | 0.388 | 0.301 | 0.303 | 0.300 | 0.300 | 10-VROCR | 1.659 | 1.621 | 1.324 | 1.395 | 1.315 | 1.272 |
| 10-11 | 0.301 | 0.305 | 0.300 | 0.303 | 0.300 | 0.300 | 11-VROCR | 0.732 | 0.723 | 0.601 | 0.595 | 0.590 | 0.583 |
| 11-12 | 0.300 | 0.312 | 0.301 | 0.303 | 0.300 | 0.300 | 12-VROCR | 0.805 | 0.794 | 0.644 | 0.624 | 0.600 | 0.600 |
| 12-13 | 0.884 | 0.310 | 0.300 | 0.302 | 0.371 | 0.300 | 13-VROCR | 2.711 | 3.199 | 2.409 | 2.543 | 2.338 | 2.278 |
| 12-14 | 0.302 | 0.383 | 0.305 | 0.305 | 0.300 | 0.300 | 14-VROCR | 1.633 | 1.566 | 1.296 | 1.386 | 1.265 | 1.236 |
| PR | Fault Current (A) | BR | Fault Current (A) | PR | Fault Current (A) | BR | Fault Current (A) |
|---|---|---|---|---|---|---|---|
| 1 | 5817 | 15 | 2636 | 16 | 3940 | 2 | 759 |
| 1 | 5817 | 17 | 2980 | 16 | 3940 | 17 | 2980 |
| 2 | 2338 | 4 | 2338 | 17 | 8091 | 20 | 168 |
| 3 | 3145 | 1 | 3145 | 17 | 8091 | 22 | 122 |
| 4 | 4206 | 6 | 4005 | 17 | 8091 | 24 | 301 |
| 5 | 1731 | 3 | 1530 | 18 | 3596 | 2 | 759 |
| 6 | 5666 | 8 | 976 | 18 | 3596 | 15 | 2636 |
| 6 | 5666 | 23 | 4690 | 19 | 8091 | 18 | 122 |
| 7 | 5666 | 5 | 976 | 19 | 8091 | 22 | 122 |
| 7 | 5666 | 23 | 4690 | 19 | 8091 | 24 | 301 |
| 8 | 1731 | 10 | 1530 | 20 | 3508 | 13 | 1754 |
| 9 | 4206 | 7 | 4206 | 20 | 3508 | 16 | 1754 |
| 10 | 3145 | 12 | 3145 | 21 | 8091 | 18 | 122 |
| 11 | 2338 | 9 | 2338 | 21 | 8091 | 20 | 168 |
| 12 | 5811 | 14 | 2630 | 21 | 8091 | 24 | 301 |
| 12 | 5811 | 21 | 2980 | 22 | 3596 | 11 | 759 |
| 13 | 3940 | 11 | 759 | 22 | 3596 | 14 | 2636 |
| 13 | 3940 | 21 | 2980 | 23 | 7912 | 18 | 122 |
| 14 | 5244 | 16 | 1754 | 23 | 7912 | 20 | 122 |
| 14 | 5244 | 19 | 3490 | 23 | 7912 | 22 | 168 |
| 15 | 5244 | 13 | 1754 | 24 | 1952 | 5 | 976 |
| 15 | 5244 | 19 | 3490 | 24 | 1952 | 8 | 976 |
| Close-in Fault to DOCRs | VROCR1 | VROCR2 | VROCR3 | VROCR4 | ||||
|---|---|---|---|---|---|---|---|---|
| Relay No. | Voltage Reduction (kV) | Fault Current Supplied by SPVG1(A) | Voltage Reduction (kV) | Fault Current Supplied by SPVG2(A) | Voltage Reduction (kV) | Fault Current Supplied by SPVG3(A) | Voltage Reduction (kV) | Fault Current Supplied by SPVG4(A) |
| 1 | 0.00 | 201 | 4.26 | 175 | 3.76 | 179 | 4.61 | 173 |
| 2 | 7.53 | 155 | 9.62 | 148 | 5.50 | 168 | 8.52 | 149 |
| 3 | 7.53 | 155 | 9.62 | 148 | 5.50 | 168 | 8.52 | 149 |
| 4 | 7.58 | 155 | 8.32 | 151 | 0.00 | 201 | 5.67 | 167 |
| 5 | 7.58 | 155 | 8.32 | 151 | 0.00 | 201 | 5.67 | 167 |
| 6 | 4.90 | 171 | 4.90 | 171 | 1.05 | 195 | 1.05 | 195 |
| 7 | 4.90 | 171 | 4.90 | 171 | 1.05 | 195 | 1.05 | 195 |
| 8 | 8.32 | 152 | 7.58 | 155 | 5.67 | 167 | 0.00 | 201 |
| 9 | 8.32 | 152 | 7.58 | 155 | 5.67 | 167 | 0.00 | 201 |
| 10 | 9.62 | 148 | 7.53 | 155 | 8.52 | 149 | 5.50 | 168 |
| 11 | 9.62 | 148 | 7.53 | 155 | 8.52 | 149 | 5.50 | 168 |
| 12 | 4.26 | 175 | 0.00 | 201 | 4.61 | 173 | 3.76 | 179 |
| 13 | 4.26 | 175 | 0.00 | 201 | 4.61 | 173 | 3.76 | 179 |
| 14 | 1.99 | 189 | 1.99 | 189 | 3.45 | 180 | 3.45 | 180 |
| 15 | 1.99 | 189 | 1.99 | 189 | 3.45 | 180 | 3.45 | 180 |
| 16 | 0.00 | 201 | 4.26 | 175 | 3.76 | 179 | 4.61 | 173 |
| 17 | 0.31 | 201 | 0.31 | 201 | 0.56 | 201 | 0.56 | 201 |
| 18 | 0.00 | 201 | 4.26 | 175 | 3.76 | 179 | 4.61 | 173 |
| 19 | 0.31 | 201 | 0.31 | 201 | 0.56 | 201 | 0.56 | 201 |
| 20 | 1.99 | 189 | 1.99 | 189 | 3.45 | 180 | 3.45 | 180 |
| 21 | 0.31 | 201 | 0.31 | 201 | 0.56 | 201 | 0.56 | 201 |
| 22 | 4.26 | 175 | 0.00 | 201 | 4.61 | 173 | 3.76 | 179 |
| 23 | 0.31 | 201 | 0.31 | 201 | 0.56 | 201 | 0.56 | 201 |
| 24 | 4.90 | 171 | 4.90 | 171 | 1.05 | 195 | 1.05 | 195 |
| Relay No. | GA | PSO | CSA | HSA | GA-NLP | HSA-BB | ||||||||||||||||||
|---|---|---|---|---|---|---|---|---|---|---|---|---|---|---|---|---|---|---|---|---|---|---|---|---|
| Ipi (A) | Vpi (kV) | TMS | TOP (s) | Ipi (A) | Vpi (kV) | TMS | TOP (s) | Ipi (A) | Vpi (kV) | TMS | TOP (s) | Ipi (A) | Vpi (kV) | TMS | TOP (s) | Ipi (A) | Vpi (kV) | TMS | TOP (s) | Ipi (A) | Vpi (kV) | TMS | TOP (s) | |
| 1 | 178.3 | --- | 0.449 | 0.870 | 404.3 | --- | 0.359 | 0.918 | 328.7 | --- | 0.400 | 0.837 | 227.6 | --- | 0.400 | 0.837 | 572.3 | --- | 0.241 | 0.711 | 599.9 | --- | 0.203 | 0.612 |
| 2 | 256.3 | --- | 0.175 | 0.540 | 250.7 | --- | 0.177 | 0.543 | 423.8 | --- | 0.150 | 0.504 | 302.0 | --- | 0.150 | 0.503 | 422.3 | --- | 0.100 | 0.402 | 360.5 | --- | 0.100 | 0.367 |
| 3 | 128.1 | --- | 0.360 | 0.763 | 104.2 | --- | 0.454 | 0.901 | 355.8 | --- | 0.246 | 0.740 | 323.6 | --- | 0.246 | 0.739 | 373.2 | --- | 0.209 | 0.672 | 400.0 | --- | 0.164 | 0.545 |
| 4 | 99.1 | --- | 0.393 | 0.707 | 286.1 | --- | 0.259 | 0.656 | 312.2 | --- | 0.227 | 0.613 | 336.1 | --- | 0.227 | 0.613 | 344.2 | --- | 0.196 | 0.535 | 399.9 | --- | 0.171 | 0.498 |
| 5 | 381.7 | --- | 0.152 | 0.692 | 219.4 | --- | 0.256 | 0.850 | 277.6 | --- | 0.269 | 0.790 | 169.1 | --- | 0.269 | 0.790 | 273.5 | --- | 0.193 | 0.720 | 485.2 | --- | 0.100 | 0.543 |
| 6 | 131.0 | --- | 0.510 | 0.912 | 118.5 | --- | 0.500 | 0.871 | 228.5 | --- | 0.300 | 0.789 | 424.4 | --- | 0.300 | 0.789 | 293.3 | --- | 0.321 | 0.737 | 409.0 | --- | 0.266 | 0.690 |
| 7 | 166.5 | --- | 0.429 | 0.821 | 407.2 | --- | 0.341 | 0.883 | 441.4 | --- | 0.276 | 0.754 | 466.7 | --- | 0.276 | 0.754 | 291.3 | --- | 0.327 | 0.749 | 363.2 | --- | 0.280 | 0.695 |
| 8 | 200.1 | --- | 0.279 | 0.885 | 337.9 | --- | 0.179 | 0.756 | 208.7 | --- | 0.138 | 0.656 | 405.3 | --- | 0.138 | 0.656 | 252.5 | --- | 0.203 | 0.725 | 483.7 | --- | 0.100 | 0.542 |
| 9 | 173.7 | --- | 0.289 | 0.614 | 270.5 | --- | 0.290 | 0.720 | 66.7 | --- | 0.283 | 0.578 | 153.8 | --- | 0.283 | 0.578 | 388.3 | --- | 0.188 | 0.539 | 390.0 | --- | 0.173 | 0.498 |
| 10 | 400.0 | --- | 0.230 | 0.766 | 296.4 | --- | 0.252 | 0.729 | 359.0 | --- | 0.251 | 0.679 | 252.7 | --- | 0.251 | 0.679 | 380.9 | --- | 0.207 | 0.672 | 400.0 | --- | 0.164 | 0.544 |
| 11 | 384.4 | --- | 0.120 | 0.457 | 194.0 | --- | 0.227 | 0.622 | 241.6 | --- | 0.100 | 0.404 | 425.2 | --- | 0.100 | 0.404 | 371.9 | --- | 0.112 | 0.418 | 356.1 | --- | 0.100 | 0.365 |
| 12 | 189.5 | --- | 0.321 | 0.633 | 178.7 | --- | 0.368 | 0.714 | 160.5 | --- | 0.362 | 0.690 | 167.8 | --- | 0.362 | 0.690 | 152.7 | --- | 0.303 | 0.562 | 152.0 | --- | 0.254 | 0.470 |
| 13 | 161.3 | --- | 0.436 | 0.925 | 339.9 | --- | 0.304 | 0.847 | 250.4 | --- | 0.392 | 0.863 | 181.5 | --- | 0.392 | 0.863 | 171.7 | --- | 0.365 | 0.789 | 400.0 | --- | 0.207 | 0.618 |
| 14 | 183.3 | --- | 0.436 | 0.880 | 182.5 | --- | 0.447 | 0.901 | 158.6 | --- | 0.314 | 0.801 | 362.4 | --- | 0.314 | 0.801 | 242.5 | --- | 0.369 | 0.816 | 400.0 | --- | 0.259 | 0.688 |
| 15 | 122.4 | --- | 0.529 | 0.949 | 152.0 | --- | 0.511 | 0.975 | 133.3 | --- | 0.404 | 0.880 | 233.5 | --- | 0.403 | 0.880 | 320.7 | --- | 0.313 | 0.762 | 399.9 | --- | 0.250 | 0.664 |
| 16 | 278.7 | --- | 0.316 | 0.813 | 325.2 | --- | 0.295 | 0.806 | 234.7 | --- | 0.402 | 0.826 | 145.6 | --- | 0.402 | 0.826 | 94.5 | --- | 0.480 | 0.868 | 400.0 | --- | 0.212 | 0.633 |
| 17 | 602.2 | --- | 0.283 | 0.743 | 704.7 | --- | 0.255 | 0.713 | 526.1 | --- | 0.296 | 0.723 | 497.3 | --- | 0.296 | 0.723 | 496.5 | --- | 0.306 | 0.746 | 567.7 | --- | 0.225 | 0.577 |
| 18 | 81.3 | --- | 0.113 | 0.200 | 118.5 | --- | 0.101 | 0.200 | 107.4 | --- | 0.109 | 0.200 | 90.4 | --- | 0.109 | 0.200 | 92.7 | --- | 0.109 | 0.202 | 92.7 | --- | 0.108 | 0.200 |
| 19 | 653.1 | --- | 0.362 | 0.982 | 703.3 | --- | 0.297 | 0.829 | 680.1 | --- | 0.286 | 0.778 | 656.9 | --- | 0.286 | 0.778 | 720.0 | --- | 0.257 | 0.726 | 775.1 | --- | 0.216 | 0.628 |
| 20 | 112.1 | --- | 0.102 | 0.200 | 133.8 | --- | 0.100 | 0.207 | 134.4 | --- | 0.110 | 0.217 | 112.9 | --- | 0.110 | 0.217 | 120.1 | --- | 0.100 | 0.201 | 118.2 | --- | 0.100 | 0.200 |
| 21 | 471.6 | --- | 0.350 | 0.838 | 781.2 | --- | 0.223 | 0.651 | 628.2 | --- | 0.308 | 0.744 | 484.3 | --- | 0.308 | 0.744 | 493.8 | --- | 0.285 | 0.694 | 562.9 | --- | 0.229 | 0.586 |
| 22 | 81.3 | --- | 0.222 | 0.395 | 92.4 | --- | 0.109 | 0.200 | 100.1 | --- | 0.109 | 0.200 | 91.4 | --- | 0.109 | 0.200 | 96.5 | --- | 0.107 | 0.200 | 91.7 | --- | 0.109 | 0.200 |
| 23 | 778.4 | --- | 0.325 | 0.958 | 788.1 | --- | 0.307 | 0.911 | 768.7 | --- | 0.291 | 0.854 | 768.1 | --- | 0.291 | 0.854 | 769.7 | --- | 0.279 | 0.817 | 800.0 | --- | 0.256 | 0.764 |
| 24 | 200.7 | --- | 0.206 | 0.618 | 205.1 | --- | 0.100 | 0.304 | 212.9 | --- | 0.100 | 0.309 | 212.5 | --- | 0.100 | 0.309 | 213.6 | --- | 0.100 | 0.310 | 200.8 | --- | 0.100 | 0.301 |
| VROCR1 | 151.8 | 28.05 | 1.082 | 1.205 | 151.8 | 28.05 | 1.094 | 1.219 | 151.8 | 28.05 | 1.025 | 1.142 | 151.8 | 28.05 | 1.025 | 1.142 | 151.8 | 28.05 | 1.072 | 1.195 | 151.8 | 28.05 | 0.838 | 0.933 |
| VROCR2 | 151.8 | 28.05 | 1.100 | 1.225 | 151.8 | 28.05 | 1.031 | 1.149 | 151.8 | 28.05 | 1.066 | 1.188 | 151.8 | 28.05 | 1.066 | 1.187 | 151.8 | 28.05 | 0.989 | 1.102 | 151.8 | 28.05 | 0.824 | 0.918 |
| VROCR3 | 151.8 | 28.05 | 1.100 | 1.225 | 151.8 | 28.05 | 1.010 | 1.125 | 151.8 | 28.05 | 0.883 | 0.983 | 151.8 | 28.05 | 0.883 | 0.983 | 151.8 | 28.05 | 0.938 | 1.045 | 151.8 | 28.05 | 0.756 | 0.842 |
| VROCR4 | 151.8 | 28.05 | 0.947 | 1.055 | 151.8 | 28.05 | 1.045 | 1.164 | 151.8 | 28.05 | 0.983 | 1.095 | 151.8 | 28.05 | 0.983 | 1.095 | 151.8 | 28.05 | 0.922 | 1.027 | 151.8 | 28.05 | 0.757 | 0.843 |
| OF (s) | 21.874 | 21.364 | 20.263 | 19.835 | 18.943 | 15.964 | ||||||||||||||||||
| P/B Relay Pair | CTI (s) | P/B Relay Pair | CTI (s) | ||||||||||
|---|---|---|---|---|---|---|---|---|---|---|---|---|---|
| GA | PSO | CSA | HSA | GA-NLP | HSA-BB | GA | PSO | CSA | HSA | GA-NLP | HSA-BB | ||
| 1-15 | 0.300 | 0.300 | 0.300 | 0.300 | 0.307 | 0.300 | 16-2 | 0.300 | 0.302 | 0.375 | 0.305 | 0.319 | 0.300 |
| 1-17 | 0.349 | 0.301 | 0.306 | 0.300 | 0.463 | 0.321 | 16-17 | 0.406 | 0.413 | 0.301 | 0.311 | 0.306 | 0.300 |
| 2-4 | 0.303 | 0.301 | 0.300 | 0.300 | 0.301 | 0.300 | 17-20 | 1.012 | 2.355 | 2.426 | 1.212 | 1.331 | 1.412 |
| 3-1 | 0.300 | 0.300 | 0.300 | 0.300 | 0.302 | 0.300 | 17-22 | 3.074 | 2.018 | 3.051 | 1.906 | 2.459 | 2.079 |
| 4-6 | 0.301 | 0.304 | 0.300 | 0.300 | 0.303 | 0.300 | 17-24 | 2.791 | 1.105 | 1.311 | 1.281 | 1.288 | 1.146 |
| 5-3 | 0.300 | 0.300 | 0.300 | 0.301 | 0.302 | 0.300 | 18-2 | 0.913 | 0.907 | 0.994 | 0.930 | 0.986 | 0.733 |
| 6-8 | 0.300 | 0.301 | 0.300 | 0.301 | 0.301 | 0.300 | 18-15 | 0.970 | 1.018 | 0.915 | 0.937 | 0.816 | 0.712 |
| 6-23 | 0.332 | 0.313 | 0.450 | 0.318 | 0.323 | 0.305 | 19-18 | 0.953 | 23.238 | 4.909 | 1.772 | 2.053 | 2.129 |
| 7-5 | 0.300 | 0.300 | 0.300 | 0.300 | 0.301 | 0.300 | 19-22 | 2.835 | 1.902 | 2.969 | 1.850 | 2.480 | 2.027 |
| 7-23 | 0.423 | 0.301 | 0.300 | 0.353 | 0.310 | 0.300 | 19-24 | 2.553 | 0.989 | 1.229 | 1.226 | 1.308 | 1.094 |
| 8-10 | 0.301 | 0.301 | 0.300 | 0.302 | 0.303 | 0.300 | 20-13 | 1.049 | 1.068 | 0.993 | 0.964 | 0.873 | 0.764 |
| 9-7 | 0.300 | 0.300 | 0.300 | 0.300 | 0.312 | 0.300 | 20-16 | 0.980 | 0.995 | 0.951 | 0.887 | 0.917 | 0.788 |
| 10-12 | 0.300 | 0.336 | 0.300 | 0.301 | 0.312 | 0.300 | 21-18 | 1.097 | 23.416 | 5.006 | 1.806 | 2.084 | 2.172 |
| 11-9 | 0.300 | 0.300 | 0.301 | 0.303 | 0.302 | 0.300 | 21-20 | 0.917 | 2.416 | 2.442 | 1.191 | 1.383 | 1.403 |
| 12-14 | 0.300 | 0.302 | 0.300 | 0.304 | 0.301 | 0.300 | 21-24 | 2.697 | 1.167 | 1.327 | 1.260 | 1.340 | 1.137 |
| 12-21 | 0.488 | 0.309 | 0.364 | 0.382 | 0.333 | 0.300 | 22-11 | 0.831 | 0.947 | 0.941 | 1.002 | 0.890 | 0.718 |
| 13-11 | 0.300 | 0.300 | 0.300 | 0.339 | 0.301 | 0.300 | 22-14 | 0.721 | 0.941 | 0.876 | 0.886 | 0.858 | 0.745 |
| 13-21 | 0.379 | 0.301 | 0.300 | 0.302 | 0.301 | 0.329 | 23-18 | 0.976 | 23.157 | 4.771 | 1.696 | 1.961 | 1.994 |
| 14-16 | 0.300 | 0.302 | 0.300 | 0.303 | 0.302 | 0.300 | 23-20 | 0.797 | 2.157 | 2.206 | 1.082 | 1.260 | 1.225 |
| 14-19 | 0.607 | 0.374 | 0.341 | 0.379 | 0.306 | 0.300 | 23-22 | 2.859 | 1.820 | 2.831 | 1.775 | 2.388 | 1.892 |
| 15-13 | 0.300 | 0.300 | 0.301 | 0.301 | 0.311 | 0.300 | 24-5 | 0.503 | 0.879 | 0.889 | 0.745 | 0.741 | 0.694 |
| 15-19 | 0.538 | 0.300 | 0.300 | 0.301 | 0.360 | 0.324 | 24-8 | 0.594 | 0.867 | 0.739 | 0.781 | 0.728 | 0.689 |
| DOCRs | VROCR1 | VROCR2 | VROCR3 | VROCR4 | ||||||||||||||||||||
|---|---|---|---|---|---|---|---|---|---|---|---|---|---|---|---|---|---|---|---|---|---|---|---|---|
| GA | PSO | CSA | HSA | GA-NLP | HSA-NLP | GA | PSO | CSA | HSA | GA-NLP | HSA-BB | GA | PSO | CSA | HSA | GA-NLP | HSA-NLP | GA | PSO | CSA | HSA | GA-NLP | HSA-BB | |
| 1 | 0.335 | 0.301 | 0.310 | 0.305 | 0.483 | 0.321 | 2.852 | 2.572 | 2.701 | 2.770 | 2.637 | 2.176 | 2.595 | 2.262 | 2.193 | 1.943 | 2.243 | 1.769 | 2.486 | 2.786 | 2.806 | 2.648 | 2.556 | 2.072 |
| 2 | 5.052 | 5.113 | 4.820 | 4.796 | 5.142 | 3.963 | 7.003 | 6.529 | 6.722 | 6.807 | 6.383 | 5.283 | 3.832 | 3.470 | 3.393 | 3.005 | 3.326 | 2.638 | 5.043 | 5.619 | 5.621 | 5.295 | 5.034 | 4.098 |
| 3 | 4.829 | 4.756 | 4.479 | 4.560 | 4.872 | 3.786 | 6.781 | 6.172 | 6.382 | 6.571 | 6.114 | 5.106 | 3.609 | 3.113 | 3.053 | 2.769 | 3.056 | 2.460 | 4.820 | 5.262 | 5.281 | 5.059 | 4.764 | 3.921 |
| 4 | 4.914 | 5.029 | 4.708 | 4.713 | 5.037 | 3.855 | 5.580 | 5.238 | 5.397 | 5.479 | 5.120 | 4.211 | 0.518 | 0.469 | 0.523 | 0.370 | 0.510 | 0.344 | 3.138 | 3.588 | 3.608 | 3.380 | 3.209 | 2.578 |
| 5 | 4.928 | 4.835 | 4.431 | 4.536 | 4.852 | 3.809 | 5.595 | 5.044 | 5.119 | 5.302 | 4.935 | 4.166 | 0.533 | 0.300 | 0.300 | 0.310 | 0.325 | 0.300 | 3.153 | 3.394 | 3.331 | 3.204 | 3.024 | 2.532 |
| 6 | 3.075 | 3.162 | 2.976 | 2.990 | 3.216 | 2.398 | 3.143 | 2.931 | 3.082 | 3.141 | 2.910 | 2.347 | 1.190 | 1.059 | 1.077 | 0.898 | 1.055 | 0.754 | 0.897 | 1.126 | 1.204 | 1.090 | 1.024 | 0.757 |
| 7 | 3.166 | 3.150 | 2.826 | 3.025 | 3.203 | 2.393 | 3.234 | 2.918 | 2.932 | 3.176 | 2.898 | 2.343 | 1.281 | 1.046 | 0.927 | 0.933 | 1.043 | 0.750 | 0.988 | 1.113 | 1.054 | 1.125 | 1.012 | 0.752 |
| 8 | 5.263 | 5.463 | 4.982 | 5.170 | 5.370 | 4.219 | 4.831 | 4.602 | 4.639 | 4.883 | 4.416 | 3.739 | 3.583 | 3.346 | 3.119 | 2.930 | 3.085 | 2.529 | 0.300 | 0.408 | 0.378 | 0.440 | 0.302 | 0.301 |
| 9 | 5.534 | 5.498 | 5.000 | 5.248 | 5.555 | 4.264 | 5.102 | 4.638 | 4.656 | 4.961 | 4.602 | 3.784 | 3.855 | 3.381 | 3.137 | 3.007 | 3.270 | 2.573 | 0.441 | 0.444 | 0.396 | 0.517 | 0.487 | 0.346 |
| 10 | 6.652 | 6.774 | 6.225 | 6.351 | 6.681 | 5.201 | 4.921 | 4.602 | 4.668 | 4.832 | 4.443 | 3.716 | 5.722 | 5.226 | 4.929 | 4.527 | 4.859 | 3.915 | 2.997 | 3.424 | 3.357 | 3.230 | 2.991 | 2.466 |
| 11 | 6.962 | 6.882 | 6.359 | 6.626 | 6.935 | 5.380 | 5.230 | 4.710 | 4.802 | 5.107 | 4.697 | 3.895 | 6.031 | 5.334 | 5.063 | 4.802 | 5.113 | 4.094 | 3.306 | 3.532 | 3.491 | 3.504 | 3.245 | 2.645 |
| 12 | 3.027 | 2.988 | 2.821 | 2.779 | 3.066 | 2.365 | 0.592 | 0.435 | 0.559 | 0.498 | 0.540 | 0.448 | 3.266 | 2.865 | 2.787 | 2.439 | 2.762 | 2.210 | 2.348 | 2.577 | 2.619 | 2.407 | 2.341 | 1.915 |
| 13 | 2.735 | 2.855 | 2.577 | 2.605 | 2.839 | 2.217 | 0.300 | 0.302 | 0.316 | 0.324 | 0.313 | 0.300 | 2.974 | 2.732 | 2.544 | 2.266 | 2.535 | 2.062 | 2.056 | 2.444 | 2.376 | 2.234 | 2.114 | 1.767 |
| 14 | 1.687 | 1.696 | 1.539 | 1.632 | 1.730 | 1.301 | 1.731 | 1.547 | 1.607 | 1.730 | 1.533 | 1.268 | 2.441 | 2.148 | 2.025 | 1.864 | 2.016 | 1.595 | 1.978 | 2.254 | 2.225 | 2.168 | 1.967 | 1.599 |
| 15 | 1.619 | 1.622 | 1.498 | 1.554 | 1.783 | 1.325 | 1.662 | 1.473 | 1.566 | 1.651 | 1.587 | 1.292 | 2.372 | 2.074 | 1.983 | 1.786 | 2.070 | 1.619 | 1.909 | 2.180 | 2.184 | 2.089 | 2.021 | 1.623 |
| 16 | 0.392 | 0.413 | 0.306 | 0.316 | 0.326 | 0.300 | 2.909 | 2.684 | 2.696 | 2.781 | 2.480 | 2.155 | 2.652 | 2.374 | 2.188 | 1.954 | 2.086 | 1.748 | 2.543 | 2.898 | 2.801 | 2.659 | 2.399 | 2.051 |
| 17 | 0.765 | 0.812 | 0.704 | 0.706 | 0.748 | 0.591 | 0.790 | 0.724 | 0.744 | 0.763 | 0.633 | 0.572 | 1.017 | 0.902 | 0.824 | 0.689 | 0.754 | 0.633 | 0.771 | 0.959 | 0.930 | 0.850 | 0.728 | 0.635 |
| 18 | 1.005 | 1.019 | 0.925 | 0.942 | 0.993 | 0.733 | 3.522 | 3.289 | 3.315 | 3.407 | 3.147 | 2.588 | 3.265 | 2.980 | 2.807 | 2.580 | 2.752 | 2.181 | 3.156 | 3.504 | 3.420 | 3.285 | 3.066 | 2.484 |
| 19 | 0.526 | 0.696 | 0.622 | 0.650 | 0.769 | 0.539 | 0.551 | 0.608 | 0.662 | 0.707 | 0.653 | 0.520 | 0.778 | 0.786 | 0.742 | 0.634 | 0.775 | 0.581 | 0.533 | 0.842 | 0.848 | 0.795 | 0.749 | 0.583 |
| 20 | 2.368 | 2.390 | 2.190 | 2.216 | 2.345 | 1.789 | 2.411 | 2.241 | 2.259 | 2.314 | 2.148 | 1.756 | 3.122 | 2.842 | 2.676 | 2.448 | 2.631 | 2.083 | 2.658 | 2.948 | 2.876 | 2.752 | 2.583 | 2.086 |
| 21 | 0.670 | 0.874 | 0.719 | 0.684 | 0.800 | 0.582 | 0.695 | 0.786 | 0.760 | 0.742 | 0.685 | 0.563 | 0.922 | 0.964 | 0.839 | 0.668 | 0.806 | 0.624 | 0.677 | 1.020 | 0.946 | 0.829 | 0.780 | 0.626 |
| 22 | 3.266 | 3.502 | 3.218 | 3.269 | 3.428 | 2.635 | 0.831 | 0.949 | 0.957 | 0.987 | 0.902 | 0.718 | 3.505 | 3.380 | 3.185 | 2.929 | 3.124 | 2.480 | 2.587 | 3.091 | 3.017 | 2.897 | 2.703 | 2.185 |
| 23 | 0.549 | 0.614 | 0.484 | 0.575 | 0.677 | 0.404 | 0.575 | 0.526 | 0.524 | 0.632 | 0.562 | 0.385 | 0.802 | 0.705 | 0.604 | 0.558 | 0.683 | 0.446 | 0.556 | 0.761 | 0.710 | 0.719 | 0.657 | 0.448 |
| 24 | 3.369 | 3.729 | 3.415 | 3.470 | 3.643 | 2.787 | 3.437 | 3.497 | 3.520 | 3.620 | 3.338 | 2.736 | 1.484 | 1.625 | 1.515 | 1.378 | 1.482 | 1.144 | 1.191 | 1.693 | 1.642 | 1.570 | 1.451 | 1.146 |
| Algorithm | OF (s) | Numbers of Violated CTI Constraints | Numbers of Iteration | Convergence Time (s) | |
|---|---|---|---|---|---|
| DOCRs-DOCRs Pairs | DOCRs-VROCRs Pairs | ||||
| GA | 124.647 | 24 | 4 | 746 | 149.51 |
| PSO | 118.426 | 3 | 10 | 665 | 131.66 |
| CSA | 111.017 | 5 | 1 | 636 | 120.71 |
| HSA | 107.63 | 2 | 0 | 541 | 110.21 |
| GA-NLP | 102.019 | 1 | 1 | 162 | 47.54 |
| HSA-BB | 93.645 | 0 | 0 | 114 | 31.09 |
| Algorithm | OF (s) | |||||
|---|---|---|---|---|---|---|
| Best | Worst | Mean | StdDev | Skewness | Kurtosis | |
| GA | 124.647 | 136.812 | 130.991 | 3.98 | −0.08 | −1.19 |
| PSO | 118.426 | 126.234 | 121.672 | 2.58 | 0.38 | −1.35 |
| CSA | 111.017 | 114.872 | 113.140 | 1.29 | −0.29 | −1.20 |
| HSA | 107.63 | 110.937 | 108.813 | 1.13 | 0.39 | −1.33 |
| GA–NLP | 102.019 | 103.900 | 102.937 | 0.772 | 0.05 | −1.51 |
| HSA–BB | 93.645 | 94.096 | 93.878 | 0.205 | −0.06 | −1.94 |
| Algorithm | p-Value | |
|---|---|---|
| Anderson-Darling | Kolmogorov-Smirnov | |
| GA | 0.017 | 0.045 |
| PSO | 0.005 | 0.010 |
| CSA | 0.005 | 0.010 |
| HSA | 0.005 | 0.010 |
| GA-NLP | 0.005 | 0.010 |
| HSA-BB | 0.005 | 0.010 |
| Comparison of Algorithms | R+ | R− | p-value |
|---|---|---|---|
| GA vs. HSA-BB | 0 | 50 | 0.000 |
| PSO vs. HSA-BB | 0 | 50 | 0.000 |
| CSA vs. HSA-BB | 0 | 50 | 0.000 |
| HSA vs. HSA-BB | 0 | 50 | 0.000 |
| GA-NLP vs. HSA-BB | 0 | 50 | 0.000 |
© 2020 by the authors. Licensee MDPI, Basel, Switzerland. This article is an open access article distributed under the terms and conditions of the Creative Commons Attribution (CC BY) license (http://creativecommons.org/licenses/by/4.0/).
Share and Cite
Rajput, V.N.; Pandya, K.S.; Hong, J.; Geem, Z.W. A Novel Protection Scheme for Solar Photovoltaic Generator Connected Networks Using Hybrid Harmony Search Algorithm-Bollinger Bands Approach. Energies 2020, 13, 2439. https://doi.org/10.3390/en13102439
Rajput VN, Pandya KS, Hong J, Geem ZW. A Novel Protection Scheme for Solar Photovoltaic Generator Connected Networks Using Hybrid Harmony Search Algorithm-Bollinger Bands Approach. Energies. 2020; 13(10):2439. https://doi.org/10.3390/en13102439
Chicago/Turabian StyleRajput, Vipul N., Kartik S. Pandya, Junhee Hong, and Zong Woo Geem. 2020. "A Novel Protection Scheme for Solar Photovoltaic Generator Connected Networks Using Hybrid Harmony Search Algorithm-Bollinger Bands Approach" Energies 13, no. 10: 2439. https://doi.org/10.3390/en13102439
APA StyleRajput, V. N., Pandya, K. S., Hong, J., & Geem, Z. W. (2020). A Novel Protection Scheme for Solar Photovoltaic Generator Connected Networks Using Hybrid Harmony Search Algorithm-Bollinger Bands Approach. Energies, 13(10), 2439. https://doi.org/10.3390/en13102439

