Modeling and Evaluation of Stator and Rotor Faults for Induction Motors
Abstract
1. Introduction
2. Stator and Rotor Fault Models
2.1. Modeling of Healthy Induction Motors
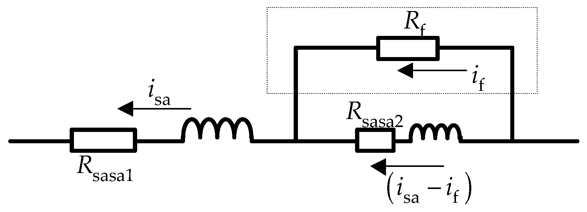
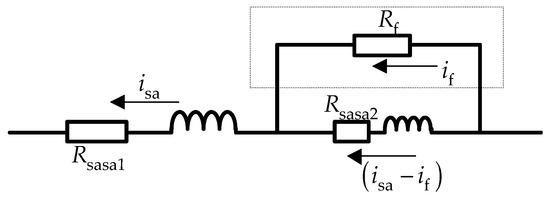
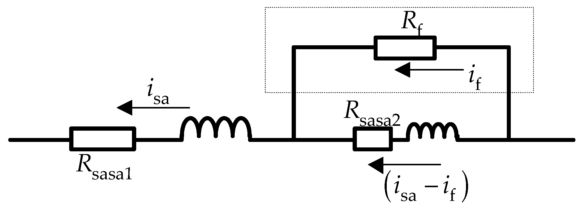
2.2. Modeling of Stator Faults
2.3. Modeling of Rotor Faults
2.4. Discretization
3. Inductance Calculations
3.1. Stator Inductances Calculation
3.2. Rotor Inductance Calculations
3.3. Transient Mutual Inductance bewteen Stator Phases and Rotor Loops Calculation
4. Simulation Results
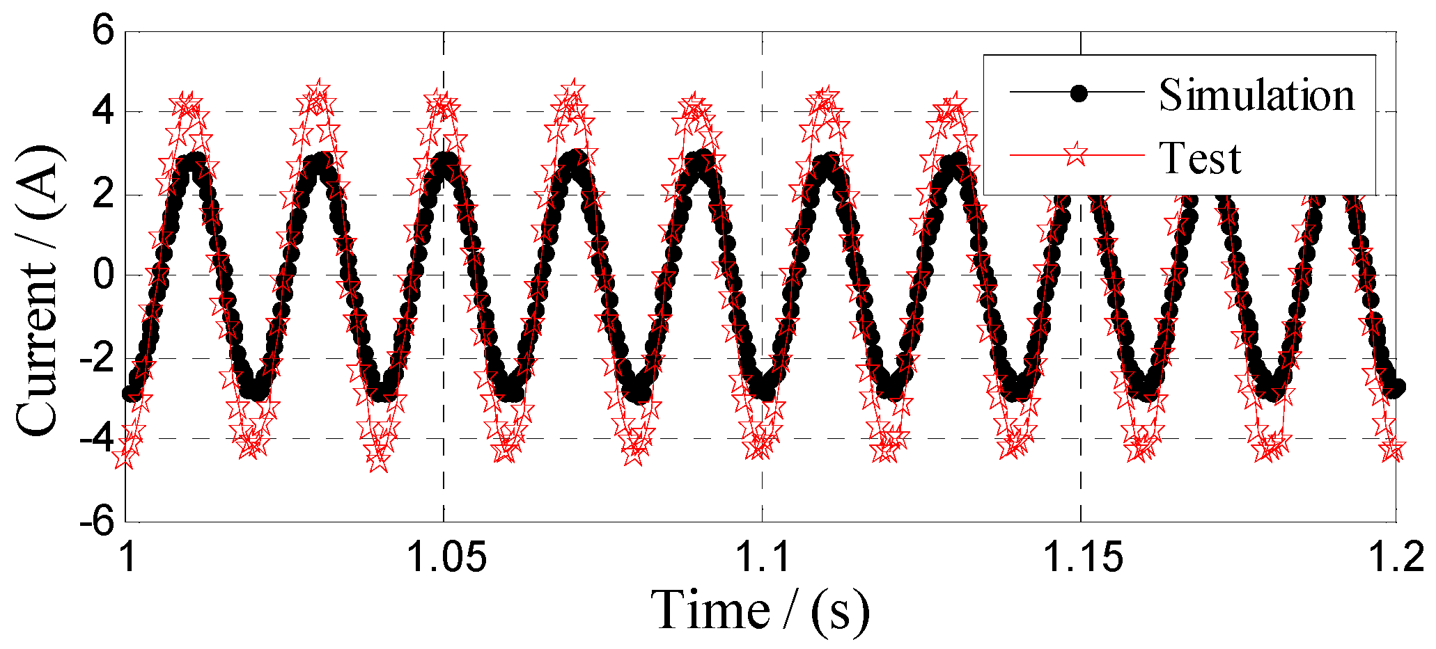
4.1. Stator Faults
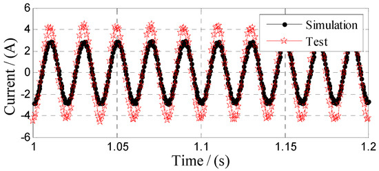
4.2. Rotor Faults
5. Experimental Results
5.1. Healthy Motors
5.2. Stator Faults
5.3. Rotor Faults
6. Conclusions
Author Contributions
Funding
Acknowledgments
Conflicts of Interest
References
- Motor Reliability Working Group. Report of large motor reliability survey of industrial and commercial installations, part I. IEEE Trans. Ind. Appl. 1985, 1, 865–872. [Google Scholar] [CrossRef]
- Nguyen, V.; Wang, D.; Seshadrinath, J.; Ukil, A.; Krishna, M.S.; Nadarajan, S.; Vaiyapuri, V. A Method for Incipient Interturn Fault Detection and Severity Estimation of Induction Motors under Inherent Asymmetry and Voltage Imbalance. IEEE Trans. Transp. Electr. 2017, 3, 703–715. [Google Scholar] [CrossRef]
- Khezzar, A.; Oumaamar, M.E.K.; Hadjami, M.; Boucherma, M.; Razik, H. Induction Motor Diagnosis Using Line Neutral Voltage Signatures. IEEE Trans. Ind. Electron. 2009, 56, 4581–4591. [Google Scholar] [CrossRef]
- Malekpour, M.; Phung, B.T.; Ambikairajah, E. Online technique for insulation assessment of induction motor stator windings under different load conditions. IEEE Trans. Dielectr. Electr. Insul. 2017, 24, 349–358. [Google Scholar] [CrossRef]
- Toliyat, H.A.; Nandi, S.; Choi, S.; Meshgin-Kelk, H. Electric Machines: Modeling, Condition Monitoring, and Fault Diagnosis; CRC Press LLC: Boca Raton, FL, USA, 2012; ISBN 978-0-8493-7027-4. [Google Scholar]
- Williamson, S.; Smith, A.C. Steady-state analysis of 3-phase cage motors with rotor-bar and end-ring faults. IEE Proc. B Electr. Power Appl. 1982, 129, 93. [Google Scholar] [CrossRef]
- Rahman, M.M.; Uddin, M.N. Online Unbalanced Rotor Fault Detection of an IM Drive Based on Both Time and Frequency Domain Analyses. IEEE Trans. Ind. Appl. 2017, 53, 4087–4096. [Google Scholar] [CrossRef]
- Williamson, S.; Mirzoian, K. Analysis of Cage Induction Motors with Stator Winding Faults. IEEE Trans. Power Appl. Syst. 1985, PAS-104, 1838–1842. [Google Scholar] [CrossRef]
- Chang, X.; Cocquempot, V.; Christophe, C. A model of asynchronous machines for stator fault detection and isolation. IEEE Trans. Ind. Electron. 2003, 50, 578–584. [Google Scholar] [CrossRef]
- Cruz, S.M.A.; Cardoso, A.J.M. The method of multiple reference frames applied to the diagnosis of stator faults in three-phase induction motors. In Proceedings of the 4th International Power Electronics and Motion Control Conference, Xi’an, China, 14–16 August 2004; Volume 2, pp. 603–609. Available online: http://ieeexplore.ieee.org/stamp/stamp.jsp?tp=&arnumber=1375635&isnumber=30039 (accessed on 14 August 2018).
- Cruz, S.M.A.; Cardoso, A.J.M. Multiple reference frames theory: A new method for the diagnosis of stator faults in three-phase induction motors. IEEE Trans. Energy Convers. 2005, 20, 611–619. [Google Scholar] [CrossRef]
- Cruz, S.M.A.; Toliyat, H.A.; Cardoso, A.J.M. DSP Implementation of the Multiple Reference Frames Theory for the Diagnosis of Stator Faults in a DTC Induction Motor Drive. IEEE Trans. Energy Convers. 2005, 20, 329–335. [Google Scholar] [CrossRef]
- Tallam, R.M.; Habetler, T.G.; Harley, R.G. Transient model for induction machines with stator winding turn faults. IEEE Trans. Ind. Appl. 2002, 38, 632–637. [Google Scholar] [CrossRef]
- Patel, D.C.; Chandorkar, M.C. Modeling and Analysis of Stator Interturn Fault Location Effects on Induction Machines. IEEE Trans. Ind. Electron. 2014, 61, 4552–4564. [Google Scholar] [CrossRef]
- El Bouchikhi, E.H.; Choqueuse, V.; Benbouzid, M. Induction machine faults detection using stator current parametric spectral estimation. Mech. Syst. Signal Process. 2015, 52, 447–464. [Google Scholar] [CrossRef]
- Jung, J.; Kwon, B. Corrosion Model of a Rotor-Bar-Under-Fault Progress in Induction Motors. IEEE Trans. Ind. Electron. 2006, 53, 1829–1841. [Google Scholar] [CrossRef]
- Jerkan, D.G.; Reljić, D.D.; Marčetić, D.P. Broken Rotor Bar Fault Detection of IM Based on the Counter-Current Braking Method. IEEE Trans. Energy Convers. 2017, 32, 1356–1366. [Google Scholar] [CrossRef]
- Toliyat, H.A.; Lipo, T.A. Transient analysis of cage induction machines under stator, rotor bar and end ring faults. IEEE Trans. Energy Convers. 1995, 10, 241–247. [Google Scholar] [CrossRef]
- Cruz, S.M.A.; Stefani, A.; Filippetti, F.; Cardoso, A.J.M. A New Model-Based Technique for the Diagnosis of Rotor Faults in RFOC Induction Motor Drives. IEEE Trans. Ind. Electron. 2009, 55, 4218–4228. [Google Scholar] [CrossRef]
- Toscani, S.; Faifer, M.; Rossi, M.; Cristaldi, L.; Lazzaroni, M. Effects of the Speed Loop on the Diagnosis of Rotor Faults in Induction Machines. IEEE Trans. Instrum. Meas. 2012, 61, 2713–2722. [Google Scholar] [CrossRef]
- Cruz, S.M.A. An Active—Reactive Power Method for the Diagnosis of Rotor Faults in Three-Phase Induction Motors Operating Under Time-Varying Load Conditions. IEEE Trans. Energy Convers. 2012, 27, 71–84. [Google Scholar] [CrossRef]
- Bouzid, M.B.K.; Champenois, G. New Expressions of Symmetrical Components of the Induction Motor Under Stator Faults. IEEE Trans. Ind. Electron. 2013, 60, 4093–4102. [Google Scholar] [CrossRef]
- Drif, M.; Cardoso, A.J.M. Stator Fault Diagnostics in Squirrel Cage Three-Phase Induction Motor Drives Using the Instantaneous Active and Reactive Power Signature Analyses. IEEE Trans. Ind. Inform. 2014, 10, 1348–1360. [Google Scholar] [CrossRef]
- Siddique, A.; Yadava, G.S.; Singh, B. A review of stator fault monitoring techniques of induction motors. IEEE Trans. Energy Convers. 2005, 20, 106–114. [Google Scholar] [CrossRef]
- Pons-Llinares, J.; Antonino-Daviu, J.A.; Riera-Guasp, M.; Bin Lee, S.; Kang, T.; Yang, C. Advanced Induction Motor Rotor Fault Diagnosis via Continuous and Discrete Time–Frequency Tools. IEEE Trans. Ind. Electron. 2015, 62, 1791–1802. [Google Scholar] [CrossRef]
- Antonino-Daviu, J.A.; Quijano-López, A.; Rubbiolo, M.; Climente-Alarcon, V. Advanced Analysis of Motor Currents for the Diagnosis of the Rotor Condition in Electric Motors Operating in Mining Facilities. IEEE Trans. Ind. Appl. 2018, 54, 3934–3942. [Google Scholar] [CrossRef]
























| Rotor Position | Mutual Inductance | The Derivation to Rotor Position | The Derivation to Time |
|---|---|---|---|
| 0 ≤ θm < 2π/18-α | |||
| 2π/18-α ≤ θm < π/18 | |||
| π/18 ≤ θm < 2π/18 | |||
| 2π/18 ≤ θm < Qπ/18-α | 0 | 0 | |
| Qπ/18-α ≤ θm < (Q + 1)π/18-α | |||
| (Q + 1)π/18-α ≤ θm < Qπ/18 | |||
| Qπ/18 ≤ θm < (Q + 2)π/18-α | |||
| (Q + 2)π/18-α ≤ θm < (Q + 1)π/18 | |||
| (Q + 1)π/18 ≤ θm < (Q + 2)π/18 | |||
| (Q + 2)π/18 ≤ θm < π-α | 0 | 0 | |
| π-α ≤ θm < 19π/18-α | |||
| 19π/18-α ≤ θm < π |
| Parameters | Values | Parameters | Values |
|---|---|---|---|
| l | 90.2 mm | Rb | 5.9187 × 10−5 Ω |
| g | 0.3 mm | Lb | 4.387 × 10−7 H |
| r | 49 mm | Re | 6.5 × 10−6 Ω |
| Rs | 2.6953 Ω | Le | 1.994 × 10−8 H |
| Lls | 0.0113 H |
© 2019 by the authors. Licensee MDPI, Basel, Switzerland. This article is an open access article distributed under the terms and conditions of the Creative Commons Attribution (CC BY) license (http://creativecommons.org/licenses/by/4.0/).
Share and Cite
Tang, J.; Chen, J.; Dong, K.; Yang, Y.; Lv, H.; Liu, Z. Modeling and Evaluation of Stator and Rotor Faults for Induction Motors. Energies 2020, 13, 133. https://doi.org/10.3390/en13010133
Tang J, Chen J, Dong K, Yang Y, Lv H, Liu Z. Modeling and Evaluation of Stator and Rotor Faults for Induction Motors. Energies. 2020; 13(1):133. https://doi.org/10.3390/en13010133
Chicago/Turabian StyleTang, Jing, Jie Chen, Kan Dong, Yongheng Yang, Haichen Lv, and Zhigang Liu. 2020. "Modeling and Evaluation of Stator and Rotor Faults for Induction Motors" Energies 13, no. 1: 133. https://doi.org/10.3390/en13010133
APA StyleTang, J., Chen, J., Dong, K., Yang, Y., Lv, H., & Liu, Z. (2020). Modeling and Evaluation of Stator and Rotor Faults for Induction Motors. Energies, 13(1), 133. https://doi.org/10.3390/en13010133

