Flight Time Estimation for Continuous Surveillance Missions Using a Multirotor UAV
Abstract
1. Introduction
2. Aerial Surveillance
3. SOC and Flight Time Estimation
3.1. OCV–SOC Curve
3.2. Parameter Extraction
3.3. Flight Time Estimation
4. PPMS
5. Current and Voltage Profiles of PV Modules and UAV
6. Results and Discussion
6.1. Experiment Setup
6.2. Experimental Results
6.3. Analysis
7. Conclusions
Author Contributions
Funding
Conflicts of Interest
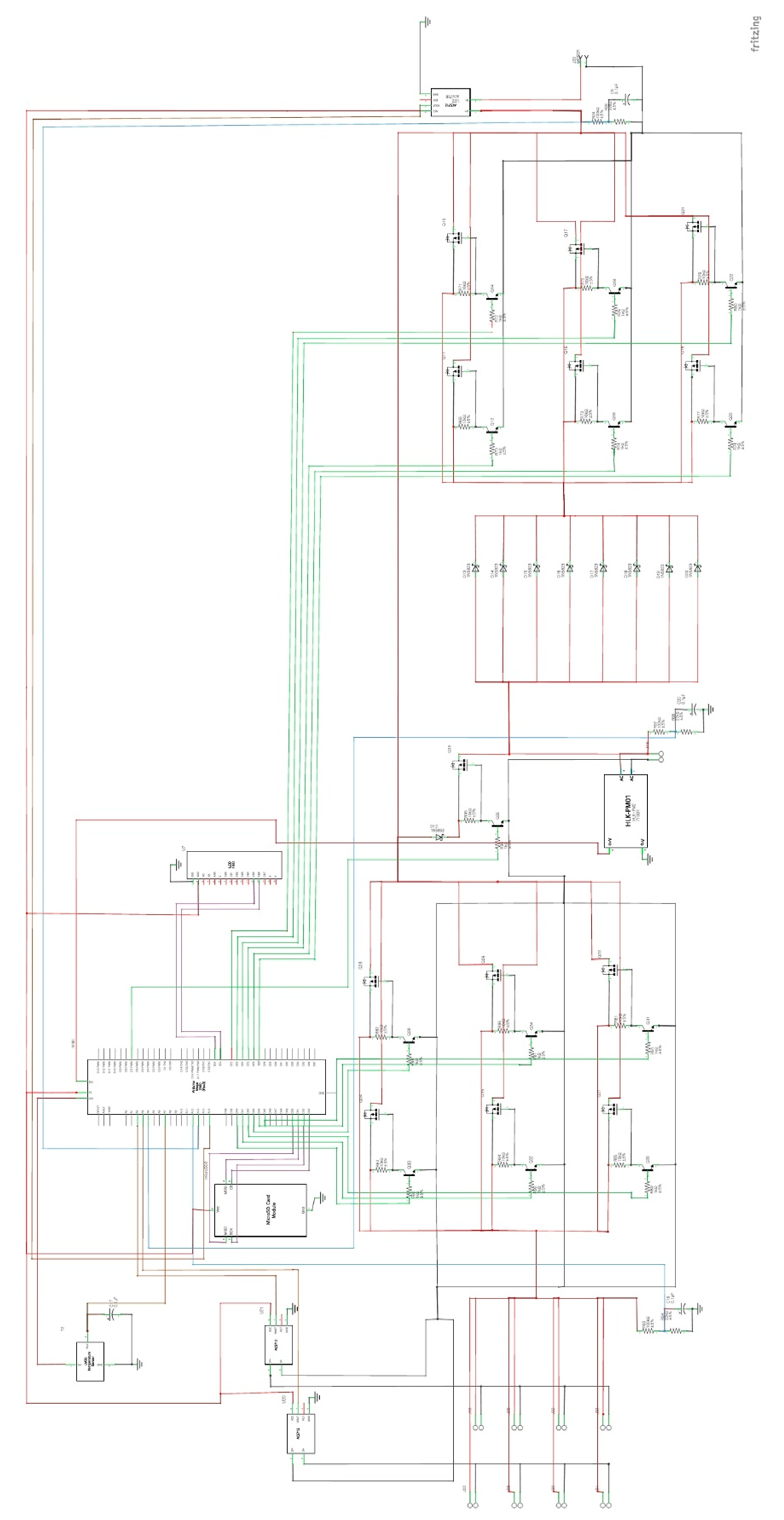
Appendix A. Schematic of PPMS

References
- Small Unmanned Systems (Fly All Day: Endurance is Everything). Available online: https://goo.gl/s9fnY2 (accessed on 26 February 2019).
- Baldock, N.; Mokhtarzadeh-Dehghan, M.R. A Study of Solar-Powered, High-Altitude Unmanned Aerial Vehicles. Aircr. Eng. Aerosp. Technol. 2006, 78, 187–193. [Google Scholar] [CrossRef]
- Cestino, E. Design of Solar High Altitude Long Endurance Aircraft for Multi Payload & Operations. Aerosp. Sci. Technol. 2006, 10, 541–550. [Google Scholar]
- Klesh, A.T.; Kabamba, P.T. Solar-Powered Aircraft: Energy-Optimal Path Planning and Perpetual Endurance. J. Guid. Control. Dyn. 2009, 32, 1320–1329. [Google Scholar] [CrossRef]
- Morton, S.; Scharber, L.; Papanikolopoulos, N. Solar Powered Unmanned Aerial Vehicle for Continuous Flight: Conceptual Overview and Optimization. In Proceedings of the IEEE International Conference on Robotics and Automation, Karlsruhe, Germany, 6–10 May 2013. [Google Scholar]
- Reisi, A.R.; Moradi, M.H.; Jamasb, S. Classification and Comparison of Maximum Power Point Tracking Techniques for Photovoltaic System: A Review. Renew. Sustain. Energy Rev. 2013, 19, 433–443. [Google Scholar] [CrossRef]
- Olalla, C.; Arteaga, M.I.; Leyva, R.; Aroudi, A.E. Analysis and Comparison of Extremum Seeking Control Techniques. In Proceedings of the IEEE International Symposium on Industrial Electronics, Vigo, Spain, 4–7 June 2007. [Google Scholar]
- Lee, B.; Kwon, S.; Park, P.; Kim, K. Active Power Management System for an Unmanned Aerial Vehicle Powered by Solar Cells, a Fuel Cell, and Batteries. IEEE Trans. Aerosp. Electron. Syst. 2014, 50, 3167–3177. [Google Scholar] [CrossRef]
- Harmon, F.G.; Frank, A.A.; Chattot, J. Conceptual Design and Simulation of a Small Hybrid-Electric Unmanned Aerial Vehicle. J. Aircr. 2006, 43, 1490–1498. [Google Scholar] [CrossRef]
- Malaver, A.; Motta, N.; Corke, P.; Gonzalez, F. Development and Integration of a Solar Powered Unmanned Aerial Vehicle and a Wireless Sensor Network to Monitor Greenhouse Gases. Sensors 2015, 15, 4072–4096. [Google Scholar] [CrossRef] [PubMed]
- Bq2403x Single-Chip Charge and System Power-path Management IC (bqTINYTM). Available online: https://goo.gl/Tr6A74 (accessed on 25 December 2018).
- Smith, N. Dynamic Power Path Management Simplifies Battery Charging from Solar Panels; Texas Instruments: Dallas, TX, USA, 2006; pp. 1–5. [Google Scholar]
- Malaver, A.; Matteocci, F.; Carlo, A.D.; Corke, P.; Motta, N. Remote Monitoring of Outdoor Performance of Low Scale Dye Sensitized Solar Cells for Nanosensors Nodes. In Proceedings of the Chemical, Biological & Environmental Engineering, Harbour Plaza Resort City, Hong Kong, China, 12 July 2011. [Google Scholar]
- Meyer, J.; Plessis, J.; Ellis, P.; Clark, W. Design Considerations for a Low Altitude Long Endurance Solar Powered Unmanned Aerial Vehicle. In Proceedings of the IEEE AFRICON, Windhoek, South Africa, 26–28 September 2007. [Google Scholar]
- He, H.; Xiong, R.; Fan, J. Evaluation of Lithium-Ion Battery Equivalent Circuit Models for State of Charge Estimation by an Experimental Approach. Energies 2011, 4, 582–598. [Google Scholar] [CrossRef]
- Johnson, V.H. Battery Performance Models in ADVISOR. J. Power Sources 2002, 110, 321–329. [Google Scholar] [CrossRef]
- He, H.; Xiong, R.; Zhang, X.; Sun, F.; Fan, J. State-of-Charge Estimation of the Lithium-Ion Battery using an Adaptive Extended Kalman Filter Based on an Improved Thevenin Model. IEEE Trans. Veh. Technol. 2011, 60, 1461–1469. [Google Scholar]
- Plett, G.L. Extended Kalman Filtering for Battery Management Systems of LiPB-Based HEV Battery Packs: Part 2. Modeling and Identification. J. Power Sources 2004, 134, 262–276. [Google Scholar] [CrossRef]
- Gao, M.; Liu, Y.; He, Z. Battery State of Charge Online Estimation based on Particle Filter. In Proceedings of the 4th International Congress on Image and Signal Processing, Shanghai, China, 15–17 October 2011; Volume 4. [Google Scholar]
- He, Z.; Gao, M.; Wang, C.; Wang, L.; Liu, Y. Adaptive State of Charge Estimation for Li-Ion Batteries Based on an Unscented Kalman Filter with an Enhanced Battery Model. Energies 2013, 6, 4134–4151. [Google Scholar] [CrossRef]
- Sung, W.; Shin, C. Electrochemical Model of a Lithium-Ion Battery Implemented into an Automotive Battery Management System. Comput. Chem. Eng. 2015, 76, 87–97. [Google Scholar] [CrossRef]
- Song, L.; Evans, J.W. Electrochemical-Thermal Model of Lithium Polymer Batteries. J. Electrochem. Soc. 2000, 147, 2086–2095. [Google Scholar] [CrossRef]
- Bartlett, A.; Marcicki, J.; Onori, S.; Rizzoni, G.; Yang, X.G.; Miller, T. Electrochemical Model-Based State of Charge and Capacity Estimation for a Composite Electrode Lithium-Ion Battery. IEEE Trans. Control Syst. Technol. 2016, 24, 384–399. [Google Scholar] [CrossRef]
- Jung, S.; Jeong, H. Extended Kalman Filter-Based State of Charge and State of Power Estimation Algorithm for Unmanned Aerial Vehicle Li-Po Battery Pack. Energies 2017, 10, 1237. [Google Scholar] [CrossRef]
- GLOBAL SOLAR ATLAS. Available online: https://goo.gl/pwbKFc (accessed on 26 February 2019).















| Component | Specification |
|---|---|
| MCU | Arduino Mega 2560 |
| Storage | Transcend 2 GB SD card |
| Current Sensor | Blkbox 100A Bi AC/DC Current Sensor ACS712 30A Current Sensor |
| Voltage Sensor | In-House Development |
| Flight Mode | Current (A) | Time (s) | Throttle (%) |
|---|---|---|---|
| Takeoff | 28 | 5 | 88 |
| Hovering | 22 | 70 | 76 |
| Landing | 15 | 5 | 59 |
| Order | Daily Hour (h) | Leftover SOC (%) | Rank |
|---|---|---|---|
| 1 | 09:00 | 95.66 | 7 |
| 2 | 10:00 | 98.60 | 3 |
| 3 | 11:00 | 100.00 | 1 and 2 |
| 4 | 12:00 | 97.20 | 6 |
| 5 | 13:00 | 100.00 | 1 and 2 |
| 6 | 14:00 | 98.56 | 4 |
| 7 | 15:00 | 97.91 | 5 |
| 8 | 16:00 | 92.32 | 9 |
| 9 | 17:00 | 94.60 | 8 |
| 10 | 18:00 | 83.35 | 10 |
| Order | Daily Hour (h) | Discharging Time (min) | Rank |
|---|---|---|---|
| 1 | 09:00 | 15.04 | 7 |
| 2 | 10:00 | 28.71 | 3 |
| 3 | 11:00 | 54.14 | 1 |
| 4 | 12:00 | 22.99 | 4 |
| 5 | 13:00 | 40.10 | 2 |
| 6 | 14:00 | 20.70 | 6 |
| 7 | 15:00 | 20.76 | 5 |
| 8 | 16:00 | 8.11 | 9 |
| 9 | 17:00 | 11.40 | 8 |
| 10 | 18:00 | 6.70 | 10 |
© 2019 by the authors. Licensee MDPI, Basel, Switzerland. This article is an open access article distributed under the terms and conditions of the Creative Commons Attribution (CC BY) license (http://creativecommons.org/licenses/by/4.0/).
Share and Cite
Jung, S.; Jo, Y.; Kim, Y.-J. Flight Time Estimation for Continuous Surveillance Missions Using a Multirotor UAV. Energies 2019, 12, 867. https://doi.org/10.3390/en12050867
Jung S, Jo Y, Kim Y-J. Flight Time Estimation for Continuous Surveillance Missions Using a Multirotor UAV. Energies. 2019; 12(5):867. https://doi.org/10.3390/en12050867
Chicago/Turabian StyleJung, Sunghun, Yonghyeon Jo, and Young-Joon Kim. 2019. "Flight Time Estimation for Continuous Surveillance Missions Using a Multirotor UAV" Energies 12, no. 5: 867. https://doi.org/10.3390/en12050867
APA StyleJung, S., Jo, Y., & Kim, Y.-J. (2019). Flight Time Estimation for Continuous Surveillance Missions Using a Multirotor UAV. Energies, 12(5), 867. https://doi.org/10.3390/en12050867

