Experimental Investigation on Performance of a Compression Ignition Engine Fueled with Waste Cooking Oil Biodiesel–Diesel Blend Enhanced with Iron-Doped Cerium Oxide Nanoparticles
Abstract
:1. Introduction
2. Materials and Methods
2.1. Nanoparticles Synthesis and Test Fuels Preparation
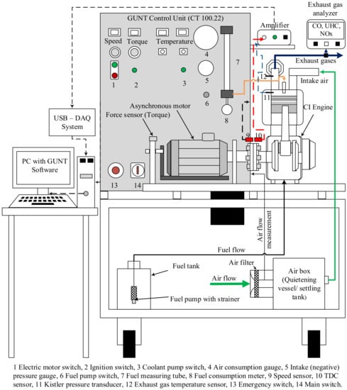
2.2. Experimental Setup
2.3. Experimental Procedure
2.4. Uncertainty Analysis
2.5. Calculation of Experimental Heat Release Rate
2.6. Properties of the Test Fuels
3. Results and Discussion
3.1. The Cylinder Pressure
3.2. Engine Performance
3.3. Engine Emissions
4. Conclusions
- The addition of iron-doped cerium oxide nanoparticles in a biodiesel–diesel blend increases the cylinder gas pressure as the nanoparticles enhanced the combustion process. However, the variation between the fuel mixtures containing cerium oxide doped with 10% iron and cerium oxide doped with 20% iron was marginal.
- The cylinder peak pressure increased by up to 3.5% with the addition of nanoparticles to the B30 fuel blend due to enhanced combustion processes by the nanoparticles.
- NOx emission for the B30 blend was reduced by up to 15.7% with the addition of iron-doped cerium oxide nanoparticles.
- Addition of nanoparticles to the D100 and B30 fuels had no noticeable effect on HC emissions.
- CO emissions were reduced by up to 24.6% for B30 and 15.4% for B30 with nano-additives, relative to D100.
- Better engine performance was recorded for B30 with 20% FeCeO2 as compared to 10% FeCeO2, regarding cylinder pressure and emissions. Additionally, the fuel blend B30 with 10% FeCeO2 nanoparticles recorded better BSFC and BTE in low-to-medium loads compared to D100.
Author Contributions
Acknowledgments
Conflicts of Interest
Nomenclature
| Abbreviations | |
| WCOME | waste cooking oil methyl ester |
| WCO | waste cooking oil |
| CI | compression ignition |
| IC | internal combustion |
| NOx | oxides of nitrogen |
| HC | unburned hydrocarbon |
| CO | carbon monoxide |
| PM | particulate matter |
| GO | graphite oxide |
| BSFC | brake specific fuel consumption |
| BTE | brake thermal efficiency |
| C.A. | crank angle |
| CNTs | carbon nanotubes |
| MWCNTs | multiwall carbon nanotubes |
| SDC | samarium-doped ceria |
| IVC | intake valve closing |
| Symbols | |
| γ | specific heat ratio |
| θ | crank angle |
| p | instantaneous cylinder pressure (bar) |
| T | mean gas temperature (K) |
| V | cylinder volume (m3) |
| Vr, Tr, Pr | volume, temperature and pressure at any reference condition |
| brake thermal efficiency | |
| fuel mass flow rate | |
| Subscripts | |
| T | temperature |
| r | reference condition |
| max | maximum |
| Exh | exhaust |
| bth | brake thermal |
References
- Tesfa, B.; Gu, F.; Mishra, R.; Ball, A. Emission characteristics of a CI engine running with a range of biodiesel feedstocks. Energies 2014, 7, 334–350. [Google Scholar] [CrossRef]
- Gui, M.M.; Lee, K.T.Ã.; Bhatia, S. Feasibility of edible oil vs. non-edible oil vs. waste edible oil as biodiesel feedstock. Energy 2008, 33, 1646–1653. [Google Scholar] [CrossRef]
- Kim, H.Y.; Ge, J.C.; Choi, N.J. Application of palm oil biodiesel blends under idle operating conditions in a common-rail direct-injection diesel engine. Appl. Sci. 2018, 8, 2665. [Google Scholar] [CrossRef]
- Agarwal, A.K.; Gupta, J.G.; Dhar, A. Potential and challenges for large-scale application of biodiesel in automotive sector. Prog. Energy Combust. Sci. 2017, 61, 113–149. [Google Scholar] [CrossRef]
- Mattarelli, E.; Rinaldini, C.A.; Savioli, T. Combustion analysis of a diesel engine running on different biodiesel blends. Energies 2015, 8, 3047–3057. [Google Scholar] [CrossRef]
- Ashraful, A.M.; Masjuki, H.H.; Kalam, M.A.; Fattah, I.R.; Imtenan, S.; Shahir, S.A.; Mobarak, H.M. Production and comparison of fuel properties, engine performance, and emission characteristics of biodiesel from various non-edible vegetable oils: A review. Energy Convers. Manag. 2014, 80, 202–228. [Google Scholar] [CrossRef]
- Rahman, S.M.; Nabi, M.; Van, T.; Suara, K.; Jafari, M.; Dowell, A.; Islam, M.; Marchese, A.; Tryner, J.; Hossain, M.; et al. Performance and combustion characteristics analysis of multi-cylinder CI engine using essential oil blends. Energies 2018, 11, 738. [Google Scholar] [CrossRef]
- Attia, A.M.A.; Hassaneen, A.E. Influence of diesel fuel blended with biodiesel produced from waste cooking oil on diesel engine performance. Fuel 2016, 167, 316–328. [Google Scholar] [CrossRef]
- Karmakar, A.; Karmakar, S.; Mukherjee, S. Properties of various plants and animals feedstocks for biodiesel production. Bioresour. Technol. 2010, 101, 7201–7210. [Google Scholar] [CrossRef] [PubMed]
- Atapour, M.; Kariminia, H.; Moslehabadi, P.M. Optimization of biodiesel production by alkali-catalyzed transesterification of used frying oil. Process Saf. Environ. Prot. 2014, 92, 179–185. [Google Scholar] [CrossRef]
- Keera, S.T.; Sabagh SMEl Taman, A.R. Transesterification of vegetable oil to biodiesel fuel using alkaline catalyst. Fuel 2011, 90, 42–47. [Google Scholar] [CrossRef]
- Kathirvel, S.; Layek, A.; Muthuraman, S. Exploration of waste cooking oil methyl esters (WCOME) as fuel in compression ignition engines: A critical review. Eng. Sci. Technol. Int. J. 2016, 19, 1018–1026. [Google Scholar] [CrossRef]
- García-Martín, J.F.; Barrios, C.C.; Dominguez-Sáez, A.; Alvarez-Mateos, P. Biodiesel production from waste cooking oil in an oscillatory flow reactor. Performance as a fuel on a TDI diesel engine. Renew. Energy 2018, 125, 546–556. [Google Scholar] [CrossRef]
- Abu-Jrai, A.; Yamin, J.A.; Al-muhtaseb, A.H.; Hararah, M.A. Combustion characteristics and engine emissions of a diesel engine fueled with diesel and treated waste cooking oil blends. Chem. Eng. J. 2011, 172, 129–136. [Google Scholar] [CrossRef]
- Qasim, M.; Ansari, T.M.; Hussain, M. Combustion, performance, and emission evaluation of a diesel engine with biodiesel like fuel blends derived from a mixture of Pakistani waste canola and waste transformer oils. Energies 2017, 10, 1023. [Google Scholar] [CrossRef]
- Lin, Y.; Wu, Y.G. Combustion characteristics of waste-oil produced biodiesel/diesel fuel blends. Fuel 2007, 86, 1772–1780. [Google Scholar] [CrossRef]
- Ali, O.M.; Mamat, R.; Faizal, C.K.M.; Ali, O.M.; Mamat, R.; Faizal, C.K.M. Review of the effects of additives on biodiesel properties, performance, and emission features. J. Renew. Sustain. Energy 2013, 5. [Google Scholar] [CrossRef]
- Saxena, V.; Kumar, N.; Kumar, V. A comprehensive review on combustion and stability aspects of metal nanoparticles and its additive effect on diesel and biodiesel fuelled C.I. engine. Renew. Sustain. Energy Rev. 2017, 70, 563–588. [Google Scholar] [CrossRef]
- Khalife, E.; Tabatabaei, M.; Demirbas, A.; Aghbashlo, M. Impacts of additives on performance and emission characteristics of diesel engines during steady state operation. Prog. Energy Combust. Sci. 2017, 59, 32–78. [Google Scholar] [CrossRef]
- Ashok, B.; Nanthagopal, K.; Mohan, A.; Johny, A.; Tamilarasu, A. Comparative analysis on the effect of Zinc Oxide and Ethanox as additives with biodiesel in CI engine. Energy 2017, 140, 352–364. [Google Scholar] [CrossRef]
- Nanthagopal, K.; Ashok, B.; Tamilarasu, A.; Johny, A.; Mohan, A. Influence on the effect of zinc oxide and titanium dioxide nanoparticles as an additive with Calophyllum inophyllum methyl ester in a CI engine. Energy Convers. Manag. 2017, 146, 8–19. [Google Scholar] [CrossRef]
- Muthusamy, S.; Nallathambi, S.S.; Ramasamy, R.; Thasthagir, S.; Hussain, M. Effect of aluminium oxide nanoparticles blended pongamia methyl ester on performance, combustion and emission characteristics of diesel engine. Renew. Energy 2018, 116, 518–526. [Google Scholar] [CrossRef]
- Patel, H.K.; Kumar, S. Experimental analysis on performance of diesel engine using mixture of diesel and bio-diesel as a working fuel with Aluminum Oxide nanoparticle additive. Therm. Sci. Eng. Prog. 2017, 4, 252–258. [Google Scholar] [CrossRef]
- Attia, A.M.A.; El-Seesy, A.I.; El-Batsh, H.M.; Shehata, M.S. Effects of alumina nanoparticles additives into jojoba methyl ester-diesel mixture on diesel engine performance. In Proceedings of the ASME 2014 International Mechanical Engineering Congress and Exposition, IMECE2014, Montreal, QC, Canada, 14–20 November 2014; pp. 1–10. [Google Scholar]
- Selvan, V.A.M.; Anand, R.B.; Udayakumar, M. Effect of cerium oxide nanoparticles and carbon nanotubes as fuel-borne additives in diesterol blends on the performance, combustion and emission characteristics of a variable compression ratio engine. Fuel 2014, 130, 160–167. [Google Scholar] [CrossRef]
- Khalife, E.; Tabatabaei, M.; Najafi, B.; Mostafa, S. A novel emulsion fuel containing aqueous nano cerium oxide additive in diesel-biodiesel blends to improve diesel engines performance and reduce exhaust emissions: Part I-Experimental analysis. Fuel 2017, 207, 741–750. [Google Scholar] [CrossRef]
- Ooi, J.B.; Ismail, H.M.; Swamy, V.; Wang, X.; Swain, A.K.; Rajanren, J.R. Graphite oxide nanoparticles as diesel fuel additive for cleaner emissions and lower fuel consumption. Energy Fuels 2016, 30, 1341–1353. [Google Scholar] [CrossRef]
- Ooi, J.B.; Ismail, H.M.; Tan, B.T.; Wang, X. Effects of Graphite Oxide and single-walled carbon nanotubes as diesel additives on the performance, combustion, and Emission characteristics of a light-duty diesel engine. Energy 2018, 161, 70–80. [Google Scholar] [CrossRef]
- Boon, J.; Jeevan, O.; Rajanren, R.; Mohamed, H. Improving combustion characteristics of diesel and biodiesel droplets by graphite oxide addition for diesel engine applications. Int. J. Energy Res. 2017, 41, 1–10. [Google Scholar] [CrossRef]
- Heydari-maleney, K.; Taghizadeh-alisaraei, A.; Ghobadian, B.; Abbaszadeh-mayvan, A. Analyzing and evaluation of carbon nanotubes additives to diesohol-B2 fuels on performance and emission of diesel engines. Fuel 2017, 196, 110–123. [Google Scholar] [CrossRef]
- Balaji, G.; Cheralathan, M. Effect of CNT as additive with biodiesel on the performance and emission characteristics of a DI diesel engine. Int. J. ChemTech Res. 2015, 7, 1230–1236. [Google Scholar]
- Ghafoori, M.; Ghobadian, B.; Najafi, G.; Layeghi, M.; Rashidi, A.; Mamat, R. Effect of nano-particles on the performance and emission of a diesel engine using biodiesel-diesel blend. Int. J. Automot. Mech. Eng. 2015, 12, 3097–3108. [Google Scholar] [CrossRef]
- Basha, J.S.; Anand, R.B. An experimental investigation in a diesel engine using carbon nanotubes blended water-diesel emulsion fuel. Proc. Inst. Mech. Eng. Part A J. Power Energy 2011, 225, 279–288. [Google Scholar] [CrossRef]
- Aneggi, E.; De Leitenburg, C.; Dolcetti, G.; Trovarelli, A. Promotional effect of rare earths and transition metals in the combustion of diesel soot over CeO2 and CeO2-ZrO2. Catal. Today 2006, 114, 40–47. [Google Scholar] [CrossRef]
- Zhao, S.; Gorte, R.J. A comparison of ceria and Sm-doped ceria for hydrocarbon oxidation reactions. Appl. Catal. 2004, 277, 129–136. [Google Scholar] [CrossRef]
- Mirzajanzadeh, M.; Tabatabaei, M.; Ardjmand, M.; Rashidi, A. A novel soluble nano-catalysts in diesel-biodiesel fuel blends to improve diesel engines performance and reduce exhaust emissions. Fuel 2015, 139, 374–382. [Google Scholar] [CrossRef]
- Annamalai, M.; Dhinesh, B.; Nanthagopal, K.; SivaramaKrishnan, P.; Lalvani, J.I.; Parthasarathy, M.; Annamalai, K. An assessment on performance, combustion and emission behavior of a diesel engine powered by ceria nanoparticle blended emulsified biofuel. Energy Convers. Manag. 2016, 123, 372–380. [Google Scholar] [CrossRef]
- Channei, D.; Wetchakun, N.; Siriwong, C.; Phanichphant, S. Synthesis and characterization of Fe-doped CeO2 nanoparticles and their photocatalytic activities. In Proceedings of the 2010 5th IEEE International Conference on Nano/Micro Engineered and Molecular Systems, Xiamen, China, 20–23 January 2010; pp. 43–48. [Google Scholar]
- Dhannia, T.; Jayalekshmi, S.; Kumar, M.C.S.; Rao, T.P.; Bose, A.C. Effect of iron doping and annealing on structural and optical properties of cerium oxide nanocrystals. J. Phys. Chem. Solids 2010, 71, 1020–1025. [Google Scholar] [CrossRef]
- Ismail, M.A. Combustion Synthesis of Nanomaterials Using Various Flame Configurations. Ph.D. Thesis, King Abdullah University of Science and Technology (KAUST), Thuwal, Saudi Arabia, 2016. [Google Scholar]
- McCullough, J.D. An X-Ray Study of the Rare-Earth Oxide Systems: CeIV-NdIII, CeIV-PrIII, CeIV-PrIV, and PrIV-NdIII. J. Am. Chem. Soc. 1950, 72, 1386. [Google Scholar] [CrossRef]
- Ismail, M.A.; Memon, N.K.; Hedhili, M.N.; Anjum, D.H.; Chung, S.H. Synthesis of TiO2 nanoparticles containing Fe, Si, and V using multiple diffusion flames and catalytic oxidation capability of carbon-coated nanoparticles. J. Nanopart. Res. 2016, 18, 1–14. [Google Scholar] [CrossRef]
- El-seesy, A.I.; Abdel-rahman, A.K.; Hassan, H.; Ookawara, S.; Hawi, M. Biodiesel-diesel fuel mixture with addition of nanoparticles. In Proceedings of the ASME 2017 Power Conference Joint with ICOPE-17, Charlotte, NC, USA, 26–30 June 2017; pp. 1–9. [Google Scholar]
- Coleman, H.W.; Steele, W.G., Jr. Experimentation and Uncertainty Analysis for Engineers, 2nd ed.; John Willey & Sons: New York, NY, USA, 1989. [Google Scholar]
- Heywood, J.B. Internal Combustion Engine Fundamentals, 1st ed.; McGraw-Hill, Inc.: New York, NY, USA, 1988. [Google Scholar]
- Gumus, M. A comprehensive experimental investigation of combustion and heat release characteristics of a biodiesel (hazelnut kernel oil methyl ester) fueled direct injection compression ignition engine. Fuel 2010, 89, 2802–2814. [Google Scholar] [CrossRef]
- Hohenberg, G.F. Advance Approaches for Heat Transfer Calculation; Soc Automot Eng SAE Tech Pap NO 790825 19792788-98; SAE: Warrendale, PA, USA, 1979. [Google Scholar]
- Zhang, Z.; Li, L. Investigation of in-cylinder steam injection in a turbocharged diesel engine for waste heat recovery. Energies 2018, 11, 936. [Google Scholar] [CrossRef]
- Song, H.; Quinton, K.S.; Peng, Z.; Zhao, H.; Ladommatos, N. Effects of oxygen content of fuels on combustion and emissions of diesel engines. Energies 2016, 9, 28. [Google Scholar] [CrossRef]
- Yusop, A.F.; Mamat, R.; Yusaf, T.; Najafi, G. Analysis of particulate matter (PM) emissions in diesel engines using palm oil biodiesel blended with diesel fuel. Energies 2018, 11, 1039. [Google Scholar] [CrossRef]
- Sajith, V.; Sobhan, C.B.; Peterson, G.P. Experimental investigations on the effects of cerium oxide nanoparticle fuel additives on biodiesel. Adv. Mech. Eng. 2010, 2010, 1–6. [Google Scholar] [CrossRef]










| Engine Parameter | Specification |
|---|---|
| Engine model | HATZ-1B30-2 |
| Engine type | Single cylinder 4-stroke direct injection compression ignition (CI) |
| Bore (mm) | 80 |
| Stroke (mm) | 69 |
| Crank length (mm) | 34.5 |
| Connecting rod length (mm) | 114.5 |
| Displacement volume (cm3) | 347 |
| Compression ratio | 21.5:1 |
| Rated power (kW/rpm) | 5.5/3500 |
| Idle speed (rpm) | 1000 |
| Type of cooling | Air cooling |
| Start up | Electrical |
| Gas | Measuring Range | Resolution | Accuracy |
|---|---|---|---|
| CO | 0–4000 ppm | 1 ppm | ±5% of reading or ±10 ppm |
| CO2 | 0–20% vol. | 0.1% vol. | ±0.5% of reading |
| HC | 0–10% vol. | 0.01% vol. | ±0.3% of reading |
| O2 | 0–20.9% vol. | 0.01% vol. | ±0.3% of reading |
| NOx | 0–4000 ppm | 1 ppm | ±5% of reading or ±5 ppm |
| Stack temperature | −20 to 1315 °C | 1 °C | ±2 °C |
| Probe tip temperature | 800 °C max | - | - |
| Test Parameter | Range of Regulation | Analyzed Parameter |
|---|---|---|
| Fuel type | Neat diesel (D100), blended fuel (B30) | Cylinder pressure |
| Nanoparticle type | 10% Fe + CeO2, 20% Fe + CeO2 | BSFC and exhaust temperature, |
| Engine load (N.m) | 0, 3, 6, 9, and 12 | Emissions: CO, HC and NOx |
| Engine speed (rpm) | 2000 |
| Instrument | Range | Accuracy | Uncertainty |
|---|---|---|---|
| Torque indicator, N.m | 0–200 | ±1% of reading | 1 |
| Fuel burette, cc | 153 | ±0.2 | 1 |
| Speed sensor, rpm | 0–10,000 | ±5 rpm | 0.1 |
| Exhaust gas analyzer: | |||
| CO, ppm | 0–4000 ppm | ±10 ppm | 1 |
| UHC, % vol. | 0–10 % vol. | ±0.3% of reading | 0.1 |
| NOx, ppm | 0–4000 ppm | ±5 ppm | 1 |
| Pressure transducer, bar | 250 | ±1% of reading | 1 |
| Crank angle encoder, degree | 0–720 | ±0.5 | 0.3 |
| Brake power | - | - | ±1 |
| Brake specific fuel consumption (BSFC) | - | - | ±2 |
| Brake thermal efficiency (BTE) | - | - | ±3.2 |
| Property | Diesel | WCOME |
|---|---|---|
| Density@15.56 °C (kg/m3) | 842.7 | 877 |
| Kinematic viscosity@40 °C (mm2/s) | 3.34 | 4.9 |
| Calorific value (kJ/kg) | 45,448 | 37,951 |
| Boiling point (°C) | 180–360 | 250 |
| Flash point (°C) | 62 | 129 |
| Cetane number | 50 | 49 |
| Molecular weight (kg/kmol) | 191 | 305 |
© 2019 by the authors. Licensee MDPI, Basel, Switzerland. This article is an open access article distributed under the terms and conditions of the Creative Commons Attribution (CC BY) license (http://creativecommons.org/licenses/by/4.0/).
Share and Cite
Hawi, M.; Elwardany, A.; Ismail, M.; Ahmed, M. Experimental Investigation on Performance of a Compression Ignition Engine Fueled with Waste Cooking Oil Biodiesel–Diesel Blend Enhanced with Iron-Doped Cerium Oxide Nanoparticles. Energies 2019, 12, 798. https://doi.org/10.3390/en12050798
Hawi M, Elwardany A, Ismail M, Ahmed M. Experimental Investigation on Performance of a Compression Ignition Engine Fueled with Waste Cooking Oil Biodiesel–Diesel Blend Enhanced with Iron-Doped Cerium Oxide Nanoparticles. Energies. 2019; 12(5):798. https://doi.org/10.3390/en12050798
Chicago/Turabian StyleHawi, Meshack, Ahmed Elwardany, Mohamed Ismail, and Mahmoud Ahmed. 2019. "Experimental Investigation on Performance of a Compression Ignition Engine Fueled with Waste Cooking Oil Biodiesel–Diesel Blend Enhanced with Iron-Doped Cerium Oxide Nanoparticles" Energies 12, no. 5: 798. https://doi.org/10.3390/en12050798
APA StyleHawi, M., Elwardany, A., Ismail, M., & Ahmed, M. (2019). Experimental Investigation on Performance of a Compression Ignition Engine Fueled with Waste Cooking Oil Biodiesel–Diesel Blend Enhanced with Iron-Doped Cerium Oxide Nanoparticles. Energies, 12(5), 798. https://doi.org/10.3390/en12050798

