Narrow Band State of Charge (SOC) Control Strategy for Hybrid Container Cranes
Abstract
:1. Introduction
2. Rubber Tire Gantry Cranes
3. VSDG-Battery-SC Hybrid System
3.1. Battery Model
3.2. Supercapacitor Model
3.3. Diesel Generator Model
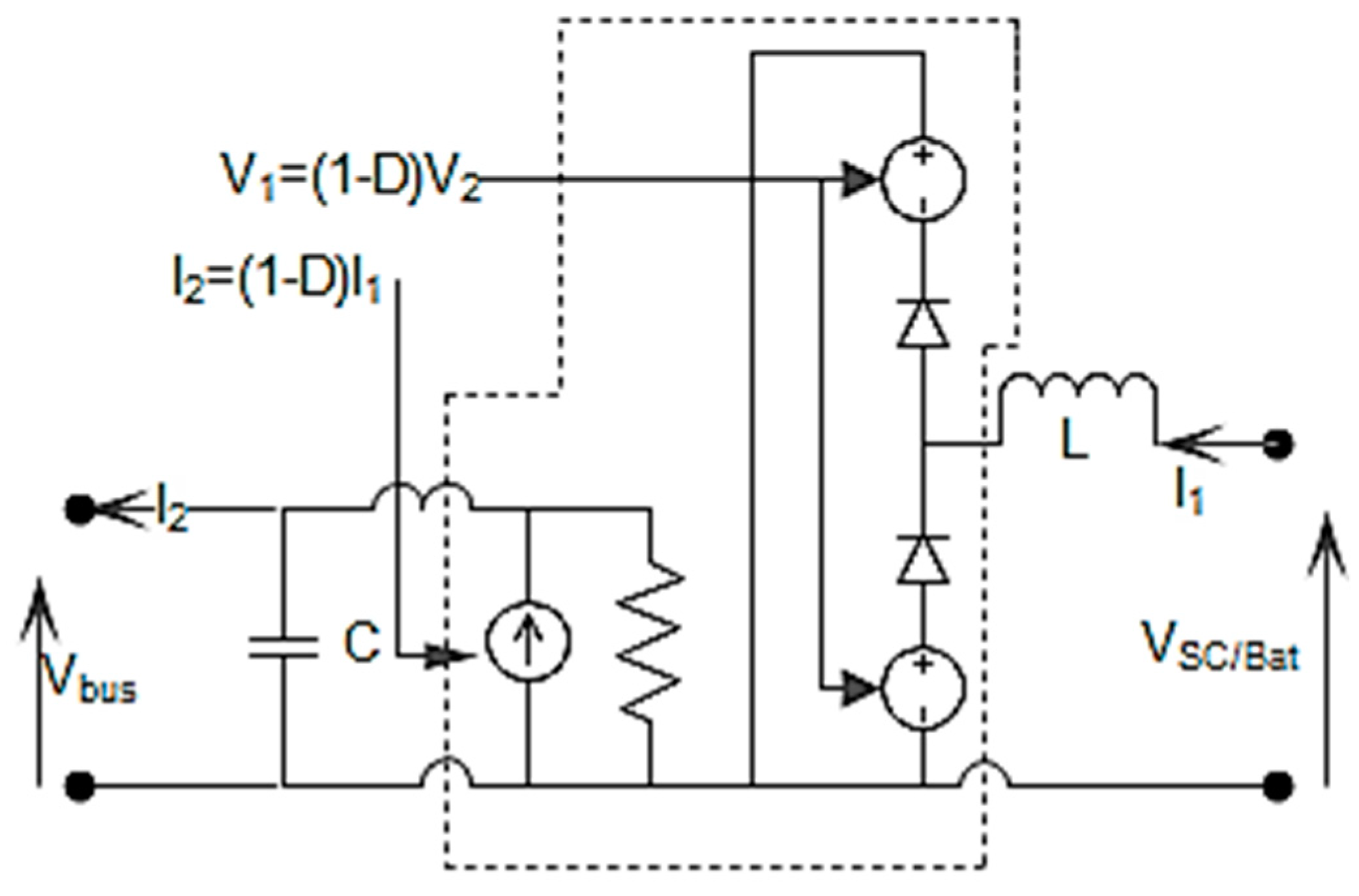
3.4. DC/DC Converter Model
3.5. Brake Chopper Model
3.6. Auxiliary System Model
4. Energy Management System (EMS)
4.1. VSDG Control
4.2. SC Control
4.3. Battery Control
- Charge the battery bank from VSDG up to 60% (upper margin) SOC, when bottom margin detected by the state controller
- Support the steady state demand along with VSDG until SOC reaches its bottom margin (40%)
- Interrupt the charging process and contribute to demand when demand current is extensively high (e.g., when demand current reaches above 270 A)
4.4. State Machine Control
5. Simulation Results and Discussion
- (A)
- Simulation with an initial battery SOC of 38% with quiet operation.
- (B)
- Simulation with an initial battery SOC of 38% with busy operation.
- (C)
- Simulation with an initial battery SOC of 50% with quiet operation.
- (D)
- Simulation with an initial battery SOC of 50% with busy operation.
6. Conclusions
Author Contributions
Funding
Acknowledgments
Conflicts of Interest
Appendix A
| Parameter | VSDG | Supercapacitor | Battery |
|---|---|---|---|
| Rated current (A) | 300 | 100 | 40 |
| Max current on DC bus (A) | 330 | 500 | 75 |
| Dynamic current response | 50 A/s | 700 us for full load | 100 A/s |
| Supercapacitor SOC control level | - | 70% | - |
| Minimum SC SOC level | - | 25% | - |
| Li-ion battery lower SOC margin | - | - | 40% |
| Li-ion battery top SOC margin | - | - | 60% |
| Control mode | CCM | CV | CCM |
| Capacity | 350 kVA | 48.3 F | 40 Ah |
| Rated source voltage (V) | 600 | 334 | 372 |
| DC/DC converter capacity | 250 kW | 250 kW | 60 kW |
| DC/DC converter topology | 3 leg interleaved DC/DC converters | ||
| DC/DC converter minimum operating voltage (V) | 100 V | 100 V | 100 V |
| DC bus voltage (V) | 680 V | ||
References
- OPEC: Annual Statistical Bulletin. Available online: http://www.opec.org/opec_web/en/publications/202.htm (accessed on 25 October 2018).
- Flynn, M.M.; McMullen, P.; Solis, O. Saving energy using flywheels. IEEE Ind. Appl. Mag. 2007, 14, 69–76. [Google Scholar] [CrossRef]
- Kim, S.M.; Sul, S.K. Control of rubber tire gantry crane with energy storage based on supercapacitor bank. IEEE Trans. Power Electron. 2006, 21, 1420–1427. [Google Scholar] [CrossRef]
- Sybrid System, Hybrid Technology for Rubber tire Gantry Cranes. Available online: http://www.shi.co.jp/shi-mh/english/technical/sybrid.html (accessed on 19 November 2018).
- Mulder, S. Energy Management System Hybrid Container Crane; Delft University of Technology: Delft, The Netherlands, 2009. [Google Scholar]
- Hellendoorn, H.; Mulder, S.; Schutter, B.D. Hybrid Control of Container Cranes. In Proceedings of the 18th IFAC World Congress, Milan, Italy, 28 August–2 September 2011; pp. 9697–9702. [Google Scholar]
- Case Study: Hybrid Rubber Tired Gantry Cranes, Corvus Energy. Available online: https://corvusenergy.com/port-equipment/ (accessed on 19 November 2018).
- Bolonne, S.R.A.; Chandima, D.P. Modeling and Simulation of an Electromechanical System for a Hybrid Rubber Tire Gantry Crane. In Proceedings of the 2nd International Conference on Electrical Engineering, Colombo, Sri Lanka, 28 September 2018; pp. 14–20. [Google Scholar]
- CMinnotech. Explore Exchanges for Further Upgrade Transformation Technical solutions of CICT E-RTG. Unpublished work. February 2017. [Google Scholar]
- RTG-VSG Hybrid Power Supply System-Operational Manual; Shenzhen Jingnengfang and System Integration Co., LTD: Shenzhen, China, 2012.
- Lithium Ion Battery for Industrial Use; GS YUASA International Ltd.: Tokyo, Japan.
- Simpowersystem Blocks, Battery. Available online: https://in.mathworks.com/help/physmod/sps/powersys/ref/battery.html?searchHighlight=Battery&s_tid=doc_srchtitle (accessed on 7 November 2018).
- Omar, N.; Monem, M.A.; Firouz, Y.; Salminen, J.; Smekens, J.; Hegazy, O.; Gaulous, H.; Mulder, G.; Bossche, P.V.D.; Coosemans, T.; et al. Lithium iron phosphate-based battery—Assessment of aging parameters and development of cycle life model. Appl. Energy 2014, 133, 1575–1585. [Google Scholar] [CrossRef]
- Saw, L.H.; Somasundaram, K.; Ye, Y.; Tay, A.A.O. Electro-thermal analysis of Lithium Iron Phosphate battery for electric vehicles. J. Power Sources 2014, 249, 231–238. [Google Scholar] [CrossRef]
- Zhu, C.; Li, X.; Song, L.; Xiang, L. Development of a theoretically based thermal model for Lithium ion battery pack. J. Power Sources 2013, 223, 155–164. [Google Scholar] [CrossRef]
- Tremblay, O.; Dessaint, L.A. Experimental validation of a Battery Dynamic Model for EV applications. World Electr. Veh. J. 2009, 3, 289–298. [Google Scholar] [CrossRef]
- Datasheet K2 Ultracapacitors—3.0V/3000F; Maxwell Technologies Inc.: San Diego, CA, USA, 2016.
- Simpowersystem Blocks, Supercapacitor. Available online: https://in.mathworks.com/help/physmod/sps/powersys/ref/supercapacitor.html (accessed on 3 November 2018).
- Oldham, K.B. A Gouy-Chapman Stern model of the double layer at a (metal)/(ionic liquid) interface. J. Electroanal. Chem. 2007, 613, 131–138. [Google Scholar] [CrossRef]
- Gracia, P.; Torreglosa, J.P.; Fernandez, L.M.; Jurado, F. Viability study of a FC-battery-SC tramway controlled by equivalent consumption minimization strategy. Int. J. Hydrogen Energy 2012, 37, 9368–9382. [Google Scholar] [CrossRef]
- Rubber-Tired Gantry Crane for Sri Lanka Project-Mechanical Calculation; Shanghai Zhenhua Heavy Industry Co., Ltd.: Shanghai, China, 2008.
- One Rubber-Tired Gantry Container Crane for Port Hambantota-Mechanical Calculation; Shanghai Zhenhua Heavy Industry Co., Ltd.: Shanghai, China, 2014.
- Thiyagarajan, A.; Kumar, S.G.P.; Nandini, A. Analysis and comparison of conventional and interleaved DC/DC boost converter. In Proceedings of the Second International Conference on Current Trends in Engineering and Technology—ICCTET 2014, Coimbatore, India, 8 July 2014; pp. 198–205. [Google Scholar]
- DC/DC Converter Operating Guide; Vacon: Uusimaa, Finland, 2016.
- SINAMICS DCP 120 kW; Siemens Industry, Inc.: Norcross, GA, USA, 2016.
- Simpowersystem Blocks, Two-Quadrant dc/dc Converter. Available online: https://in.mathworks.com/help/physmod/sps/examples/two-quadrant-dc-dc-converter.html (accessed on 15 November 2018).
- Hussein, A.A. Capacity fade estimation in electric vehicles Li-ion batteries using artificial neural networks. IEEE Trans. Ind. Appl. 2015, 51, 2321–2330. [Google Scholar] [CrossRef]
- Savoye, F.; Venet, P.; Millet, M.; Groot, J. Impact of Periodic Current Pulses on Li-Ion Battery Performance. IEEE Trans. Ind. Electron. 2012, 59, 3481–3488. [Google Scholar] [CrossRef]
- Shafiei, N.; Ordonez, M.; Craciun, M.; Botting, C.; Edington, M. Burst Mode Elimination in High-Power LLC Resonant Battery Charger for Electric Vehicles. IEEE Trans. Power Electron. 2016, 31, 1173–1188. [Google Scholar] [CrossRef]
- Hannan, M.A.; Hoque, M.M.; Hussain, A.; Yusof, Y.; Ker, P.J. State-of-the-Art and Energy Management System of Lithium-Ion Batteries in Electric Vehicle Applications: Issues and Recommendations. Adv. Energy Storage Technol. Their Appl. 2018, 6, 19362–19378. [Google Scholar] [CrossRef]
- Joon, H.L.; Seung, H.L.; Seung, K.S. Variable-Speed Engine Generator with Supercapacitor: Isolated Power Generation System and Fuel Efficiency. IEEE Trans. Ind. Appl. 2009, 45, 2130–2135. [Google Scholar] [CrossRef]
- New Liebherr Energy Storage System Liduro Increases Productivity of Electric Drive Systems. Available online: https://www.liebherr.com/en/int/latest-news/news-press-releases/detail/new-liebherr-energy-storage-system-liduro-increases-productivity-of-electric-drive-systems.html (accessed on 4 December 2018).
















| Parameter | Configuration/Setting |
|---|---|
| Gantry span | 6 wide + truck lane |
| Lifting heights | 1 over 6 |
| Lifting capacity | 40 t |
| Hoist speed | 0.433 m/s with rated load 0.866 m/s with empty spreader |
| Hoist acceleration | 2 s, rated load 4.5 s, empty spreader |
| Hoist deceleration | 2 s, rated load 4.5 s, empty spreader |
| Trolley travel speed | 1.666 m/s |
| Trolley acceleration and deceleration | 4 s |
| Parameter | VSDG | SC | Battery |
|---|---|---|---|
| Rated Current (A) | 300 | 100 | 40 |
| Max Current (A) | 330 | 500 | 150 |
| Current slew rate (A/s) | 50 | - | 100 |
| SOC (min) | - | 70% | 40% |
| SOC (max) | - | 25% | 60% |
| Control mode(CCM, CV) | CCM | CVM | CCM |
| Capacity | 350 kVA | 48.3 F | 40 Ah |
| Rated voltage (V) | 600 | 334 | 372 |
| DC bus voltage (V) | 680 | ||
| Case | Fuel Consumption (L) | Fuel Consumption Per Move (L/move) | Battery SOC Transition Cycles | VSDG Loaded Time (s) (Active Time) | VSDG Loading More Than | ||
|---|---|---|---|---|---|---|---|
| 50 kW (s) | 100 kW (s) | 150 kW (s) | |||||
| Case 1 | 3.66 | 1.22 | 3 | 719.5 | 666.1 | 114.3 | 55.6 |
| Case 2 | 4.3 | 0.71 | 2 | 772.8 | 602.2 | 247.7 | 130.1 |
| Case 3 | 3.38 | 1.13 | 3 | 674.7 | 607 | 120.4 | 37.6 |
| Case 4 | 4.06 | 0.67 | 2 | 716.7 | 573.7 | 231.3 | 107.6 |
© 2019 by the authors. Licensee MDPI, Basel, Switzerland. This article is an open access article distributed under the terms and conditions of the Creative Commons Attribution (CC BY) license (http://creativecommons.org/licenses/by/4.0/).
Share and Cite
Bolonne, S.R.A.; Chandima, D.P. Narrow Band State of Charge (SOC) Control Strategy for Hybrid Container Cranes. Energies 2019, 12, 743. https://doi.org/10.3390/en12040743
Bolonne SRA, Chandima DP. Narrow Band State of Charge (SOC) Control Strategy for Hybrid Container Cranes. Energies. 2019; 12(4):743. https://doi.org/10.3390/en12040743
Chicago/Turabian StyleBolonne, Sheron Ruchiranga Anton, and Dedduwa Pathiranage Chandima. 2019. "Narrow Band State of Charge (SOC) Control Strategy for Hybrid Container Cranes" Energies 12, no. 4: 743. https://doi.org/10.3390/en12040743
APA StyleBolonne, S. R. A., & Chandima, D. P. (2019). Narrow Band State of Charge (SOC) Control Strategy for Hybrid Container Cranes. Energies, 12(4), 743. https://doi.org/10.3390/en12040743

