Overcoming the Limits of the Charge Transient Fault Location Algorithm by the Artificial Neural Network
Abstract
1. Introduction
2. Technical Literature Review
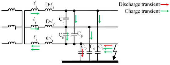
3. Brief Recalls to the Charge and Discharge Transient Currents
- The discharge current flows directly through the phase-to-ground capacitances of the faulty phase to form a loop; the inductances of the discharge circuit are very low (Figure 1), in order to obtain a faster attenuation and a higher oscillation frequency yield;
- The charging current flows through the faulty phase up to the transformer and creates a loop by means of the ground capacitances of the two sound phases [22].
4. Analytical Algorithm Based on the Analysis of Charge Transient Current Waveform
4.1. Waveform Processing
- A steady-state component, at 50 Hz;
- Some transient components, which are non-stationary with many frequency components, like noise, travelling wave propagation, charge and discharge phenomena, etc.
4.2. Laplace Domain Model and fc Estimation
5. Results of the Analytical Algorithm Based on the Charge Transient Current Waveform
6. Artificial Neural Network-Based Algorithm
7. ANN-Based Algorithm Results
8. Application to a Double-Circuit OHL
9. Conclusions
Author Contributions
Funding
Conflicts of Interest
Appendix A. Hilbert Transform (HT)
References
- Van der Sluis, L. Transients in Power Systems; Wiley & Sons: Hoboken, NJ, USA, 2001; ISBN 978-0-471-48639-8. [Google Scholar]
- Baù, M.; Benato, R.; Sessa, S.D.; Poli, M.; Quaciari, C. Reti in Alta tensione a neutro isolato: Metodi per la rilevazione della distanza di guasto monofase. L’Energia Elettr. 2016, 93, 49–57. [Google Scholar]
- Baù, M.; Benato, R.; Sessa, S.D.; Poli, M.; Quaciari, C. Review of the fault location methods for phase to ground short circuits in unearthed sub-transmission networks. Int. Rev. Electr. Eng. 2017, 12, 82–89. [Google Scholar]
- Benato, R.; Sessa, S.D.; Poli, M.; Quaciari, C.; Rinzo, G. An on-line travelling wave fault location method for unearthed operated high voltage overhead line grids. IEEE Trans. Power Deliv. 2018, 33, 2776–2785. [Google Scholar] [CrossRef]
- Benato, R.; Sessa, S.D.; Poli, M.; Quaciari, C.; Rinzo, G. Fault location in unearthed 60 kV subtransmission network based on the travelling wave method. In Proceedings of the 2017 AEIT International Annual Conference, Cagliari, Italy, 20–22 September 2017. [Google Scholar]
- Zhang, W.; Xiao, X.; Wang, Y. Charging transient based SLG fault location in neutral unearthed distribution system. In Proceedings of the 2011 Asia-Pacific Power and Energy Engineering Conference (APPEEC), Wuhan, China, 25–28 March 2011. [Google Scholar]
- Adzman, M.R.; Lehtonen, M. Fault location in MV unearthed distribution network using undamped frequency of the transient signal. In Proceedings of the 3rd International Conference on Energy, Environment, Devices, Systems, Communications, Computers (INEEE12), Rovaniemi, Finland, 18–20 April 2012. [Google Scholar]
- Imris, P. Transient Based Earth Fault Location in 100 kV Subtransmission Networks. Ph.D. Thesis, Helsinky University of Technology, Helsinky, Finland, 2006. [Google Scholar]
- Abdel-Fattah, M.F.; Lethonen, M. Transient algorithm based on earth capacitance estimation for earth fault detection in medium voltage networks. IET Gener. Transm. Distrib. 2012, 6, 161–166. [Google Scholar] [CrossRef]
- Hanninen, S. Single Phase Earth Faults in High Impedance Grounded Networks: Characteristics, Indication and Location; Pubblication 453 VTT; Technical Research Centre of Finland: Espoo, Finland, 2001. [Google Scholar]
- Jiang, B.; Shi, S.; Dong, X.; Wang, B. Single phase grounding fault location based on frequency domain characteristics of fault current. In Proceedings of the International Conference on Advanced Power System, Automation and Protection, Beijing, China, 16–20 October 2011. [Google Scholar]
- Prasad, A.; Edward, J.B. Importance of Artificial Neural Networks for Location of Faults in Transmission Systems: A Survey. In Proceedings of the 11th International Conference on Intelligent Systems and Control (ISCO), Coimbatore, India, 5–6 January 2017; pp. 357–362. [Google Scholar]
- Bashier EOmer, M.T.; Alrhirn, A.A. Transmission line faults detection, classification and location using artificial neural network. In Proceedings of the 2011 International Conference & Utility Exhibition on Power and Energy Systems: Issues and Prospects for Asia (ICUE), Pattaya City, Thailand, 28–30 September 2011; pp. 1–5. [Google Scholar]
- Altuve, H.J.; Chacon, O.L.; Vazquez EPosadas, D.; Sanchez, E.N. Neural-network based fault location estimator for transmission line protection. In Proceedings of the ISAI/IFIS, Cancun, Mexico, 3–5 November 1996; pp. 186–191. [Google Scholar]
- Tawfik, M.M.; Morcos, M.M. ANN-based techniques for estimating fault location on transmission lines using prony method. IEEE Trans. Power Deliv. 2001, 16, 219–224. [Google Scholar] [CrossRef]
- Josè, A.C.B.; Costa, F.B.; Santos, W.; Neves, W.L.A.; Souza, B.A. High impedance fault location-case study using wavelet transform and artificial neural netuworks. In Proceedings of the 22th International Conference on Electricity Distribution, Stockholm, Sweden, 10–13 June 2013. [Google Scholar]
- Zayandehroodi, H.; Mohamed, A.; Shareef, H.; Mohammadjafari, M. Determining exact fault location in a distribution network in presence of DGs using RBF neural networks. In Proceedings of the 2011 IEEE International Conference on Information Reuse & Integration, Las Vegas, NV, USA, 3–5 August 2011. [Google Scholar]
- Dehghani, F.; Khodnia, F.; Dehghan, E. Fault location of unbalanced power distribution feeder with distributed generation using neural networks. In Proceedings of the 24th International Conference & Exihibition on Electricity Distribution (CIRED), Glasgow, UK, 12–15 June 2017. [Google Scholar]
- Abdollahi, A.; Seyedtabaii, S. Transmission line fault location estimation by Fourier & Wavelet transforms using ANN. In Proceedings of the 2010 4th International Power Engineering and Optimization Conference, Shah Alam, Malaysia, 23–24 June 2010; pp. 573–578. [Google Scholar]
- Tabatei, M.R.; Mosavi, M.R.; Farajiparvar, P. A travelling wave fault location technique for three terminal lines based on wavelet analysis and recurrent neural network using GPS timing. In Proceedings of the Smart Grid Conference, Tehran, Iran, 17–18 December 2013; pp. 268–272. [Google Scholar]
- Lin, X.; Mao, P.; Weng, H.; Wang, B.; Bo, Z.Q.; Klimek, A. Study on fault location for high voltage overhead transmission lines based on neural network system. In Proceedings of the International Conference on Intelligent Systems Applications to Power Systems, Niigata, Japan, 5–8 November 2007; pp. 1–5. [Google Scholar]
- Zhang, S.; Shang, W.J.; He, Z. A fault locating algorithm for the resonant grounding system based on the parameter identification under charge transient. In Proceedings of the Power and Energy Engineering conference, Shanghai, China, 27–29 March 2012. [Google Scholar]
- Liu, P.; Huang, C. Detecting single-phase-to-ground fault event and identifying faulty feeder in neutral ineffectively grounded distribution system. IEEE Trans. Power Deliv. 2018, 33, 2265–2273. [Google Scholar] [CrossRef]
- Prasad, C.G.D.; Prasad, D.J.V. Fault detection and phase selection using Euclidean distance based function for transmission line protection. In Proceedings of the International Conference on Advances in Electrical Engineering (ICAEE), Vellore, India, 9–11 June 2014. [Google Scholar]
- Addison, P.S. The Illustrated Wavelet Transform Handbook; Institute of Physics: London, UK, 2002; ISBN 0750306920. [Google Scholar]
- Biswal, S.; Biswal, M.; Malik, O.P. Hilbert Huang transform based online differential relay algorithm for shunt compensated transmission line. IEEE Trans. Power Deliv. 2018, 33, 2803–2811. [Google Scholar] [CrossRef]
- Serra, H.; Oliveira, J.P.; Paulino, N. A 50 Hz SC notch filter for IoT application. In Proceedings of the IEEE International Symposium on Circuits and Systems (ISCAS), Baltimore, MD, USA, 28–31 May 2017. [Google Scholar]
- Borghetti, A.; Bosetti, M.; di Silvestro, M.; Nucci, C.A.; Paolone, M. Distribution power networks: Definition of mother wavelets inferred from fault originated transients. IEEE Trans. Power Syst. 2008, 23, 380–388. [Google Scholar] [CrossRef]
- Moravej, Z.; Movahhedneya, M.; Radman, G.; Pazoki, M. Effective fault location technique in three-terminal transmission line using Hilbert and discrete wavelet transform. In Proceedings of the IEEE International Conference on Electro/Information technology (EIT), Dekalb, IL, USA, 21–23 May 2015. [Google Scholar]
- Adzman, M.R. Earth Fault Distance Computation Methods Based on Transients in Power Distribution Systems. Ph.D. Thesis, Aalto University, Aalto, Finland, 2014. [Google Scholar]
- Vasanth, S.; Yeap, Y.M.; Ukil, A. Fault Location Estimation for VSC-HVDC System Using Artificial Neural Network. In Proceedings of the IEEE Region 10 Conference (TENCON), Singapore, 22–25 November 2016. [Google Scholar]
- Mamis, M.S.; Arkan, M. FFT based fault location algorithm for transmission lines. In Proceedings of the International Conference on Electrical and Electronics Engineering, Bursa, Turkey, 1–4 December 2011. [Google Scholar]
- Singh, S.; Vishwakarma, D.N. Application of DWT and ANN for fault classification and location in a series compensated transmission line. In Proceedings of the IEEE 6th International Conference on Power Systems, New Delhi, India, 4–6 March 2016. [Google Scholar]
- Braspenning, P.J.; Thuijsman, F. Artificial Neural Networks: An Introduction to ANN Theory and Practice; Springer: Berlin/Heidelberg, Germany; New York, NY, USA, 1995; ISBN 3-540-59488-4. [Google Scholar]
- Benato, R.; Forzan, M.; Marelli, M.; Orini, A.; Zaccone, E. Harmonic behaviour of HVDC cables. Electr. Power Syst. Res. 2012, 89, 215–222. [Google Scholar] [CrossRef]
- Benato, R.; Paolucci, A. Multiconductor cell analysis of skin effect in Milliken type cables. Electr. Power Syst. Res. 2012, 90, 99–106. [Google Scholar] [CrossRef]
- Benato, R.; Dambone Sessa, S.; Guglielmi, F.; Partal, E.; Tleis, N. Ground Return Current Behaviour in High Voltage Alternating Current Insulated Cables. Energies 2014, 7, 8116–8131. [Google Scholar] [CrossRef]
- Benato, R.; Dambone Sessa, S. A New Multiconductor Cell Three-Dimension Matrix-Based Analysis Applied to a Three-Core Armoured Cable. IEEE Trans. Power Deliv. 2018, 33, 1636–1646. [Google Scholar] [CrossRef]
- Benato, R.; Sessa, S.D.; Forzan, M. Experimental Validation of 3-Dimension Multiconductor Cell Analysis by a 30 km Long Submarine Three-Core Armoured Cable. IEEE Trans. Power Deliv. 2018, 33, 2910–2919. [Google Scholar] [CrossRef]











| Section (mm2) | r20° | ℓ | ||
| Ext. | Int. | (Ω/km) | (mH/km) | |
| Conductor: ACSR | 103.4 | 16.84 | 0.2819 | 0.03922 |
| Ground wire: Steel | 65.81 | 2.416 | 2 | |
| Line length (km) | 60 | |||
| Conductor Positions | ||||
| a) | b) | c) | 0) | |
| Conductor height from earth (m) | 17.5 | 15 | 13 | 20 |
| Conductor distance from pylon (m) 1 | 1.6 | −3.15 | 2.5 | 0 |
| ds (m) | fu (Hz) | dc (m) | Δ (m) | ε (%) |
|---|---|---|---|---|
| 5000 | 1540.9 | 7194 | 2194 | 3.66 |
| 7500 | 1522.7 | 7435 | −65 | −0.11 |
| 10,000 | 1502.9 | 7740 | −2260 | −3.77 |
| 12,500 | 1463.6 | 8372 | −4128 | −6.88 |
| 15,500 | 1422.3 | 9162 | −6338 | −10.56 |
| 17,500 | 1383.6 | 10,010 | −7490 | −12.48 |
| 20,000 | 1322.2 | 11,660 | −8340 | −13.90 |
| 22,500 | 1222.9 | 15,600 | −6900 | −11.50 |
| 25,000 | 1142.2 | 20,090 | −4910 | −8.18 |
| 27,500 | 1122.3 | 22,740 | −4760 | −7.93 |
| 30,000 | 1083.5 | 27,270 | −2730 | −4.55 |
| 32,500 | 1062.2 | 30,540 | −1960 | −3.27 |
| 35,000 | 1043.9 | 34,030 | −970 | −1.62 |
| 37,500 | 1023 | 38,560 | 1060 | 1.77 |
| 40,000 | 1022.5 | 39,020 | −980 | −1.63 |
| 42,500 | 1004.2 | 44,350 | 1850 | 3.08 |
| 44,500 | 1003.2 | 44,560 | 60 | 0.10 |
| 47,500 | 1003.5 | 44,440 | −3060 | −5.10 |
| 50,000 | 982.3 | 52,890 | 2890 | 4.82 |
| 52,500 | 981.82 | 53,160 | 660 | 1.10 |
| 550,00 | 981.56 | 53,280 | −1720 | −2.87 |
| ds (m) | dc (m) | Δ (m) | ε (%) |
|---|---|---|---|
| 5000 | 6502 | 1502 | 2.50 |
| 7500 | 7520 | 20 | 0.03 |
| 10,000 | 9953 | −47 | −0.08 |
| 12,500 | 12,659 | 159 | 0.27 |
| 15,500 | 15,584 | 84 | 0.14 |
| 17,500 | 17,735 | 235 | 0.39 |
| 20,000 | 20,075 | 75 | 0.13 |
| 22,500 | 22502 | 2 | 0.00 |
| 25,000 | 25,012 | 12 | 0.02 |
| 27,500 | 27,463 | −37 | −0.06 |
| 30,000 | 29,970 | −30 | −0.05 |
| 32,500 | 32,581 | 81 | 0.14 |
| 35,000 | 34,978 | −22 | −0.04 |
| 37,500 | 37,472 | −28 | −0.05 |
| 40,000 | 39,990 | −10 | −0.02 |
| 42,500 | 42,676 | 176 | 0.29 |
| 44,500 | 44,499 | −01 | −0.00 |
| 47,500 | 47,551 | 51 | 0.09 |
| 50,000 | 50,727 | 727 | 1.21 |
| 52,500 | 52,502 | 2 | 0.00 |
| 55,000 | 53,798 | −1202 | −2.00 |
| Datasheet Dimension | 45 × 45 | 45 × 30 | 45 × 15 | ||||||
|---|---|---|---|---|---|---|---|---|---|
| ds (km) | dc (km) | Δ (km) | ε (%) | dc (km) | Δ (km) | ε (%) | dc (km) | Δ (km) | ε (%) |
| 2.5 | 2818 | 318 | 0.53 | 3876 | 1376 | 2.9 | 3554 | 1054 | 1.76 |
| 5 | 5.036 | 0.036 | 0.06 | 8487 | 3487 | 5.81 | 8507 | 3507 | 5.85 |
| 7.5 | 7.605 | 0.105 | 0.18 | 9120 | 1620 | 2.70 | 9410 | 1910 | 3.18 |
| 10 | 10.65 | 0.65 | 1.1 | 11,453 | 1453 | 2.42 | 11,968 | 1968 | 3.28 |
| 12.5 | 15.58 | 3.08 | 5.14 | 14,289 | 1789 | 2.98 | 14,881 | 2381 | 3.97 |
| 15.5 | 14.91 | −0.59 | −0.98 | 16,234 | 1234 | 2.06 | 16,561 | 1561 | 2.60 |
| 17.5 | 17.52 | 0.02 | 0.04 | 18,810 | 1310 | 2.18 | 18,848 | 1348 | 2.25 |
| 20 | 20.05 | 0.058 | 0.10 | 21,124 | 1124 | 1.87 | 21,431 | 1431 | 2.39 |
| 22.5 | 22.48 | −0.011 | −0.025 | 23,814 | 1314 | 2.19 | 24,390 | 1890 | 3.15 |
| 25 | 25.20 | 0.208 | 0.35 | 26,285 | 1285 | 2.14 | 26,425 | 1425 | 2.38 |
| 27.5 | 27.55 | 0.058 | 0.10 | 27,896 | 396 | 0.66 | 28,018 | 518 | 0.86 |
| 30 | 29.74 | 0.252 | −0.42 | 30,755 | 755 | 1.26 | 30,731 | 731 | 1.22 |
| 32.5 | 32.41 | −0.081 | −0.14 | 33,311 | 811 | 1.35 | 34,125 | 1625 | 2.71 |
| 35 | 34.88 | −0.117 | −0.2 | 36,791 | 1791 | 2.99 | 37,273 | 2273 | 3.79 |
| 37.5 | 36.64 | −0.858 | −1.43 | 38,778 | 1278 | 2.13 | 37,272 | −228 | −0.38 |
| 40 | 40.01 | 0.011 | 0.02 | 41,159 | 1159 | 1.93 | 41,409 | 1409 | 2.35 |
| 42.5 | 42.51 | 0.012 | 0.02 | 43,917 | 1417 | 2.36 | 43,466 | 966 | 1.61 |
| 44.5 | 44.57 | 0.074 | 0.12 | 45,328 | 328 | 0.55 | 44,993 | −7 | −0.01 |
| 47.5 | 47.45 | −0.044 | −0.07 | 47,011 | −489 | −0.82 | 46,868 | −632 | −1.05 |
| 50 | 49.44 | −0.554 | −0.92 | 51,531 | 1531 | 2.55 | 51,899 | 1899 | 3.17 |
| 52.5 | 52.27 | −0.225 | −0.38 | 52,852 | 352 | 0.59 | 52,644 | 144 | 0.24 |
| 55 | 56.21 | 1.212 | 2.02 | 56,635 | 1635 | 2.73 | 56,970 | 1970 | 3.28 |
| A.P.E. 1 (%) | 0.65 | 2.12 | 2.29 | ||||||
| M.C.T. 2 (s) | 4955.91 | 759.68 | 137.42 | ||||||
© 2019 by the authors. Licensee MDPI, Basel, Switzerland. This article is an open access article distributed under the terms and conditions of the Creative Commons Attribution (CC BY) license (http://creativecommons.org/licenses/by/4.0/).
Share and Cite
Benato, R.; Rinzo, G.; Poli, M. Overcoming the Limits of the Charge Transient Fault Location Algorithm by the Artificial Neural Network. Energies 2019, 12, 722. https://doi.org/10.3390/en12040722
Benato R, Rinzo G, Poli M. Overcoming the Limits of the Charge Transient Fault Location Algorithm by the Artificial Neural Network. Energies. 2019; 12(4):722. https://doi.org/10.3390/en12040722
Chicago/Turabian StyleBenato, Roberto, Giovanni Rinzo, and Michele Poli. 2019. "Overcoming the Limits of the Charge Transient Fault Location Algorithm by the Artificial Neural Network" Energies 12, no. 4: 722. https://doi.org/10.3390/en12040722
APA StyleBenato, R., Rinzo, G., & Poli, M. (2019). Overcoming the Limits of the Charge Transient Fault Location Algorithm by the Artificial Neural Network. Energies, 12(4), 722. https://doi.org/10.3390/en12040722

