A Virtual Inertia-Based Power Feedforward Control Strategy for an Energy Router in a Direct Current Microgrid Application
Abstract
:1. Introduction
2. Description of an Energy Router-Based Direct Current Microgrid
3. Control System of an Energy Router-Based Direct Current Microgrid
3.1. Direct Current Bus Voltage Analysis of a Direct Current Microgrid with an Energy Router
3.2. Direct Current Microgrid Virtual Inertia Analysis
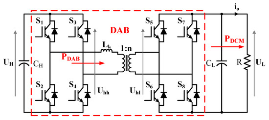
3.3. Dual Active Bridge-Based Power Feedforward Virtual Inertia Control Analysis
- (1)
- According to the variation power of the DC microgrid, the value of LVDC bus voltage can be obtained by using the virtual inertia and P/V droop control method in the block “DC Microgrid”.
- (2)
- In the block “Power Feedforward control”, the initial duty ratio ( and ) of the DAB converter is calculated by Equations (15) and (16).
- (3)
- According to the block “Minimum backflow power algorithm”, the initial duty ratios ( and ) are optimized. Then, the optimal combination ( and ) that can minimize the current stress of the converter at a certain power transmission can be obtained.
- (4)
- The optimized duty ratios ( and ) are transformed into the driving pulse acting on the DAB converter by the DPS.
4. Experimental Results and Analysis
4.1. AC/DC Converter Verification
4.2. Dual Active Bridge Converter Virtual Inertia-Based Power Feedforward Control Method Verification
4.3. Dual Active Bridge Converter Current/Switching Stress of the Switching Verification
5. Conclusions
Author Contributions
Acknowledgments
Conflicts of Interest
References
- Nejabatkhah, F.; Li, Y.W. Overview of Power Management Strategies of Hybrid AC/DC Microgrid. IEEE Trans. Power Electron. 2015, 30, 7072–7089. [Google Scholar] [CrossRef]
- Xia, Y.; Wei, W.; Yu, M.; Wang, X.; Peng, Y. Power Management for a Hybrid AC/DC Microgrid with Multiple Subgrids. IEEE Trans. Power Electron. 2018, 33, 3520–3533. [Google Scholar] [CrossRef]
- Li, Y.S.; Zhang, H.G.; Liang, X.D.; Huang, B.N. Event-triggered based distributed cooperative energy management for multi-energy systems. IEEE Trans. Ind. Inform. 2018. [Google Scholar] [CrossRef]
- Sun, Q.Y.; Zhang, Y.B.; He, H.B. A Novel Energy Function Based Stability Evaluation and Nonlinear Control for Energy Internet. IEEE Trans. Smart Grid 2017, 8, 1195–1210. [Google Scholar] [CrossRef]
- Sun, Q.Y.; Han, R.K.; Zhang, H.G.; Zhou, J.G.; Guerrero, J.M. A Multi-Agent-based Consensus Algorithm for Distributed Coordinated Control of Distributed Generators in the Energy Internet. IEEE Trans. Smart Grid 2015, 6, 3006–3019. [Google Scholar] [CrossRef]
- Guerrero, J.M.; Loh, P.C.; Lee, T.; Chandorkar, M. Advanced Control Architectures for Intelligent Microgrids—Part II: Power Quality, Energy Storage, and AC/DC Microgrids. IEEE Trans. Ind. Electron. 2013, 60, 1263–1270. [Google Scholar] [CrossRef]
- Chang, Y.C.; Chang, H.C.; Huang, C.Y. Design and Implementation of the Battery Energy Storage System in DC Micro-Grid Systems. Energies 2018, 11, 1566. [Google Scholar] [CrossRef]
- Wang, R.; Sun, Q.Y.; Cheng, Q.F.; Ma, D.Z. The Stability Analysis of a Multi-Port Single-Phase Solid-State Transformer in the Electromagnetic Timescale. Energies 2018, 11, 2250. [Google Scholar] [CrossRef]
- Rodrigues, W.A.; Oliveira, T.R.; Morais, L.M.F.; Rosa, A.H.R. Voltage and Power Balance Strategy without Communication for a Modular Solid State Transformer Based on Adaptive Droop Control. Energies 2018, 18, 1802. [Google Scholar] [CrossRef]
- Liserre, M.; Buticchi, G.; Andresen, M.; Carne, G.D.; Costa, L.F.; Zou, Z.X. The Smart Transformer: Impact on the Electric Grid and Technology Challenges. IEEE Ind. Electron. Mag. 2016, 10, 46–58. [Google Scholar] [CrossRef]
- Wang, L.; Zhang, D.L.; Wang, Y.; Wu, B.; Athab, H.S. Power and Voltage Balance Control of a Novel Three-Phase Solid-State Transformer Using Multilevel Cascaded H-Bridge Inverters for Microgrid Applications. IEEE Trans. Power Electron. 2016, 31, 3289–3301. [Google Scholar] [CrossRef]
- Huang, A.Q.; Crow, M.L.; Heydt, G.T.; Zheng, J.P.; Dale, S.J. The Future Renewable Electric Energy Delivery and Management (FREEDM) System: The Energy Internet. Proc. IEEE 2011, 99, 133–148. [Google Scholar] [CrossRef]
- Yu, X.W.; She, X.; Zhou, X.H.; Huang, A.Q. Power Management for DC Microgrid Enabled by Solid-State Transformer. IEEE Trans. Smart Grid 2014, 5, 954–965. [Google Scholar] [CrossRef]
- Yu, X.W.; She, X.; Ni, X.J.; Huang, A.Q. System Integration and Hierarchical Power Management Strategy for a Solid-State Transformer Interfaced Microgrid System. IEEE Trans. Power Electron. 2014, 29, 4414–4425. [Google Scholar] [CrossRef]
- Loh, P.C.; Li, D.; Chai, Y.K.; Blaabjerg, F. Autonomous Operation of Hybrid Microgrid With AC and DC Subgrids. IEEE Trans. Power Electron. 2013, 28, 2214–2223. [Google Scholar] [CrossRef]
- López, M.; Briz, F.; Saeed, M.; Arias, M.; Rodríguez, A. Comparative analysis of modular multiport power electronic transformer topologies. In Proceedings of the 2016 IEEE Energy Conversion Congress and Exposition (ECCE), Milwaukee, WI, USA, 18–22 September 2016; pp. 1–8. [Google Scholar]
- Wang, X.Y.; Liu, J.J.; Ouyang, S.D.; Xu, T.T.; Meng, F.; Song, S.G. Control and Experiment of an H-Bridge-Based Three-Phase Three-Stage Modular Power Electronic Transformer. IEEE Trans. Power Electron. 2016, 31, 2002–2011. [Google Scholar] [CrossRef]
- Shi, J.J.; Gou, W.; Yuan, H.; Zhao, T.F.; Huang, A.Q. Research on Voltage and Power Balance Control for Cascaded Modular Solid-State Transformer. IEEE Trans. Power Electron. 2011, 26, 1154–1166. [Google Scholar] [CrossRef]
- Zhao, T.F.; Wang, G.Y.; Bhattacharya, S.; Huang, A.Q. Voltage and Power Balance Control for a Cascaded H-Bridge Converter-Based Solid-State Transformer. IEEE Trans. Power Electron. 2013, 28, 1523–1532. [Google Scholar] [CrossRef]
- Pugliese, S.; Andresen, M.; Mastromauro, R.A.; Buticchi, G.; Stasi, S.; Liserre, M. A New Voltage Balancing Technique for a Three-Stage Modular Smart Transformer Interfacing a DC Multibus. IEEE Trans. Power Electron. 2018. [Google Scholar] [CrossRef]
- An, F.; Song, W.S.; Yu, B.; Yang, K.X. Model Predictive Control with Power Self-Balancing of the Output Parallel DAB DC–DC Converters in Power Electronic Traction Transformer. IEEE J. Emerg. Sel. Top. Power Electron. 2018, 6, 1806–1818. [Google Scholar] [CrossRef]
- Wang, R.; Sun, Q.Y.; Ma, D.Z.; Liu, Z.W. The Small-Signal Stability Analysis of the Droop-Controlled Converter in Electromagnetic Timescale. IEEE Trans. Sustain. Energy 2019. [Google Scholar] [CrossRef]
- Wu, W.H.; Chen, Y.D.; Luo, A.; Zhou, L.M.; Zhou, X.P.; Yang, L.; Dong, Y.T.; Guerrero, J.M. A Virtual Inertia Control Strategy for DC Microgrids Analogized With Virtual Synchronous Machines. IEEE Trans. Ind. Electron. 2017, 64, 6005–6016. [Google Scholar] [CrossRef]
- Vandoorn, T.L.; De Kooning, J.D.M.; Meersman, B.; Vandevelde, L. Improvement of active power sharing ratio of P/V droop controllers in low-voltage islanded microgrids. In Proceedings of the 2013 IEEE Power & Energy Society General Meeting, Vancouver, BC, Canada, 21–25 July 2013; pp. 1–5. [Google Scholar]
- Zhao, B.; Song, Q.; Liu, W.H. Efficiency Characterization and Optimization of Isolated Bidirectional DC–DC Converter Based on Dual-Phase-Shift Control for DC Distribution Application. IEEE Trans. Power Electron. 2013, 28, 1711–1727. [Google Scholar] [CrossRef]
- Hou, N.; Song, W.S.; Wu, M.Y. Minimum-current-stress scheme of dual active bridge DC-DC converter with unified phase-shift control. IEEE Trans. Power Electron. 2016, 31, 8552–8561. [Google Scholar] [CrossRef]
- Vladimir, B.; Vikram, K. A New Mathematical Model and Control of a Three-Phase AC–DC Voltage Source Converter. IEEE Trans. Power Electron. 1997, 12, 116–123. [Google Scholar]












| Parameter | Value | Parameter | Value |
|---|---|---|---|
| 10 kW | 400 V | ||
| 12 kW | 400 V | ||
| 220 V AC | 19.2 kHz | ||
| 1:1 | 3 mH | ||
| 1000 | 1 |
© 2019 by the authors. Licensee MDPI, Basel, Switzerland. This article is an open access article distributed under the terms and conditions of the Creative Commons Attribution (CC BY) license (http://creativecommons.org/licenses/by/4.0/).
Share and Cite
Li, Y.; Sun, Q.; Wang, D.; Lin, S. A Virtual Inertia-Based Power Feedforward Control Strategy for an Energy Router in a Direct Current Microgrid Application. Energies 2019, 12, 517. https://doi.org/10.3390/en12030517
Li Y, Sun Q, Wang D, Lin S. A Virtual Inertia-Based Power Feedforward Control Strategy for an Energy Router in a Direct Current Microgrid Application. Energies. 2019; 12(3):517. https://doi.org/10.3390/en12030517
Chicago/Turabian StyleLi, Yuyang, Qiuye Sun, Danlu Wang, and Sen Lin. 2019. "A Virtual Inertia-Based Power Feedforward Control Strategy for an Energy Router in a Direct Current Microgrid Application" Energies 12, no. 3: 517. https://doi.org/10.3390/en12030517
APA StyleLi, Y., Sun, Q., Wang, D., & Lin, S. (2019). A Virtual Inertia-Based Power Feedforward Control Strategy for an Energy Router in a Direct Current Microgrid Application. Energies, 12(3), 517. https://doi.org/10.3390/en12030517
