Analysis of Grid-Connected Photovoltaic Generation Systems in the Harmonic Domain
Abstract
1. Introduction
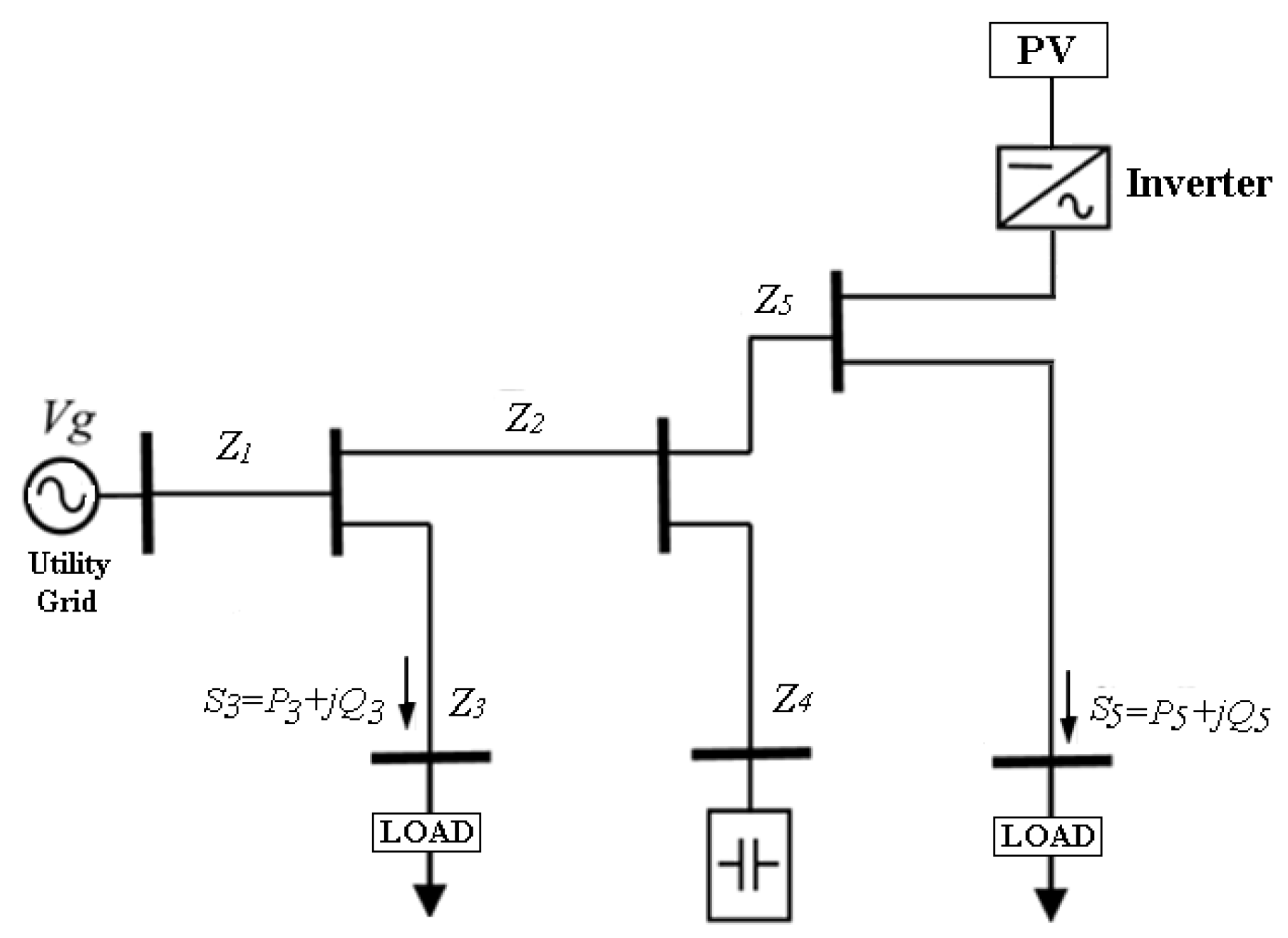
2. System Configuration
2.1. PV System Representation
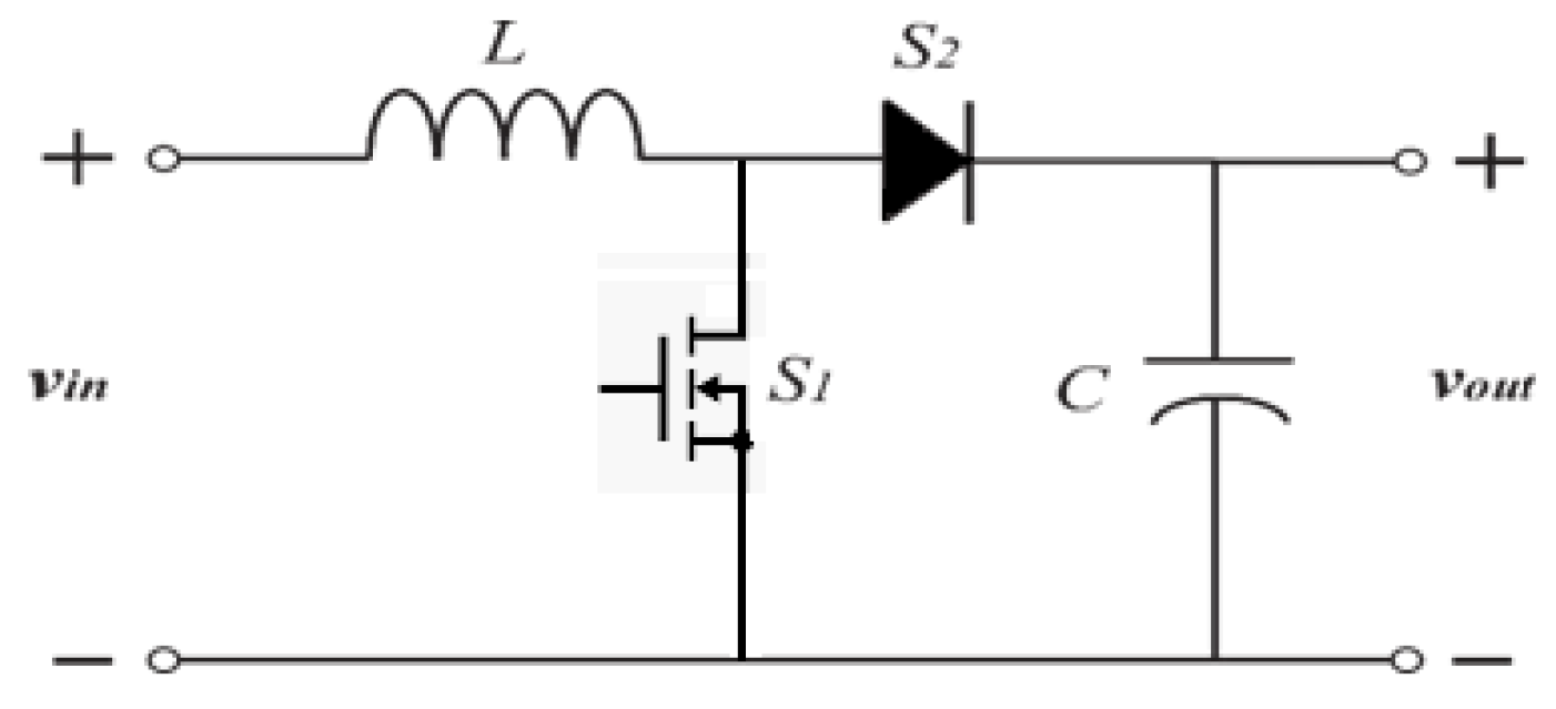
2.2. Boost Converter
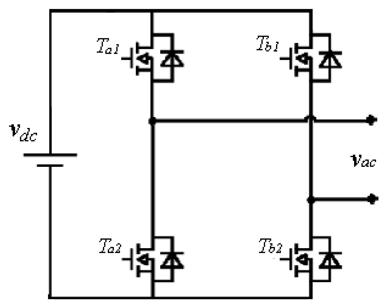
2.3. DC/AC Converter
3. State-Space Representation of the Grid-Connected PV Generation System
4. Harmonic Domain Model
5. Flowchart of HD Solution
6. Simulation Results
7. Conclusions
Author Contributions
Funding
Acknowledgments
Conflicts of Interest
Appendix A. Test Case Parameters
| PV Array at STC | ||
| 17 | Number of modules connected in series | |
| 2 | Number of modules connected in parallel | |
| 21.47 V | Open-circuit voltage per module | |
| 7.6 A | Short-circuit current per module | |
| 17.1 V | Voltage at MPP per module | |
| 7.1 A | Current at MPP per module | |
| 121.41 W | Maximum power per module | |
| 28 | Number of cells connected in series per module | |
| a | 1.3 | Ideality factor of diode |
| DC/DC Converter | ||
| 5500 μF | Capacitance | |
| L | 9 mH | Inductance |
| C | 2200 μF | Capacitance |
| 10 kHz | Switching Frequency | |
| DC/AC Converter | ||
| 25 kHz | Switching Frequency | |
| 0.9 | Modulation index | |
| Filter | ||
| 1 mΩ | Resistance | |
| 0.3 mH | Inductance | |
| 1 mΩ | Resistance | |
| 0.15 mH | Inductance | |
| 2 Ω | Resistance | |
| 2.2 μF | Capacitance | |
| Grid | ||
| 230 V | Voltage (RMS) | |
| 1 Ω | Resistance | |
| 33 Ω | Resistance | |
| 1 Ω | Resistance | |
| 33 Ω | Resistance | |
| 1 Ω | Resistance | |
| 1 mH | Inductance | |
| 0.17 H | Inductance | |
| 1 mH | Inductance | |
| 0.17 H | Inductance | |
| 1 mH | Inductance | |
| 220 μF | Capacitance | |
References
- Willis, H.L.; Scott, W.G. Distributed Power Generation: Planning and Evaluation, 1st ed.; CRC Press: New York, NY, USA, 2000. [Google Scholar]
- Bucher, M. Solarpark Ammerland, Oldenburg, Niedersachsen, Deutschland. Available online: www.martin-bucher.de (accessed on 2 February 2018).
- ESCO Pacific. Ross River Solar Farm, Queensland, Australia. Available online: www.rossriversolarfaarm.com.au (accessed on 9 February 2018).
- Eltawil, M.A.; Zhao, Z. Grid-connected photovoltaic power systems: Technical and potential problems—A review. Renew. Sustain. Energy Rev. 2010, 14, 112–129. [Google Scholar] [CrossRef]
- Kim, S.-K.; Jeon, J.-H.; Cho, C.-H.; Kim, E.-S.; Ahn, J.-B. Modeling and simulation of a grid-connected PV generation system for electromagnetic transient analysis. Sol. Energy 2009, 83, 664–678. [Google Scholar] [CrossRef]
- Perera, B.K.; Pulikanti, S.R.; Ciufo, P.; Perera, S. Simulation model of a grid-connected single-phase photovoltaic system in PSCAD/EMTDC. In Proceedings of the 2012 IEEE International Conference on Power System Technology (POWERCON), Auckland, New Zealand, 30 October–2 November 2012; pp. 1–6. [Google Scholar]
- Tan, Y.T.; Kirschen, D.; Jenkins, N. A Model of PV Generation Suitable for Stability Analysis. IEEE Trans. Energy Convers. 2004, 19, 748–755. [Google Scholar] [CrossRef]
- Chen, L.-R.; Tsai, C.-H.; Lin, Y.-L.; Lai, Y.-S. A Biological Swarm Chasing Algorithm for Tracking the PV Maximum Power Point. IEEE Trans. Energy Convers. 2010, 25, 484–493. [Google Scholar] [CrossRef]
- Ahmed, S.S.; Mohsin, M. Analytical Determination of the Control Parameters for a Large Photovoltaic Generator Embedded in a Grid System. IEEE Trans. Sustain. Energy 2010, 2, 122–130. [Google Scholar] [CrossRef]
- Li, W.; Gu, Y.; Luo, H.; Cui, W.; He, X.; Xia, C. Topology Review and Derivation Methodology of Single-Phase Transformerless Photovoltaic Inverters for Leakage Current Suppression. IEEE Trans. Ind. Electron. 2015, 62, 4537–4551. [Google Scholar] [CrossRef]
- Dommel, H.W.; Yan, A.; Wei, S. Harmonics from Transformer Saturation. IEEE Trans. Power Deliv. 1986, 1, 209–215. [Google Scholar] [CrossRef]
- Aprille, T.; Trick, T. A computer algorithm to determine the steady-state response of nonlinear oscillators. IEEE Trans. Circuit Theory 1972, 19, 354–360. [Google Scholar] [CrossRef]
- Semlyen, A.; Medina, A. Computation of the periodic steady state in systems with nonlinear components using a hybrid time and frequency domain methodology. IEEE Trans. Power Syst. 1995, 10, 1498–1504. [Google Scholar] [CrossRef]
- Parker, T.S.; Chua, L.O. Practical Numerical Algorithms for Chaotic Systems; Springer: New York, NY, USA, 1989. [Google Scholar]
- Medina, A.; Segundo, J.; Ribeiro, P.; Xu, W.; Lian, K.L.; Chang, G.W.; Dinavahi, V.; Watson, N.R. Harmonic Analysis in Frequency and Time Domain. IEEE Trans. Power Deliv. 2013, 28, 1813–1821. [Google Scholar] [CrossRef]
- Díaz-Araujo, M.; Medina, A.; Cisneros-Magaña, R.; Ramírez, A. Periodic Steady State Assessment of Microgrids with Photovoltaic Generation Using Limit Cycle Extrapolation and Cubic Splines. Energies 2018, 11, 2096. [Google Scholar] [CrossRef]
- Arrillaga, J.; Lisboa, M.; Cavia, M.; Medina, A.; Sanchez, P. The Harmonic Domain. A frame of reference for power system harmonic analysis. IEEE Trans. Power Syst. 1995, 10, 433–440. [Google Scholar] [CrossRef]
- Acha, E.; Madrigal, M. Power System Harmonics: Computer Modelling and Analysis; John Wiley & Sons: Hoboken, NJ, USA, 2001. [Google Scholar]
- Arrillaga, J.; Watson, N.R. Power System Harmonics; John Wiley & Sons: Hoboken, NJ, USA, 2003. [Google Scholar]
- Nduka, O.S.; Pal, B.C. Harmonic Domain Modeling of PV System for the Assessment of Grid Integration Impact. IEEE Trans. Sustain. Energy 2017, 8, 1154–1165. [Google Scholar] [CrossRef]
- Nduka, O.S.; Pal, B.C. Harmonic characterisation model of grid interactive photovoltaic systems. In Proceedings of the 2016 IEEE International Conference on Power System Technology (POWERCON), Wollongong, Australia, 28 September–1 October 2016; pp. 1–6. [Google Scholar]
- John, M.; Mertens, A. Harmonic domain model of an open-loop controlled pwm converter. Inform. Autom. Pomiary Gospod. Ochr. Środowiska 2018, 8, 25–29. [Google Scholar] [CrossRef]
- Du, Y.; Lu, D.D.-C.; Chu, G.M.L.; Xiao, W. Closed-Form Solution of Time-Varying Model and Its Applications for Output Current Harmonics in Two-Stage PV Inverter. IEEE Trans. Sustain. Energy 2014, 6, 142–150. [Google Scholar] [CrossRef]
- Du, Y.; Lu, D.D.-C.; James, G.; Cornforth, D.J. Modeling and analysis of current harmonic distortion from grid connected PV inverters under different operating conditions. Sol. Energy 2013, 94, 182–194. [Google Scholar] [CrossRef]
- IEEE Std 1547-2018—IEEE Standard for Interconnection and Interoperability of Distributed Energy Resources with Associated Electric Power Systems Interfaces; IEEE Standard 1547-2018; IEEE: Piscatway, NJ, USA, 2018. [CrossRef]
- Villalva, M.; Gazoli, J.; Filho, E. Comprehensive Approach to Modeling and Simulation of Photovoltaic Arrays. IEEE Trans. Power Electron. 2009, 24, 1198–1208. [Google Scholar] [CrossRef]
- Mohan, N.; Underland, T.M.; Robbins, W.P. Power Electronics: Converters, Applications, and Design, 3rd ed.; John Wiley & Sons: Hoboken, NJ, USA, 2001. [Google Scholar]
- Luo, F.L.; Ye, H. Advanced DC/DC Converters, 2nd ed.; CRC Press: Boca Raton, FL, USA, 2016. [Google Scholar]












| PSCAD/EMTDC | HD | ||
|---|---|---|---|
| THD in | 1.16% | 1.17% | |
| THD in | 5.27% | 5.29% | |
| P | 4.1350 kW | 4.1370 kW | Active power |
| PF | 0.8667 | 0.8669 | Power factor |
© 2019 by the authors. Licensee MDPI, Basel, Switzerland. This article is an open access article distributed under the terms and conditions of the Creative Commons Attribution (CC BY) license (http://creativecommons.org/licenses/by/4.0/).
Share and Cite
Díaz-Araujo, M.H.; Medina-Rios, A.; Madrigal-Martínez, M.; Cleary-Balderas, L.A. Analysis of Grid-Connected Photovoltaic Generation Systems in the Harmonic Domain. Energies 2019, 12, 4785. https://doi.org/10.3390/en12244785
Díaz-Araujo MH, Medina-Rios A, Madrigal-Martínez M, Cleary-Balderas LA. Analysis of Grid-Connected Photovoltaic Generation Systems in the Harmonic Domain. Energies. 2019; 12(24):4785. https://doi.org/10.3390/en12244785
Chicago/Turabian StyleDíaz-Araujo, Marcolino Humberto, Aurelio Medina-Rios, Manuel Madrigal-Martínez, and Luis Arthur Cleary-Balderas. 2019. "Analysis of Grid-Connected Photovoltaic Generation Systems in the Harmonic Domain" Energies 12, no. 24: 4785. https://doi.org/10.3390/en12244785
APA StyleDíaz-Araujo, M. H., Medina-Rios, A., Madrigal-Martínez, M., & Cleary-Balderas, L. A. (2019). Analysis of Grid-Connected Photovoltaic Generation Systems in the Harmonic Domain. Energies, 12(24), 4785. https://doi.org/10.3390/en12244785

