Solid-State Transformers in Locomotives Fed through AC Lines: A Review and Future Developments
Abstract
1. Introduction
- To supply the traction drive with a voltage furtherly lower than the voltage line (usually lower than 2 kV starting from 15 kV or 25 kV).
- To supply auxiliary services.
- To supply the conditioning system, which is fed at 1500 V if the line frequency is 50 Hz and at 1000 V if the line frequency is 16 2/3 Hz.
- To ensure galvanic insulation between the overhead line and vehicle equipment, mainly for safety reasons. Moreover, the transformer reduces also the effects of transient overvoltage, very frequent events in railway lines.
2. Power Electronic Transformer (PET)
- Line-frequency transformer.
- AC/DC bidirectional single-phase rectifier (Four Quadrant Converter, 4QC).
- L-C resonant filter.
- DC-link.
- Inverter.
- Motor (which can be either an Induction Motor, IM, or a Permanent Magnet Synchronous Motor, PMSM).
- AC, 25 kV, 50 Hz.
- AC, 15 kV, 16 2/3 Hz.
- DC, 1.5 Kv.
- DC, 3 kV.
- AC/AC input converter.
- AC/DC input converter.
- Input inductance (between the overhead line and the 1st stage).
- AC/AC (1st stage).
- Medium frequency transformer.
- AC/DC (2nd stage).
- Input inductance (between the overhead line and the 1st stage).
- AC/DC (1st stage).
- DC filter.
- DC/AC (2nd stage).
- Medium frequency transformer.
- AC/DC (3rd stage).
- Weight reduction (at least 50%, or, analogously, increasing the specific power at least to 1 kVA/kg).
- Volume reduction (at least from 30% to 50% less than line frequency transformer).
- Efficiency increase (at least 2–5%).
- Capability of supplying traction loads, auxiliary services, air conditioning, heating, etc.
- Capability of reconfiguration for multisystem power supply.
- Capability of delivering a stabilized DC-link voltage, independently from line voltage variations.
- Reversibility of the system to allow electrical braking with recovery on the supply line.
- High reliability.
- Simple cooling of semiconductors and medium frequency transformer.
- Capability of reconfiguration in case of failure.
- Easily maintainable and repairable.
- Easily controllable.
- Absence of noise and vibrations.
- Robustness.
- Capability of working in a temperature wide range.
- Low cost.
- Power electronics devices insulation (materials, shields, covers).
- Medium frequency, high power transformer.
- Development of power semiconductors specifically designed for soft-switching operation, with switching losses minimization at the expense of conduction losses, obtainable with particular treatments such as doping and irradiation [20].
- Gate driver powering when installed on system operating at medium voltage.
- Modular design of compact and lightweight building modules, Power Electronics Building Blocks (PEBB).
- Reliability of system with such a high number of semiconductor devices and gate drivers
- Strategies and hardware for control and diagnostics.
- Transient behavior in case of pantograph bouncing from the line (frequent event and lasting < 15 ms).
3. Review of Main Conversion Architectures
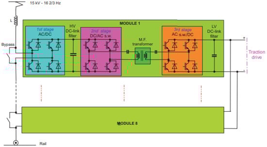
3.1. Alstom-SMA “eTransformer”
3.2. Bombardier Transportation “Medium Frequency Topology”
3.3. ABB First Converter Prototype
3.4. ABB Power Electronic Traction Transformer (PETT)
4. Bombardier and ABB AC-Link
- Higher range of output voltage.
- Primary winding switching losses reduction in a wide range of operation, thanks to Zero-Voltage Switching (ZVS).
- Low circulating energy and Zero-Current Switching (ZCS) in secondary side rectifier diodes.
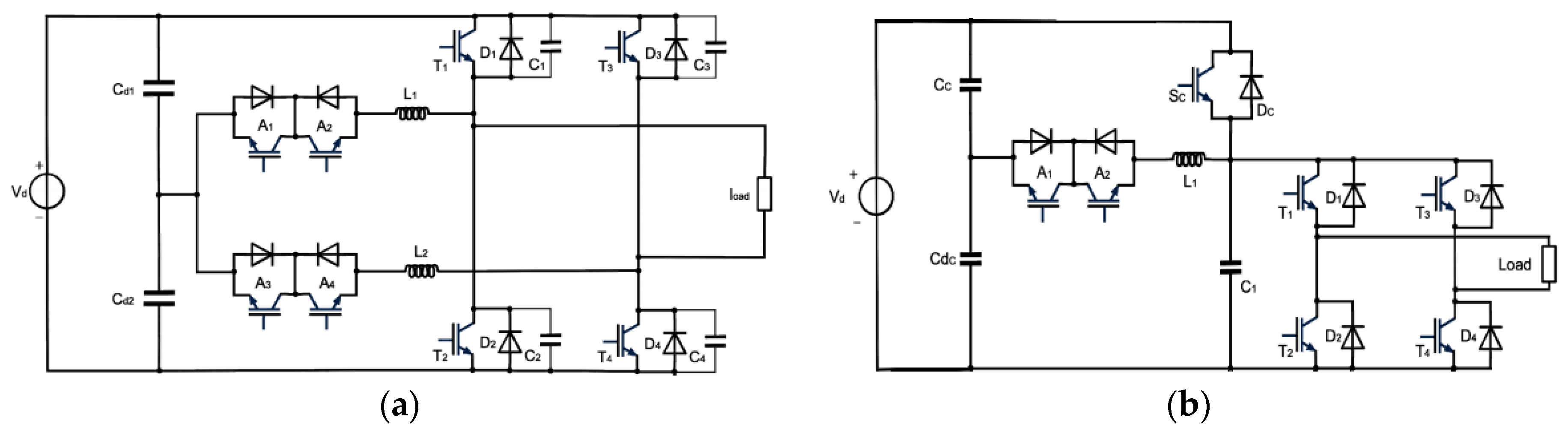
4.1. Bombardier Converter
4.2. ABB Power Electronic Traction Transformer
5. A New Conversion Architecture for PET Application: Modular Multilevel Converter (MMC)
- The research focuses mainly on new architectures. Other aspects like converter lay-out, converter on-board placement, cooling, converter management, failure modes etc., are neglected (except in ABB PETT, since a demonstrator was realized).
- The high number of requirements that a traction transformer should ensure is not always taken into account in the new conversion systems.
- The proposed topologies are inspired to solutions used in low power and low voltage applications.
- The medium frequency for the transformer is quite low, despite significantly higher than line frequency.
- All the solutions require a high number of semiconductor devices and of passive components. From this point of view, there are significant differences between the architectures but the high number of devices is a common feature.
- In some solutions, the total power is subdivided among various medium frequency transformers. This could be an advantage from a reliability point of view, but it implies problems related to dimensions, weight and layout (large number of electrical connections, of sensors, cooling connectors, etc.).
- All the solutions are extremely modular, in order to guarantee high reliability levels, even if with complex circuits and high number of devices.
- It is shown that soft-switching is necessary to increase the semiconductor maximum operating frequency, which is quite low. Indeed the optimal switching frequency for hard-switching operation of IGBTs used in railway rolling stock is about 600 Hz [72], which is too low for medium frequency transformer exploitation.
- In some studies, in particular in ABB PETT, the possibility of using IGBTs optimized for soft-switching operation is taken into account. The performance increase is obtained intervening in the device physical layout or with opportune treatments in the production process. The aim of switching losses reduction is indeed to increase the medium frequency value of the transformer.
- The high number of devices.
- The low frequency of the transformer.
- The use of modular and redundant structures (such as the use of various number of transformers and the use of three conversion stages). The complexity of modular and redundant structures is in contrast with the necessity of volumes reduction, since in addition to electrical connection, one has to take into account the insulation distance (since the line voltage is relatively high), the hydraulic connections for the cooling system, etc. The use of three stages instead of two stages is conceptually disadvantageous also from an efficiency point of view.
- The adaptation of schemes and circuits used in the low/medium power and low voltage may not be the optimal solution. It could be more opportune to base on schemes designed for high power—high voltage.
- The complexity of the converter involves high cost during the life cycle.
5.1. MMC Concept
- Conversion topology of proven validity, able to work at very high power and voltage (hundreds of kV and MW in HVDC applications).
- Highly modular, with identical and interchangeable submodules. The submodule includes 4 switches and a DC-link capacitor, which can assembled in a unique rack (Power Electronic Building Block—PEBB) that includes also the heat sink and the sensors. More submodules can be put side by side or on top of each, with a great exploitation of the available space.
- No need of low inductance connection between submodules.
- Only two stages, with benefits on the efficiency.
- Single medium frequency transformer.
- Flexible and intrinsically multisystem, thanks to the possibility of realizing different type of conversion just modifying the control.
- Perfectly reversible.
- Line current with low harmonic distortion.
- MMC allows different possibility of optimization, all of which obtainable just modifying the control but without intervention on hardware: switching losses reduction, line harmonics reduction, etc.
- Excellent static and dynamic behavior.
- No need of filter tuned at double line frequency: the converter can compensate the pulsation of the line power thanks to the energy stored in the submodules.
- Intrinsically fault tolerant.
- Simple interface with control electronic: gate-drivers can be supplied from the DC-link capacitor and the command signals are sent through fiber optic.
- High number of components. Using 3.3 kV switches and 940 µF–1900 V capacitors, with 12 submodules per each of the four arms, 192 switches (IGBT plus diode) and 48 capacitors are needed [75,76]. Using 6.5 kV IGBTs, 7 submodules can be sufficient thus 112 switches and 28 capacitors can be used, which is still a high number of devices. To this number of devices, components of 4QC should be added, thus the MMC solution has more components than the other solutions.
- Since the MMC works in hard-switching, the medium frequency is quite low (from hundreds of Hz to about 2 kHz).
- The control logic is quite complex.
- From an efficiency point of view, the comparison should be between the MMC + medium frequency transformer + 4QC and line frequency transformer + 4QC. In order to be more efficient, medium frequency transformer and MMC efficiency should be in the range of 98–99%. There is no experience with such a high power (about 5 MW) medium frequency transformer to determine the efficiency and, even if the MMC is very efficient, the target could be difficult to reach.
5.2. Soft-Switching MMC: Description and Waveform Simulation
- Increase in voltage/current stresses on the main converter power components, which in some cases can be quite high, more than 2 p.u.
- Not safe soft-switching operation, i.e., soft-switching depending on load current and other constraints.
- Impact of the soft-switching circuit with the overall operation of the converter.
- Inadequacy or only partial adequacy to the PWM modulation.
- Resonant switch: the resonant circuit is applied to each single switch.
- Resonant pole: the resonant circuit is applied to a branch of the module.
- Resonant link: the resonant circuit is applied to the DC-link of the module.
- ZVS both in turn-on and turn-off of the main devices (T1, T2, T3, T4) and ZCS or at least quasi-ZCS of the auxiliary devices of the resonant circuit.
- Oversizing of main devices is not necessary since there are not overvoltages and overcurrents.
- The output voltage and current waveforms are about the same as in hard-switching under same operating conditions. The only different is that the slope of the output voltage steps are less steep.
- dv/dt and di/dt on the main devices are lower than in hard-switching.
- Possibility of operating at high switching frequencies, from 10 kHz to 30 kHz with low losses [13].
- The resonant inductor may be designed with a small size, since it is subjected to a limited current stress (indeed it conducts only during the switching transient).
- Auxiliary switches are involved by same inductor current and they work in ZCS.
- Low losses on resonant circuit passive components.
- Fully controllable resonant soft switching process.
- High overall efficiency.
- Possible operation in full PWM.
5.3. Soft-Switching MMC: Losses Evaluation
6. Conclusions
Author Contributions
Funding
Conflicts of Interest
Nomenclature
| PET | Power Electronic Transformer | 
| SST | Solid State Transformer | 
| MMC | Modular Multilevel Converter | 
| IM | Induction Motor | 
| PMSM | Permanent Magnet Synchronous Motor | 
| 4QC | Four Quadrant Converter | 
| VSI | Voltage Source Inverter | 
| LF | Line Frequency | 
| MF | Medium Frequency | 
| Bo’Bo’ | 4-axles, 2-bogies, 4-motors Locomotive | 
| 2CS PET | Two Conversion Stage PET | 
| 3CS PET | Three Conversion Stage PET | 
| ZVS | Zero Voltage Switching | 
| ZCS | Zero Current Switching | 
| Iturn-OFF | Current during turn-off in ABB PETT | 
| PEBB | Power Electronics Building Blocks | 
| f0 | Resonant frequency associated to Ld | 
| fp | Resonant frequency associated to Lm | 
| Ld | Transformer leakage inductance | 
| Lm | Transformer magnetizing inductance | 
| Cr | Capacitance of the AC link | 
| SiC | Silicon Carbide | 
References
- Steimel, A. Electric Traction: Motive Power and Energy Supply; Division Deutscher Industrie Verlag: Munchen, Germany, 2014. [Google Scholar]
- Allenbach, J.-M.; Chapas, P.; Comte, M.; Kaller, R. Traction Électrique; PPUR Presses Polytechniques: Lausanne, Switzerland, 2008; Volume 1. [Google Scholar]
- Mermet-Guyennet, M. New power technologies for traction drives. In Proceedings of the SPEEDAM 2010, Pisa, Italy, 14–16 June 2010; pp. 719–723. [Google Scholar]
- Henning, U.; Schlosser, R.; Meinert, M. Supraleitende Transformatoren für elektrische Triebfahrzeuge. Zev Det Glas. Ann. Die Eisenb. 2002, 126, 86–92. [Google Scholar]
- Schlosser, R.; Schmidt, H.; Leghissa, M.; Meinert, M. Development of high-temperature superconducting transformers for railway applications. IEEE Trans. Appl. Supercond. 2003, 13, 2325–2330. [Google Scholar] [CrossRef]
- Meinert, M.; Leghissa, M.; Schlosser, R.; Schmidt, H. System test of a 1-MVA-HTS-transformer connected to a converter-fed drive for rail vehicles. IEEE Trans. Appl. Supercond. 2003, 13, 2348–2351. [Google Scholar] [CrossRef]
- Dieckerhoff, S.; Schäfer, U. Transformerless drive system for main line rail vehicle propulsion. In Proceedings of the 9th European Conference on Power Electronics and Applications (EPE’01), Graz, Austria, 27–29 August 2001. [Google Scholar]
- Dieckerhoff, S.; Bernet, S.; Krug, D. Evaluation of IGBT multilevel converters for transformerless traction applications. In Proceedings of the IEEE 34th Annual Conference on Power Electronics Specialist, PESC’03, Acapulco, Mexico, 15–19 June 2003; pp. 1757–1763. [Google Scholar]
- Steiner, M.; Deplazes, R.; Stemmler, H. A new transformerless topology for AC-fed traction vehicles using multi-star induction motors. EPE J. 2000, 10, 45–53. [Google Scholar] [CrossRef]
- Rufer, A.; Schibli, N.; Briguet, C. A direct coupled 4-quadrant multilevel converter for 16 2/3 Hz traction systems. In Proceedings of the 1996 Sixth International Conference on Power Electronics and Variable Speed Drives (Conf. Publ. No. 429), Nottingham, UK, 23–25 September 1996; pp. 448–453. [Google Scholar]
- Schibli, N.; Rufer, A. Single-and Three Phased Multilevel Converters for Traction Systems 50Hz/16 2/3 Hz. In Proceedings of the European Conference on Power Electronics and Applications, Trondheim, Norway, 8–10 September 1997. [Google Scholar]
- Engel, B.; Victor, M.; Bachmann, G.; Falk, A. 15 kV/16.7 Hz energy supply system with medium frequency transformer and 6.5 kV IGBTs in resonant operation. In Proceedings of the 10th European Conference on Power Electronics and Applications, EPE 2003, Toulouse, France, 2-4 September 2003; pp. 2–4. [Google Scholar]
- Glinka, M.; Marquardt, R. A new single phase AC/AC-multilevel converter for traction vehicles operating on AC line voltage. EPE J. 2004, 14, 7–12. [Google Scholar] [CrossRef]
- Steiner, M.; Reinold, H. Medium frequency topology in railway applications. In Proceedings of the 2007 European Conference on Power Electronics and Applications, Aalborg, Denmark, 2–5 September 2007; pp. 1–10. [Google Scholar]
- Hugo, N.; Stefanutti, P.; Pellerin, M.; Akdag, A. Power electronics traction transformer. In Proceedings of the 2007 European Conference on Power Electronics and Applications, Aalborg, Denmark, 2–5 September 2007; pp. 1–10. [Google Scholar]
- Weigel, J.; Ag, A.N.S.; Hoffmann, H. High voltage IGBTs in medium frequency traction power supply. In Proceedings of the 2009 13th European Conference on Power Electronics and Applications, Barcelona, Spain, 8–10 September 2009; pp. 1–10. [Google Scholar]
- Casarin, J.; Ladoux, P.; Chauchat, B.; Dedecius, D.; Laugt, E. Evaluation of high voltage SiC diodes in a medium frequency AC/DC converter for railway traction. In Proceedings of the International Symposium on Power Electronics Power Electronics, Electrical Drives, Automation and Motion, Sorrento, Italy, 20–22 June 2012; pp. 1182–1186. [Google Scholar]
- Das, M.K.; Capell, C.; Grider, D.E.; Leslie, S.; Ostop, J.; Raju, R.; Schutten, M.; Nasadoski, J.; Hefner, A. 10 kV, 120 A SiC half H-bridge power MOSFET modules suitable for high frequency, medium voltage applications. In Proceedings of the 2011 IEEE Energy Conversion Congress and Exposition, Phoenix, AZ, USA, 17–22 September 2011; pp. 2689–2692. [Google Scholar]
- Zhao, C.; Lewdeni-Schmid, S.; Steinke, J.K.; Weiss, M.; Chaudhuri, T.; Pellerin, M.; Duron, J.; Stefanutti, P. Design, implementation and performance of a modular power electronic transformer (PET) for railway application. In Proceedings of the 2011 14th European Conference on Power Electronics and Applications, Birmingham, UK, 30 August–1 September 2011; pp. 1–10. [Google Scholar]
- Dujic, D.; Steinke, G.K.; Bellini, M.; Rahimo, M.; Storasta, L.; Steinke, J.K. Characterization of 6.5 kV IGBTs for high-power medium-frequency soft-switched applications. IEEE Trans. Power Electron. 2013, 29, 906–919. [Google Scholar] [CrossRef]
- Behmann, U. Erster Mittelfrequenz-Traktionstransformator im Betriebs-Einsatz. eb 2012, 110, 408–413. [Google Scholar]
- Dujic, D. Power electronic transformer for railway on-board applications—An overview. In Proceedings of the 7th International Power Electronics and Motion Control (PEMC), Harbin, China, 2–5 June 2012. [Google Scholar]
- Dujic, D.; Mester, A.; Chaudhuri, T.; Coccia, A.; Canales, F.; Steinke, J.K. Laboratory scale prototype of a power electronic transformer for traction applications. In Proceedings of the 2011 14th European Conference on Power Electronics and Applications, Birmingham, UK, 30 August–1 September 2011; pp. 1–10. [Google Scholar]
- Dujic, D.; Lewdeni-Schmid, S.; Mester, A.; Zhao, C.; Weiss, M.; Steinke, J.; Pellerin, M.; Chaudhuri, T. Experimental Characterization of LLC Resonant DC/DC Converter for Medium Voltage Applications. In Proceedings of the 2015 International Conference on Electrical Systems for Aircraft, Railway, Ship Propulsion and Road Vehicles (ESARS), Aachen, Germany, 3–5 March 2015; pp. 1–6. [Google Scholar]
- Casarin, J.; Ladoux, P.; Lasserre, P. 10kV SiC MOSFETs versus 6.5kV Si-IGBTs for medium frequency transformer application in railway traction. In Proceedings of the 2015 International Conference on Electrical Systems for Aircraft, Railway, Ship Propulsion and Road Vehicles (ESARS), Aachen, Germany, 3–5 March 2015; pp. 1–6. [Google Scholar]
- Wang, G. Design, Development and Control of >13 kV Silicon-Carbide MOSFET Based Solid State Transformer (SST). Ph.D. Thesis, North Carolina State University, Raleigh, NC, USA, 20 August 2013. [Google Scholar]
- Kadavelugu, A.; Bhattacharya, S.; Ryu, S.-H.; Van Brunt, E.; Grider, D.; Leslie, S. Experimental switching frequency limits of 15 kV SiC N-IGBT module. In Proceedings of the 2014 International Power Electronics Conference (IPEC-Hiroshima 2014-ECCE ASIA), Hiroshima, Japan, 18–21 May 2014; pp. 3726–3733. [Google Scholar]
- John, N.; James, J.; Koshy, D.E. The Concept of Power Electronic Traction Transformer For Indian Railway. In Proceedings of the 2018 International Conference on Control, Power, Communication and Computing Technologies (ICCPCCT), Kannur, India, 23–24 March 2018; pp. 340–346. [Google Scholar]
- Vladimir, B.; Iurie, E.; Sergiu, I. SST Medium Voltage Transformer with Bidirectional Power Transmission for Electric Railway Transport. In Proceedings of the 2018 International Conference on Applied and Theoretical Electricity (ICATE), Craiova, Romania, 4–6 October 2018; pp. 1–6. [Google Scholar]
- Oliveira, D.S.; Honório, D.d.A.; Barreto, L.H.S.; Praça, P.P.; Kunzea, A.; Carvalho, S. A two-stage AC/DC SST based on modular multilevel converterfeasible to AC railway systems. In Proceedings of the 2014 IEEE Applied Power Electronics Conference and Exposition-APEC 2014, Fort Worth, TX, USA, 16–20 March 2014; pp. 1894–1901. [Google Scholar]
- Stackler, C.; Morel, F.; Ladoux, P.; Fouineau, A.; Wallart, F.; Evans, N. Optimal sizing of a power electronic traction transformer for railway applications. In Proceedings of the IECON 2018—44th Annual Conference of the IEEE Industrial Electronics Society, Washington, DC, USA, 21–23 October 2018; pp. 1380–1387. [Google Scholar]
- Niyitegeka, G.; Park, J.; Cho, G.; Park, G.; Choi, J. Control Algorithm Design and Implementation of Solid State Transformer. In Proceedings of the 2019 10th International Conference on Power Electronics and ECCE Asia (ICPE 2019-ECCE Asia), Busan, Korea, 27–30 May 2019; pp. 2052–2058. [Google Scholar]
- Ronanki, D.; Williamson, S.S. Topological Overview on Solid-state Transformer Traction Technology in High-speed Trains. In Proceedings of the 2018 IEEE Transportation Electrification Conference and Expo (ITEC), Long Beach, CA, USA, 13–15 June 2018; pp. 32–37. [Google Scholar]
- Feng, J.; Chu, W.; Zhang, Z.; Zhu, Z. Power electronic transformer-based railway traction systems: Challenges and opportunities. IEEE J. Emerg. Sel. Top. Power Electron. 2017, 5, 1237–1253. [Google Scholar] [CrossRef]
- Yao, R.; Zheng, Z. Design and control of a SiC-based three-stage AC to DC power electronic transformer for electric traction applications. J. Eng. 2018, 2019, 2947–2952. [Google Scholar] [CrossRef]
- Ronanki, D.; Williamson, S.S. Evolution of power converter topologies and technical considerations of power electronic transformer-based rolling stock architectures. IEEE Trans. Transp. Electrif. 2017, 4, 211–219. [Google Scholar] [CrossRef]
- Yun, C.-g.; Cho, Y. Active Hybrid Solid State Transformer Based on Multi-Level Converter Using SiC MOSFET. Energies 2018, 12, 66. [Google Scholar] [CrossRef]
- Yun, H.-J.; Kim, H.-S.; Kim, M.; Baek, J.-W.; Kim, H.-J. A DAB Converter with Common-Point-Connected Winding Transformers Suitable for a Single-Phase 5-Level SST System. Energies 2018, 11, 928. [Google Scholar] [CrossRef]
- Wang, R.; Sun, Q.; Cheng, Q.; Ma, D. The Stability Analysis of a Multi-Port Single-Phase Solid-State Transformer in the Electromagnetic Timescale. Energies 2018, 11, 2250. [Google Scholar] [CrossRef]
- Rodrigues, W.A.; Oliveira, T.R.; Morais, L.M.F.; Rosa, A.H.R. Voltage and Power Balance Strategy without Communication for a Modular Solid State Transformer Based on Adaptive Droop Control. Energies 2018, 11, 1802. [Google Scholar] [CrossRef]
- Montoya, R.J.G.; Mallela, A.; Balda, J.C. An evaluation of selected solid-state transformer topologies for electric distribution systems. In Proceedings of the 2015 IEEE Applied Power Electronics Conference and Exposition (APEC), An evaluation of Selected Solid-State Transformer Topologies for Electric Distribution Systems, Charlotte, NC, USA, 15–19 March 2015; pp. 1022–1029. [Google Scholar]
- Farnesi, S.; Marchesoni, M.; Passalacqua, M.; Vaccaro, L. Soft-Switching Power Converters for Efficient Grid Applications. In Proceedings of the 19th EEEIC International Conference on Environment and Electrical Engineering, Genova, Italy, 11–14 June 2019. [Google Scholar]
- Zeng, Y.; Zou, G.; Wei, X.; Sun, C.; Jiang, L. A Novel Protection and Location Scheme for Pole-to-Pole Fault in MMC-MVDC Distribution Grid. Energies 2018, 11, 2076. [Google Scholar] [CrossRef]
- Kolar, J.W.; Ortiz, G. Solid state transformer concepts in traction and smart grid applications. In Proceedings of the Tutorial 15th International Power Electronics and Motion Control Conference (ECCE Europe), Novi Sad, Serbia, 4–6 September 2012. [Google Scholar]
- Railway Handbook 2017. Energy Consuption and CO2 Emissions. International Energy Agency (IEA). Available online: https://uic.org/IMG/pdf/handbook_iea-uic_2017_web3.pdf (accessed on 3 December 2019).
- Marchesoni, M.; Savio, S. Reliability analysis of a fuel cell electric city car. In Proceedings of the 2005 European Conference on Power Electronics and Applications, Toulouse, France, 11–14 September 2005; p. 10. [Google Scholar]
- Marchesoni, M.; Vaccaro, L. Extending the operating range in diode-clamped multilevel inverters with active front ends. In Proceedings of the 2012 IEEE International Energy Conference and Exhibition (ENERGYCON), Florence, Italy, 9–12 September 2012; pp. 63–68. [Google Scholar]
- Fazio, P.; Maragliano, G.; Marchesoni, M.; Vaccaro, L. A new capacitor balancing technique in Diode-Clamped Multilevel Converters with Active Front End for extended operation range. In Proceedings of the 2011 14th European Conference on Power Electronics and Applications, Birmingham, UK, 30 August–1 September 2011; pp. 1–10. [Google Scholar]
- Marchesoni, M.; Vaccaro, L. Operating limits in multilevel MPC inverters with active front ends. In Proceedings of the SPEEDAM, Pisa, Italy, 14–19 June 2010; pp. 192–197. [Google Scholar]
- Carpaneto, M.; Marchesoni, M.; Vaccaro, L. A new cascaded multilevel converter based on NPC cells. In Proceedings of the 2007 IEEE International Symposium on Industrial Electronics, Vigo, Spain, 4–7 June 2007; pp. 1033–1038. [Google Scholar]
- Leskovar, S.; Marchesoni, M. Control techniques for dc-link voltage ripples minimization in cascaded multilevel converter structures. In Proceedings of the 11th European Conference on Power Electronics and Applications EPE 2005, Dresden, Germany, 11–14 September 2005. [Google Scholar] [CrossRef]
- Carpaneto, M.; Maragliano, G.; Marchesoni, M.; Vaccaro, L.R. A Novel approach for DC-link voltage ripple reduction in cascaded multilevel converters. In Proceedings of the International Symposium on Power Electronics, Electrical Drives, Automation and Motion SPEEDAM 2006, Taormina, Italy, 23–26 May 2006; pp. 571–576. [Google Scholar]
- Maragliano, G.; Carpita, M.; Kissling, S.; Marchesoni, M.; Passalacqua, M.; Pidancier, T.; Vaccaro, F.; Vaccaro, L. A New Common Mode Voltage Reduction Method In A Generalized Space Vector Modulator For Cascaded Multilevel Converters. In Proceedings of the 21st Conference and Exhibition on Power Electronics and Applications EPE’19, Genova, Italy, 3–5 September 2019. [Google Scholar]
- Farnesi, S.; Marchesoni, M.; Passalacqua, M.; Vaccaro, L. Soft-switching cells for Modular Multilevel Converters for efficient grid integration of renewable sources. AIMS Energy 2019, 7, 246–263. [Google Scholar] [CrossRef]
- Xing, Z.; Ruan, X.; You, H.; Yang, X.; Yao, D.; Yuan, C. Soft-Switching Operation of Isolated Modular DC/DC Converters for Application in HVDC Grids. IEEE Trans. Power Electron. 2016, 31, 2753–2766. [Google Scholar] [CrossRef]
- Zhang, J.; Zheng, T.Q.; Yang, X.; Wang, M. Single resonant cell based multilevel soft-switching DC-DC converter for medium voltage conversion. In Proceedings of the 2016 IEEE Energy Conversion Congress and Exposition (ECCE), Milwaukee, WI, USA, 18–22 September 2016; pp. 1–5. [Google Scholar]
- Moosavi, M.; Toliyat, H.A. A Multicell Cascaded High-Frequency Link Inverter With Soft Switching and Isolation. IEEE Trans. Ind. Electron. 2019, 66, 2518–2528. [Google Scholar] [CrossRef]
- Matsumura, K.; Koizumi, H. Interleaved soft-switching multilevel boost converter. In Proceedings of the IECON 2013—39th Annual Conference of the IEEE Industrial Electronics Society, 10–13 November 2013; pp. 936–941. [Google Scholar]
- Cui, S.; Soltau, N.; Doncker, R.W.D. A High Step-Up Ratio Soft-Switching DC–DC Converter for Interconnection of MVDC and HVDC Grids. IEEE Trans. Power Electron. 2018, 33, 2986–3001. [Google Scholar] [CrossRef]
- Xue, S.; Lu, J.; Liu, C.; Sun, Y.; Liu, B.; Gu, C. A Novel Single-Terminal Fault Location Method for AC Transmission Lines in a MMC-HVDC-Based AC/DC Hybrid System. Energies 2018, 11, 2066. [Google Scholar] [CrossRef]
- Correa, P.; Pacas, M.; Rodriguez, J. Modulation strategies for fault-tolerant operation of H-bridge multilevel inverters. In Proceedings of the 2006 IEEE International Symposium on Industrial Electronics, Montreal, QC, Canada, 9–13 July 2006; pp. 1589–1594. [Google Scholar]
- Zhu, Q.; Dai, W.; Guan, L.; Tan, X.; Li, Z.; Xie, D. A Fault-Tolerant Control Strategy of Modular Multilevel Converter with Sub-Module Faults Based on Neutral Point Compound Shift. Energies 2019, 12, 876. [Google Scholar] [CrossRef]
- Li, J.; Yin, J. Fault-Tolerant Control Strategies and Capability without Redundant Sub-Modules in Modular Multilevel Converters. Energies 2019, 12, 1726. [Google Scholar] [CrossRef]
- Li, K.; Yuan, L.; Zhao, Z.; Lu, S.; Zhang, Y. Fault-Tolerant Control of MMC With Hot Reserved Submodules Based on Carrier Phase Shift Modulation. IEEE Trans. Power Electron. 2017, 32, 6778–6791. [Google Scholar] [CrossRef]
- Farnesi, S.; Fazio, P.; Marchesoni, M. A new fault tolerant NPC converter system for high power induction motor drives. In Proceedings of the SDEMPED 2011—8th IEEE Symposium on Diagnostics for Electrical Machines, Power Electronics and Drives, Bologna, Italy, 5–8 September 2011; pp. 337–343. [Google Scholar] [CrossRef]
- Fazio, P.; Maragliano, G.; Marchesoni, M.; Parodi, G. A new fault detection method for NPC converters. In Proceedings of the 2011 14th European Conference on Power Electronics and Applications, EPE 2011, Birmingham, UK, 30 August–1 September 2011; pp. 1–10. [Google Scholar]
- Bordignon, P.; Carpaneto, M.; Marchesoni, M.; Tenca, P. Faults analysis and remedial strategies in high power neutral point clamped converters. In Proceedings of the PESC Record—IEEE Annual Power Electronics Specialists Conference, Rhodes, Greece, 15–19 June 2008; pp. 2778–2783. [Google Scholar] [CrossRef]
- Fazio, P.; Marchesoni, M.; Parodi, G. Fault detection and reconfiguration strategy for ANPC converters. In Proceedings of the 15th International Power Electronics and Motion Control Conference and Exposition, EPE-PEMC 2012 ECCE Europe, Novi Sad, Serbia, 4–6 September 2012; pp. 171–175. [Google Scholar] [CrossRef]
- Rufer, A.; Schibli, N.; Chabert, C.; Zimmermann, C. Configurable front-end converters for multicurrent locomotives operated on 16 2/3 Hz AC and 3 kV DC systems. IEEE Trans. Power Electron. 2003, 18, 1186–1193. [Google Scholar] [CrossRef]
- Mohan, N.; Undeland, T.M. Power Electronics: Converters, Applications, and Design; John Wiley & Sons: Hoboken, NJ, USA, 2007. [Google Scholar]
- Bühler, H. Convertisseurs Statiques; PPUR Presses Polytechniques: Lausanne, Switzerland, 1991. [Google Scholar]
- Frugier, D.; Coquery, G.; Jeunesse, A. Mise in Oeuvre des IGBT sur les Materiel Roulants Ferroviaires de la SNCF. Revue Générale des Chemins de Fer, Parte I –II; Éditions RGRA: Paris, France, 2016. [Google Scholar]
- Marquardt, R. A new modular voltage source inverter topology. In Proceedings of the 10th European Conference on Power Electronics and Applications, EPE 2003, Toulouse, France, 2–4 September 2003. [Google Scholar]
- Glinka, M. Prototype of multiphase modular-multilevel-converter with 2 MW power rating and 17-level-output-voltage. In Proceedings of the 2004 IEEE 35th Annual Power Electronics Specialists Conference (IEEE Cat. No. 04CH37551), Aachen, Germany, 20–25 June 2004; pp. 2572–2576. [Google Scholar] [CrossRef]
- Glinka, M.; Marquardt, R. A new AC/AC-multilevel converter family applied to a single-phase converter. In Proceedings of the Fifth International Conference on Power Electronics and Drive Systems, PEDS 2003, Singapore, 17–20 November 2003; pp. 16–23. [Google Scholar] [CrossRef]
- Glinka, M.; Marquardt, R. A new AC/AC multilevel converter family. IEEE Trans. Ind. Electron. 2005, 52, 662–669. [Google Scholar] [CrossRef]
- Ishfaq, M.; Uddin, W.; Zeb, K.; Khan, I.; Ul Islam, S.; Adil Khan, M.; Kim, H.J. A New Adaptive Approach to Control Circulating and Output Current of Modular Multilevel Converter. Energies 2019, 12, 1118. [Google Scholar] [CrossRef]
- Martinez-Rodrigo, F.; Ramirez, D.; Rey-Boue, A.B.; De Pablo, S.; Herrero-de Lucas, L.C. Modular Multilevel Converters: Control and Applications. Energies 2017, 10, 1709. [Google Scholar] [CrossRef]
- Wu, Z.; Chu, J.; Gu, W.; Huang, Q.; Chen, L.; Yuan, X. Hybrid Modulated Model Predictive Control in a Modular Multilevel Converter for Multi-Terminal Direct Current Systems. Energies 2018, 11, 1861. [Google Scholar] [CrossRef]
- Liu, Z.; Li, K.; Sun, Y.; Wang, J.; Wang, Z.; Sun, K.; Wang, M. A Steady-State Analysis Method for Modular Multilevel Converters Connected to Permanent Magnet Synchronous Generator-Based Wind Energy Conversion Systems. Energies 2018, 11, 461. [Google Scholar] [CrossRef]
- Marchesoni, M.; Vaccaro, L. Study of the MMC circulating current for optimal operation mode in HVDC applications. In Proceedings of the 2015 17th European Conference on Power Electronics and Applications (EPE’15 ECCE-Europe), Geneva, Switzerland, 8–10 September 2015; pp. 1–10. [Google Scholar]
- Farnesi, S.; Marchesoni, M.; Vaccaro, L. Reliability improvement of Modular Multilevel Converter in HVDC systems. In Proceedings of the 2016 Power Systems Computation Conference (PSCC), Genoa, Italy, 20–24 June 2016; pp. 1–7. [Google Scholar]
- Maragliano, G.; Marchesoni, M.; Vaccaro, L. Optimal operation mode for Modular Multilevel Converter based HVDC. In Proceedings of the 2014 International Symposium on Power Electronics, Electrical Drives, Automation and Motion, Ischia, Italy, 18–20 June 2014; pp. 784–789. [Google Scholar] [CrossRef]
- Bordignon, P.; Marchesoni, M.; Parodi, G.; Vaccaro, L. Modular multilevel converter in HVDC systems under fault conditions. In Proceedings of the 2013 15th European Conference on Power Electronics and Applications (EPE), Lille, France, 2–6 September 2013; pp. 1–10. [Google Scholar]
- Marchesoni, M.; Passalacqua, M.; Vaccaro, L.; Carpita, M.; Gavin, S.; Kissling, S. Capacitor Voltage Ripple Minimization in Voltage Source Converter for HVDC Applications. In Proceedings of the 2019 AEIT HVDC International Conference (AEIT HVDC), Florence, Italy, 9–10 May 2019; pp. 1–6. [Google Scholar] [CrossRef]
- Acharya, A.B.; Ricco, M.; Sera, D.; Teodorescu, R.; Norum, L.E. Arm Power Control of the Modular Multilevel Converter in Photovoltaic Applications. Energies 2019, 12, 1620. [Google Scholar] [CrossRef]
- McLyman, C.W.T. Magnetic Core Selection for Transformers and Inductors: A User’s Guide to Practice and Specifications; CRC Press: Boca Raton, FL, USA, 2018. [Google Scholar]
- Dujic, D.; Kieferndorf, F.; Canales, F. Power electronic transformer technology for traction applications—An overview. Electronics 2012, 16, 50–56. [Google Scholar] [CrossRef]
- Narayanan, P.T.R.; Balamurugan, R. An efficient active clamp resonant DC link for BLDCM drive system. In Proceedings of the IEEE-International Conference On Advances In Proceedings of the Engineering, Science And Management (ICAESM-2012), Tamil Nadu, India, 30–31 March 2012; pp. 709–714. [Google Scholar]
- Cuzner, R.M.; Abel, J.; Luckjiff, G.A.; Wallace, I. Evaluation of actively clamped resonant link inverter for low-output harmonic distortion high-power-density power converters. IEEE Trans. Ind. Appl. 2001, 37, 847–855. [Google Scholar] [CrossRef]
- Nakaoka, M.; Yonemori, H.; Yurugi, K. Zero-voltage soft-switched PDM three phase AC-DC active power converter operating at unity power factor and sinewave line current. In Proceedings of the IEEE Power Electronics Specialist Conference—PESC ‘93, Seattle, WA, USA, 20–24 June 1993; pp. 787–794. [Google Scholar] [CrossRef]
- Katsutoshi, Y.; Hideo, Y.; Mutsuo, N. Zero-voltage soft-switching discrete pulse modulated three-phase AC-DC power converter with an active filtering function and its extended application. In Proceedings of the 15th International Telecommunications Energy Conference, Paris, France, 27–30 September 1993; Volume 392, pp. 392–399. [Google Scholar] [CrossRef]
- Miyagawa, K.; Nakaoka, M.; Ogino, Y.; Murakami, Y.; Hayashi, K. Space-vector controlled soft-switching three-phase PDM AC/DC converter with unity power factor and sinusoidal line current. In Proceedings of the 1992 International Conference on Industrial Electronics, Control, Instrumentation, and Automation, San Diego, CA, USA, 13 November 1992; Volume 201, pp. 209–216. [Google Scholar] [CrossRef]
- Yurugi, K.; Muneto, K.; Yonemori, H.; Nakaoka, M. New space-vector controlled soft-switching three-phase PDM AC/DC converter with unity power factor and sinusoidal line current shaping functions. In Proceedings of the Fourteenth International Telecommunications Energy Conference—INTELEC ‘92, Washington, DC, USA, 4–8 October 1992; pp. 286–293. [Google Scholar] [CrossRef]
- Divan, D.M.; Skibinski, G. Zero-switching-loss inverters for high-power applications. IEEE Trans. Ind. Appl. 1989, 25, 634–643. [Google Scholar] [CrossRef]
- Malesani, L.; Tomasin, P.; Toigo, V. Space vector control and current harmonics in quasi-resonant soft-switching PWM conversion. IEEE Trans. Ind. Appl. 1996, 32, 269–278. [Google Scholar] [CrossRef]
- Shukla, J.; Fernandes, B.G. Quasi-resonant dc-link soft-switching PWM inverter with active feedback clamp circuit for motor drive applications. IEE Proc. Electr. Power Appl. 2006, 153, 75–82. [Google Scholar] [CrossRef]
- Shaotang, C.; Lipo, T.A. A novel soft-switched PWM inverter for AC motor drives. IEEE Trans. Power Electron. 1996, 11, 653–659. [Google Scholar] [CrossRef]
- Jafar, J.J.; Fernandes, B.G. A new quasi-resonant DC-link PWM inverter using single switch for soft switching. IEEE Trans. Power Electron. 2002, 17, 1010–1016. [Google Scholar] [CrossRef]
- Kedarisetti, J.; Mutschler, P. A Motor-Friendly Quasi-Resonant DC-Link Inverter With Lossless Variable Zero-Voltage Duration. IEEE Trans. Power Electron. 2012, 27, 2613–2622. [Google Scholar] [CrossRef]
- Reinold, H. Characterization of semiconductor losses in series resonant DC-DC converters for high power applications using transformers with low leakage inductance. In Proceedings of the 8th European Power Electron and Appl. Conf. Epe’99, Lausanne, Switzerland, 7–9 September 1999; pp. 1–10. [Google Scholar]
- Reinold, H.; Flerlage, H.; Hartung, G.; Magin, O. Medium Frequency Technology in Auxiliary Power Converter for Traction Applications. Available online: http://www.railway-research.org/IMG/pdf/224.pdf (accessed on 8 December 2019).
- Ladoux, P.; Mermet, M.; Casarin, J.; Fabre, J. Outlook for SiC devices in traction converters. In Proceedings of the 2012 Electrical Systems for Aircraft, Railway and Ship Propulsion, Bologna, Italy, 16–18 Octorber 2012; pp. 1–6. [Google Scholar]
- Pfisterer, H.; Spath, H. Switching behaviour of an auxiliary resonant commutated pole (ARCP) converter. In Proceedings of the 7th IEEE International Power Electronics Congress Technical Proceedings CIEP 2000 (Cat. No.00TH8529), Mexico, Mexico, 15–19 October 2000; pp. 359–364. [Google Scholar]
- Karys, S. Selection of resonant circuit elements for the ARCP inverter. In Proceedings of the 2009 10th International Conference on Electrical Power Quality and Utilisation, Lodz, Poland, 15–17 September 2009; pp. 1–6. [Google Scholar] [CrossRef]
- Nagafuchi, S.; Abe, T.; Higuchi, T. Loss evaluation for ARCP Matrix Converter. In Proceedings of the 2013 IEEE 10th International Conference on Power Electronics and Drive Systems (PEDS), Kitakyushu, Japan, 22–25 April 2013; pp. 608–612. [Google Scholar] [CrossRef]
- Morisaki, S.; Abe, T.; Higuchi, T. Experimental loss estimate for matrix converter using ARCP soft switching technique. In Proceedings of the 2015 18th International Conference on Electrical Machines and Systems (ICEMS), Pattaya, Thailand, 25–28 October 2015; pp. 1898–1902. [Google Scholar] [CrossRef]
- Morii, H.; Yamamoto, M.; Funabiki, S. Capacitor-Less Auxiliary Resonant Commutated Pole (ARCP) voltage source soft switching inverter suitable for EV. In Proceedings of the 2009 13th European Conference on Power Electronics and Applications, Barcelona, Spain, 8–10 September 2009; pp. 1–8. [Google Scholar]
- Toda, H.; Yamamoto, M. 1/3 weight core of a capacitor-less ARCP method three-phase voltage source soft-switching inverter suitable for EV. In Proceedings of the 2011 IEEE Energy Conversion Congress and Exposition, Phoenix, AZ, USA, 17–22 September 2011; pp. 4101–4106. [Google Scholar]
- Doncker, R.W.D.; Lyons, J.P. The auxiliary quasi-resonant DC link inverter. In Proceedings of the PESC ‘91 Record 22nd Annual IEEE Power Electronics Specialists Conference, Phoenix, AZ, USA, 24–27 June 1991; pp. 248–253. [Google Scholar] [CrossRef]
- Abeyratne, S.G.; Aydemir, M.T.; Lipo, T.A.; Murai, Y.; Yoshida, M. Current clamped, PWM, quasi-resonant DC link series resonant converter. In Proceedings of the 1994 IEEE Industry Applications Society Annual Meeting, Denver, CO, USA, 2–6 October 1994; Volume 822, pp. 820–826. [Google Scholar] [CrossRef]
- Ahmed, T.; Nagai, S.; Nakaoka, M.; Hyun Woo, L. Two-switch auxiliary quasi-resonant DC link snubber-assisted voltage source three-phase V-connection soft-switching sinewave inverter with bidirectional soft-switching chopper for solar PV power conditioner. In Proceedings of the 30th Annual Conference of IEEE Industrial Electronics Society, IECON 2004, Busan, Korea, 2–6 November 2004; Volume 3103, pp. 3106–3110. [Google Scholar] [CrossRef]
- Attaianese, C.; Tomasso, G. A new quasi-resonant DC link topology for soft switching of voltage-source inverter. In Proceedings of the IEEE 34th Annual Conference on Power Electronics Specialist, PESC ‘03., Acapulco, Mexico, 15–19 June 2003; Volume 522, pp. 525–530. [Google Scholar] [CrossRef]
- Nagai, S.; Sato, S.; Yamamoto, M.; Nakaoka, M. Two switch auxiliary quasi-resonant DC link three-phase PWM inverter and two switch auxiliary resonant commutated pole link three-phase PWM rectifier. In Proceedings of the The 25th International Telecommunications Energy Conference, INTELEC ‘03., Yokohama, Japan, 23–23 October 2003; pp. 657–663. [Google Scholar]
- Khalilin, M.; Adib, E.; Karimian, M.R.; Farzanehfard, H. Analysis of a new quasi resonant DC link inverter. In Proceedings of the 2011 2nd Power Electronics, Drive Systems and Technologies Conference, Tehran, Iran, 16–17 February 2011; pp. 421–426. [Google Scholar] [CrossRef]
- Glinka, M.; Mehrpunkt-Umrichtersystem, M. Ein Ne aurtiges Konzept am Beispiel der Elektrischen Traktion–. Ph.D. Thesis, Munich University, Munich, Germany, 2011. [Google Scholar]













| Switch Collector-Emitter Peak Voltage VCEPK | DC-BUS E/VCEPK = 0.55 | Number of Stages Network: 25 kV/50 Hz 29 kVRMS/50Hz * | Number of Stages Network: 15 kV/16 2/3 Hz 18 kVRMS/16 2/3 Hz * | 
|---|---|---|---|
| 3.3 kV | 1.8 kV | 23 | 14 | 
| 4.5 kV | 2.5 kV | 17 | 10 | 
| 6.5 kV | 3.6 kV | 12 | 7 | 
| 10 kV | 5.5 kV | 8 | 5 | 
| Feature | Value | 
|---|---|
| Input voltage | 15 kV | 
| Input frequency | 16.7 Hz | 
| Output voltage | 1.65 kV DC | 
| Rating power | 1500 kVA | 
| Maximum power | 2250 kVA (30 s) | 
| Efficiency | 94% | 
| Transformer frequency | 5 kHz | 
| Transformer + electronic weight | 2830 kg | 
| Output LC filter weight | 385 kg | 
| Heat exchanger weight | 255 kg | 
| Overall weight | <3600 kg | 
| Power density | 0.42 kVA/kg | 
| Total number of IGBTs | 52 | 
| Cooling system | Forced oil circulation | 
| Feature | Value | 
|---|---|
| Input voltage | 15 kV | 
| Input frequency | 16.7 Hz | 
| Output voltage | 3.6 kV DC | 
| Rating power | 3000 kVA | 
| Transformer frequency | 8 kHz | 
| Transformers weight 1 | 18 kg | 
| Total number of IGBTs | 96 | 
| Cooling system | Deionized water | 
| Feature | Value | 
|---|---|
| Input voltage | 15 kV | 
| Input frequency | 16.7 Hz | 
| Output voltage | 1.8 kV DC | 
| Rating power | 1200 kVA | 
| Transformer frequency | 400 Hz | 
| Total number of IGBTs | 192 | 
| Cooling system | Forced oil circulation | 
| Feature | Value | 
|---|---|
| Input voltage | 15 kV | 
| Input frequency | 16.7 Hz | 
| Output voltage | 1.5 kV DC | 
| Rating power | 1200 kVA | 
| Maximum power | 1800 kVA | 
| Efficiency | 96% | 
| Total number of IGBTs | 72 | 
| Total weight | 4500 kg | 
| Power density | 0.266 kVA/kg | 
| Type of Loss | 77 A | 155 A | 230 A | 
|---|---|---|---|
| Overall conduction losses | 235 W | 556 W | 962 W | 
| Overall switching losses | 10.8 kW | 15.6 kW | 20.3 kW | 
| Total losses (efficiency) | 11 kW (69%) | 16.1 kW (86%) | 21.3 kW (91%) | 
| Type of Loss | 77 A | 155 A | 230 A | 
|---|---|---|---|
| Overall conduction losses on the main devices | 211 W | 468 W | 794 W | 
| Overall conduction losses on the auxiliary devices | 328 W | 348 W | 387 W | 
| Overall switching losses on the main switches | 93 W | 101 W | 156 W | 
| Overall switching losses on the auxiliary devices | 5.52 kW | 5.53 kW | 5.61 kW | 
| Total losses (efficiency) | 6.2 kW (80%) | 6.4 kW (94%) | 6.9 kW (97%) | 
| Type of Loss | 77 A | 155 A | 230 A | 
|---|---|---|---|
| Overall conduction losses on the main devices | 211 W | 468 W | 792 W | 
| Overall conduction losses on the auxiliary devices | 152 W | 158 W | 169 W | 
| Overall switching losses on the main switches | 85.5 W | 89 W | 136 W | 
| Overall switching losses on the auxiliary devices | 2.86 kW | 2.86 kW | 2.87 kW | 
| Total losses (efficiency) | 3.3 kW (88%) | 3.6 kW (96%) | 4.0 kW (98.2%) | 
| Type of Loss | 77 A | 155 A | 230 A | 
|---|---|---|---|
| Overall conduction losses on the main devices | 258 W | 402 W | 698 W | 
| Overall conduction losses on the auxiliary devices | 173 W | 168 W | 169 W | 
| Overall conduction losses on the clamp device | 19 W | 44 W | 138 W | 
| Overall switching losses on the main switches | 502 W | 439 W | 640 W | 
| Overall switching losses on the auxiliary devices | 3.33 kW | 3.89 kW | 4.17 kW | 
| Overall switching losses on the clamp device | 991 W | 1.06 kW | 1.11 kW | 
| Total losses (efficiency) | 5.3 kW (82%) | 6.0 kW (94%) | 6.9 kW (96.9%) | 
© 2019 by the authors. Licensee MDPI, Basel, Switzerland. This article is an open access article distributed under the terms and conditions of the Creative Commons Attribution (CC BY) license (http://creativecommons.org/licenses/by/4.0/).
Share and Cite
Farnesi, S.; Marchesoni, M.; Passalacqua, M.; Vaccaro, L. Solid-State Transformers in Locomotives Fed through AC Lines: A Review and Future Developments. Energies 2019, 12, 4711. https://doi.org/10.3390/en12244711
Farnesi S, Marchesoni M, Passalacqua M, Vaccaro L. Solid-State Transformers in Locomotives Fed through AC Lines: A Review and Future Developments. Energies. 2019; 12(24):4711. https://doi.org/10.3390/en12244711
Chicago/Turabian StyleFarnesi, Stefano, Mario Marchesoni, Massimiliano Passalacqua, and Luis Vaccaro. 2019. "Solid-State Transformers in Locomotives Fed through AC Lines: A Review and Future Developments" Energies 12, no. 24: 4711. https://doi.org/10.3390/en12244711
APA StyleFarnesi, S., Marchesoni, M., Passalacqua, M., & Vaccaro, L. (2019). Solid-State Transformers in Locomotives Fed through AC Lines: A Review and Future Developments. Energies, 12(24), 4711. https://doi.org/10.3390/en12244711
 
        



 
       