Research on Multifunctional High-Power Grid Source Simulator System with Synchronous Generator, Line Impedance Imitation, and ZIP Load Emulator
Abstract
1. Introduction
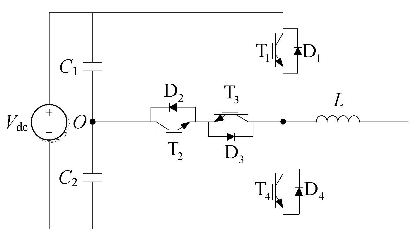
2. A New Topology Design for High-Power Grid Source Simulator
3. Control Strategy of Each Part in Grid Source Simulator System
3.1. Control Strategy of the Voltage Source Eg: Fundamental Theory and Implementation Method of VSG
3.2. Control Strategy of the Harmonic Voltage Source Eh
3.3. Control Strategy of the Virtual Line Impedance Zs Imitation
3.4. Control Strategy of the Constant-Impedance, Constant-Current, and Constant-Power (ZIP) Load ZLoad
4. Experiment Results
5. Conclusions
- A novel topology for a megawatt high-power grid source simulator is proposed, which solves the problem of control bandwidth limitation in high-power grid simulator systems;
- A closed-loop control strategy using filter to separate harmonics and amplitude is proposed, which can effectively realize zero error harmonic voltage tracking;
- The functions of virtual line impedance simulation and arbitrary harmonic impedance simulation of the MW multifunctional power grid simulator system are realized. By adjusting the line impedance online, the problem of uneven power distribution in photovoltaic grid-connected systems can be solved, and the shortcomings of previous power grid simulators that only simulate ideal voltage sources are perfected.
- A constant-impedance, constant-current, and constant-power load model is adopted. The load does not actually consume energy, and the energy is only consumed in power electronic devices and transmission loops.
Author Contributions
Funding
Conflicts of Interest
Nomenclatures
| List of Abbreviations | |
| VSG | virtual synchronous generator |
| ZIP | constant impedance (Z), constant current (I), and constant power (P) |
| DG | distributed generation |
| RMS | root mean square |
| PIR | proportional integral resonance |
| LC | inductor–capacitor |
| SG | synchronous generator |
| PI | proportional integral |
| p.u. | per unit |
| SC | storage converter |
| FFT | fast Fourier transform |
| SSO | subsynchronous oscillation |
| DC | direct current |
| List of Symbols | |
| uox | phase x output voltage of the fundamental circuit, x = a, b, c |
| iox | phase x output current of the fundamental circuit |
| iLx | phase x current of inverter-side inductor of the fundamental circuit |
| Lg | grid inductance of the fundamental circuit |
| L | inverter-side inductor of the fundamental circuit |
| Cg | grid capacitor of the fundamental circuit |
| C | inverter-side capacitor of the fundamental circuit |
| N | neutral point |
| S1y | switch signal of inverter side of the fundamental circuit, y = 1,2,3,4,5,6 |
| S2y | switch signal of rectifier side of the fundamental circuit |
| J | inertia coefficient of the VSG |
| m | active droop constant of the VSG |
| reference of the VSG output angular frequency | |
| actual measured values of the VSG output angular frequency | |
| phase command of the MGI output voltage | |
| real output active power of the VSG | |
| input power defined by the droop characteristic of the VSG | |
| Qref | reference output reactive power values of the VSG |
| Qo | real output reactive power values of the VSG |
| Uo | reference output reactive voltage values of the VSG |
| U | terminal voltage of the VSG |
| the nth central angular frequency point, n = 1,2,3 | |
| Qf | quality factor |
| phase x output voltage of the harmonic circuit | |
| phase x output current of the harmonic circuit | |
| phase x current of inverter-side inductor of the harmonic circuit | |
| L1 | grid inductance of the harmonic circuit |
| L2 | inverter-side inductor of the harmonic circuit |
| C1 | grid capacitor of the harmonic circuit |
| C2 | inverter-side capacitor of the harmonic circuit |
| uref | reference voltage |
| iref | reference current |
| Vdc | DC-side voltage |
References
- Miret, J.; García de Vicuña, J.; Guzmán, R.; Camacho, A.; Moradi Ghahderijani, M. A Flexible Experimental Laboratory for Distributed Generation Networks Based on Power Inverters. Energies 2017, 10, 1589. [Google Scholar] [CrossRef]
- Adefarati, T.; Bansal, R.C. Integration of renewable distributed generators into the distribution system: A review. IET Renew. Power Gener. 2016, 10, 873–884. [Google Scholar] [CrossRef]
- Kahrobaeian, A.; Mohamed, Y.-R. Interactive distributed generation interface for flexible micro-grid operation in smart distribution systems. Sustain. Energy IEEE Trans. 2012, 3, 295–305. [Google Scholar]
- Montori, F.; Borghetti, A.; Napolitano, F. A Co-Simulation Platform for the Analysis of the Impact of Electromobility Scenarios on the Urban Distribution Network. In Proceedings of the 2nd International Forum on Research and Technologies for Society and Industry (RTSI 2016), Bologna, Italy, 7–9 September 2016; pp. 1–6. [Google Scholar]
- Commission Regulation (EU). 2016/631 of 14 April 2016 Establishing a Network Code on Requirements for Grid Connection of Generators (Text with EEA relevance) C/2016/2001, OJ L 112, 27.4.2016. pp. 1–68, (BG, ES, CS, DA, DE, ET, EL, EN, FR, HR, IT, LV, LT, HU, MT, NL, PL, PT, RO, SK, SL, FI, SV). Available online: http://eur-lex.europa.eu/legal-content/EN/TXT/?uri=OJ:JOL_2016_112_R_0001 (accessed on 22 November 2019).
- IEEE. 1547TM Standard for Interconnecting Distributed Resources with Electric Power Systems. Available online: http://www.doc88.com/p-74459601668.html (accessed on 22 November 2019).
- Yanfeng, M.; Shuju, H.; Xu, L. Research on Wind Power Simulation Technology Applied to Power System Dynamic Simulation Test System. Trans. China Electrotech. Soc. 2016, 31, 130–137. [Google Scholar]
- Parameters of Non-Exhaustive Requirements ENTSO-E Guidance Document for National Implementation for Network Codes on Grid Connection, ENTSO-E, 16 November 2016. Available online: https://docstore.entsoe.eu/Documents/Network%20codes%20documents/NC%20RfG/161116_IGD_General%20guidance%20on%20parameters_for%20publication.pdf (accessed on 22 November 2019).
- Bründlinger, R.; Arnold, G.; Schäfer, N.; Schaupp, T.; Graditi, G.; Adinolfi, G. Implementation of the European Network Code on Requirements for Generators on the European national level. In Proceedings of the Solar Integration Workshop, Stockholm, Sweden, 15–19 October 2018. [Google Scholar]
- Network Code for Requirements For Grid Connection Applicable To All Generators Frequently Asked Questions, 19 June 2012. Available online: https://www.entsoe.eu/fileadmin/user_upload/_library/consultations/Network_Code_RfG/120626_-_NC_RfG_-_Frequently_Asked_Questions.pdf (accessed on 22 November 2019).
- ENTSO-E Connection Network Codes Implementation Website. Available online: https://docs.entsoe.eu/cnc-al/ (accessed on 22 November 2019).
- Li, S.; Qin, S.; Wang, R.; Li, Q.; Chen, C. Study on grid adaptability testing methodology for wind turbines. J. Mod. Power Syst. Clean Energy 2013, 1, 81–87. [Google Scholar] [CrossRef]
- Zhang, R.; Cardinal, M.; Paul, S.; Dame, M. A Grid Simulator with Control of Single-phase Power Converters in D-Q Rotating Frame. In Proceedings of the 2002 IEEE 33rd Annual IEEE Power Electronics Specialists Conference, Cairns, Australia, 23–27 June 2002; pp. 1431–1436. [Google Scholar]
- Guo, X.; Zhang, X.; Wang, B.; Wu, W.; Guerrero, J.M. Asymmetrical grid fault ride-through strategy of three-phase grid-connected inverter considering network impedance impact in low-voltage grid. IEEE Trans. Power Electron. 2014, 29, 1064–1068. [Google Scholar] [CrossRef]
- Hu, S.J.; Li, J.L.; Xu, H.H. Review of voltage sag generatator for wind power. Power Syst. Autom. Equip. 2008, 21, 101–103. [Google Scholar]
- Dingguo, W.; Zhuo, C.; Weizheng, Y.; Gang, L. Analysis of grid-connected PV inverter low voltage ride through testing scheme. Power Syst. Prot. Detect. 2014, 42, 143–147. [Google Scholar]
- Ying, W.; Li, J.; Liu, F. Research of Multi-Functional Grid Simulator. Power Electron. 2011, 45, 29–34. [Google Scholar]
- Xu, H.; Zhang, W.; Hu, J.; Zhou, P.; He, Y. Design of a Programmable Grid-Fault Emulating Power Supply. Trans. China Electrotech. Soc. 2012, 27, 91–97. [Google Scholar]
- Wang, X.; Li, Y.W.; Blaabjerg, F.; Loh, P.C. Research on synchronous voltage source control strategy based on composite virtual impedance in microgrid. Mod. Electr. Power 2014, 2, 60–65. [Google Scholar]
- Ma, T.; Jin, X.; Liang, J. Hybrid virtual impedance control strategy for islanding mode microgrid converter. Trans. China Electrotech. Soc. 2013, 28, 304–312. [Google Scholar]
- Bian, X. Simulation and analysis of fundamental current extraction algorithm based on Simulink. Electr. Eng. 2016, 17, 51–55. [Google Scholar]
- Kundur, P. Power System Stability and Control; McGrawHill: New York, NY, USA, 1994. [Google Scholar]
- Wang, J.; Yang, L.; Ma, Y.; Wang, J.; Tolbert, L.M.; Wang, F.F.; Tomsovic, K. Static and dynamic power system load emulation in converter-based reconfigurable power grid emulator. Energy Convers. Congr. Expo. 2015, 31, 3239–3251. [Google Scholar]
- Gong, R.; Shen, C. Analysis of dead band time on the influence of three-phase SPWM inverter output voltage low harmonic. Sci. Technol. Vis. 2014, 27, 22. [Google Scholar]
- Li, R. Research on the Method of Current Harmonic Suppression in Single-Phase Grid-Connected Inverters. Master’s Thesis, Huazhong University of Science and Technology, Wuhan, China, January 2012. [Google Scholar]
- Kong, D.; Liu, Y.; Gao, L.; Zhang, Q. Harmonic suppression method of grid connected inverter with virtual harmonic impedance. J. Heilongjiang Inst. Technol. 2015, 29, 3–5. [Google Scholar]






















| Error | Fundamental Wave | Fifth Harmonic |
|---|---|---|
| Resistance | 1.1% | 1.2% |
| Inductance | 1.2% | 0.7% |
| Resistance–Inductance | 0.6% | 0.1% |
| Simulation Parameters | Figure | Simulation Parameters | Figure |
|---|---|---|---|
| 0.2 | 0.2 | ||
| 0.2 | 0.2 | ||
| 0.2 | 0.6 | ||
| 1 | −1 |
© 2019 by the authors. Licensee MDPI, Basel, Switzerland. This article is an open access article distributed under the terms and conditions of the Creative Commons Attribution (CC BY) license (http://creativecommons.org/licenses/by/4.0/).
Share and Cite
Zhu, H.; Zhang, X.; Li, M.; Liu, X. Research on Multifunctional High-Power Grid Source Simulator System with Synchronous Generator, Line Impedance Imitation, and ZIP Load Emulator. Energies 2019, 12, 4657. https://doi.org/10.3390/en12244657
Zhu H, Zhang X, Li M, Liu X. Research on Multifunctional High-Power Grid Source Simulator System with Synchronous Generator, Line Impedance Imitation, and ZIP Load Emulator. Energies. 2019; 12(24):4657. https://doi.org/10.3390/en12244657
Chicago/Turabian StyleZhu, Hong, Xing Zhang, Ming Li, and Xiaoxi Liu. 2019. "Research on Multifunctional High-Power Grid Source Simulator System with Synchronous Generator, Line Impedance Imitation, and ZIP Load Emulator" Energies 12, no. 24: 4657. https://doi.org/10.3390/en12244657
APA StyleZhu, H., Zhang, X., Li, M., & Liu, X. (2019). Research on Multifunctional High-Power Grid Source Simulator System with Synchronous Generator, Line Impedance Imitation, and ZIP Load Emulator. Energies, 12(24), 4657. https://doi.org/10.3390/en12244657
