Parametric Optimization and Thermodynamic Performance Comparison of Organic Trans-Critical Cycle, Steam Flash Cycle, and Steam Dual-Pressure Cycle for Waste Heat Recovery
Abstract
1. Introduction
2. Description of the System
2.1. Heat Source Condition
2.2. Organic Trans-Critical Cycle
2.3. Steam Flash Cycle
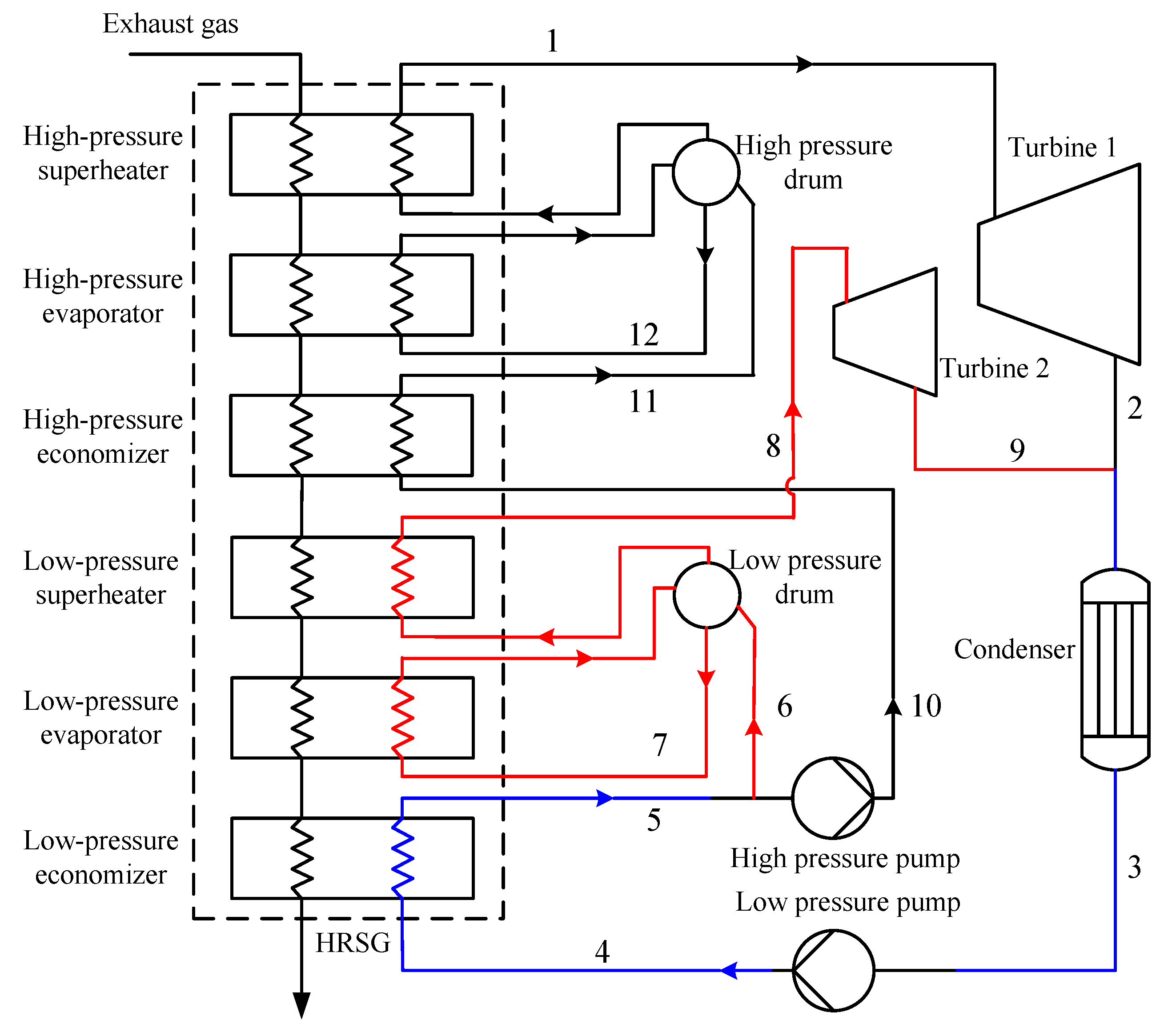
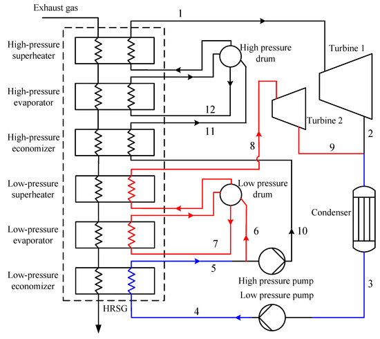
2.4. Steam Dual-Pressure Cycle
3. Methodology
3.1. Thermodynamic Modeling
3.2. Organic Working Fluid Selection
3.3. Optimization Variables and Specified Parameters
3.4. Optimization Strategy
4. Results and Discussion
4.1. Performance Analysis of the OTC
4.2. Performance Analysis of the SFC
4.3. Performance Analysis of the SDC
4.4. Performance Comparison of OTC, SFC, and SDC
4.5. Cost Analysis of OTC, SFC, and SDC
4.6. Exergy Analysis of OTC, SFC, and SDC
4.7. Performance Comparison under Higher Heat Source Temperature
5. Conclusions
Author Contributions
Funding
Conflicts of Interest
Nomenclature
| e | exergy (J/kg) |
| h | enthalpy (J/kg) |
| exergy loss (W) | |
| mass flow rate (kg/s) | |
| P | pressure (kPa) |
| heat transfer rate (W) | |
| s | entropy (J/kg/K) |
| SP | size parameter (m) |
| T | temperature (°C) |
| Vr | volume ratio |
| power (W) | |
| x | quality of vapor-liquid mixture |
| Greek letters | |
| efficiency | |
| Δ | difference |
| Subscript | |
| ap | approach point |
| eva | evaporator |
| c | critical |
| con | condenser |
| g | gas |
| in | inlet |
| out | outlet |
| pp | pinch point |
| th | thermal |
| turb | turbine |
| wf | working fluid |
| Abbreviations | |
| EC | economizer |
| EV | evaporator |
| HP | high pressure |
| HRVG | heat recovery vapor generator |
| HRSG | heat recovery steam generator |
| LP | low pressure |
| OTC | organic trans-critical cycle |
| RPM | revolutions per minute |
| SDC | steam dual-pressure cycle |
| SFC | steam flash cycle |
| SH | superheater |
| SRC | steam Rankine cycle |
References
- Toffolo, A.; Lazzaretto, A.; Manente, G.; Paci, M. A multi-criteria approach for the optimal selection of working fluid and design parameters in Organic Rankine Cycle systems. Appl. Eng. 2014, 121, 219–232. [Google Scholar] [CrossRef]
- Wang, T.; Zhang, Y.; Peng, Z.; Shu, G. A review of researches on thermal exhaust heat recovery with Rankine cycle. Renew. Sustain. Energy Rev. 2011, 15, 2862–2871. [Google Scholar] [CrossRef]
- Tona, P.; Peralez, J.; Sciarretta, A. Supervision and Control Prototyping for an Engine Exhaust Gas Heat Recovery System based on a Steam Rankine Cycle. In Proceedings of the 2012 IEEE/ASME International Conference on Advanced Intelligent Mechatronics (AIM), Kaohsiung, Taiwan, 11–14 July 2012; pp. 695–701. [Google Scholar]
- Fu, J.; Liu, J.; Ren, C.; Wang, L.; Deng, B.; Xu, Z. An open steam power cycle used for IC engine exhaust gas energy recovery. Energy 2012, 44, 544–554. [Google Scholar] [CrossRef]
- Karellas, S.; Leontaritis, A.-D.; Panousis, G.; Bellos, E.; Kakaras, E. Energetic and exergetic analysis of waste heat recovery systems in the cement industry. Energy 2013, 58, 147–156. [Google Scholar] [CrossRef]
- Darrow, K.; Tidball, R.; Wang, J.; Hampson, A. Technology Characterization-Steam Turbines; Environmental Protection Agency Combined Heat and Power Partnership: Washington, DC, USA, 2015. [Google Scholar]
- Vankeirsbilck, I.; Vanslambrouck, B.; Gusev, S.; De Paepe, M. Organic Rankine cycle as efficient alternative to steam cycle for small scale power generation. In Proceedings of the 8th international conference on heat transfer fluid mechanics and thermodynamics, Mauritius, 11–13 July 2011. [Google Scholar]
- Bao, J.; Zhao, L. A review of working fluid and expander selections for organic Rankine cycle. Renew. Sustain. Energy Rev. 2013, 24, 325–342. [Google Scholar] [CrossRef]
- Altosole, M.; Benvenuto, G.; Campora, U.; Laviola, M.; Trucco, A. Waste heat recovery from marine gas turbines and diesel engines. Energies 2017, 10, 718. [Google Scholar] [CrossRef]
- Verschoor, M.J.E.; Brouwer, E.P. Description of the SMR cycle, which combines fluid elements of steam and organic Rankine cycles. Energy 1995, 20, 295–303. [Google Scholar] [CrossRef]
- Manente, G.; Da Lio, L.; Lazzaretto, A. Influence of axial turbine efficiency maps on the performance of subcritical and supercritical Organic Rankine Cycle systems. Energy 2016, 107, 761–772. [Google Scholar] [CrossRef]
- Lia, J.; Ge, Z.; Duan, Y.; Yang, Z.; Liu, Q. Parametric optimization and thermodynamic performance comparison of single-pressure and dual-pressure evaporation organic Rankine cycles. Appl. Eng. 2018, 217, 409–421. [Google Scholar] [CrossRef]
- Mondal, S.; De, S. Power by waste heat recovery from low temperature industrial flue gas by Organic Flash Cycle (OFC) and transcritical-CO2 power cycle: A comparative study through combined thermodynamic and economic analysis. Energy 2017, 121, 832–840. [Google Scholar] [CrossRef]
- Wang, J.; Yan, Z.; Wang, M.; Ma, S.; Dai, Y. Thermodynamic analysis and optimization of an (organic Rankine cycle) ORC using low grade heat source. Energy 2013, 49, 356–365. [Google Scholar] [CrossRef]
- Pradeep Varma, G.V.; Srinivas, T. Comparative study on steam flash, organic flash and Kalina for enhanced power generation from waste heat recovery. J. Power Technol. 2016, 96, 81–91. [Google Scholar]
- Andreasen, J.; Meroni, A.; Haglind, F. A comparison of organic and steam Rankine cycle power systems for waste heat recovery on large ships. Energies 2017, 10, 547. [Google Scholar] [CrossRef]
- Macchi, E.; Astolfi, M. Organic Rankine Cycle (ORC) Power Systems-Axial Flow Turbines for Organic Rankine Cycle Applications; Woodhead publishing, Politecnico di Milano: Milan, Italy, 2017; Volume 9, pp. 299–319. [Google Scholar]
- Bahadori, A.; Vuthaluru, H.B. Estimation of performance of steam turbines using a simple predictive tool. Appl. Therm. Eng. 2010, 30, 1832–1838. [Google Scholar] [CrossRef]
- Feng, H.; Zhong, W.; Wu, Y.; Tong, S. Thermodynamic performance analysis and algorithm model of multi-pressure heat recovery steam generators (HRSG) based on heat exchangers layout. Energy Convers. Manag. 2014, 81, 282–289. [Google Scholar] [CrossRef]
- Li, C.; Wang, H. Power cycles for waste heat recovery from medium to high temperature flue gas sources-from a view of thermodynamic optimization. Appl. Eng. 2016, 180, 707–721. [Google Scholar] [CrossRef]
- Astolfi, M.; Romano, M.C.; Bombarda, P.; Macchi, E. Binary ORC (Organic Rankine Cycles) power plants for the exploitation of medium-low temperature geothermal sourcese Part B: Techno-economic optimization. Energy 2014, 66, 435–446. [Google Scholar] [CrossRef]
- Colonna, P.; Casati, E.; Trapp, C.; Mathijssen, T.; Larjola, J.; Turunen-Saaresti, T.; Unsitalo, A. Organic Rankine cycle power systems: From the concept to current technology, applications, and an outlook to the future. J. Eng. Gas Turbine Power 2015, 137, 1–19. [Google Scholar] [CrossRef]
- Angelino, G.; Invernizzi, C. Experimental investigation on the thermal stability of some new zero ODP refrigerants. Int. J. Refrig. 2003, 26, 51–58. [Google Scholar] [CrossRef]
- Dai, X.; Shi, L.; An, Q.; Qian, W. Chemical kinetics method for evaluating the thermal stability of Organic Rankine Cycle working fluids. Appl. Therm. Eng. 2016, 100, 708–713. [Google Scholar] [CrossRef]
- Pasetti, M.; Invernizzi, C.M.; Iora, P. Thermal stability of working fluids for organic Rankine cycles: An improved survey method and experimental results for cyclopentane, isopentane and n-butane. Appl. Therm. Eng. 2014, 73, 764–774. [Google Scholar] [CrossRef]
- Preißinger, M.; Brüggemann, M. Thermal stability of MM for high temperature applications. In Proceedings of the 3rd International Seminar on ORC Power Systems, Brussels, Belgium, 12–14 October 2015. [Google Scholar]
- Lemmon, E.W.; Huber, M.L.; McLinden, M.O. Reference Fluid Thermodynamic and Transport Properties–REFPROP, Version 9.0; National Institute of Standards and Technology: Gaithersburg, MD, USA, 2013. [Google Scholar]





















| Component | Equations |
|---|---|
| OTC | |
| HRVG | |
| Turbine | |
| Condenser | |
| Pump | |
| Net power output | |
| SFC | |
| HRSG | |
| Turbine 1 | |
| Turbine 2 | |
| Condenser | |
| Low-pressure Pump | |
| High-pressure Pump | |
| Flasher | |
| Net power output | |
| SDC | |
| HRSG | |
| Turbine 1 | |
| Turbine 2 | |
| Condenser | |
| Low-pressure Pump | |
| High-pressure Pump | |
| Net power output | |
| Fluid | Tboil [°C] | Tcrit [°C] | Pcrit [MPa] | ODP | GWP | Thermal Stability Limit [°C] |
|---|---|---|---|---|---|---|
| R245fa | 15.14 | 154.01 | 3.65 | 0 | 1030 | 300 [23] |
| n-pentane | 36.06 | 196.55 | 3.37 | 0 | 280 [24] | |
| Cyclopentane | 49.25 | 238.54 | 4.52 | 0 | < 25 | 275 [25] |
| MM | 100.25 | 245.55 | 1.94 | 0 | 0 | 300 [26] |
| Optimized parameters | Lower limit | Upper limit |
|---|---|---|
| OTC | ||
| Turbine inlet pressure (TIP), | 1.1pc | 15 MPa |
| Turbine inlet temperature (TIT), | No liquid formation during expansion process | |
| SFC | ||
| Turbine inlet pressure, | Pcon + 100 kPa | 0.9pc |
| Turbine inlet temperature, | Vapor quality at turbine outlet higher than 0.88 | |
| Mass flow ratio, MFR | 0 | 6 |
| Flash pressure, | Pcon + 50 kPa | Min { − 50 kPa, Vapor quality at turbine outlet higher than 0.88} |
| SDC | ||
| Turbine 1 inlet pressure, | Pcon + 100 kPa | 0.9pc |
| Turbine 1 inlet temperature, | Vapor quality at turbine outlet higher than 0.88 | |
| Turbine 2 inlet pressure, | Pcon + 50 kPa | − 50 kPa |
| Turbine 2 inlet temperature, | Vapor quality at turbine outlet higher than 0.88 | |
| Parameter | Value |
|---|---|
| Exhaust gas initial temperature, | 320 °C |
| Exhaust gas mass flow rate, | 86.2 kg/s |
| Exhaust gas pressure, | 101.325 kPa |
| Ambient temperature, | 20 °C |
| Condensing temperature, | 30 °C |
| Pinch point temperature difference in HRVG/HRSG, | 15 °C |
| Approach temperature difference in HRSG, | 5 °C |
| Working fluid pump efficiency, | 0.8 |
| Tuning Parameters | Value | Tuning Parameters | Value |
|---|---|---|---|
| Number of individuals | 100 | Generation interval for migration | 20 |
| Number of subpopulations | 5 | Fraction of subpopulation for migration | 0.2 |
| The probability of crossover | 0.7 | Minimum number of generation limit | 150 |
| The probability for mutation | 0.1 | Objective function tolerance | 0.01 |
| Fluid | TIP [MPa] | TIT [°C] | Tg,out [°C] | |||
|---|---|---|---|---|---|---|
| R245fa | 14.56 | 275.47 | 52.81 | 85.39 | 20.61 | 4851.76 |
| n-pentane | 5.14 | 240.55 | 48.66 | 85.41 | 20.42 | 4884.73 |
| Cyclopentane | 6.31 | 266.54 | 64.66 | 82.27 | 21.59 | 4860.20 |
| MM | 2.13 | 265.55 | 54.91 | 80.01 | 16.51 | 3855.92 |
| Teva [°C] | TIT [°C] | Tflash [°C] | MFR | Tg,out [°C] | |||
|---|---|---|---|---|---|---|---|
| 177.83 | 305 | 105.93 | 3.59 | 95.68 | 74.12 | 20.07 | 3967.9 |
| Teva,main [°C] | TITmain [°C] | Teva, LP [°C] | TITLP [°C] | Tg,out [°C] | |||
|---|---|---|---|---|---|---|---|
| 177.19 | 305 | 97.57 | 158.61 | 91.58 | 74.15 | 19.75 | 3977.8 |
| OTC | SFC | SDC | ||
|---|---|---|---|---|
| Exergy input of system [kW] | 8063.6 | 7454.9 | 7526.5 | |
| Exergy loss in outlet gas [kW] | 107.9 | 716.7 | 645.1 | |
| Net power output [kW] | 4884.7 | 3967.9 | 3977.8 | |
| Exergy loss in component [kW] | HRVG | 1084.1 | 1343.4 | 1720.7 |
| Turbine | 677.9 | 1352.7 | 1347.3 | |
| Condenser | 1347.1 | 469.3 | 479.7 | |
| Pump | 69.8 | |||
| LP pressure | 0.206 | 0.152 | ||
| HP pressure | 3.72 | 0.852 | ||
| Flasher | 317.7 |
© 2019 by the authors. Licensee MDPI, Basel, Switzerland. This article is an open access article distributed under the terms and conditions of the Creative Commons Attribution (CC BY) license (http://creativecommons.org/licenses/by/4.0/).
Share and Cite
Ren, L.; Wang, H. Parametric Optimization and Thermodynamic Performance Comparison of Organic Trans-Critical Cycle, Steam Flash Cycle, and Steam Dual-Pressure Cycle for Waste Heat Recovery. Energies 2019, 12, 4623. https://doi.org/10.3390/en12244623
Ren L, Wang H. Parametric Optimization and Thermodynamic Performance Comparison of Organic Trans-Critical Cycle, Steam Flash Cycle, and Steam Dual-Pressure Cycle for Waste Heat Recovery. Energies. 2019; 12(24):4623. https://doi.org/10.3390/en12244623
Chicago/Turabian StyleRen, Liya, and Huaixin Wang. 2019. "Parametric Optimization and Thermodynamic Performance Comparison of Organic Trans-Critical Cycle, Steam Flash Cycle, and Steam Dual-Pressure Cycle for Waste Heat Recovery" Energies 12, no. 24: 4623. https://doi.org/10.3390/en12244623
APA StyleRen, L., & Wang, H. (2019). Parametric Optimization and Thermodynamic Performance Comparison of Organic Trans-Critical Cycle, Steam Flash Cycle, and Steam Dual-Pressure Cycle for Waste Heat Recovery. Energies, 12(24), 4623. https://doi.org/10.3390/en12244623
