Intelligent Energy Management Strategy for Automated Office Buildings
Abstract
1. Introduction
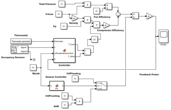
2. Materials and Methods
2.1. Office HVAC Energy Model Based on Temperature
2.2. Office HVAC Energy Consumption Model during Winter and Summer
2.2.1. During Winter
2.2.2. During Summer
2.3. Office HVAC Energy Efficient Based on Occupancy Control, Temperature, Loads Control
2.3.1. Occupancy Control Strategy
2.3.2. HVAC Temperature, Occupancy, Weather, Loads Control Strategy in Summer and the Impact on the Energy Consumption
2.3.3. HVAC Temperature, Occupancy, Weather, Loads Control Strategy in Winter and the Impact on the Energy Consumption
2.4. HVAC Energy Saved due to Temperature and Occupancy Control and Loads Control
2.5. Data Collection
2.5.1. Light Energy Consumption Data Collection
2.5.2. Solar Irradiation and Temperature Data Collection for PV Power Generated
2.6. Lighting Energy Control Strategy
2.7. Load (HVAC, Light) Management Strategy Using PV and Grid
2.7.1. PV System
2.7.2. Fuzzy Logic Control
3. Results
3.1. Occupancy Sensor Results from Four Offices
3.2. Office HVAC Energy Consumed Results for the Assumed Model in Normal Conditions Without any Control
Office HVAC Energy Consumed during Summer and Winter
3.3. HVAC Power Consumed Based on Load, Temperature and Occupancy Control for Office
3.3.1. During Summer and Winter
3.3.2. Room Temperature Behaviour
3.3.3. Total Energy Saved for Summer and Winter
3.4. Offices’ Light Energy Consumed Results with Occupancy and During Summer after Simulation
Offices (1–4) Light Energy Consumed Results with Occupancy Control
3.5. Load (HVAC, Light) Management Strategy Results Using PV and Grid
3.5.1. Fuzzy Logic Result
3.5.2. Office Load Management Results Due to the Intelligent Control of the PV and Grid
Simulated Results in Winter
3.6. Comparative Results for the Three Strategies Control Scenarios
4. Discussion
5. Conclusions
Author Contributions
Funding
Acknowledgments
Conflicts of Interest
Appendix A

Appendix B
| Parameter | Values | Unit |
|---|---|---|
| 27 | /min | |
| 3.8 | - | |
| 3.4 | - | |
| 50 | Bar | |
| 1.00 | KJ/Kg | |
| (summer) | 35 | °C |
| (winter) | 11 | °C |
| 24 | °C | |
| Summer | 25 | °C |
| Winter | 23 | °C |
| 29 | °C | |
| SHR | 0.7 | - |
Appendix C
| Specification | Value |
|---|---|
| Maximum Power | 4000 W |
| Voltage at maximum power point (Vmp) | 30.5 V |
| Current at maximum power point | 6.5 A |
| Open circuit voltage Voc | 48.2 V |
| Short circuit current Isc | 10 A |
| Series connected array ns | 5 |
| Parallel strings np | 4 |
References
- International Energy Agency. Key World Energy Statistics; International Energy Agency: Paris, France, 2014; Available online: www.iea.org (accessed on 25 October 2019).
- Milford, D.R. Perspective on Energy Efficiency Building Regulations: A South African Perspective. Cidb. Available online: http://www.cidb.org.za (accessed on 25 October 2019).
- Jain, M.N.S. Indoor occupancy counting to enable smart energy efficient office buildings. In Proceedings of the IEEE International Conferences on Big Data and Cloud Computing (BDCloud), Social Computing and Networking (SocialCom), Sustainable Computing and Communications (SustainCom), Atlana, GA, USA, 8–10 October 2016. [Google Scholar]
- Marinakis, V.; Doukas, H.; Karakosta, C.; Psarras, J. An integrated system for buildings’ energy-efficient automation: Application in the tertiary sector. Appl. Energy 2013, 101, 6–14. [Google Scholar] [CrossRef]
- Zanoli, S.M.; Pepe, C.; Orlietti, L.; Barchiesi, D. A model predictive control strategy for energy saving and users comfort features in building automation. In Proceedings of the 19th International Conference on System Theory, Control and Computing (ICSTCC), Cheile Gradistei, Romania, 14–16 October 2015. [Google Scholar]
- Kaneko, Y.; Matsushita, M.; Kitagami, S.; Kiyohara, R. An energy-saving office lighting control system linked to employee’s entry/exist. In Proceedings of the IEEE 2nd Global Conference on Consumer Electronics (GCCE), Tokyo, Japan, 1–4 October 2013. [Google Scholar]
- Gonzalez, L.I.L.; Großekathöfer, U.; Amft, O. An intervention study on automated lighting control to save energy in open space offices. In Proceedings of the 2015 IEEE International Conference on Pervasive Computing and Communication Workshops (PerCom Workshops), St. Louis, MO, USA, 23–27 March 2015. [Google Scholar]
- Yun, G.Y.; Kim, H.; Kim, J.T. Effects of occupancy and lighting use patterns on lighting energy consumption. Energy Build. 2012, 46, 152–158. [Google Scholar] [CrossRef]
- Tiller, D.K.; Guo, X.; Henze, G.P.; Waters, C.E. Validating the application of occupancy sensor networks for lighting control. Lighting Res. Technol. 2010, 42, 399–414. [Google Scholar] [CrossRef]
- Yu, X.; Su, Y. Daylight availability assessment and its potential energy saving estimation—A literature review. Renew. Sustain. Energy Rev. 2015, 52, 494–503. [Google Scholar] [CrossRef]
- Martirano, L.; Parise, G.; Parise, L.; Manganelli, M. Simulation and sensitivity analysis of a fuzzy-based building automation control system. In Proceedings of the 2014 IEEE Industry Application Society Annual Meeting, Vancouver, BC, Canada, 5–9 October 2014. [Google Scholar]
- Cziker, A.; Chindris, M.; Miron, A. Fuzzy controller for a shaded daylighting system. In Proceedings of the 2008 11th International Conference on Optimization of Electrical and Electronic Equipment, Brasov, Romania, 22–24 May 2008. [Google Scholar]
- Cziker, A.; Chindris, M.; Miron, A. Implementation of fuzzy logic in daylighting control. In Proceedings of the 2007 11th International Conference on Intelligent Engineering Systems, Budapest, Hungary, 29 June–2 July 2007. [Google Scholar]
- Benezeth, Y.; Laurent, H.; Emile, B.; Rosenberger, C. Towards a sensor for detecting human presence and characterizing activity. Energy Build. 2011, 43, 305–314. [Google Scholar] [CrossRef]
- Qiu, L.; Wei, L.; Li, C. Applying research of the control strategy and algorithm system on intelligent building. In Proceedings of the Internationl Conference on Measuring Technology and Mechatronics Automation, Changsha, China, 13–14 March 2010. [Google Scholar]
- Martirano, L.; Manganelli, M.; Parise, L.; Sbordone, D.A. Design of a fuzzy-based control system for energy saving and users comfort. In Proceedings of the 14th International Conference on Environment and Electrical Engineering (EEEIC), Krakow, Poland, 10–12 May 2014. [Google Scholar]
- Parise, G.; Martirano, L. Impact of building automation, controls and building management on energy performance of lighting systems. In Proceedings of the Industrial & Commercial Power Systems Technical Conference—Conference Record 2009 IEEE, Calgary, AB, Canada, 3–7 May 2009. [Google Scholar]
- Martirano, L. A smart lighting control to save energy. In Proceedings of the Intelligent Data Acquisition and Advanced Computing Systems (IDAACS), 2011 IEEE 6th International Conference, Prague, Czech Republic, 15–17 September 2011. [Google Scholar]
- Martirano, L. Lighting systems to save energy in educational classrooms. In Proceedings of the 2011 10th International Conference on Environment and Electrical Engineering (EEEIC), Rome, Italy, 8–11 May 2011. [Google Scholar]
- Chen, X.; Yang, H.; Lu, L. A comprehensive review on passive design approaches in green building rating tools. Renew. Sustain. Energy Rev. 2015, 50, 1425–1436. [Google Scholar] [CrossRef]
- Jiang, Z.; Eichi, H.R. Design, modeling and simulation of a green building energy system. In Proceedings of the 2009 IEEE Power & Energy Society General Meeting, Calgary, AB, Canada, 26–30 July 2009. [Google Scholar]
- Calcedo, J.G.S.; Rodriguez, F.L. Analysis of the performance of a high efficiency administrative building in Spain. Int. J. Green Energy 2017, 14, 55–62. [Google Scholar] [CrossRef]
- Coma, J.; Perez, G.; Sole, C.; Castell, A.; Cabeza, L.F. Thermal assessment of extensive green roofs as passive tool for energy savings in buildings. Renew. Energy 2015, 85, 1106–1115. [Google Scholar] [CrossRef]
- Mpelogianni, V.; Groumpos, P.; Tsipianitis, D.; Mantas, P.; Michos, S. Fuzzy inference tool for the achievement of sustainable energy solutions. In Proceedings of the 2015 6th International Conference on Information, Intelligence, Systems and Applications (IISA), Corfu, Greece, 6–8 July 2015. [Google Scholar]
- Weber, L. Energy Relevan Decisions in Organizations within Office Buildings; Swiss Federation Institute of Technology: Zurich, Swiss, 2000. [Google Scholar]
- Mastelic, J.; Emery, L.; Previdoli, D.; Papilloud, L.; Cimmino, F.; Genoud, S. Energy management in public building: A case study co-designing the building energy management system. In Proceedings of the 2017 International Conference on Engineering, Technology and Innovation (ICE/ITMC), Funchal, Portugal, 27–29 June 2017. [Google Scholar]
- Darby, S. The Effectiveness of Feedback on Energy; Environmental Change Institute: Oxford, UK, 2006. [Google Scholar]
- The Engineering Toolbox. 25 October 2018. Available online: https://www.engineeringtoolbox.com/fans-efficiency-power-consumption-d_197.html (accessed on 13 October 2019).
- Lienhard, J.H. (Ed.) The general problem of heat transfert. In A Heat Transfert Texbook, 3rd ed.; 2001; pp. 7–8. Available online: http://www.mie.uth.gr/labs/ltte/grk/pubs/ahtt.pdf (accessed on 13 October 2019).
- Eskom Solar and Met Data, 2009–2010. Available online: http://www.eskom.co.za/AboutElectricity/RenewableEnergy/Pages/Solar_Information.aspx (accessed on 13 October 2019).






























| Time | 8:00–10:30 | 10:30–11:30 | 11:30–12:30 | 12:30–14:00 | 14:00–16:00 | 16:00–16:30 | 16:30–17:00 |
|---|---|---|---|---|---|---|---|
| Occupancy state | 1 | 0 | 1 | 0 | 1 | 0 | 1 |
| Time | 8:00–8:30 | 8:30–9:00 | 9:00–11:00 | 11:00–11:20 | 11:20–12:00 | 12:00–13:30 | 13:30–16:00 | 16:00–16:30 | 16:30–17:00 |
|---|---|---|---|---|---|---|---|---|---|
| Occupancy state | 1 | 0 | 1 | 0 | 1 | 0 | 1 | 0 | 1 |
| Offices | Electric Energy Used (KWh) | Electric Energy Saved (KWh) | Savings [R] Kwh = R1.2 | Percentage (%) |
|---|---|---|---|---|
| Office 1&2 Summer period | 3875.840 | 899.20 | 1079.04 | 18.83% |
| Office 1&2 Winter period | 1460.75 | 317.680 | 381.216 | 17.86% |
| Office 3&4 Summer period | 3812.566 | 962.24 | 1154.688 | 20.15% |
| Office 3&4 Winter period | 1314.027 | 464.372 | 557.247 | 26.11% |
| Total | 10,463.183 | 2643.492 | 3172.191 | 20.16% |
| Office | Electric Energy Used (KWh) (Month) | Electric Energy Saved (KWh) (month) | Savings [R] Kwh = R1.2 | Percentage (%) |
|---|---|---|---|---|
| Four Offices without sensor | 84.58 | - | - | - |
| Office1&2 with sensor1 | 61.08 | 23.5 | 28.67 | 27.8% |
| Office3&4 with sensor2 | 57.95 | 26.63 | 32.488 | 31% |
| Offices | Electric Energy Used (KWh) | Electric Energy Generated (KWh) | Savings [R] Kwh = R1.2 | Savings Percentage |
|---|---|---|---|---|
| Office 1&2 | 25.137 | - | - | - |
| Office 3&4 | 24.711 | - | - | - |
| PV | - | 23.126 | 27.751 | 46.394% |
| GRID | - | 26.721 | - | - |
| Total | 49.848 | 49.847 | 27.51 | 46.394% |
| Strategy and Scenarios | HVAC Energy Saved % | LIGHT Energy Saved% |
|---|---|---|
| Occupancy, temperature, weather control | 13.23% | 29.3% |
| Loads, Occupancy, temperature, weather control | 20.16% | 29.3% |
| PV system | 44% | |
| PV plus, Occupancy, temperature, weather control | 57.23% | 73.3% |
| PV + Loads, Occupancy, temperature, weather control | 64.16% | 73.3% |
© 2019 by the authors. Licensee MDPI, Basel, Switzerland. This article is an open access article distributed under the terms and conditions of the Creative Commons Attribution (CC BY) license (http://creativecommons.org/licenses/by/4.0/).
Share and Cite
Noubissie Tientcheu, S.I.; Chowdhury, S.P.; Olwal, T.O. Intelligent Energy Management Strategy for Automated Office Buildings. Energies 2019, 12, 4326. https://doi.org/10.3390/en12224326
Noubissie Tientcheu SI, Chowdhury SP, Olwal TO. Intelligent Energy Management Strategy for Automated Office Buildings. Energies. 2019; 12(22):4326. https://doi.org/10.3390/en12224326
Chicago/Turabian StyleNoubissie Tientcheu, Simplice Igor, Shyama P. Chowdhury, and Thomas O. Olwal. 2019. "Intelligent Energy Management Strategy for Automated Office Buildings" Energies 12, no. 22: 4326. https://doi.org/10.3390/en12224326
APA StyleNoubissie Tientcheu, S. I., Chowdhury, S. P., & Olwal, T. O. (2019). Intelligent Energy Management Strategy for Automated Office Buildings. Energies, 12(22), 4326. https://doi.org/10.3390/en12224326

