DC Side Bus Voltage Control of Wind Power Grid-Connected Inverter Based on Second-Order Linear Active Disturbance Rejection Control
Abstract
:1. Introduction
2. Mathematical Model and Traditional Control Strategy of Wind Power Grid-Connected Inverter
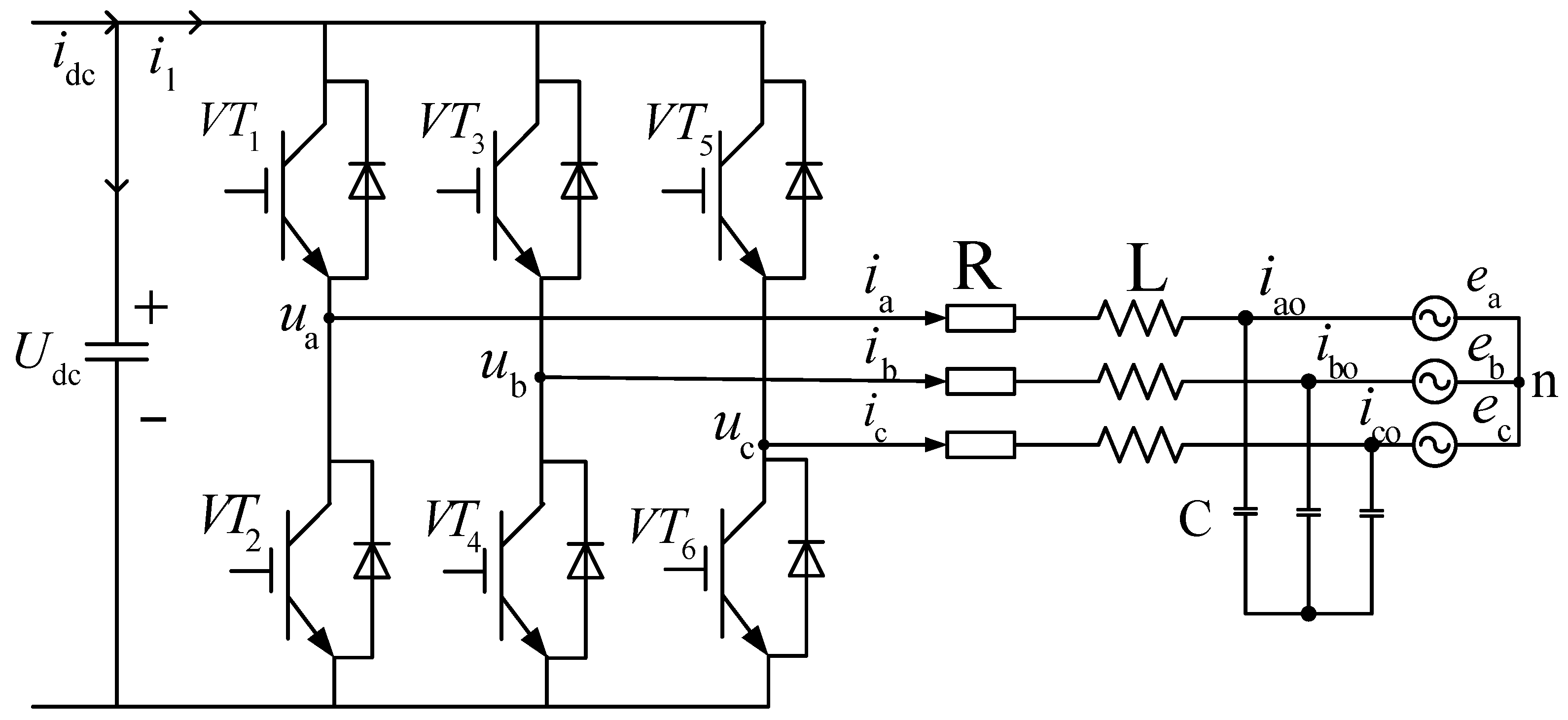
2.1. Mathematical Model of Wind Power Grid-Connected Inverter
2.2. Voltage and Current Double Closed Loop PI Control Strategy Analysis
3. The Principle of Second-Order LADRC
3.1. Design of Third-Order LESO
3.2. Disturbance Compensation Link
3.3. Design of Linear State Error Feedback Control Rate
3.4. Parameters Tuning of Second-Order LADRC Controller
3.4.1. Parameters Tuning of Third-Order LESO
3.4.2. Parameters Setting of LSEF
4. Frequency Domain Characteristic Analysis of Third-Order LESO
4.1. Convergence and Estimation Error Analysis of Third-Order LESO
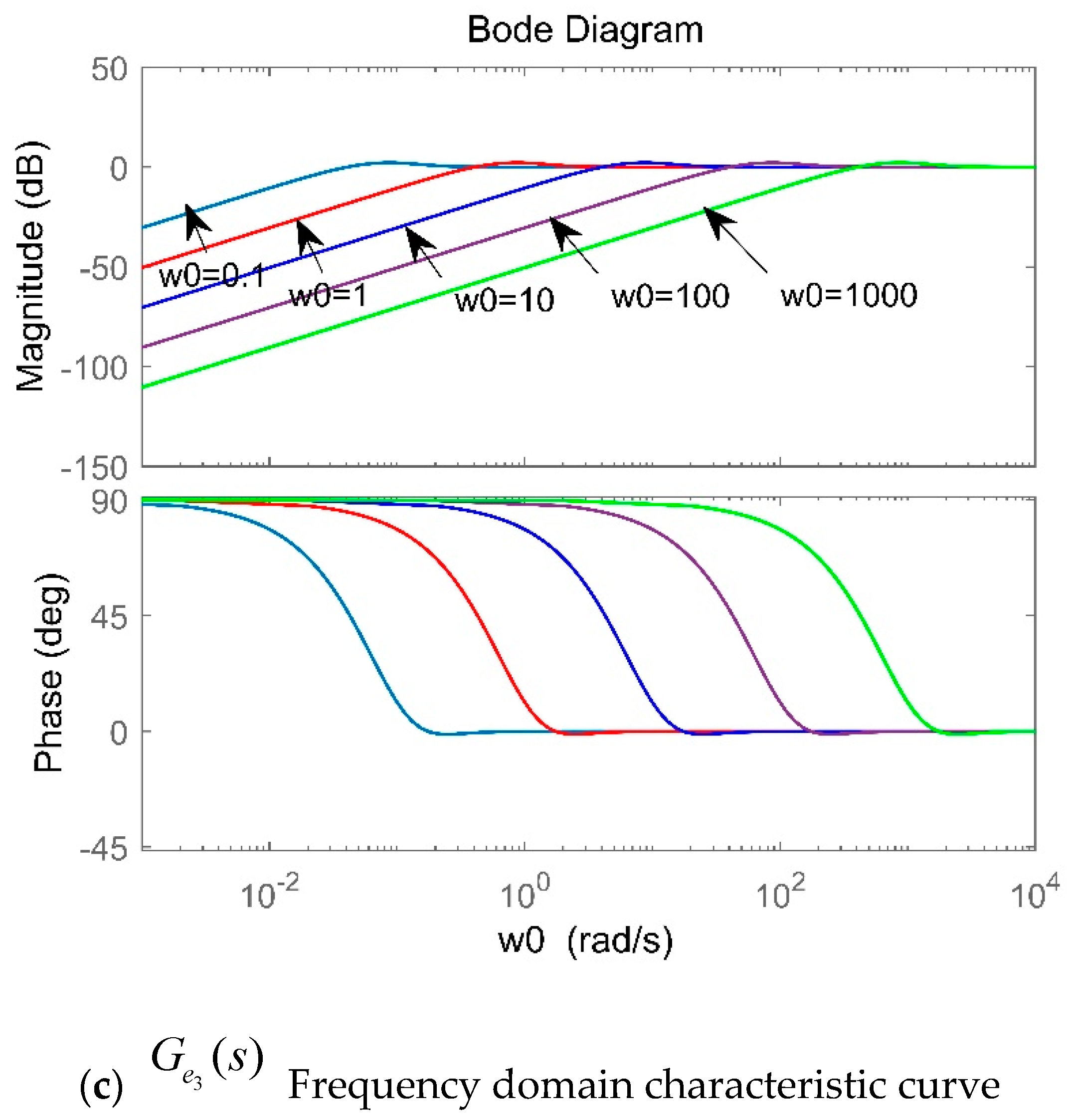
4.2. Analysis of the Influence of Total Disturbance on Third-Order LESO Performance
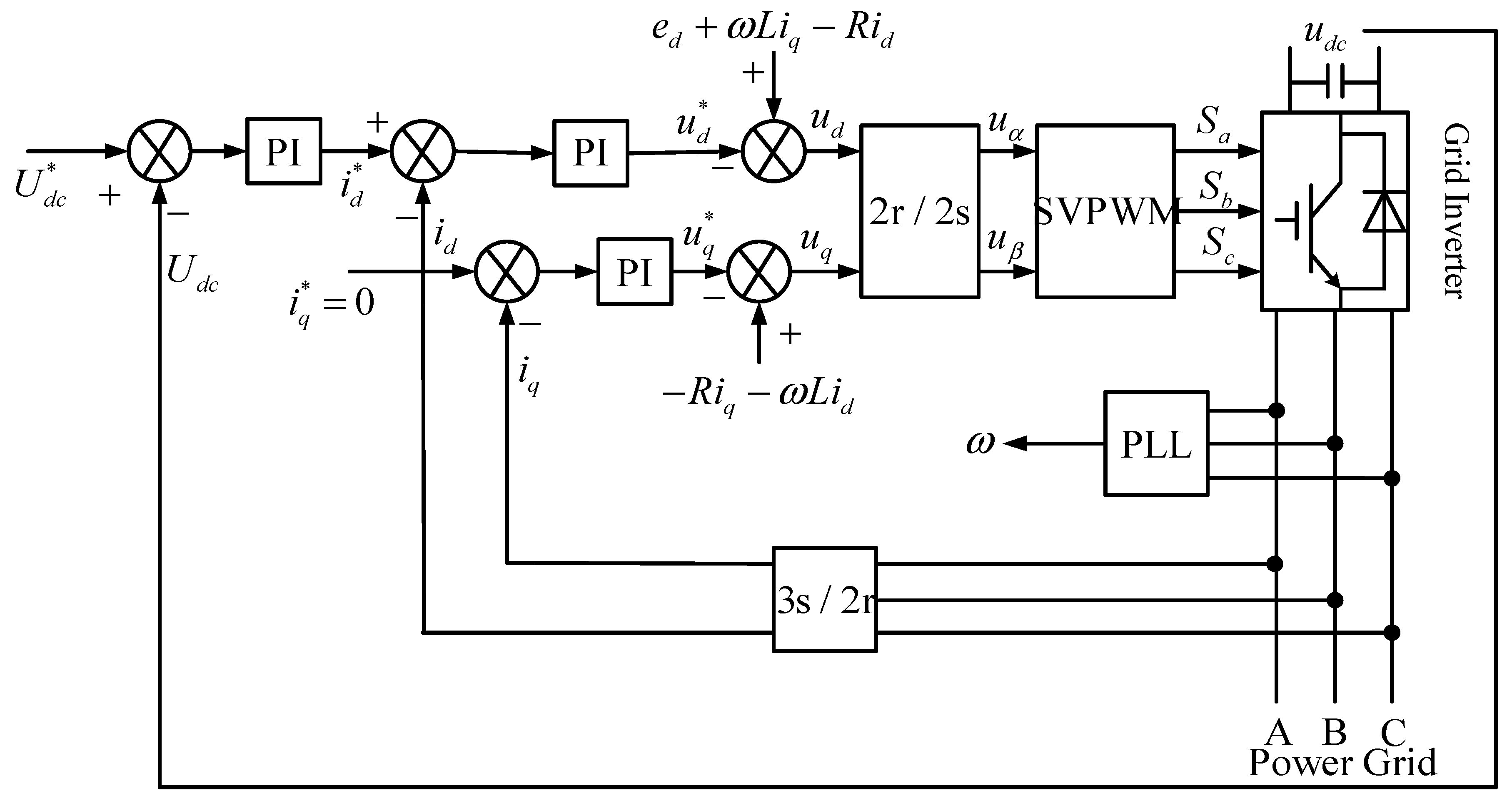
5. Design of Voltage Outer Loop Control System Based on Second-Order LADRC
6. Contrastive Simulation Analysis
6.1. Comparative Analysis of Steady-State Control Performance
6.2. Contrastive Analysis of Controller Immunity Characteristics
6.2.1. Comparison of Two Control Methods When the Grid Voltage Swell Symmetrically
6.2.2. Comparison of Two Control Methods When the Grid Voltage is Symmetrically Dropped
6.2.3. Comparative Analysis of DC Side Bus Voltage under Two Control Modes When the Motor Load Suddenly Changes
7. Conclusions
Author Contributions
Funding
Acknowledgments
Conflicts of Interest
References
- Soliman, M.A.; Hasanien, H.M.; Azazi, H.Z.; El-Kholy, E.E. An Adaptive Fuzzy Logic Control Strategy for Performance Enhancement of a Grid-Connected PMSG-Based Wind Turbine. IEEE Trans. Ind. Inf. 2019, 15, 3163–3173. [Google Scholar] [CrossRef]
- Liao, C.Y.; Lin, W.S.; Chen, Y.M.; Chou, C.Y. A PV Micro-inverter with PV current decoupling strategy. Title of the article. IEEE Trans. Power Electron. 2017, 32, 6544–6557. [Google Scholar] [CrossRef]
- Manoj, S.P.; Vijayakumari, A.; Sasi, K.K. Development of a Comprehensive MPPT for grid-connected wind turbine driven PMSG. Wind Energy 2019, 22, 732–744. [Google Scholar]
- Lee, S.W.; Chun, K.H. Adaptive Sliding Mode Control for PMSG Wind Turbine Systems. Energies 2019, 12, 595. [Google Scholar] [CrossRef]
- Liu, X.R.; Gao, C.; Wang, Z.L. A Nonlinear Disturbance Observer Based DC-bus Voltage Control for PV Grid-connected Inverter. Power Syst. Tech. 2019, 5, 1–11. Available online: https://kns.cnki.net/KCMS/detail/11.2410.TM.20190521.1646.001.html?uid=WEEvREcwSlJHSldRa1FhdXNXaEhoOG5DWWlTRVhmWEVmY1lPckdiTThjOD0=$9A4hF_YAuvQ5obgVAqNKPCYcEjKensW4IQMovwHtwkF4VYPoHbKxJw!!&v=MDc2NzBEa1dydkxJRjg9SVRyQmZiRzRIOWpNcW8xRVpPc0xZdzlNem1SbjZqNTdUM2ZscVdNMENMTDdSN3FlYnVkdUZp (accessed on 15 September 2019).
- Muslem, U.; Saad, M.; Marco, R. High Performance Modified Model Predictive Control of a Voltage Source Inverter. Electr. Power Compon. Syst. 2018, 46, 600–613. [Google Scholar]
- Youssef, E.; Mohammed, O.; Mohamed, M. A performance comparison of a nonlinear and a linear control for grid connected PMSG wind energy conversion system. Int. J. Electr. Power Energy Syst. 2015, 68, 180–194. [Google Scholar]
- Hossain, M.A.; Pota, H.R.; Haruni, A.M.O.; Hossain, M.J. DC-link voltage regulation of inverters to enhance microgrid stability during network contingencies. Electr. Power Syst. Res. 2017, 147, 233–244. [Google Scholar] [CrossRef]
- Yan, J.H.; Lin, H.Y.; Feng, Y.; Zhu, Z.Q. Control of a grid-connected direct-drive wind energy conversion system. Renew. Energy 2014, 66, 371–380. [Google Scholar] [CrossRef]
- Han, J.Q. Active Disturbance Rejection Control Technique-The Technique for Estimating and Compensating the Uncertainties; National Defense Industry Press: Beijing, China, 2008. [Google Scholar]
- Han, J.Q. From PID to active disturbance rejection control. IEEE Trans. Ind. Electron. 2009, 56, 900–906. [Google Scholar] [CrossRef]
- Yang, C.X.; Yang, X.; Yuri, A.W.S. An ADRC-Based Control Strategy for FRT Improvement of Wind Power Generation with a Doubly-Fed Induction Generator. Energies 2018, 11, 1150. [Google Scholar] [CrossRef]
- Coral, E.H.; Cortés, R.J.; Dorado, R. Rejection of varying-frequency periodic load disturbances in wind-turbines through active disturbance rejection-based control. Renew. Energy 2019, 141, 217–235. [Google Scholar] [CrossRef]
- Saleem, M.; Choi, K.Y.; Kim, R.Y. Resonance damping for an LCL filter type grid-connected inverter with active disturbance rejection control under grid impedance uncertainty. Int. J. Electr. Power Energy Syst. 2019, 109, 444–454. [Google Scholar] [CrossRef]
- Xu, X.N.; Zhou, X.S.; Ma, Y.J.; Gao, Z.Q. Micro Grid Operation Controller Based on ADRC. High Volt. Eng. 2016, 42, 3336–3346. [Google Scholar]
- Gao, Z. Active disturbance rejection control: A paradigm shift in feedback control system design. In Proceedings of the 2006 American Control Conference, Minneapolis, MN, USA, 14–16 June 2006; p. 7. [Google Scholar]
- Gao, Z. Scaling and bandwidth-parameterization based controller tuning. In Proceedings of the 2003 American Control Conference, Denver, CO, USA, 4–6 June 2003; pp. 4989–4996. [Google Scholar]
- Su, Z.Q.; Zhou, M.; Han, F.F.; Zhu, Y.W.; Song, D.L.; Guo, T.T. Attitude control of underwater glider combined reinforcement learning with active disturbance rejection control. J. Mar. Sci. Technol. 2019, 24, 686–704. [Google Scholar] [CrossRef]
- Zhao, L.; Dai, L.; Xia, Y.; Li, P. Attitude control for quadrotors subjected to wind disturbances via active disturbance rejection control and integral sliding mode control. Mech. Syst. Signal Process. 2019, 129, 531–545. [Google Scholar] [CrossRef]
- Wu, Y.; Wang, L.; Zhang, J.; Li, F. Path Following Control of Autonomous Ground Vehicle Based on Nonsingular Terminal Sliding mode and Active Disturbance Rejection Control. IEEE Trans. Veh. Technol. 2019, 7, 6379–6390. [Google Scholar] [CrossRef]
- Yuan, Y.; Wang, Z.; Yu, Y.; Guo, L.; Yang, H. Active disturbance rejection control for a pneumatic motion platform subject to actuator saturation: An extended state observer approach. Automatica 2019, 107, 353–361. [Google Scholar] [CrossRef]
- Lind, P.G.; VeraTudela, L.; Wächter, M.; Kühn, M.; Peinke, J. Normal behaviour models for wind turbine ibrations: Comparison of neural networks and a stochastic approach. Energies 2017, 10, 1944. [Google Scholar] [CrossRef]
- Yanghong, T.; Haixia, Z.; Ye, Z. A Simple-to-Implement Fault Diagnosis Method for Open Switch Fault in ind System PMSG Drives without Threshold Setting. Energies. 2018, 11, 2571. [Google Scholar] [CrossRef]
- Song, Z.; Tian, Y.; Yan, Z.; Chen, Z. Direct power control for three-phase two-level voltage source rectifiers based on extended-state observation. IEEE Trans. Ind. Electron. 2016, 63, 4593–4603. [Google Scholar] [CrossRef]
- Malinowski, M.; Jasinski, M.; Kazmierkowski, M.P. Simple direct power control of three-pase PWM rectifier using space-vector modulation (DPC-SVM). IEEE Trans. Ind. Electron. 2004, 51, 447–454. [Google Scholar] [CrossRef]
- Pu, Z.Q.; Yuan, R.Y.; Yi, J.Q.; Tan, X.M. A class of adaptive extended state observers for nonlinear disturbed systems. IEEE Trans. Ind. Electron. 2015, 62, 5858–5869. [Google Scholar] [CrossRef]
- Gao, Z.; Huang, Y.; Han, J. An alternative paradigm for control system design. In Proceedings of the 40th IEEE Conference on Decision and Control, Orlando, FL, USA, 4–7 December 2001. [Google Scholar]
- Herbst, G. A simulative study on Active Disturbance Rejection Control (ADRC) as a control tool for ractitioners. Electronics 2013, 2, 246–279. [Google Scholar] [CrossRef]
- He, T.; Wu, Z.; Shi, R.; Li, D.; Sun, L.; Wang, L.; Zheng, S. Maximum sensitivity-constrained data-driven ctive disturbance rejection control with application to airflow control in power plant. Energies 2019, 12, 231. [Google Scholar] [CrossRef]














| Parameter | Parameter Value |
|---|---|
| Base Power/MW | 1.5 |
| Base Voltage/V | 690 |
| Dc Bus Voltage/V | 1070 |
| Dc Bus Capacitance/ | 240 |
| Grid Side Incoming Line Equivalent Resistance/ | 0.942 |
| Grid Side LC Filter Capacitance/ | 147 |
| Grid Side LC Filter Inductance/ | 120 |
| Parameter | Parameter Value |
|---|---|
| Observer Bandwidth/ | 700 |
| Controller Bandwidth/ | 6000 |
| Outer Loop PI Controller Parameters/ | 38.4 |
| Outer Loop PI Controller Parameters/ | 6.144 |
| Inner Loop PI Controller Parameters/ | 0.2 |
| Inner Loop PI Controller Parameters/ | 1.57 |
© 2019 by the authors. Licensee MDPI, Basel, Switzerland. This article is an open access article distributed under the terms and conditions of the Creative Commons Attribution (CC BY) license (http://creativecommons.org/licenses/by/4.0/).
Share and Cite
Ma, Y.; Zhao, F.; Zhou, X.; Liu, M.; Yang, B. DC Side Bus Voltage Control of Wind Power Grid-Connected Inverter Based on Second-Order Linear Active Disturbance Rejection Control. Energies 2019, 12, 4274. https://doi.org/10.3390/en12224274
Ma Y, Zhao F, Zhou X, Liu M, Yang B. DC Side Bus Voltage Control of Wind Power Grid-Connected Inverter Based on Second-Order Linear Active Disturbance Rejection Control. Energies. 2019; 12(22):4274. https://doi.org/10.3390/en12224274
Chicago/Turabian StyleMa, Youjie, Faqing Zhao, Xuesong Zhou, Mao Liu, and Bao Yang. 2019. "DC Side Bus Voltage Control of Wind Power Grid-Connected Inverter Based on Second-Order Linear Active Disturbance Rejection Control" Energies 12, no. 22: 4274. https://doi.org/10.3390/en12224274
APA StyleMa, Y., Zhao, F., Zhou, X., Liu, M., & Yang, B. (2019). DC Side Bus Voltage Control of Wind Power Grid-Connected Inverter Based on Second-Order Linear Active Disturbance Rejection Control. Energies, 12(22), 4274. https://doi.org/10.3390/en12224274
