Next Article in Journal
Experimental Study of Performance Improvement of 3-Bed and 2-Evaporator Adsorption Chiller by Control Optimization
Previous Article in Journal
Thermal Analysis of the Factors Influencing Junction Temperature of LED Panel Sources
 
 
Font Type:
Arial Georgia Verdana
Font Size:
Aa Aa Aa
Line Spacing:
Column Width:
Background:
Article

Human Body Heat Based Thermoelectric Harvester with Ultra-Low Input Power Management System for Wireless Sensors Powering

1
School of Mechano-Electronic Engineering, Xidian University, Xi’an 710071, China
2
Department of Electrical & Computer Engineering, University of Alberta, Edmonton, AB T6R 2V4, Canada
3
Systems Research Institute, Polish Academy of Sciences, 01-447 Warsaw, Poland
4
Institute of Engineering Thermophysics, Chinese Academy of Sciences, Beijing 100190, China
*
Author to whom correspondence should be addressed.
Energies 2019, 12(20), 3942; https://doi.org/10.3390/en12203942
Submission received: 20 September 2019 / Revised: 11 October 2019 / Accepted: 14 October 2019 / Published: 17 October 2019

Abstract

Energy harvesting (EH) technique has been proposed as a favorable solution for addressing the power supply exhaustion in a wireless sensor node and prolong the operating time for a wireless sensor network. Thermoelectric energy generator (TEG) is a valuable device converting the waste heat into electricity which can be collected and stored for electronics. In this paper, the thermal energy from human body is captured and converted to the low electrical energy by means of thermoelectric energy harvester. The aim of presented work is utilizing the converted electricity to power the related electronic device and to extend the working life of a sensor node. Considering the related characteristics of TEG used for human, a type of a novel power management system is designed and presented to harvest generated electricity. The proposed circuit is developed based on off-the-shelf commercial chips, LTC3108 and BQ25504. It can accept the lowest input voltage of 20 mV, which is more suitable for human thermoelectric energy harvesting. Through experiments, developed energy harvesting system can effectively power the sensor to intermittently transmit the data as well as perform the converted energy storage. Compared to the independent commercial chips applications and other microcontroller-based energy harvesting systems, the designed thermoelectric energy harvester system presents the advantages not only in high energy storage utilization rate but also the ultra-low input voltage characteristic. Since the heat from human body is harvested, therefore, the system can possibly be used to power the sensor placed on human body and has practical applications such as physiological parameter monitoring.

Graphical Abstract

1. Introduction

As the rapid development of information based technique, the wireless sensor networks (WSNs) have been widely used to monitor multiple types of objects [1,2,3,4]. Conventional sensor node is powered by a small size lithium cell and limited by the capacity. For some particular cases, the remote or harming environment results in much inconvenience for replacing the battery. Thus, the limitation gradually becomes the obstacle of the development of WSNs. Several different technologies have emerged to address the issue and attempted to extend the working time of the network. The ultra-low self-energy dissipation integrated circuit technique contributes to decreasing the working power of the sensor nodes [5]. Moreover, the communication protocols and power management strategies between different nodes are also proposed to achieve this aim [6,7]. To coordinate the communication and transmission of each node, the developed protocol is capable of reducing the number of nodes wakens up and sampling in case of the specific mission can be guaranteed, thus lowering the power consumption of the whole network.
The proposed ‘saving’ schemes indeed prolong efficiently the working time of the network. However, it cannot solve the problem fundamentally to realize the permanent work of the sensor node. The energy harvesting (EH) technique therefore arises as a viable alternative to overcome the shortcoming of battery based WSNs. The EH can be used to collect power generated from the energy harvester and drive the electronic equipment. Generally, the energy harvester is able to convert the different kinds of ambient energy into electrical energy. According to various types of initial physical energy, the common energy harvesters can be divided into the solar panel, the piezo electric harvester, the thermoelectric generator (TEG), the biological battery among others. Considering the characteristics for each energy harvester, the TEG only utilizes the temperature gradient across the material to generate the electrical energy, which is not subject to other ambient restrictions. As long as the temperature difference exists, the TEG can be deemed as a continuous and no constraint energy source providing electricity. Thus, the TEG as an alternative power solution can be adopted to harvest the heat from human body and possibly drive the sensors placed on and in body used for healthy or medical application. The scheme eliminates the need of replacing the lithium battery and leads to the permanent operation for a sensor node if the temperature gradient exists. According to the features of TEGs, human body surface is considered as a hot source offering the constant temperature close to 35 °C and the environment normally lower than it, so used as cold source. Hence, this temperature gradient can be captured to generate tiny electrical energy via a TEG. Besides, some researchers have investigated the portable TEGs applying to human body to harvest the thermal energy, which contributes to the development of human thermal energy harvesting [8,9].
Normally, the produced electrical energy from TEG is always at lower level and unlikely to allow the related equipment to operate. So, the power management system (PMS) is proposed to convert the small amount of electrical energy into higher voltage for electronics using. The PMS helps the generated energy be transformed from μW to mW to power the electronic load effectively, is of significance to realize an energy harvester’s application in powering sensor node. Many researchers have investigated multiple forms in terms of power management circuit constitution. The existing developed power management schemes can be grouped into three types, namely discrete component-based system, commercial chip-based and integrated circuit-based system. Discrete component-based system is made up by a few independent components, such as the switching device (like MOSFET or IGBT) and a comparator. Besides, the off-the-shelf chips with the function of power management and DC conversion constitute the commercial chip-based system. This type of system normally has the mature applied circuit structure, which has less flexibility. The integrated circuit-based system applies the integrated circuit technology to establish the high integration PMS. The system has low self-power consumption while the development period is long and of high cost.
For some practical energy harvesters’ application, several researchers have paid close attention on improving the characteristics of energy harvester or PMS. Dias et al. [10] designed a thermoelectric energy harvesting system based on LTC3108 chip. On basis of the characteristics of the chip, the proposed system has relatively low acceptable input voltage, and the harvested electrical energy can power the sensor node effectively. However, the biggest drawback of this system is the lack of Maximum Power Point Tracking (MPPT) function, which leads to the lower efficiency of system and most thermal energy is wasted. This is due to the feature of utilized commercial power management chip as well as the reason of low conversion efficiency for energy harvesting system based on LTC3108. Therefore, more and more PMSs begin to take into account the MPPT function to ensure the whole conversion system have higher efficiency [11]. Ji Hoon Hyun et al. [12] presented an energy harvesting system with PV used. A portable compact LED lamp as the application object is powered by a power management circuit with a rechargeable battery. Another type of commercial power management chip BQ25504 is utilized to establish this PMS, which is embedded with the function of MPPT. The experimental results demonstrate that the system is able to power the LED in different time and location. The solar and light illuminations are both allowed the system working and charging the battery. Besides the high-performance chip integrating the MPPT function in order to improve the efficiency, some studies also utilize the micro-controller to process a few algorithms to realize the MPPT. The basic method is to detect the open circuit voltage from energy harvester, and through adjusting the equivalent resistance of connected power management circuit to match the internal resistance of harvester, thus the output power could have maximum value. Montecucco el al. [13] introduced an approach to measure the open circuit voltage of TEG of a power management circuit. According to change the equivalent resistance of used DC/DC converter, the TEG can output the maximum power and thus successfully improving the harvesting efficiency of system. Generally, in order to acquire the open circuit voltage corresponding current or voltage sensor is required. Following this way, not only the established system complexity but also the self-power consumption of the PMS will be increased. In addition, most of schemes detecting the open circuit voltage need disconnecting the energy harvester to power management circuit within a brief period, which is able to result in no energy can be harvested within the period. Bond and Park [14] built an experimental platform with several types of discrete electronic components. They proposed a hysteresis controller-based MPPT scheme, eliminating the usage of current sensor. The MSP430 micro-controller is used to complete the controlling functions for the Boost circuit. Thereby, avoiding the problem of TEG disconnection in the period of open circuit voltage detection. In order to further reduce the system self-power consumption, Carreon-Bautista et al. [15] designed an impedance matching MPPT scheme based Boost circuit. Proposed hardware circuit is integrated with CMOS technique to establish an ultra-low power consumption energy harvesting system. Moreover, the introduced system is compared with other harvesting schemes and it is proved that the proposed circuit has higher efficiency and lower self-power consumption.
In addition to the successful application of TEGs with large scale to harvest wasted thermal energy [16,17], for implementing related energy harvesting system on the human body to power the wearable electronics, many efforts have been directed to this field. Some of studies evaluated the TEG’s application on the human body thermal energy harvesting. Thielen et al. [18] divided the existed TEG module into two classes, i.e., the μTEG and mTEG. These two types of TEGs with widely used off-the-shelf power management chips are used to establish different energy harvesting systems applied to human body to drive the wearable devices. The output characteristics of developed systems in different environments are compared as well. However, the human body-based energy harvesting system not only requires that the energy harvester exhibits flexibility and extensibility but also needs the PMS keep simple structure and small size. Guan et al. [19] used a commercial chip and an independent harvesting circuit to establish a two-stage thermoelectric energy harvesting system. Via using a low power consumption microprocessor to achieve system self-starting, maximum power tracking and other function. The work also compared the efficiency of circuit with the typical commercial chip-based scheme to demonstrate the superiority of proposed system. Introduced approach can effectively utilize the heat energy generated by the human body, while the system is complicated, and the developed hardware circuit has a large size. Whereas, the energy harvesting rate is nearly 65% in this system. The micro-controller unit (MCU) still consume a large part of converted energy especially when the input power merely allows the system to transmit data without any extra-power stored.
Thus, as mentioned above, the design of PMS significantly affects the application of EH technology in practical sensor driving. The conversion efficiency of PMS has once been identified as the main issue in development of PMS in order to collect more energy [19]. Therefore, it results in plenty of work beginning to take into account the MPPT algorithms applied in circuit controlling. The micro-controller and other types of sensors are generally employed for the high-performance MPPT algorithms implementation. Whereas, one conflict has emerged that the utilized electronic devices still account for and consume a large proportion of the total harvested energy although the MPPT has allowed more power to be converted, and few energies can be used for load.
In order to develop a human body-based energy harvesting system to drive the related electronics, the next stage of focus should be reducing the size and self-power consumption of power management circuit and increasing the conversion efficiency of energy harvesting system. Developing a PMS which has wide input voltage range, lower acceptable input voltage, higher efficiency and small size will contribute to the development of self-powered wireless sensor system. Thus, a novel PMS used for human body-based thermal energy harvesting is developed in this paper. The designed PMS is established based on the commercial chips instead of utilizing the MCU to realize the voltage improvement and ensures that the harvested energy can be utilized to drive the sensor nodes completely. The system has the feature of small size and is capable of accepting the input voltage as low as 20 mV, which is more applicable to the human body-based application.
The paper is organized as follows. Section 2 will introduce the background knowledge of thermal energy harvesting system. The main design of human body-based PMS is discussed in Section 3. Moreover, Section 4 will demonstrate the related functions and present the experimental results. Finally, the conclusion is conducted in Section 5 and the future work is introduced as well in this section.

2. Materials and Methods

In this section, the related knowledge of TEG is briefly recalled, including the operating principle and the fundamental electrical characteristics.

2.1. Basic Principle of TEG Application

As a kind of solid-state devices, the thermoelectric generator utilizes the Seebeck effect to transform the thermal energy into electricity [20]. Commonly, two different thermal conductivity semiconductors are used to fabricate the thermocouple and a TEG is composed of multiple thermocouples. The internal carrier of the materials will move from hot terminal to cold terminal whilst the external temperature gradient is being applied to the TEG, and thus the free electrons within n-type thermocouples and free holes within t-type thermocouples enable the electromotive force to be formed [21]. The produced voltage is proportional to the temperature difference applied to the both sides of the TEG, which is represented as follows.
V o c = α Δ T TEG
where the alpha is the Seebeck coefficient. The ΔTTEG is the temperature difference across the TEG and the Voc is the open circuit voltage of TEG. The Seebeck effect reveals the basic principle of thermo-electrical conversion. Therefore, to obtain the relatively higher level of produced voltage, adopting the TEG with larger Seebeck coefficient or promoting the temperature gradient across the material will contribute to the voltage increase.
Generally, the TEG with high electric resistance while has low thermal resistance can be defined as the mTEG consisting of small number of thermocouples. Nevertheless, the other type namely μTEG normally has big electric resistance value and small thermal resistance [18]. With advanced manufacturing technique, the μTEG is fabricated with high density of thermocouples [22]. For practical application, the mTEG normally generates relatively tiny output voltage and it requires the post-connected power management circuit to accept low input voltage. For higher produced voltage level from μTEG, although the output voltage is able to allow much flexibility of PMS, the high internal electric resistance requests the MPPT function of the circuit to improve the efficiency particularly when the temperature difference is relatively small.
The human skin and the environment can be recognized as the infinite heat sources. The human body is able to be applied as the hot source since the temperature of skin is stably close to 37 °C and the ambient temperature as cold source normally is lower than the human’s. It is worth noting that the hot side of a TEG is supposed to contact to the human skin and cold side is exposed to air while the heat from human body is being harvested [8]. So that, ensuring the human skin’s temperature higher than ambient is an essential operating condition in this system. When applying the TEG to the human body, the biggest obstacle for developing the system is the tiny temperature gradient across the equipment, thus causing the small output voltage level. Additionally, the temperature gradient is difficult to be maintained due to the heat conduction effect, leading to the generated voltage gradually decreases to zero. However, Lossec et al. [23] proposed several approaches to enhance the output performance of the TEG applied to the human body. For example, the heat sink is supposed to be pasted to the cold side to maintain the temperature difference to guarantee the stable temperature gradient across the TEG. It is noticeable that the applied heat sink requires matching the thermal resistance of TEG. Besides, it is necessary to stack several pieces of TEGs to be connected thermally in parallel and electrically in series to improve the output voltage level. In addition to reform the TEG self, the increase of airflow on the cold side is able to decrease the thermal resistance and enhance the heat exchange [24]. Therefore, the output power of TEG is also improved due to the variation of external environment.

2.2. Characteristics of TEG

TEG is capable of converting the thermal energy into electrical energy, so that it can be treated as a nonlinear power source. It is essential to investigate the relevant electrical characteristics of TEG to acquire the best performance in application. Although the output characteristic curve of TEG has nonlinear feature, it is still can be considered as a linear power source in the moment. Figure 1 gives a common electrical equivalent model of the TEG.
From the figure, the TEG can be seen as an ideal power source, i.e., a resistor connecting to a voltage source. The RG represents the sum of thermocouples resistors of a TEG because the internal thermocouples are connected electrically in series. The connected PMS circuit is considered as an equivalent resistor RL. Hence, the output power of TEG can be determined in the following way.
P o = E 2 ( R G + R L ) 2 R L
where E is the open circuit voltage of TEG. RL is the equivalent resistance of externally connected circuit. RG is the internal resistance of the TEG. Po is the output power of TEG.
According to Equation (2), the maximum output power is obtained when the connected equivalent resistor is equal to internal resistance of TEG. At this time, the output voltage from TEG is the half of the open circuit voltage. Thus, the relevant technique maintaining the external equivalent match the internal resistance of TEG is called MPPT, which has capability to guarantee the maximum efficiency of TEG.

3. Human Body Based Thermal Energy Harvesting System

Basically, the structure of an energy harvesting system for powering the sensor node in a WSN is composed of the energy harvester, the PMS, the energy storage element and the voltage regulator. Generally, the produced electricity coming from energy harvester is processed and boosted via the PMS and subsequently stored in the supercapacitor or rechargeable battery. Depending on different applications, the voltage regulator sometimes is omitted and the power storage unit directly connects to the electronic load, as in the design outlined in [25].

3.1. Basic Form of Proposed PMS

As involved previously, the design of PMS significantly affects the comprehensive performance of entire energy harvesting system and the existing three types of PMS design are not all appropriate for the human based-energy harvesting scenario to some extent. The discrete component-based system is flexibly designed and the related high efficiency algorithms for MPPT can be applied as well. Nevertheless, the applied algorithms normally require the MCU to control the connecting and disconnecting of switching device to realize the voltage improvement. The MCU and applied switching circuit generally increase the size of entire system, which is not fit to the human case. Moreover, the commonly used MCU consumes the harvested energy for algorithm realization as well, which results that little energy can be stored in the battery or supercapacitor [26]. For commercial chip-based systems, the characteristics and functions of the integrated chip have been determined before use and the circuit developed based on commercial chips normally has relatively low conversion efficiency. Nevertheless, although the small size and functionality can both be guaranteed with integrated circuit technique, the complicated manufacturing process and expensive cost restrict the experimental tests and application attempt. This paper mainly utilizes the off-the-shelf chips to establish the circuit of PMS. Analyzing the different chips’ characteristics, the individual shortcomings for commercial chips can be improved in proposed PMS.

3.2. Design and Operation Principle of Proposed PMS

The proposed PMS is designed based on two different off-the-shelf chips, namely the LTC3108 (Linear Technology) and BQ25504 (TI). Both Integrated Circuit (IC) chips are the highly integrated power management chips and appropriate for energy harvesting applied to WSN. The LTC3108 has a wider range of applications because of its acceptable extreme low input voltage. Through configuring the relevant step-up transformer, the lowest input voltage is able to achieve the level of 20 mV. However, the lack of MPPT function entails that the integrated converter cannot adjust its internal resistance to realize the resistance match between the converter and the input voltage source. Thus, the system only operates with the small internal resistance of input source and normally has the relatively low efficiency. For the other integrated converter BQ25504, the most obvious advantage is the embedded programmable MPPT function so that much more energy can be harvested via resistance matching. Moreover, the battery protect function also contributes to the intelligence of the chip and expands the application of system. Nevertheless, the high cold-start voltage of 330 mV requires big degrees of temperature difference existing for a period to drive BQ25504 to quit the cold start period. When the system enters the normal working stage, it accepts as low as 80 mV input voltage [27]. Therefore, a type of design combining the respective advantages of two widely used chips is given much thought in this paper.
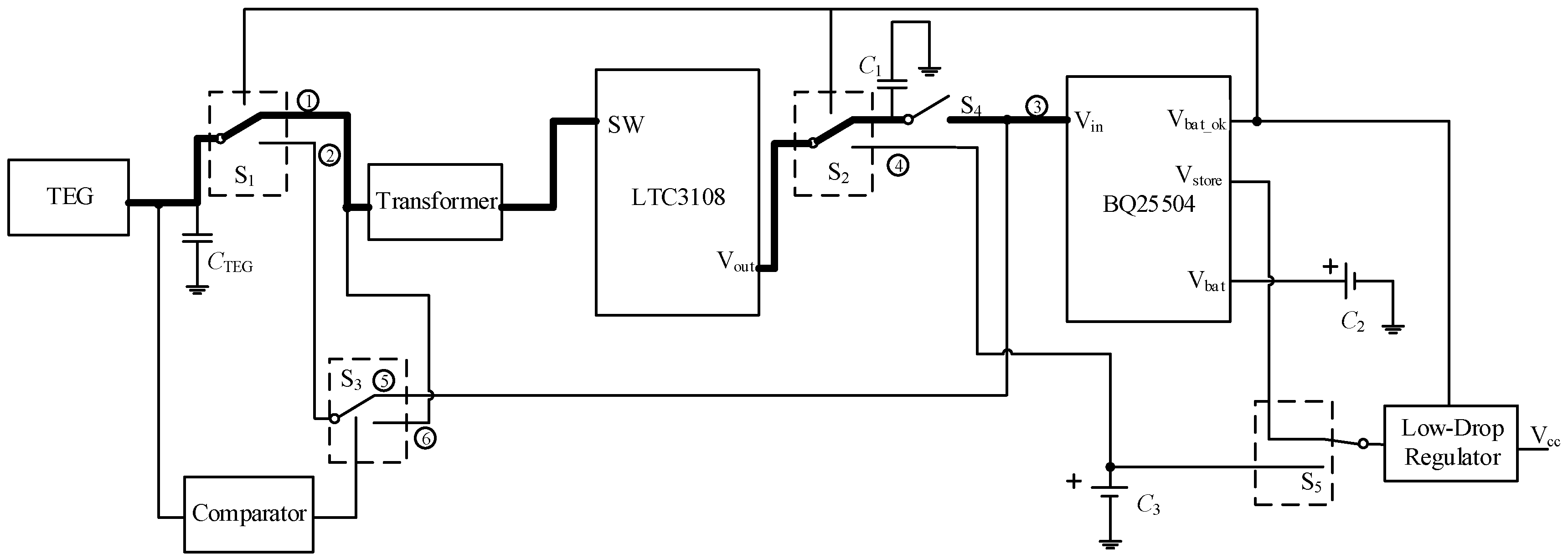
Besides the consideration in terms of the allowable minimum operating voltage, the converting efficiency is also taken into account in whole system establishment. From the datasheet of two chips, the LTC3108 has relatively high efficiency (20–32%) whilst the input voltage under 150 mV. On the contrary, higher efficiency (30–80%) can be realized when the input voltage of BQ25504 is greater than 150 mV [27,28]. Hence, according to different generated voltage from TEG different operating chips can be adopted. Therefore, not only the minimum acceptable input voltage but also the efficiency of system can be guaranteed. The developed circuit scheme’s diagram of PMS is shown in Figure 2.
2:1 multiplexer switches S1, S2, S3, and S5 are adopted to implement different operation modes according to input voltage value. The entire system is established by means of transformer based LTC3108 solution and BQ25504 scheme. On basis of the related resistors connection, the battery protection and MPPT functionality are able to be realized. The highest charged voltage is 3.35 V and the lowest discharged voltage is 2.3 V for connected voltage storage element C2. It therefore enables the linear voltage regulator can output the stable voltage for electronics load. The main energy storage elements are C2 and C3. Generally, C2 requires an initial voltage to power the switch conduction. The initial voltage normally is determined by the powering voltage of used switches and comparator, specified as 2.3 V in this paper. The initial voltage is used to power the multiplexer and switch at the beginning period and help the BQ25504 quit the cold-start period in first stage. The whole working period can be divided into three stages and stated as follows.

3.2.1. Start-up Period

In this period, it is assumed that the system has not started up and the TEGs are connected to the PMS initially. The voltage boosting characteristics of LTC3108 are utilized at this moment to assist the BQ25504 chip quitting the cold start period. The corresponding operating principle is outlined in Figure 3. From Figure 3, the TEGs connect to the LTC3108 system via the path 1 of selection of S1. Thus, the tiny generated voltage is able to be improved by the converter and stored into C1 through path 3. Once the voltage of C1 reaches 1.25 V, S4 will conduct, the voltage on C1 will enable the BQ25504 quit the cold start period immediately and generate a high level signal to indicate that the system can power the load. This indication can also be the signal for switching different paths of S1 and S2.

3.2.2. High Temperature Gradient Working Period

Assuming that the input voltage is higher than 150 mV at this stage, and it normally requires large temperature difference. TEGs connect to the input of BQ25504 via path 1, 5 and 3. The system realizes the energy harvesting mainly depending on BQ25504 and perform MPPT and battery protection functions. In this stage, connected battery will be charged up to 3.35 V. Whereas, when the battery voltage is lower than 2.28 V, the indicating signal from Vbat_ok will disappear and the system will re-enter the stage 1. Boosted voltage is stored into rechargeable battery C2 and regulated by a Low Dropout Regulator (LDO) to drive the electronics in a stable way. Figure 4 shows related working process realized in this period.

3.2.3. Ultra-low Input Period

When small temperature gradient results in tiny voltage generated, the system is able to operate in ultra-low input stage period. During this period, system’s input voltage is considered to be lower than 150 mV. The working path is displayed in Figure 5. The comparator with low self-power consumption generates the indication signal for S3. For realizing relatively high conversion efficiency, LTC3108 carries out the function of energy harvesting in this stage. The boosted voltage is stored in C3 which is subsequently regulated by LDO to obtain a stable voltage.
Moreover, for relevant configuration in proposed circuit, the transformer is selected with 1:100 ratios to obtain the lowest acceptable input voltage. LTC3108 is installed to output 3.3 V according its related pins’ connection. For selection of C1, it is recognized as the storage capacitor of LTC3108 and provides the input energy for BQ25504 during the start-up period. Thus, the capacitance value is not supposed to be big because only 15 μW is enough for BQ25504 quitting the cold-start period and the short charging time can be obtained as well. The LDO is considered to produce a constant voltage 2.3 V for electronics used. It is worthy to notice that the initial voltage of C2 or C3 is essential because the system needs the voltage to drive the analog switch conducting at the first time and allows the power flow. Related working principles in proposed PMS are summarized in Table 1. The corresponding used main electronic components are listed in Table 2. The power consumption of used electronic components is supposed to be taken into account significantly, so that ultra-low self-power consumption comparator is selected.

4. Experimental Studies

The practical experiments and tests are presented in this section. At first, the utilized TEG modules and its electrical characteristics are analyzed. Next different working modes are validated and the functionality of proposed thermal harvesting system is demonstrated as well.

4.1. TEGs Establishment

According to the foremost analysis of TEG presented in Section 2, the internal characteristics determine the power output performance of TEG. Therefore, for human applied case the big Seebeck coefficient of a piece of TEG is supposed to be a significant factor affecting the output voltage level. Considering the cost and performance of a TEG, the Seebeck module GM200-71-14-16 is adopted. Moreover, several pieces of TEG are stacked to enhance the output power. Multiple TEGs are supposed to be connected electrically in series and thermally in parallel. The thermal compound adhesive is utilized to paste TEGs and heat sink (ICK S 50 × 50 × 20). A heat sink is also significant to maintain the temperature difference across the TEG to acquire a stable output voltage. The thermal resistance of the heat sink should match the TEG’s thermal resistance in order to realize better performance. The used TEGs shown in Figure 6 and Figure 7 expresses the related electrical characteristic of TEG obtained in the experiments.
From the figure, one concludes that the relationship between the temperature difference and output voltage is approximately linear. The scope of the linear function is the Seebeck coefficient. Furthermore, from the experimental results, the output voltage increases as the number of stacks increases and corresponding characteristic can be derived. For example, when the environment temperature is 26.3 °C and the temperature of skin is 33.5 °C, the internal resistance of three TEGs stacked is nearly 5.2 Ω and the open circuit voltage is approximately 110 mV. In this case, the maximum output power is 581 μW. It is sufficient for the general electronics used.

4.2. Whole System Test

The system hardware implementation is shown in Figure 8. The designed PMS circuit is integrated into a printed circuit board (PCB) with the size of 3 cm × 3 cm. The practical application for proposed system (total weight is about 110 g) is shown in Figure 9. TEGs are placed on the wrist of the human body to harvest the thermal energy. For wireless application, a digital temperature and humidity sensor SHT20 is adopted as a wearable sensor because of its tiny size (3 × 3 × 1.1 mm). It accepts wide voltage supply from 2.1 V–3.6 V and only consumes 0.15 μA in the sleep mode. On average, the sensor has only 3.2 μW power dissipation which is suitable for low power-consumption wireless transmission case. Besides, the wireless communication unit is selected according to the communication distance and power consumption. A ZigBee module (CC2530) with system-on-chip solution and embedded with 8051 low-power controller is selected as the wireless transmission unit [29]. The wider power supply and the developing interface Z-Stack allow the CC2530 applying to many different circumstances. To seriously decrease the average power consumption of CC2530, system will enter sleep mode whilst no sampling and transmission missions need to be completed. Designed PMS provides 2.3 V both for wireless transmission unit and sensor. Hence, periodic temperature data transmission can be realized.
For start-up period, the corresponding test waveform is given in Figure 10. With the input voltage of 130 mV, at the beginning, the energy is boosted by LTC3108 and stored into C1 for a while. When the voltage on C1 is higher than 1.25 V, switch 4 can be conducted to allow the power input into BQ25504. Thus, the BQ25504 quits the cold start period rapidly and internally connects the Vbat into Vstore pin. The initially stored voltage on related storage unit of the chip will enable the system to produce a high level signal for subsequent path changing. Therefore, system will enter the second or third period, and the voltage on storage component can be charged into pre-set value. The system is able to provide a stable 2.3 V voltage for sensor and ZigBee units.
Additionally, it is also essential to evaluate the self-power consumption of proposed energy harvesting system. For system static power consumption, it consists of used switch components and comparators. However, the main power consumption is the dynamic power consumption leaded by sensing and transmitting modules. Those are calculated as follows.
P n o d e = P m + P t + P s
P a v e r a g e = P m t 1 + P t t 2 + P s t 3 T
where Pm represents the sensor node’s power consumption for sensor measuring; Pt denotes the transmitting power consumption and when system operates with sleep mode the related power consumption is shown as Ps. Pnode is the total power consumption of a sensor node. Paverage is the total average consumption of a node under the specific transmission period. t1, t2 and t3 are the operating time of measuring, transmitting and sleeping respectively.
Before evaluating the corresponding operation performance of proposed PMS, the system extra power consumption caused by multiplexers and comparator can be calculated via the working current and powering voltage. According to the datasheet, this part of consumption is about 4.64 μW. Applying the whole system to human body, when the environment temperature is 23.2 °C and human’s skin is 33.4 °C open circuit voltage of used TEGs is 168mV. Connecting the proposed PMS, system input voltage is 104 mV and input power is 1272.4 μW. With 65 s periodical transmission task, from Equation (3), there is 34.6 μW power consumed by sensor and ZigBee module in one period. According to the test, stored power is 302.7 μW and the converting efficiency is 26.5%.
When the input voltage increases as 180 mV, system enters into high temperature gradient working period. Generated energy coming from TEGs is collected mainly by BQ25504. The input power is able to reach 1620 μW. With the same periodical transmission, the stored energy is 336.9 μW. Thus, the conversion efficiency is 20.8%. One can note that the efficiency of BQ25504 based system is increased with the raise of input voltage on basis of its characteristics. However, the higher input voltage requires much more temperature difference across the TEG. To realize the higher efficiency in this paper, a temperature gradient greater than 30 degrees is normally required. Hence, it is not suitable for human based scenario. Otherwise, increasing the number of used TEGs or considering the advanced TEG with higher performance is likely to be the possible solution for this condition.

4.3. System Analysis

According to the experimental test, three designed working periods are validated successfully. For start-up period, the required input voltage is above 20 mV. According to the voltage improving function of LTC3108, the boosted voltage is firstly stored into a capacitor and subsequently drives the BQ25504 quit the cold-start period and enable the related functions. After the system successfully starts up, the system will enter into different periods on basis of input voltage level. The conversion efficiency for each working period depends on respective characteristics of single chip. The corresponding operating features are expressed in Table 3 and the efficiency of proposed system is presented in Figure 11.
From the table and figure, the developed system indeed has relatively low conversion efficiency compared with other MCU based schemes employing the MPPT algorithm (like in [22]). Proposed system only operates MPPT function whilst the input voltage is higher than 150 mV. However, the storing rate in our system enable the most of converted energy can be stored into storage element. For a specific application scenario, such as the human heat harvesting, majority of converted electrical energy does not allow to be consumed by the MCU despite the conversion efficiency has been improved, because the produced thermal energy from human is quite low. Furthermore, relatively larger size of MCU based PMS enables the human body-based energy harvesting system not convenient.
It is noticeable that several investigations of TEG design have been paid close attention. In [9], an optimal design of TEG has been presented and tested on different placement of a human body. The developed TEG structure has relatively high wearable performance. The power density of proposed TEG can reach more than 20 μW/cm2 and the open circuit voltage is about 15 mV during the human body worn experiments. Additionally, Ref. [30] designed a novel bulk legs and liquid metal TEG with new approach. Corresponding TEG has perfect performance not only in size but also the output power. It can produce 29 μW with 11 mV output voltage in human test. However, although more and more researches have emerged to improve the characteristic of TEG module, the output voltage and power still keep at ultra-low level and are unlikely to power commonly used electronics. Thus, the use of PMS is continuously necessary. As involved before, the existed PMS can be divided into three groups. For the discrete component based scheme, the controller is normally adopted to complete MPPT function in order to obtain a higher conversion. Ref. [10,19,31] all utilize the MSP430 to implement the related MPPT algorithms. For these schemes, the system consumed current is relatively larger because that the MSP430 averagely consumes more than 10 μA (under the 180 s transmission period) current even though it operates under the ultra-low power consumption mode. In our system, only average 5.54 μA current can is consumed if the transmission period to be extended to the 180 s as well. Integrated circuit based PMSs exhibit the advantages in small self-power consumption and high working efficiency. Due to the relevant fabrication limitation, the lowest acceptable voltage is higher than 20 mV and has narrow input voltage range than other kinds of PMS. Proposed system in our work is capable of accepting input voltage between 20 mV to 3 V. For the work of [15], although it allows the input voltage to be as low as 20 mV, the impedance match range (33.33 Ω–2.7k Ω) limits the input source to be the array of TEGs instead of few pieces. Our designed PMS could match the resistance from 1 Ω to 15 Ω, which allows small number of TEGs can be used. Therefore, our work is capable of showing the wide input voltage range and lower system current consumption than MCU based system. Even if there are no advantages over the integrated circuit based PMS in terms of conversion efficiency, it still provides guidance for those who would like to utilize the commercial chips based PMS to establish the energy harvesting system especially the input power is extremely low.
Therefore, our system has advantages in the relatively small size for possibly being wore at the wrist to power some wearable devices on human body. Additionally, compared with individually used commercial chips, proposed system improves the lack of MPPT function in LTC3108 and high cold-start voltage of BQ25504. The three working modes allow the proposed PMS not only can be used in human heat harvesting case (low input voltage) but also other relatively high input voltage cases, such as solar power harvesting and radiant energy harvesting.
Another point of general concern is the self-power consumption of PMS. In proposed system, the chief power consumption for entire system is affected by the averaged dynamic power consumption of sensor and transmission units. From the Equation (3), sleeping time of ZigBee module seriously influence the average power consumption. Hence, increasing sleeping time or transmitting period will result in much less average power consumption of electronic load and requires less input power, i.e., low requirements for ambient temperature differences.

5. Conclusions and Future Work

This paper presents a type of human body-based thermal energy harvesting system aimed to power the related wearable sensor applied to human. TEGs are considered as the energy harvester to convert the thermal energy into electrical energy. A novel power management circuit is proposed based on the commercial off-the-shelf chips. The PMS has the advantages of accepting much lower input voltage, i.e., 20 mV. According to the experiments, the proposed system is appropriate for human body thermal energy harvesting case with worn on wrist. Even if the TEGs adopted in experiment does not present the portable performance for better wearing, the designed system has been validated successfully and can also possibly be used with more flexible TEGs to realize the wearable application. Although the system has relatively low conversion efficiency caused by the chip’s self-feature, comparing with another PMS schemes utilizing the MCU to improve the efficiency the proposed system allows the harvested energy to power the sensor and wireless transmission modules merely instead of powering MCU with extra harvested power. The wide acceptable input voltage range helps the proposed PMS applied to a variety of energy harvesting applications as well.
From the experimental validation on human body, the used temperature sensor can be successfully powered from the proposed energy harvesting system periodically. With the 104 mV input voltage from TEGs applied to human body and 65 s transmission period, 302.7 μW power is capable of being harvested in the supercapacitor. The conversion efficiency is 26.5% and 89.7% of harvested power is stored into the storage component. When the input voltage reaches 180 mV, 1620 μW power is produced from TEG and 336.9 μW power can be collected into rechargeable battery. Nevertheless, for proposed energy harvesting system with wireless sensor system, longer transmission period is likely to lead to lower input voltage and power, which can decrease the requirement of temperature difference and environment.
However, the proposed PMS mainly utilizes the off-the-shelf commercial chips and switches to realize different working stages. The initial voltage for driving the relevant switches to be conducted is essential, which enables the system cannot start up without any stored energy initially. Moreover, the efficiency of entire system is still to be considered to improve even if the utilization rate of transformed power is relatively high. Therefore, the future work is supposed to concentrate on the improving the system efficiency, reducing the restriction of initial conditions and minimize the system size of PMS.

Author Contributions

C.X. designed the whole system and wrote the paper. D.Z. provided the guidance of whole work. W.P. improved the English written. K.F. and Y.G. helped to improve the experiment and paper quality.

Funding

This research was funded by the National Natural Science Foundation of China (No. 61201021) and the Fundamental Research Funds for Central Universities and the Innovation Fund of Xidian University (No. 20108184136).

Acknowledgments

The author would like to acknowledge the support from Rob Seager of the Wolfson School of Loughborough University.

Conflicts of Interest

The authors declare no conflict of interest.

Abbreviations

αSeebeck coefficient
ΔTEGTemperature Difference of a TEG
EElectromotive force
PaverageAverage consumption of a node
PmPower consumption for sensor measuring
PnodePower consumption of a sensor node
PoOutput power
PsPower consumption for sensor sleeping
PtPower consumption for sensor transmitting
RGInternal resistance
RLEquivalent resistance of load
t1Operating time of measuring
t2Operating time of transmitting
t3Operating time of sleeping
TTransmission period
VocOpen circuit voltage
PtPower consumption for sensor transmitting

References

  1. Karimi, N.; Arabhosseini, A.; Karimi, M.; Kianmehr, M.H. Web-based monitoring system using Wireless Sensor Networks for traditional vineyards and grape drying buildings. Comput. Electron. Agric. 2018, 144, 269–283. [Google Scholar] [CrossRef]
  2. Kanwal, K.; Liaquat, A.; Mughal, M.; Abbasi, A.R.; Aamir, M. Towards Development of a Low Cost Early Fire Detection System Using Wireless Sensor Network and Machine Vision. Wirel. Pers. Commun. 2017, 95, 475–489. [Google Scholar] [CrossRef]
  3. Hao, W.; Jasim, A.; Chen, X. Energy harvesting technologies in roadway and bridge for different applications—A comprehensive review. Appl. Energy 2018, 212, 1083–1094. [Google Scholar]
  4. Li, C.T.; Wu, T.Y.; Chen, C.L.; Lee, C.C.; Chen, C.M. An Efficient User Authentication and User Anonymity Scheme with Provably Security for IoT-Based Medical Care System. Sensors 2017, 17, 1482. [Google Scholar] [CrossRef] [PubMed]
  5. Suntharalingam, V.; Berger, R.; Burns, J.A.; Chen, C.K. In Megapixel CMOS image sensor fabricated in three-dimensional integrated circuit technology. In Proceedings of the ISSCC, 2005 IEEE International, Digest of Technical Papers. Solid-State Circuits Conference, San Francisco, CA, USA, 10 February 2005; Volume 1, pp. 356–357. [Google Scholar]
  6. Lin, C.; He, Y.X.; Xiong, N. An Energy-Efficient Dynamic Power Management in Wireless Sensor Networks. In Proceedings of the 5th International Symposium on Parallel & Distributed Computing, Timisoara, Romania, 6–9 July 2006; pp. 148–154. [Google Scholar]
  7. Xin, Y.; Ling, W.; Zhang, Z. Wireless Body Area Networks MAC Protocol for Energy Efficiency and Extending Lifetime. IEEE Sens. Lett. 2018, 2, 1–4. [Google Scholar]
  8. Lu, Z.; Zhang, H.; Mao, C.; Chang, M.L. Silk fabric-based wearable thermoelectric generator for energy harvesting from the human body. Appl. Energy 2016, 164, 57–63. [Google Scholar] [CrossRef]
  9. Hyland, M.; Hunter, H.; Jie, L.; Veety, E.; Vashaee, D. Wearable thermoelectric generators for human body heat harvesting. Appl. Energy 2016, 182, 518–524. [Google Scholar] [CrossRef]
  10. Dias, P.C.; Morais, F.J.O.; França, M.B.D.M.; Ferreira, E.C.; Cabot, A.; Dias, J.A.S. Autonomous Multisensor System Powered by a Solar Thermoelectric Energy Harvester with Ultralow-Power Management Circuit. IEEE Trans. Instrum. Meas. 2015, 64, 2918–2925. [Google Scholar] [CrossRef]
  11. Kwan, T.H.; Wu, X. The Lock-On Mechanism MPPT algorithm as applied to the hybrid photovoltaic cell and thermoelectric generator system. Appl. Energy 2017, 204, 873–886. [Google Scholar] [CrossRef]
  12. Ji, H.H.; Dong, S.H.; Han, D.D.; Kyung, C.M. A solar energy harvesting system for a portable compact LED lamp. In Proceedings of the IECON 2015—41st Annual Conference of the IEEE Industrial Electronics Society, Yokohama, Japan, 9–12 November 2016; pp. 001616–001621. [Google Scholar]
  13. Montecucco, A.; Siviter, J.; Knox, A.R. Simple, fast and accurate maximum power point tracking converter for thermoelectric generators. In Proceedings of the IEEE Energy Conversion Congress and Exposition, Raleigh, NC, USA, 15–20 September 2012; pp. 2777–2783. [Google Scholar]
  14. Park, J.-D.; Lee, H.; Bond, M. Uninterrupted thermoelectric energy harvesting using temperature-sensor-based maximum power point tracking system. Energy Convers. Manag. 2014, 86, 233–240. [Google Scholar] [CrossRef]
  15. Carreon-Bautista, S.; Eladawy, A.; Mohieldin, A.N.; Sánchez-Sinencio, E. Boost Converter with Dynamic Input Impedance Matching for Energy Harvesting with Multi-Array Thermoelectric Generators. IEEE Trans. Ind. Electron. 2014, 61, 5345–5353. [Google Scholar] [CrossRef]
  16. Wei, H.; Gan, Z.; Zhang, X.; Jie, J.; Li, G.; Zhao, X. Recent development and application of thermoelectric generator and cooler. Appl. Energy 2015, 143, 1–25. [Google Scholar]
  17. Hsu, C.T.; Huang, G.Y.; Chu, H.S.; Yu, B.; Yao, D.J. Experiments and simulations on low-temperature waste heat harvesting system by thermoelectric power generators. Appl. Energy 2011, 88, 1291–1297. [Google Scholar] [CrossRef]
  18. Thielen, M.; Sigrist, L.; Magno, M.; Hierold, C.; Benini, L. Human body heat for powering wearable devices: From thermal energy to application. Energy Convers. Manag. 2017, 131, 44–54. [Google Scholar] [CrossRef]
  19. Guan, M.; Wang, K.; Xu, D.; Liao, W.-H. Design and experimental investigation of a low-voltage thermoelectric energy harvesting system for wireless sensor nodes. Energy Convers. Manag. 2017, 138, 30–37. [Google Scholar] [CrossRef]
  20. Korostynska, O. Energy Harvesting Technologies; Springer: New York, NY, USA, 2009; pp. 991–1001. [Google Scholar]
  21. Rowe, D.M. Thermoelectrics Handbook; CRC Press: Boca Raton, FL, USA, 2005. [Google Scholar]
  22. Stark, I. Micro Thermoelectric Generators; Springer: Boston, MA, USA, 2008. [Google Scholar]
  23. Lossec, M.; Multon, B.; Ben Ahmed, H.; Goupil, C. Thermoelectric generator placed on the human body: System modeling and energy conversion improvements. Eur. Phys. J. Appl. Phys. 2010, 52, 11103. [Google Scholar] [CrossRef]
  24. Elsheikh, M.H.; Shnawah, D.A.; Sabri, M.F.M.; Said, S.B.M.; Hassan, M.H.; Bashir, M.B.A.; Mohamad, M.J.R.; Reviews, S.E. A review on thermoelectric renewable energy: Principle parameters that affect their performance. Renew. Sustain. Energy Rev. 2014, 30, 337–355. [Google Scholar] [CrossRef]
  25. Zhang, D.; Yang, F.; Shimotori, T.; Wang, K.-C.; Huang, Y. Performance evaluation of power management systems in microbial fuel cell-based energy harvesting applications for driving small electronic devices. J. Power Sources 2012, 217, 65–71. [Google Scholar] [CrossRef]
  26. Guan, M.; Wang, K.; Zhu, Q.; Liao, W.-H. A High Efficiency Boost Converter with MPPT Scheme for Low Voltage Thermoelectric Energy Harvesting. J. Electron. Mater. 2016, 45, 5514–5520. [Google Scholar] [CrossRef]
  27. BQ25504 Datasheet. Available online: http://www.ti.com.cn/analog/docs/litabsmultiplefilelist.tsp?literatureNumber=slusah0c&docCategoryId=2&familyId=411 (accessed on 1 July 2018).
  28. LTC3108 Datasheet. Available online: http://www.analog.com/en/products/ltc3108.html (accessed on 1 July 2018).
  29. CC2530 Datasheet. Available online: http://www.ti.com.cn/cn/lit/ds/symlink/cc2530.pdf (accessed on 1 July 2018).
  30. Suarez, F.; Parekh, D.P.; Ladd, C.; Vashaee, D.; Dickey, M.D.; Öztürk, M.C.J.A.E. Flexible thermoelectric generator using bulk legs and liquid metal interconnects for wearable electronics. Appl. Energy 2017, 202, 736–745. [Google Scholar] [CrossRef]
  31. Bond, M.; Park, J.D. Current-Sensorless Power Estimation and MPPT Implementation for Thermoelectric Generators. IEEE Trans. Ind. Electron. 2015, 62, 5539–5548. [Google Scholar] [CrossRef]
Figure 1. The equivalent electrical model of the TEG [23].
Figure 1. The equivalent electrical model of the TEG [23].
Energies 12 03942 g001
Figure 2. Proposed PMS circuit diagram.
Figure 2. Proposed PMS circuit diagram.
Energies 12 03942 g002
Figure 3. The start-up period working principle of proposed PMS.
Figure 3. The start-up period working principle of proposed PMS.
Energies 12 03942 g003
Figure 4. The high temperature gradient period working principle of proposed PMS.
Figure 4. The high temperature gradient period working principle of proposed PMS.
Energies 12 03942 g004
Figure 5. The ultra-low input period working principle of proposed PMS.
Figure 5. The ultra-low input period working principle of proposed PMS.
Energies 12 03942 g005
Figure 6. TEGs used in the experiment.
Figure 6. TEGs used in the experiment.
Energies 12 03942 g006
Figure 7. The relationship between the temperature difference and open circuit voltage.
Figure 7. The relationship between the temperature difference and open circuit voltage.
Energies 12 03942 g007
Figure 8. Established PMS circuit (Compared with two-pound coin).
Figure 8. Established PMS circuit (Compared with two-pound coin).
Energies 12 03942 g008
Figure 9. Human wrist based system test.
Figure 9. Human wrist based system test.
Energies 12 03942 g009
Figure 10. Start-up waveform of the proposed PMS.
Figure 10. Start-up waveform of the proposed PMS.
Energies 12 03942 g010
Figure 11. Working efficiency of the proposed PMS.
Figure 11. Working efficiency of the proposed PMS.
Energies 12 03942 g011
Table 1. Working principle of proposed PMS.
Table 1. Working principle of proposed PMS.
Working StageInput VoltageSignal for Changing Status Energy Flow Path
Start-upAbove 20 mV/TEG-Transformer-LTC3108-C1-BQ25504-C2
High temperature gradientAbove 150 mVVbat_okTEG-BQ25504-C2
Ultra-low input20 mV–150 mVComparator OutputTEG-Transformer-LTC3108-C3
Table 2. The main electronic components used in the design.
Table 2. The main electronic components used in the design.
NamePart Number/ParametersCompany
TransformerLPR6235-752SMRCoilcraft
Inductor 744031220/22 μHWurth Elektronil
Switch S1, S2, S3, S5ADG819Analog Devices
Switch S4N-MOSFET BSH105Nexperia
ComparatorOPA349Texas Instruments
Low-dropout regulator TPS78223Texas Instruments
Capacitor C1470 μF/
Energy storage C2Batteries, 50 mAhPanasonic
Energy storage C31 F/5.5 V/
Diode D1MBR1020VLFairchild
Table 3. Operating features of proposed PMS.
Table 3. Operating features of proposed PMS.
Working PeriodInput VoltageConversion EfficiencyStoring Rate of Harvested Energy
Start-up>20 mV//
High Temperature Difference>150 mV20–33%Around 89.7% *
Ultra-low Input20 mV–150 mV19–81%Around 90.7% **
* Under 65 s transmission period and 104 mV input voltage; ** Under 65 s transmission period and 180 mV input voltage.

Share and Cite

MDPI and ACS Style

Xia, C.; Zhang, D.; Pedrycz, W.; Fan, K.; Guo, Y. Human Body Heat Based Thermoelectric Harvester with Ultra-Low Input Power Management System for Wireless Sensors Powering. Energies 2019, 12, 3942. https://doi.org/10.3390/en12203942

AMA Style

Xia C, Zhang D, Pedrycz W, Fan K, Guo Y. Human Body Heat Based Thermoelectric Harvester with Ultra-Low Input Power Management System for Wireless Sensors Powering. Energies. 2019; 12(20):3942. https://doi.org/10.3390/en12203942

Chicago/Turabian Style

Xia, Chengshuo, Daxing Zhang, Witold Pedrycz, Kangqi Fan, and Yongxian Guo. 2019. "Human Body Heat Based Thermoelectric Harvester with Ultra-Low Input Power Management System for Wireless Sensors Powering" Energies 12, no. 20: 3942. https://doi.org/10.3390/en12203942

APA Style

Xia, C., Zhang, D., Pedrycz, W., Fan, K., & Guo, Y. (2019). Human Body Heat Based Thermoelectric Harvester with Ultra-Low Input Power Management System for Wireless Sensors Powering. Energies, 12(20), 3942. https://doi.org/10.3390/en12203942

Note that from the first issue of 2016, this journal uses article numbers instead of page numbers. See further details here.

Article Metrics

Back to TopTop