Next Article in Journal
Accuracy Improvement Method of Energy Storage Utilization with DC Voltage Estimation in Large-Scale Photovoltaic Power Plants
Next Article in Special Issue
Dual Closed-Loop Linear Active Disturbance Rejection Control of Grid-Side Converter of Permanent Magnet Direct-Drive Wind Turbine
Previous Article in Journal
Modeling of Dry Band Formation and Arcing Processes on the Polluted Composite Insulator Surface
Previous Article in Special Issue
THD Reduction in Distributed Renewables Energy Access through Wind Energy Conversion System Integration under Wind Speed Conditions in Tamaulipas, Mexico
 
 
Font Type:
Arial Georgia Verdana
Font Size:
Aa Aa Aa
Line Spacing:
Column Width:
Background:
Article

Linear Active Disturbance Rejection Control for DC Bus Voltage of Permanent Magnet Synchronous Generator Based on Total Disturbance Differential

School of Electrical and Electronic Engineering, Tianjin University of Technology, Tianjin 300384, China
*
Authors to whom correspondence should be addressed.
Energies 2019, 12(20), 3906; https://doi.org/10.3390/en12203906
Submission received: 15 September 2019 / Revised: 3 October 2019 / Accepted: 10 October 2019 / Published: 15 October 2019
(This article belongs to the Special Issue Control Schemes for Wind Electricity Systems)

Abstract

The wind power grid-connected inverter system has nonlinear, strong coupling, and is susceptible to grid voltage fluctuations and nonlinear load effects. To achieve satisfactory control results, the voltage outer loop is controlled by an improved linear active disturbance rejection control (LADRC). LADRC has strong adaptability, robustness and operability. It can automatically detect and compensate for internal and external disturbances, and correct complex controlled objects to integrator series. The total perturbation differential signal is introduced in the traditional linear extended state observer (LESO), which improves the dynamic perturbation observation ability of LESO. The frequency response characteristics analysis shows that the new LADRC has better anti-interference performance. The effectiveness of the improved controller under multiple operating conditions is verified by simulation.

1. Introduction

As the environment deteriorates, protecting the environment, conserving resources, and reducing pollution emissions have become the consensus of mankind. At present, most thermal power plants still use non-renewable fuels such as coal, oil and natural gas, and the pollutants they produce are the main source of air pollution [1,2,3]. Therefore, reducing pollution emissions and reducing fuel costs have become research hotspots. At the same time, with the rapid development of clean energy represented by wind power, its grid connection will greatly alleviate the negative impact of traditional power generation systems on the environment. Grid-connected inverters are power electronic converters to realize Direct Current (DC) Alternating Current (AC) conversion and are the core devices connecting wind turbines and power grids [4,5]. They are widely used in a variety of industrial equipment, such as wind power generation, photovoltaic power generation and the frequency conversion speed regulation system [6,7,8]. With the popularization of wind power generation, the interaction between the power grid and wind power system has become increasingly prominent. Firstly, the wind power generation system realizes power conversion and the grid-connected operation through the grid-connected converter. The dead-time, conduction voltage drop and non-linear load of switching devices in grid-connected inverters will affect the power quality of feed-in power grid [9,10,11]. Secondly, the output active power and output current of the wind power system will be affected by unbalanced negative sequence components and harmonics in the power grid [12,13]. When harmonic resonance occurs between power generation system and power grid and multi-inverters are coupled with each other, harmonic interaction will occur, which is not conducive to system stability. Therefore, it is necessary to improve the performance of the control algorithm, eliminate its disturbance to the power grid, and ensure the safe operation of the wind power grid-connected converters under over-voltage, low-voltage and machine side disturbances, which is of great significance to the efficient and stable operation of wind power generation system. In the output power of grid-connected inverters, there is a pulsating power component [14], which is twice the power frequency. The instantaneous power mismatch between the input and output of the inverters occurs. To suppress the influence of low-order harmonics, a large capacity electrolytic capacitor can be connected in parallel to the DC bus of the inverters to realize power matching decoupling [15].
For the control of the DC side bus voltage, the first problem is the modeling. The full power converter is a strong nonlinear time-varying system, which is difficult to model directly by classical linear analysis methods such as Laplace transform. The commonly used state space averaging rule ignores the high order term in the power converter model, resulting in low accuracy of the small signal model, which affects the control performance. In order to improve the system’s rapidity, robustness and adaptability, the choice of control methods is critical. At present, the more mature classical Proportion Integration Differentiation (PID) control strategy is widely used because of its simple and understandable controller design, no need for accurate system model, simple parameter tuning and other advantages [16,17]. However, the control strategy of eliminating errors based on error feedback has limited effect on solving the contradiction between system rapidity and overshoot.
At present, the harmonic suppression of inverters mainly includes the methods based on interference compensation [18] and internal model principle [19]. Based on internal model theory, such as resonant controller [20] and repetitive controller [21], both of them can achieve no static error control of periodic signals. To achieve the effect of suppressing more specific order harmonics, resonant control needs more resonant links, while repetitive control has some shortcomings such as poor dynamic performance. Interference compensation is to observe the summation disturbance of the controlled object and compensate by the disturbance compensation link, which can improve the immunity and robustness of the system. The active disturbance rejection controller (ADRC) proposed by Han provides a new idea for disturbance compensation method [22]. The core element of ADRC is extended state observer (ESO), which observes the actual motion of the system through input and output of the system. A new state variable is proposed innovatively. Its physical meaning is the sum of internal and external disturbances of the system. ESO observes the system in real time and compensates the control system to integrator series through disturbance compensation link [23]. Therefore, ADRC does not depend on the system model and is suitable for highly non-linear uncertain systems with high control accuracy and robustness. ADRC technology makes up for the lag phenomenon in traditional PID control strategy. It can show its superior control effect in high precision control and obvious external disturbance situations. According to [24], it simplifies the structure of nonlinear ADRC. A linear active disturbance rejection control (LADRC) is proposed. The ADRC parameters are simplified to the bandwidth of the controller and the observer by using pole assignment method, and its disturbance rejection and stability can be studied in frequency domain.
At present, ADRC has made great progress in many fields, such as precision control, motor speed control system, etc. It has become a strong competitor of traditional PID control methods. At the same time, ADRC is less used in grid-connected inverters. According to [25], nonlinear ADRC has been used in inverters, but the controller design is complex and has many parameters. According to [26], the observation bandwidth of linear extended state observer (LESO) is increased by introducing the differential term of output voltage error, but the LESO parameters are doubled after modification, which makes it difficult to tune. In [27], an adaptive variable gain LESO is proposed, which helps to improve the observation accuracy of LESO and overcome the “peaking” phenomenon caused by the initial state error under constant high gains. According to [28], a nonlinear/linear ESO switching strategy is proposed, which combines the advantages of high nonlinear ESO tracking accuracy, fast response speed, easy setting of LESO parameters, and insensitivity to disturbance amplitude variation, but increases the complexity of the control strategy.
In this paper, the DC bus voltage of wind power grid-connected inverters is taken as the control object. Firstly, the modeling process of wind power inverters and the basic structure of the traditional LADRC controller are introduced. Secondly, the differential signal of total disturbance is added to LESO to increase its observation bandwidth. By reasonably configuring poles without adding adjustable parameters, it is beneficial to parameter tuning in engineering. Thirdly, the dynamic performance and immunity of the system under the control of new LADRC and traditional LADRC are compared and analyzed, and the stability conditions of the system are given by algebraic criterion. Finally, the control performance of the new LADRC is verified by MATLAB/Simulink (Version R2016b, MathWorks, Natick, MA, USA) digital simulation.

2. Model of the Grid-side Inverter and Traditional LADRC

2.1. Wind Power Inverter Modeling

The direct-drive permanent magnet synchronous generator (PMSG) is connected to the grid through a full-power back-to-back converter, and the machine-side converter controls the motor speed or torque to achieve maximum power tracking of the wind energy; the grid-side converter mainly stabilizes the DC bus voltage and controls the grid power factor and power quality. The wind energy conversion system is illustrated in Figure 1.
Figure 2 shows the equivalent model of the wind power grid side inverter. Where U d c is the representative of DC bus voltage while i d c is the bus current, L , R and C are the equivalent filter inductance, the resistance and the bus filter capacitor, respectively.
According to Figure 2, the mathematical model of the grid-side inverter in the stationary three-phase coordinate system can be obtained:
[ u a u b u c ] = [ e a e b e c ] + L [ d i a d t d i b d t d i c d t ] + R [ i a i b i c ]
where, e a , e b and e c are the three-phase grid voltages, i a , i b and i c depict the three-phase grid currents, u a , u b and u c represent grid-side inverter output phase voltages.
The conversion matrix of the three-phase stationary coordinate system to the two-phase stationary coordinate system is given as follows:
C 3 s / 2 s = 2 3 [ 1 1 2 1 2 0 3 2 3 2 ]
The conversion matrix of the two-phase stationary coordinate system to the two-phase rotating coordinate system can be expressed as:
C 3 s / 2 s = 2 3 [ cos θ sin θ sin θ cos θ ]
According to Equations (2) and (3), the current equation of the grid-side converter in the d q rotating coordinate system is calculated as follows [29]:
[ u d u q ] = [ e d e q ] + L [ d i d d t d i q d t ] [ 0 ω L ω L 0 ] [ i d i q ] + R [ i d i q ]
where e d , e q are the components of the grid voltage on the d q axis of the rotating coordinate, respectively, i d , i q represent components of the grid side current on the d q axis of the rotating coordinate and u d , u q denote components of the inverter output voltage on the d q axis of the rotating coordinate, respectively.
In the d q synchronous rotating coordinate system, the active power and reactive power output by the converter to the grid can be expressed as the following equation [29]:
{ P = e d i d + e q i q Q = e q i d e d i q
When the grid voltage vector is oriented in the d-axis, e d = E , e q = 0 , in the steady state, i d , i q they are both DC and the derivative term is zero. According to Equation (4), the steady-state control equation of the grid-side converter is obtained, as in Equation (6). i d and i q respectively represent the active and reactive components of the current, as in Equation (7). In which, E is the peak value of the grid phase voltage.
{ u d = e d + R i d + ω L i q u q = R i q ω L i d
{ P = e d i d Q = e d i q
Therefore, the decoupling control of active and reactive power is realized. The active power is only related to the d-axis current, and the reactive power is only related to the q-axis current. The block diagram of the grid-side converter is shown in Figure 3. The d-axis outer ring is targeted at the DC side capacitor voltage u d c * , and is compared by the DC capacitor voltage u d c . The improved second-order linear active disturbance rejection controller (LADRC) outputs the d-axis current reference value i d 1 * . The q-axis is divided into the unit power factor operating mode (port 1) and the Static synchronous compensator (STATCOM) (port 2) operating mode. In the steady state, the grid-side converter operates in the unit power factor mode, and the reactive power Q injected into the grid is zero, so that only the active power is injected into the grid; in the transient case, the grid-side converter switches to the STATCOM mode. In this mode, the reactive current is prioritized, which can provide reactive power support to the grid quickly and stabilize the terminal voltage. The active current is limited by using i d 2 * = i max 2 i q * 2 to obtain the active current reference value. After comparison with i d 1 * , the smaller value is taken as the d-axis inner loop active current reference value i d * to realize the reallocation of the reactive current i q * and the active current i d * .
Figure 4 shows that in the case of steady-state operation and neglect of stator and rotor losses, p m = p s = p g , the fluctuation of grid voltage will lead to unbalanced power at both ends of the DC side, p s p g . When the grid voltage drops, the output current of the grid-side converter increases rapidly in order to maintain constant power. When the maximum allowable current of the grid-side converter is reached, due to the independence of the full-power converter, the output power of the machine-side keeps constant, and the power of the grid-side will inevitably decrease dramatically. This will cause the DC side input power to be greater than the output power, and the DC bus side capacitor voltage will increase rapidly. At this time, the DC side voltage control equation is:
Δ P = U d c I d c = P s P g = 1 2 C d U d c 2 d t
When the grid voltage suddenly rises, due to the limitation of the grid-side converter capacity, the active current output from the converter to the grid will decrease, and the grid energy will be inverted to the grid-side converter due to the tidal current reversibility. The load capacity of the device is limited, and the energy of the backflow will eventually cause the bus voltage to rise rapidly beyond its normal working range, threatening the safety of the converter and the power electronic device, thus affecting the power quality. Therefore, the PMSG main loop power balance relationship can be represented by:
Δ P = U d c I d c = P s + P g f b P g = 1 2 C d U d c 2 d t
In summary, when the power grid suddenly drops or rises, because the permanent magnet synchronous generator is completely isolated from the power grid through the converter, the grid-side converter is the first to be affected, and the generator passively receives the disturbance of the converter at the machine-side. However, the grid-side converter and the machine-side converter are coupled by DC capacitors, so maintaining the stability of DC bus voltage is the precondition for direct-drive wind turbines to operate without disconnecting when the grid voltage fails.

2.2. The Traditional LADRC Structure

LADRC consists of linear state error feedback rate (LSEF), linear extended state observer (LESO) and linear tracking differentiator (LTD), as shown in Figure 5. LTD is used to arrange the transition process, eliminate the contradiction between overshoot and rapidity, and extract differential signals. Considering the reference input characteristics of the control object, LTD is not used in this paper. In Figure 5, v and y are the reference value of DC bus voltage and the output of the system, respectively; b 0 , u 0 represent the control gain and controller output, respectively; u is the control variable, and the physical meaning is the output voltage of inverters; z 1 , z 2 , z 3 are the output of LESO observation system, its differential, and total disturbance, respectively.
Converting the controlled system to a state space form we obtain:
{ [ x ˙ 1 x ˙ 2 x ˙ 3 ] = [ 0 1 0 0 0 1 0 0 0 ] [ x 1 x 2 x 3 ] + [ 0 0 b 0 0 0 1 ] [ u h ] y = x 1
Where x 1 , x 2 are the bus voltage and its differential, respectively; x 3 is a new state variable expanded in the LESO, which can be understood as the total perturbation of the system in physical sense, including the internal disturbance of the system (the function containing the state variable x and its derivative) and the external disturbance of the system (independent of the state variable x and its derivative), denoted by f ; h represents the differential of f .The third-order LESO can be modeled as follows [30]:
{ z ˙ 1 = z 2 β 1 ( z 1 y ) z ˙ 2 = z 3 β 2 ( z 1 y ) + b 0 u z ˙ 3 = β 3 ( z 1 y )
where y is the output of the controlled system; while z 1 z 2 are the tracking signals of y and y ˙ respectively; β 1 , β 2 mean the output error correction gains; and z 3 is the tracking sum disturbance signal.
The model independence and robustness of LADRC are based on the real-time estimation of the total disturbance of the system by LESO, so the LESO is the core technology of LADRC.
The LSEF can be designed as [24]:
u 0 = k p ( v z 1 ) k d z 2
where k p and k d are controller parameters, respectively.
The disturbance compensation link can be expressed as (13):
u = z 3 + u 0 b 0
The main function of this part is to compensate the total disturbance estimated by LESO in real time and transform the system into an integral series structure [31,32]. Therefore, the influence of uncertain disturbances in the system is reduced and the anti-disturbance performance is improved.
According to the pole configuration method [33], the traditional LESO in Equation (11) is configured as follows:
{ β 1 = 3 ω 0 β 2 = 3 ω 0 2 β 3 = ω 0 3
{ k p = ω c 2 k d = 2 ξ ω c
In which, ω c , ω 0 are the bandwidth of the controller and the observer, respectively; while ξ is the damping ratio of the second-order system. With the above configuration, the traditional LADRC can be simplified to three adjustable parameters: controller bandwidth ω c , observer bandwidth ω 0 and b 0 .

3. The Design of the New LESO

In [24], in order to speed up the tracking speed of LESO, the observer bandwidth should be increased. Meanwhile, the error observation and filtering performance of the third-order LESO are demonstrated from both time domain and frequency domain, mainly focusing on stability and anti-interference performance. However, without analyzing its rapidity, it can be called the dynamic observation performance of LESO. The tracking effect of the total disturbance directly affects the transient effect of the system output, which is analyzed below.
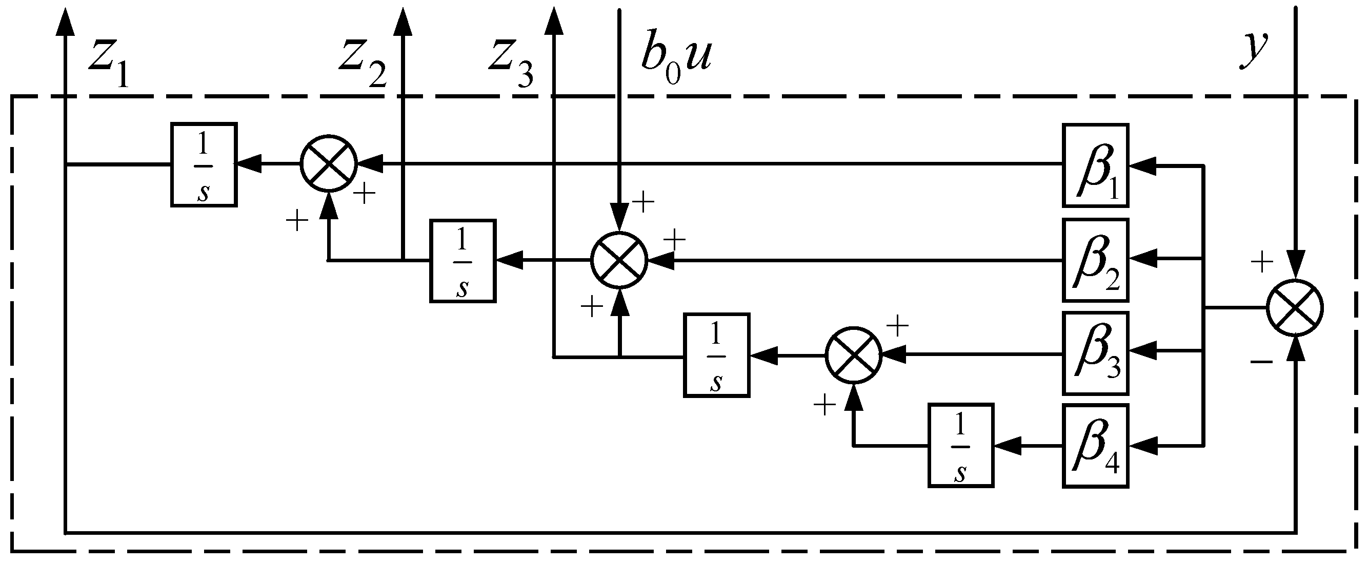
In this chapter, a fourth-order LESO is proposed to enhance the dynamic observability of the total disturbance of the system. Compared with traditional LESO, the new state variable is the differential of the total disturbance of the system. By observing the change trend of the total disturbance, an effective early correction signal can be generated, which can effectively increase the bandwidth of LESO and enhance its dynamics observation capability.

3.1. Modeling of the New LESO

The fourth-order LESO is established as follows:
{ z ˙ 1 = z 2 β 1 ( z 1 y ) z ˙ 2 = z 3 β 2 ( z 1 y ) + b 0 u z ˙ 3 = z 4 β 3 ( z 1 y ) z ˙ 4 = β 4 ( z 1 y )
where β 1 , β 2 , β 3 , β 4 are the observer gains, respectively; the reasonable selection of the observer gains can achieve effective observation of the motion state of the system, z 1 y , z 2 y ˙ , z 3 f , z 4 f ˙ .
The fourth-order LESO proposed in this paper is different from the traditional fourth-order LESO. The structure diagram of new LESO can be obtained from Equation (16), as shown in Figure 6.
The traditional fourth-order LESO [30,34] has two inputs y , u and four outputs z 1 , z 2 , z 3 , z 4 , where z 3 is the second derivative of the output of the controlled system, and z 4 is the observed total disturbance signal. Different from the traditional fourth-order LESO, the new fourth-order LESO proposed in this paper has two inputs y , u , and three outputs z 1 , z 2 , z 3 . When the system is in steady state, z 1 y is approximately zero. The physical meaning of the new state variable z 4 is that LESO observes the differential signal of the total disturbance, and the mathematical meaning is the derivative of z 3 . Therefore, unlike the traditional fourth-order LESO, the control variable u is placed in the second-order equation ( z ˙ 2 ) instead of the third-order equation ( z ˙ 3 ). Equation (19) can also be seen as an improved third-order LESO.
Based on Equation (16), z 3 can be represented as:
z 3 = ( β 4 + β 3 s ) s 2 s 4 + β 1 s 3 + β 2 s 2 + β 3 s + β 4 y ( s ) ( β 4 + β 3 s ) b 0 s 4 + β 1 s 3 + β 2 s 2 + β 3 s + β 4 u ( s )
Based on Equation (10), the total disturbance can be expressed as:
f = x 3 = x ˙ 2 b 0 u = y ¨ b 0 u
According to Equations (17) and (18), the perturbation observation transfer function of the new LESO can be deduced as:
C 2 ( s ) = z 3 f = β 4 + β 3 s s 4 + β 1 s 3 + β 2 s 2 + β 3 s + β 4
According to the pole configuration method [33], the new LESO is configured as follows:
{ β 1 = 4 ω 0 β 2 = 6 ω 0 2 β 3 = 4 ω 0 3 β 4 = ω 0 4
Substituting Equation (20) into Equation (16), the transfer function of the new LESO will be:
z 1 = 4 ω 0 s 3 + 6 ω 0 2 s 2 + 4 ω 0 3 s + ω 0 4 ( s + ω 0 ) 4 y ( s ) + b 0 s 2 ( s + ω 0 ) 4 u ( s ) z 2 = 6 ω 0 2 s 3 + 4 ω 0 3 s 2 + ω 0 4 s ( s + ω 0 ) 4 y ( s ) + b 0 s 2 ( s + 4 ω 0 ) ( s + ω 0 ) 4 u ( s ) z 3 = ( ω 0 4 + 4 ω 0 3 s ) s 2 ( s + ω 0 ) 4 y ( s ) ( ω 0 4 + 4 ω 0 3 s ) b 0 ( s + ω 0 ) 4 u ( s )
The transfer function of z 3 and perturbation observations in the traditional third-order LESO is given in Appendix A. The frequency characteristics of the traditional LESO are similar in the mid-band to the typical second-order system. The phase lag and amplitude attenuation are severe in the frequency domain. There are contradictions between the fast and overshoot in the time domain. These characteristics determine that the performance of the traditional LESO is not ideal.
It can be found that the fourth-order LESO transfer function mainly adds a pair of variable zero-poles, and the reasonable selection of parameters can increase the bandwidth of the fourth-order LESO, thus improving its disturbance observation ability. The poles are allocated to ω 0 without adding adjustable parameters, thus the engineering setting is less difficult.
The tracking error can be defined as: e 1 = z 1 y , e 2 = z 2 y ˙ , e 3 = z 3 f . According to Equations (18) and (21), the tracking error can be reduced to:
e 1 = s 4 ( s + ω 0 ) 4 y + b 0 ( s + ω 0 ) 4 u e 2 = s 4 ( s + 4 ω 0 ) ( s + ω 0 ) 4 y + b 0 s 2 ( s + 4 ω 0 ) ( s + ω 0 ) 4 u e 3 = s 4 ( s 2 + 4 s ω 0 + 6 ω 0 2 ) ( s + ω 0 ) 4 y + b 0 s 2 ( s 2 + 4 s ω 0 + 6 ω 0 2 ) ( s + ω 0 ) 4 u
Considering the typicality of the analysis, both y and u take a step signal with an amplitude of K , y ( s ) = K / s , u ( s ) = K / s . Then the steady state error can be obtained as:
{ e 1 s = lim s 0 s e 1 = 0 e 2 s = lim s 0 s e 2 = 0 e 1 s = lim s 0 s e 3 = 0
Equation (23) shows that the new LESO has good convergence and estimation ability, and can realize the unbiased estimation of system state variables and generalized disturbances.
Figure 7 is a comparison of the amplitude and phase curves between the new fourth-order LESO and the traditional third-order LESO. It can be seen that the bandwidth of the new LESO system increases significantly and the phase lag in the intermediate frequency band is alleviated.

3.2. Analysis of New LESO Anti-Disturbance Performance

This section focuses on the effect of the noise δ n of the observation y and the input disturbance δ c of the control u on the new LESO. The transfer function of the observed noise δ n is obtained by equation (16):
z 1 δ n = 4 ω 0 s 3 + 6 ω 0 2 s 2 + 4 ω 0 3 s + ω 0 4 ( s + ω 0 ) 4
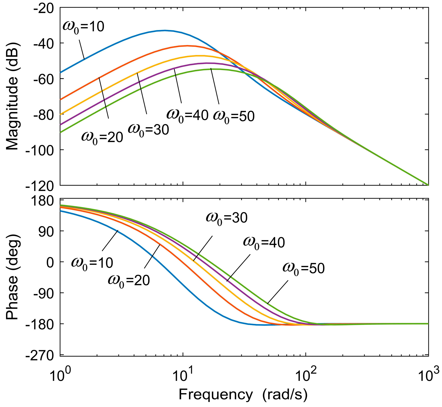
where ω 0 = 10 , 20 , 30 , 40 , 50 , respectively, get the frequency domain characteristic curve of this transmission, as shown in Figure 8. The analysis can be obtained with the increase of ω 0 , the following response speed of the system increases, however the high frequency gain increases, resulting in more obvious noise amplification.
The transfer function of the input disturbance δ c is obtained by equation (16):
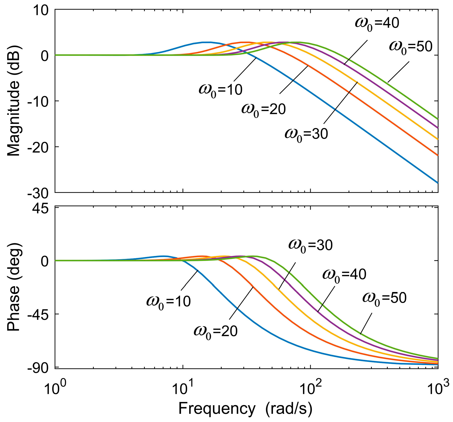
z 1 δ c = b 0 s 2 ( s + ω 0 ) 4
where b 0 = 10 , ω 0 = 10 , 20 , 30 , 40 , 50 , respectively, the frequency domain characteristic curve of this transmission has been illustrated in Figure 9.Compared with Figure 8, the increase of the observer bandwidth ω 0 in Figure 9 can reduce the phase lag of the system tracking input, but the high-band gain is substantially unchanged, so that the new LESO has a strong inhibition ability on the input disturbance δ c .
It can be seen from the above analysis that the new LESO with total perturbation differential structure is still effective and robust when subjected to observation disturbance and input disturbance.

4. The Combination of the Actual System with the New LADRC Based on the New LESO

This last section mainly analyzes the introduction of observation total disturbance differential to effectively improve the observation ability of disturbance. The following is the analysis of the actual system immunity performance of the new LADRC based on new LESO.

4.1. The Structure of the New LADRC

According to Equations (12), (13) and (21), the control variable u can be deduced as:
u = 1 b 0 C 1 ( s ) [ ω c 2 v C 2 ( s ) y ]
where
C 1 ( s ) = ( s + ω 0 ) 4 ( s + ω 0 ) 4 + 2 ω c s 3 + ( ω c 2 + 8 ω c ω 0 ) s 2 4 ω 0 3 s ω 0 4 C 2 ( s ) = ( 4 ω 0 3 + 12 ω 0 2 ω c + 4 ω 0 ω c 2 ) s 3 + ( ω 0 4 + 8 ω 0 3 ω c + 6 ω 0 2 ω c 2 ) s 2 + ( 2 ω c ω 0 4 + 4 ω 0 3 ω c 2 ) s + ω 0 4 ω c 2 ( s + ω 0 ) 4
According to Equation (18), the model of the controlled object can be expressed as:
y = 1 s 2 ( f + b 0 u )
From Equations (26) and (28), the system structure diagram can be designed as follows:
In Figure 5, since the third-order LESO is a multi-input-multi-output (MIMO) module, it is difficult to analyze the frequency domain characteristics of the controlled system through the transfer function. Based on the knowledge of the automatic control principle, the controlled system (Figure 5) can be simplified to a single closed-loop form according to Equations (12), (13), (21) and (28), as shown in Figure 10. Therefore, the system characteristics can be analyzed by classical control theory.
According to the system structure diagram, the closed-loop transfer function of the system can be determined as:
G c 1 ( s ) = ω c 2 C 1 ( s ) G ( s ) / b 0 1 + C 1 ( s ) G ( s ) C 2 ( s ) / b 0
The perturbation transfer function is:
G f ( s ) = 1 s 2 + C 1 ( s ) C 2 ( s )
Substituting G ( s ) , C 1 ( s ) , C 2 ( s ) into (29), the system output can be expressed as:
y = ω c 2 ( s + ω c ) 2 v + ( s + ω c ) 2 + 2 ω 0 ( 2 s + 3 ω 0 + 4 ω c ) ( s + ω 0 ) 4 ( s + ω c ) 2 s 2 f
According to Equation (31), the system output consists of a tracking term and a disturbance term. When the estimation error of z 3 versus f is ignored, (31) can be simplified to Equation (32).
G c 1 * ( s ) = k p s 2 + k d s + k p
At this point, the output only contains tracking items, and the system control performance is only determined by ω c , regardless of ω 0 . The tracking speed is faster as ω c increases. The disturbance term is caused by the dynamic observation error of the LESO and is an important factor affecting the control performance of the system.
According to [24], it gives the closed-loop transfer function of the traditional LADRC control system. The only difference between the two systems is that the new LADRC enhances the dynamic observation ability of the total disturbance.

4.2. Analysis of New LADRC Anti-disturbance Performance

According to Equation (31), the disturbance term is related to ω c and ω 0 . Where ω 0 = 10 , ω c = 10 , 20 , 30 , 50 , respectively, and the frequency domain characteristic curve of the disturbance transfer can been illustrated in Figure 11. Where ω c = 10 , ω 0 = 10 , 20 , 30 , 40 , 50 , respectively, the frequency domain characteristic is illustrated in Figure 12. It can be seen from the Bode diagram that increasing the ω 0 and ω c can reduce the low-band disturbance gain and the anti-interference performance of the system is enhanced.
When the disturbance is a unit step signal, the output response of the system is obtained from Equation (31):
y ( s ) = ( s + ω c ) 2 + 2 ω 0 ( 2 s + 3 ω 0 + 4 ω c ) ( s + ω 0 ) 4 ( s + ω c ) 2 s 2 1 s = a 1 ( s + ω 0 ) 4 + a 2 ( s + ω 0 ) 3 + a 3 ( s + ω 0 ) 2 + a 4 s + ω 0 + b 1 ( s + ω c ) 2 + b 2 s + ω c
where
a 1 = ( 3 ω 0 3 + 6 ω 0 2 ω c + ω 0 ω c 2 ) ( ω 0 ω c ) 2 a 2 = 5 ω 0 3 + 9 ω 0 2 ω c + 5 ω 0 ω c 2 + ω c 3 ( ω c ω 0 ) 3 a 3 = ( 6 ω 0 3 + 12 ω 0 2 ω c + 12 ω 0 ω c 2 ) ( ω 0 ω c ) 4 a 4 = 6 ω 0 3 + 18 ω 0 2 ω c + 16 ω 0 ω c 2 ( ω c ω 0 ) 5 b 1 = 2 ω 0 ω c ( 3 ω 0 + 2 ω c ) ( ω 0 ω c ) 4 b 2 = 6 ω 0 3 + 18 ω 0 2 ω c + 16 ω 0 ω c 2 ( ω 0 ω c ) 5
According to the inverse Laplace transform, Equation (33) can be deduced as:
y ( t ) = ( 1 6 a 1 t 3 + 1 2 a 2 t 2 + a 3 t + a 4 ) e ω 0 t + ( b 1 t + b 2 ) e ω c t
It can be known from (35) that:
lim t y ( t ) = 0
Therefore, when the external disturbance is a step signal, the steady-state output of the system is zero. According to Equation (35), increasing the observer bandwidth ω 0 and the controller bandwidth ω c can rapidly attenuate y ( t ) , and the transition process time is short, indicating that the LADRC with the new LESO has strong anti-disturbance capability.

4.3. Anti-Disturbance Analysis of New LADRC Combining with Practical System

The transfer function of the controlled system can be obtained by combining Equation (29) and Figure 13:
U d c = ω c 2 C 1 ( s ) b 0 ( L C s 2 + R C s ) + C 1 ( s ) C 2 ( s ) v + b 0 ( L s + R ) b 0 ( L C s 2 + R C s ) + C 1 ( s ) C 2 ( s ) f = G 1 ( s ) v + G 2 ( s ) f
where v , U d c and f are the reference values of DC bus voltage, bus voltage and total disturbance of the system, respectively; G 1 ( s ) represents the transfer function of bus voltage reference input to actual output; G 2 ( s ) represents the transfer function of total disturbance to actual output, indicating the anti-disturbance performance of grid-connected inverters to maintain the bus voltage stability. The 1 / ( s L + R ) and 1 / s C terms describe the transfer function of the filter and bus capacitance, respectively.
According to the Bode diagram of Figure 14, the new LADRC is superior to the traditional disturbance rejection control in the middle and low frequency bands. In the middle frequency band, the new LADRC has smaller disturbance gain and slightly better disturbance rejection ability than the traditional disturbance rejection control. In the high frequency band, the two curves coincide roughly.

4.4. Stability Analysis of New LADRC

According to Equation (37), the system closed-loop transfer function can be obtained:
y = ω c 2 ( s + ω 0 ) 4 a 6 s 6 + a 5 s 5 + a 4 s 4 + a 3 s 3 + a 2 s 2 + a 1 s + a 0 v
where
a 6 = b 0 L C ; a 5 = b 0 C ( R + 4 L ω 0 + 2 L ω c ) a 4 = b 0 C ( 6 L ω 0 2 + 8 L ω c ω 0 + 4 R ω 0 + L ω c 2 + 2 R ω c ) a 3 = 4 ω 0 3 + 12 ω 0 2 ω c + 6 R C b 0 ω 0 2 + 4 ω 0 ω c 2 + 8 R C b 0 ω 0 ω c + R C b 0 ω c 2 a 2 = ω 0 2 ( ω 0 2 + 8 ω 0 ω c + 6 ω c 2 ) ; a 1 = ω 0 3 ( 2 ω 0 ω c + 4 ω c 2 ) ; a 0 = ω 0 4 ω c 2
Since the bandwidth of the controller and the observer are both positive, it can be seen that a i > 0 , i = 0 , 1 , 2 , 3 , 4 , 5 , 6 .
The stability of wind power inverters can be judged by the stability criterion of Lienard Chipart. The necessary and sufficient condition for stability is that the even order or odd order Hurwitz determinant is positive:
{ Δ 3 > 0 Δ 5 > 0
Where
Δ 5 = | a 5 a 6 0 0 0 a 3 a 4 a 5 a 6 0 a 1 a 2 a 3 a 4 a 5 0 a 0 a 1 a 2 a 3 0 0 0 a 0 a 1 |
Δ 3 = | a 5 a 6 0 a 3 a 4 a 5 a 1 a 2 a 3 |
Both the traditional LADRC and the new LADRC system remained stable for a wide range of varying observer bandwidth ω 0 and controller bandwidth ω c . In fact, changing ω 0 and ω c only changed the ‘time scale’ of the system and generally did not affect the stability of the system. In the case of b 0 offset ±50%, the system still maintained good stability by selecting the appropriate bandwidth.

5. Simulation Analysis

In order to verify the correctness of the mathematical model and the validity of the parameter design, a 1.5 MW direct-drive permanent magnet synchronous generator model was built in Simulink. The control strategy of grid-connected inverters was a double closed-loop structure of DC voltage outer loop and current inner loop based on grid voltage vector orientation. A new linear active disturbance rejection controller based on discrete time is designed. The sampling time of the Simulink system was set to 1 × 10 6 s. The parameters of the PMSG and controller are given in Table A1 and Table A2. The parameters in this paper are obtained by empirical method. Three different faults on the machine side and network side were simulated at appropriate time.
The simulated fault conditions were as follows:
(i)
The voltage of the grid-connected point rose to 1.3p.u. at t = 2.1 s and was cleared when t = 2.4 s;
(ii)
The voltage of the grid-connected point dropped to 0.85p.u. at t = 2.1 s and was cleared at t = 2.4 s;
(iii)
The machine side loading, load shedding, and load failure occurred at t = 2.2 s.
where (i) and (ii) are symmetric faults.
Scenario 1
The symmetrical over-voltage fault was implemented at t = 2.1 s and was cleared at t = 2.4 s, as shown in Figure 15a. Figure 15b shows the simulation comparison of bus voltage between the new LADRC control converter and the traditional LADRC control converter when the grid-connected voltage suddenly rose to 1.3 p.u. When the grid voltage rose sharply, the power on the machine side continued to be transferred to the DC bus, and the bus voltage increased rapidly and then stabilized.
The control performance indicators are shown in Table 1. Voltage fluctuation range, regulation time and voltage stability were selected as important control performance indicators.
Combining with Table 1 and Figure 15, it can be seen that the DC bus voltage controlled by traditional ADRC was up to 1.112 p.u. during high voltage traversal period, and the larger impulse voltage may have triggered the protection circuit of hardware. By comparison, the bus voltage fluctuation range and regulation time under the new LADRC control were reduced by 1.9% and 70% respectively, which indicates that the new LADRC had better anti-interference performance.
Scenario 2
The symmetrical low-voltage fault was implemented at t = 2.1 s and was cleared at t = 2.4 s, as shown in Figure 16a. Figure 16 shows the dynamic response of the DC side bus voltage when the voltage at the grid point dropped suddenly to 0.85 p.u.
The control performance indicators are shown in Table 2. Voltage fluctuation range and regulation time were selected as important control performance indicators.
Combining Table 2 and Figure 16, it can be seen that the bus voltage fluctuation range and regulation time under the control of the new LADRC were reduced by 1.78% and 80% respectively during the low voltage traversal period, which indicates that the new LADRC has stronger ability to observe the total disturbance under the external disturbance, thus improving the overall anti-disturbance performance of the system.
Scenario 3
The machine side loading, load shedding, and load rejection occurred at t = 2.2 s, as shown in Figure 17. The control performance comparison is shown in Table 3. Combining Table 3 and Figure 17, it can be seen that the bus voltage under the new LADRC control still has strong anti-disturbance performance, and the regulation time can be reduced by up to 88%, especially under the side unloading condition.
The above working conditions were the simulation results under the standard model. Considering the actual operating state and simulating the simulation under reasonable model, the new LADRC control effect was better than the traditional LADRC. Reasonable model configuration were as follows: Sampling deviation of DC bus was 1% of rated value, bus capacitance was 90% of standard value and filter reactance was 110% of standard value.
It can be seen that the new LADRC voltage outer loop controller based on total disturbance differentiation had strong anti-total sum disturbance capability, including disturbance of machine side power and grid side voltage within the tolerable range. For the traditional LADRC, due to the poor tracking performance of the LESO on the actual total disturbance, the controlled system could be constructed into an integral series through the disturbance compensation link, resulting in an increase in the bus voltage fluctuation range and adjustment time. The introduction of the total disturbance differential term improved the performance of dynamic disturbance observation, and the voltage outer loop control of the new LADRC enhanced the voltage stability of the grid-connected inverter bus.
According to [35], a first-order nonlinear ADRC was proposed. The experimental results show that the starting surge voltage on the DC-side capacitor can be effectively reduced and the dynamic performance is better, but the controller parameters were more difficult to tune. The bus voltage fluctuated greatly in the steady state, and the fluctuation range was ±7.8%. By comparing the steady-state effects of Figure 15, the new LADRC proposed in this paper had the advantages of convenient adjustment and good steady-state performance. According to [36], a second-order non-linear ADRC was proposed. By comparing the bus voltage waveforms during low voltage traversing, it can be seen that the second-order non-linear ADRC had strong control performance, short regulation time and good steady-state performance, but the parameters of the controller were more. The new LADRC proposed in this paper had only three adjustable parameters, which was conducive to practical engineering applications. According to [37], a control strategy based on first-order LADRC was proposed. The tracking differentiator, extended state observer and state error feedback law were applied to improve the response speed and control precision of the system. In [37], the fluctuation range and adjustment time of the DC-side capacitor voltage during load shedding were: ±7.1%, 50 ms. By comparing Figure 17, the new LADRC proposed in this paper had stronger control performance than the first-order LADRC.

6. Conclusions

In this paper, the bus voltage of wind power inverter was taken as the control object. Aiming at the influence of grid voltage fluctuation and machine side disturbance on bus voltage, a bus voltage control method based on improved LADRC was proposed.
Based on the traditional LESO structure, the differential term of the summation disturbance can effectively increase the LESO observation bandwidth and achieve the effect of fast-tracking compensation for total disturbance. The new LADRC voltage outer loop controller based on the total disturbance differential had better anti-interference performance. The simulation comparison between the new LADRC and the traditional LADRC under the conditions of over-voltage, low- voltage and machine side loading, load shedding and load rejection showed that the new LADRC had better control performance for stable bus voltage than traditional LADRC control.
In this paper, the total perturbation differential structure is introduced to increase the bandwidth of the controller. But at the same time, it will amplify the high-frequency noise, which will lead to large-scale high-frequency oscillation of the system control quantity, which is unbearable for the actuator. Therefore, the next research task of our research group is to resolve the contradiction between the performance of the observer and its sensitivity to noise.

Author Contributions

X.Z. conceived the main idea for the proposed new LADRC and performed the overall analysis; M.L. and Y.M. wrote this paper; B.Y. and F.Z. contributed to analyzing the experimental results.

Funding

This work was funded by National Natural Science foundation of China (NO. 51877152) and Natural Science Foundation of Tianjin of China (NO. 18JCZDJC97300).

Acknowledgments

The authors are grateful to the support by the National Natural Science Foundation of China (NO. 51877152), Natural Science Foundation of Tianjin of China (NO. 18JCZDJC97300) and Tianjin University of Technology for their support.

Conflicts of Interest

The authors declare no conflict of interest.

Abbreviations

AcronymDefinition
LESOLinear extended state observer
LSEFLinear state error feedback
LTDLinear tracking differentiator
LADRCLinear active disturbance rejection controller
PMSGPermanent magnet synchronous generator
PIDProportion integration differentiation
DCDirect current
ACAlternating current
STATCOMStatic synchronous compensator
MIMOMulti-input-multi-output

Appendix A

z 3 = ( β 3 s 2 ) y ( β 3 b 0 ) u s 3 + β 1 s 2 + β 2 s + β 3 G 1 ( s ) = z 3 f = β 3 s 3 + β 1 s 2 + β 2 s + β 3

Appendix B

Table A1. Parameters of Direct-Driven Permanent Magnet Wind Power Inverter.
Table A1. Parameters of Direct-Driven Permanent Magnet Wind Power Inverter.
ParameterSymbolValueUnit
Base power P 1.5MW
Base voltage V g 690V
Base frequency f 50Hz
Rated generator P g 1pu
Pole pairs of PMSG n p 12
Stator phase resistance R s 0.0009Ω
Flux linkage ϕ 1.49V.s
Stator inductance L d , L q 0.573, 0.874mH
Machine-side filter resistance R l s 0.0002Ω
DC capacitance C 0.024F
DC link voltage u d c 1070V
Grid-side filter resistance R g 0.0009Ω
Grid-side filter inductance L g 0.12mH

Appendix C

Table A2. Controller parameters.
Table A2. Controller parameters.
Controller parametersValue
Controller Bandwidth ω c 2500
Observer Bandwidth ω 0 700
Control gain b 0 12,000

References

  1. Sun, H.; Guo, Q.; Qi, J.; Ajjarapu, V.; Bravo, R.; Chow, J.; Li, Z.; Moghe, R.; Nasr-Azadani, E.; Tamrakar, U.; et al. Review of Challenges and Research Opportunities for Voltage Control in Smart Grids. IEEE Trans. Power Syst. 2019, 34, 2790–2801. [Google Scholar] [CrossRef]
  2. Zhang, Y.; Huang, S.; Luo, D. A Novel Half Quasi-Z-source Inverter for Wind Energy Conversion Systems. Proc. Csee 2017, 37, 5107–5117. [Google Scholar]
  3. Wu, W.; Liu, Y.; He, Y.; Chung, H.S.H.; Liserre, M.; Blaabjerg, F. Damping Methods for Resonances Caused by LCL-filter-based Current-controlled Grid-tied Power Inverters: An Overview. IEEE Trans. Ind. Electron. 2017, 64, 7402–7413. [Google Scholar] [CrossRef]
  4. Wang, L.; Lam, C.S.; Wong, M.C. Multi-Functional Hybrid Structure of SVC and Capacitive Grid Connected Inverter (SVC//CGCI) for Active Power Injection and Non-Active Power Compensation. IEEE Trans. Ind. Electron. 2018, 66, 1660–1670. [Google Scholar] [CrossRef]
  5. Guo, X.; Liu, W.; Lu, Z. Flexible Power Regulation and Current-limited Control of Grid-connected Inverter under Unbalanced Grid Voltage Faults. IEEE Trans. Ind. Electron. 2017, 64, 7425–7432. [Google Scholar] [CrossRef]
  6. Roumila, Z.; Rekioua, D.; Rekioua, T. Energy management based fuzzy logic controller of hybrid system wind/photovoltaic/diesel with storage battery. Int. J. Hydrog. Energy 2017, 42, 19525–19535. [Google Scholar] [CrossRef]
  7. Duman, T.; Marti, S.; Moonem, M.; Abdul Kader, A.; Krishnaswami, H. A Modular Multilevel Converter with Power Mismatch Control for Grid-Connected Photovoltaic Systems. Energies 2017, 10, 698. [Google Scholar] [CrossRef]
  8. Han, Y.; He, G.; Fan, X.; Zhao, Q.; Shen, H. Design and analysis of improved ADRC controller for multiple grid-connected photovoltaic inverters. Mod. Phys. Lett. B 2019, 32, 1740103. [Google Scholar] [CrossRef]
  9. Townsend, C.D.; Mirzaeva, G.; Goodwin, G.C. Deadtime Compensation for Model Predictive Control of Power Inverters. IEEE Trans. Power Electron. 2017, 32, 7325–7337. [Google Scholar] [CrossRef]
  10. Seyyedzadeh, S.M.; Shoulaie, A. Accurate Modeling of the Nonlinear Characteristic of a Voltage Source Inverter for Better Performance in Near Zero Currents. IEEE Trans. Ind. Electron. 2018, 66, 71–78. [Google Scholar] [CrossRef]
  11. Marati, N.; Prasad, D. A Modified Feedback Scheme Suitable for Repetitive Control of Inverter with Nonlinear Load. IEEE Trans. Power Electron. 2017, 33, 2588–2600. [Google Scholar] [CrossRef]
  12. Guo, X.; Yang, Y.; Zhang, X. Advanced Control of Grid-Connected Current Source Converter under Unbalanced Grid Voltage Conditions. IEEE Trans. Ind. Electron. 2018, 65, 9225–9233. [Google Scholar] [CrossRef]
  13. Wei, Q.; Wu, B.; Xu, D.; Zargari, N.R. Power Balancing Investigation of Grid-Side Series-Connected Current Source Inverters in Wind Conversion Systems. IEEE Trans. Ind. Electron. 2017, 64, 9451–9460. [Google Scholar] [CrossRef]
  14. Dujic, D.; Grandi, G.; Jones, M.; Levi, E. A Space Vector PWM Scheme for Multifrequency Output Voltage Generation with Multiphase Voltage-Source Inverters. IEEE Trans. Ind. Electron. 2008, 55, 1943–1955. [Google Scholar] [CrossRef]
  15. Hu, H.; Harb, S.; Kutkut, N.; Batarseh, I.; Shen, Z.J. A Review of Power Decoupling Techniques for Microinverters with Three Different Decoupling Capacitor Locations in PV Systems. IEEE Trans. Power Electron. 2013, 28, 2711–2726. [Google Scholar] [CrossRef]
  16. Habibi, H.; Nohooji, H.R.; Howard, I. Adaptive PID control of wind turbines for power regulation with unknown control direction and actuator faults. IEEE Access 2018, 6, 37464–37479. [Google Scholar] [CrossRef]
  17. Gholamrezaie, V.; Dozein, M.G.; Monsef, H.; Wu, B. An Optimal Frequency Control Method through a Dynamic Load Frequency Control (LFC) Model Incorporating Wind Farm. IEEE Syst. J. 2017, 12, 392–401. [Google Scholar] [CrossRef]
  18. Parker, M.A.; Ran, L.; Finney, S.J. Distributed Control of a Fault-Tolerant Modular Multilevel Inverter for Direct-Drive Wind Turbine Grid Interfacing. IEEE Trans. Ind. Electron. 2013, 60, 509–522. [Google Scholar] [CrossRef]
  19. Bamgbose, S.O.; Zhang, Y.; Qian, L. Three-phase inverter synchronization control utilizing internal model principle. IEEE Int. Conf. Consum. Electron. 2015. [Google Scholar] [CrossRef]
  20. Song, P.; Zhang, Y.; Bai, K.; Liu, J.; Liu, H.; Wu, Y. High voltage ride-through control method for DFIG-based wind turbines based on Resonant Controller. Power Renew. Energy 2016. [Google Scholar] [CrossRef]
  21. Gao, Y.G.; Jiang, F.Y.; Song, J.C.; Zheng, L.J.; Tian, F.Y.; Geng, P.L. A novel dual closed-loop control scheme based on repetitive control for grid-connected inverters with an LCL filter. ISA Trans. 2018, 74, 194–208. [Google Scholar] [CrossRef] [PubMed]
  22. Han, J. From PID to Active Disturbance Rejection Control. IEEE Trans. Ind. Electron. 2009, 56, 900–906. [Google Scholar] [CrossRef]
  23. Hu, G. Robust consensus tracking for an integrator-type multi-agent system with disturbances and unmodelled dynamics. Int. J. Control 2011, 84, 1–8. [Google Scholar] [CrossRef]
  24. Yuan, D.; Ma, X.; Zeng, Q.; Qiu, X. Research on frequency-band characteristics and parameters configuration of linear active disturbance rejection control for second-order systems. Control Theory Appl. 2013, 30, 1630–1640. [Google Scholar]
  25. Zubing, Z.; Lijuan, C.; Huixia, G. The Application of Auto-Disturbance Rejection Controller for Voltage Source PWM Inverter. Trans. China Electrotech. Soc. 2004, 19, 84–88. [Google Scholar]
  26. Yang, L.; Zeng, J.; Ma, W.; Huang, Z. Voltage control of micro-grid inverter based on improved second order linear active disturbance rejection technology. Autom. Electr. Power Syst. 2019, 43, 215–227. [Google Scholar]
  27. Xue, W.; Bai, W.; Yang, S.; Song, K.; Huang, Y.; Xie, H. ADRC with Adaptive Extended State Observer and Its Application to Air-fuel Ratio Control in Gasoline Engines. IEEE Trans. Ind. Electron. 2015, 62, 5847–5857. [Google Scholar] [CrossRef]
  28. Li, J.; Qi, X.; Xia, Y.; Gao, Z. On linear/nonlinear active disturbance rejection switching control. Acta Autom. Sin. 2016, 42, 202–212. [Google Scholar]
  29. Li, S.; Haskew, T.A.; Swatloski, R.P.; Gathings, W. Optimal and Direct-Current Vector Control of Direct-Driven PMSG Wind Turbines. IEEE Trans. Power Electron. 2012, 27, 2325–2337. [Google Scholar] [CrossRef]
  30. Wang, X.; Liao, R.; Shi, C.; Wang, S. Linear Extended State Observer-Based Motion Synchronization Control for Hybrid Actuation System of More Electric Aircraft. Sensors 2017, 17, 2444. [Google Scholar] [CrossRef]
  31. Zhou, X.; Tian, C.; Youjie, M.A. SHAPF model based on LADRC and its current tracking control. Electr. Power Autom. Equip. 2013, 33, 49–54. [Google Scholar]
  32. Liu, L.; Xu, Z.; Mei, Q. Induction Motor Drive System Based on the Flux Observer LESO and LADRC. Congr. Intell. Syst. IEEE 2009, 2, 248–252. [Google Scholar]
  33. Gao, Z. Scaling and bandwidth-parameterization based controller tuning. In Proceedings of the American Control Conference, Denver, CO, USA, 4–6 June 2003; Volume 6, pp. 4989–4996. Available online: http://acc2017.a2c2.org (accessed on 14 October 2019).
  34. Huang, Y.; Xue, W. Active disturbance rejection control: Methodology and theoretical analysis. ISA Trans. 2014, 53, 963–976. [Google Scholar] [CrossRef] [PubMed]
  35. Li, H.; Li, H.; Zhang, Y. Z-source inverter grid-connected control based on active disturbances rejected control strategy. J. Beijing Inf. Sci. Technol. Univ. 2019, 34, 42–48. [Google Scholar]
  36. Yang, C.; Yang, X.; Shardt, Y. An ADRC-based control strategy for FRT improvement of wind power generation with a doubly-fed induction generator. Energies 2018, 11, 1150. [Google Scholar] [CrossRef]
  37. Ding, Z.; Liu, B.; Zhang, Y. Optimal Control for DC Side Voltage of Active Power Filter Based on Auto-Disturbance Rejection Control. Power Syst. Technol. 2013, 37, 2030–2034. [Google Scholar]
Figure 1. Schematic diagram of direct-drive permanent magnet synchronous generator.
Figure 1. Schematic diagram of direct-drive permanent magnet synchronous generator.
Energies 12 03906 g001
Figure 2. Main circuit topology diagram of grid side converter.
Figure 2. Main circuit topology diagram of grid side converter.
Energies 12 03906 g002
Figure 3. Control block diagram of the grid-side inverter with cross-decoupling and voltage feed-forward.
Figure 3. Control block diagram of the grid-side inverter with cross-decoupling and voltage feed-forward.
Energies 12 03906 g003
Figure 4. Schematic diagram of power balance.
Figure 4. Schematic diagram of power balance.
Energies 12 03906 g004
Figure 5. Traditional structure of the linear active disturbance rejection control (LADRC).
Figure 5. Traditional structure of the linear active disturbance rejection control (LADRC).
Energies 12 03906 g005
Figure 6. Structure diagram of the new linear extended state observer (LESO).
Figure 6. Structure diagram of the new linear extended state observer (LESO).
Energies 12 03906 g006
Figure 7. Amplitude and phase curve of the new LESO and the traditional LESO disturbance transfer function.
Figure 7. Amplitude and phase curve of the new LESO and the traditional LESO disturbance transfer function.
Energies 12 03906 g007
Figure 8. Frequency-domain characteristic curve of observed noise.
Figure 8. Frequency-domain characteristic curve of observed noise.
Energies 12 03906 g008
Figure 9. Frequency-domain characteristic curve of input disturbance.
Figure 9. Frequency-domain characteristic curve of input disturbance.
Energies 12 03906 g009
Figure 10. New LADRC control system structure diagram.
Figure 10. New LADRC control system structure diagram.
Energies 12 03906 g010
Figure 11. Frequency domain characteristic curve of perturbation transfer function (when ω c changing).
Figure 11. Frequency domain characteristic curve of perturbation transfer function (when ω c changing).
Energies 12 03906 g011
Figure 12. Frequency domain characteristic curve of perturbation transfer function (when ω c changing).
Figure 12. Frequency domain characteristic curve of perturbation transfer function (when ω c changing).
Energies 12 03906 g012
Figure 13. Block diagram of the wind power system controlled by new LADRC.
Figure 13. Block diagram of the wind power system controlled by new LADRC.
Energies 12 03906 g013
Figure 14. The new LADRC and traditional LADRC anti-disturbance amplitude and phase characteristics.
Figure 14. The new LADRC and traditional LADRC anti-disturbance amplitude and phase characteristics.
Energies 12 03906 g014
Figure 15. Dynamic response of a 1.5 MW permanent magnet synchronous generator (PMSG) with the traditional LADRC and new LADRC during the grid side voltage rising to 130%: (a) Voltage at Point of Common Coupling (PCC); (b) capacitor voltage u d c .
Figure 15. Dynamic response of a 1.5 MW permanent magnet synchronous generator (PMSG) with the traditional LADRC and new LADRC during the grid side voltage rising to 130%: (a) Voltage at Point of Common Coupling (PCC); (b) capacitor voltage u d c .
Energies 12 03906 g015
Figure 16. Dynamic response of a 1.5 MW permanent magnet synchronous generator (PMSG) with the traditional LADRC and new LADRC during the grid side voltage drops to 85%: (a) voltage at PCC; (b) capacitor voltage u d c .
Figure 16. Dynamic response of a 1.5 MW permanent magnet synchronous generator (PMSG) with the traditional LADRC and new LADRC during the grid side voltage drops to 85%: (a) voltage at PCC; (b) capacitor voltage u d c .
Energies 12 03906 g016
Figure 17. Dynamic response of a 1.5 MW permanent magnet synchronous generator (PMSG) with the traditional LADRC and new LADRC during the variation of machine side output: (a) Capacitor voltage at the machine side loading; (b) capacitor voltage at the machine side load shedding; (c) capacitor voltage at the machine side load rejection.
Figure 17. Dynamic response of a 1.5 MW permanent magnet synchronous generator (PMSG) with the traditional LADRC and new LADRC during the variation of machine side output: (a) Capacitor voltage at the machine side loading; (b) capacitor voltage at the machine side load shedding; (c) capacitor voltage at the machine side load rejection.
Energies 12 03906 g017aEnergies 12 03906 g017b
Table 1. Performance index comparison for the grid side voltage rising to 130% case.
Table 1. Performance index comparison for the grid side voltage rising to 130% case.
Performance IndexTraditional LADRCNew LADRC
Voltage fluctuation range1.032 p.u.~1.112 p.u.1.046 p.u.~1.107 p.u.
Regulation time100 ms30ms
Voltage stability value1.074 p.u.1.074 p.u.
Table 2. Performance index comparison for the grid side voltage dropping to 85% case.
Table 2. Performance index comparison for the grid side voltage dropping to 85% case.
Performance IndexTraditional LADRCNew LADRC
voltage fluctuation range±2.71%±0.93%
regulation time90 ms18 ms
Table 3. Control performance comparison under machine side output variation.
Table 3. Control performance comparison under machine side output variation.
ConditionsTraditional LADRCNew LADRC
Loading±1.4%, 75 ms 1±0.74%, 30 ms
Load shedding±0.65%, 100 ms±0.93%, 12 ms
Load rejection±11.2%, 115 ms±1.12% 40 ms
1 These data represent bus voltage fluctuation range and adjustment time, respectively.

Share and Cite

MDPI and ACS Style

Zhou, X.; Liu, M.; Ma, Y.; Yang, B.; Zhao, F. Linear Active Disturbance Rejection Control for DC Bus Voltage of Permanent Magnet Synchronous Generator Based on Total Disturbance Differential. Energies 2019, 12, 3906. https://doi.org/10.3390/en12203906

AMA Style

Zhou X, Liu M, Ma Y, Yang B, Zhao F. Linear Active Disturbance Rejection Control for DC Bus Voltage of Permanent Magnet Synchronous Generator Based on Total Disturbance Differential. Energies. 2019; 12(20):3906. https://doi.org/10.3390/en12203906

Chicago/Turabian Style

Zhou, Xuesong, Mao Liu, Youjie Ma, Bao Yang, and Faqing Zhao. 2019. "Linear Active Disturbance Rejection Control for DC Bus Voltage of Permanent Magnet Synchronous Generator Based on Total Disturbance Differential" Energies 12, no. 20: 3906. https://doi.org/10.3390/en12203906

APA Style

Zhou, X., Liu, M., Ma, Y., Yang, B., & Zhao, F. (2019). Linear Active Disturbance Rejection Control for DC Bus Voltage of Permanent Magnet Synchronous Generator Based on Total Disturbance Differential. Energies, 12(20), 3906. https://doi.org/10.3390/en12203906

Note that from the first issue of 2016, this journal uses article numbers instead of page numbers. See further details here.

Article Metrics

Back to TopTop