A New Hybrid Inductor-Based Boost DC-DC Converter Suitable for Applications in Photovoltaic Systems
Abstract
1. Introduction
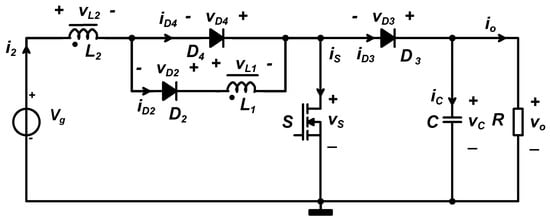
2. DC Analysis of the Proposed Hybrid Inductor-Based Boost Converter
3. Device Stresses and Ripples Calculation
4. State Space Analysis and Model with Lossy Elements
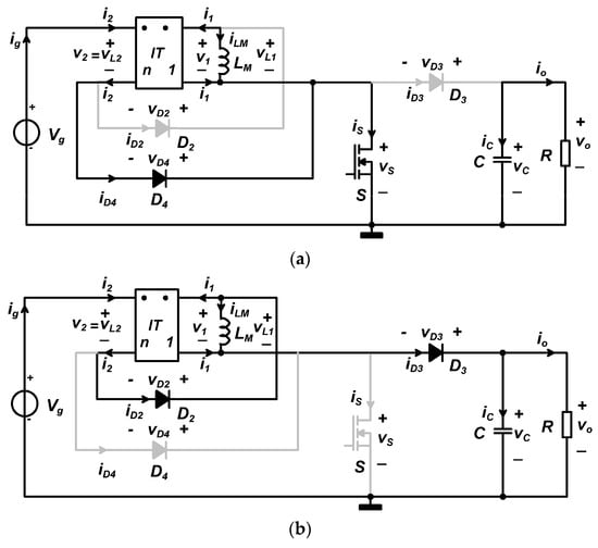
4.1. State Space Analysis
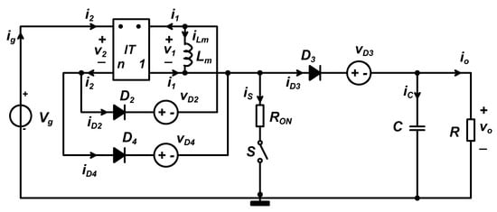
4.2. Model with Lossy Elements
5. Design Example of the Proposed Converter
- Peak power: Pmax = 20 W
- Maximum power point current: Imp = 1.14 A
- Maximum power point voltage: Vmp = 17.49 V
- Short circuit current: Isc = 1.22 A
- Open circuit voltage: Voc = 21.67 V
- The input voltage range was between: Vg = 30 ÷ 35 V
- Maximum output power: Po = 40 W
- Switching frequency: fs = 100 kHz
- Output voltage: Vo = 120 V
6. Simulation Results
7. Experimental Results
8. Application of the Proposed Converter in a PV System for Performing the MPPT
8.1. Simulation of the MPPT Algorithm Using the Proposed Hybrid Inductor-Based Boost Converter in a PV System
8.2. Practical Results of the MPPT Algorithm Using the Proposed Hybrid Inductor-Based Boost Converter
9. Conclusions
Author Contributions
Funding
Conflicts of Interest
References
- Coyle, E.D.; Simmons, R.A. Understanding the Global Energy Crisis; Purdue University Press: West Lafayette, IN, USA, 2014; pp. 1–301. [Google Scholar]
- Abolhosseini, S.; Heshmati, A.; Altmann, J. A review of renewable energy supply and energy efficiency technologies. IZA Discuss. Pap. Ser. 2014, 8145, 1–35. [Google Scholar]
- Report of REN21 Renewable Energy Policy Network for the 21st Century—10 Years of Renewable Energy Progress; Renewable Energy Policy Network for the 21st Century, REN21 Secretariat: Paris, France, 2014; pp. 1–48. Available online: http://www.ren21.net/spotlight/10-years-report/ (accessed on 16 December 2018).
- Pali, B.S.; Vadhera, S. Renewable Energy Systems for Generating Electric Power: A Review. In Proceedings of the 2016 IEEE 1st International Conference on Power Electronics, Intelligent Control and Energy Systems (ICPEICES), Delhi, India, 4–6 July 2016; pp. 1–6. [Google Scholar]
- Nehrir, M.H.; Wang, C.; Strunz, K.; Aki, H.; Ramakumar, R.; Bing, J.; Miao, Z.; Salameh, Z. A review of hybrid renewable/alternative energy systems for electric power generation: Configurations, control, and applications. IEEE Trans. Sustain. Energy 2011, 2, 392–403. [Google Scholar] [CrossRef]
- Jin, C.; Sheng, X.; Ghosh, P. Optimized electric vehicle charging with intermittent renewable energy sources. IEEE J. Sel. Top. Signal Process. 2014, 8, 1063–1072. [Google Scholar] [CrossRef]
- Sun, J.; Li, M.; Zhang, Z.; Xu, T.; He, J.; Wang, H.; Li, G. Renewable energy transmission by HVDC across the continent: System challenges and opportunities. CSEE J. Power Energy Syst. 2017, 3, 353–364. [Google Scholar] [CrossRef]
- Zhang, T.; Chen, W.; Han, Z.; Cao, Z. Charging scheduling of electric vehicles with local renewable energy under uncertain electric vehicle arrival and grid power price. IEEE Trans. Veh. Technol. 2014, 63, 2600–2612. [Google Scholar] [CrossRef]
- Dai, J.; Dong, M.; Ye, R.; Ma, A.; Yang, W. A Review on Electric Vehicles and Renewable Energy Synergies in Smart Grid. In Proceedings of the 2016 China International Conference on Electricity Distribution (CICED), Xi’an, China, 10–13 August 2016; pp. 1–4. [Google Scholar]
- Umuhoza, J.; Zhang, Y.; Zhao, S.; Mantooth, H.A. An Adaptive Control Strategy for Power Balance and the Intermittency Mitigation in Battery-PV Energy System at Residential DC Microgrid Level. In Proceedings of the 2017 IEEE Applied Power Electronics Conference and Exposition (APEC), Tampa, FL, USA, 26–30 March 2017; pp. 1341–1345. [Google Scholar]
- Basaran, K.; Cetin, N.S.; Borekci, S. Energy management for on-grid and off-grid wind/PV and battery hybrid systems. IET Renew. Power Gener. 2017, 11, 642–649. [Google Scholar] [CrossRef]
- Paredes-Parra, J.M.; Mateo-Aroca, A.; Silvente-Niñirola, G.; Bueso, M.C.; Molina-García, Á. PV module monitoring system based on low-cost solutions: Wireless Raspberry application and assessment. Energies 2018, 11, 3051. [Google Scholar] [CrossRef]
- Caruso, M.; Di Tommaso, A.O.; Imburgia, A.; Longo, M.; Miceli, R.; Romano, P.; Salvo, G.; Schettino, G.; Spataro, C.; Viola, F. Economic Evaluation of PV System for EV Charging Stations: Comparison between matching Maximum Orientation and Storage System Employment. In Proceedings of the 5th International Conference on Renewable Energy Research and Applications (ICRERA), Birmingham, UK, 20–23 November 2016; pp. 1179–1184. [Google Scholar]
- Chaudhari, K.; Ukil, A.; Kumar, K.N.; Manandhar, U.; Kollimalla, S.K. Hybrid optimization for economic deployment of ESS in PV-integrated EV charging stations. IEEE Trans. Ind. Inf. 2018, 14, 106–116. [Google Scholar] [CrossRef]
- Sreedevi, J.; Ashwin, N.; Raju, M.N. A Study on Grid Connected PV System. In Proceedings of the 2016 National Power Systems Conference (NPSC), Bhubaneswar, India, 19–21 December 2016; pp. 1–6. [Google Scholar]
- Li, D.H.W.; Cheung, K.L.; Lam, T.N.T.; Chan, W.W.H. A study of grid-connected photovoltaic (PV) system in Hong Kong. Appl. Energy 2012, 90, 122–127. [Google Scholar] [CrossRef]
- Kumar, N.M.; Subathra, M.S.P.; Moses, J.E. On-Grid Solar Photovoltaic System: Components, Design Considerations, and Case Study. In Proceedings of the 2018 4th International Conference on Electrical Energy Systems (ICEES), Chennai, India, 7–9 February 2018; pp. 616–619. [Google Scholar]
- Li, W.; Lv, X.; Deng, Y.; Liu, J.; He, X. A Review of Non-Isolated High Step-Up DC/DC Converters in Renewable Energy Applications. In Proceedings of the 2009 Twenty-Fourth Annual IEEE Applied Power Electronics Conference and Exposition, Washington, DC, USA, 15–19 February 2009; pp. 364–369. [Google Scholar]
- Li, W.; He, X. Review of nonisolated high-step-up DC/DC converters in photovoltaic grid-connected applications. IEEE Trans. Ind. Electron. 2011, 58, 1239–1250. [Google Scholar] [CrossRef]
- Arun, S.; Imthias, A.T.P.; Lakaparampil, Z.V. Review and Performance Analysis of High Step-Up DC/DC Converters for Photovoltaic Application. In Proceedings of the 2017 IEEE International Conference on Electrical, Instrumentation and Communication Engineering (ICEICE), Karur, India, 27–28 April 2017; pp. 1–5. [Google Scholar]
- Tomaszuk, A.; Krupa, A. Step-up DC/DC converters for photovoltaic applications—Theory and performance. Przegląd Elektrotechniczny 2013, 89, 51–57. [Google Scholar]
- Tomaszuk, A.; Krupa, A. High efficiency high step-up DC/DC converters—A review. Bull. Pol. Acad. Sci. Tech. Sci. 2011, 59, 475–483. [Google Scholar] [CrossRef]
- Saravanan, S.; Babu, N.R. A modified high step-up non-isolated DC-DC converter for PV application. J. Appl. Res. Technol. 2017, 15, 242–249. [Google Scholar] [CrossRef]
- Cornea, O.; Andreescu, G.; Muntean, N.; Hulea, D. Bidirectional power flow control in a DC microgrid through a switched-capacitor cell hybrid DC–DC converter. IEEE Trans. Ind. Electron. 2017, 64, 3012–3022. [Google Scholar] [CrossRef]
- Wu, Y.-E.; Wu, Y.-L. Design and implementation of a high efficiency, low component voltage stress, single-switch high step-up voltage converter for vehicular green energy systems. Energies 2016, 9, 772. [Google Scholar] [CrossRef]
- Oliveira, S.V.G.; Barbi, I. A Three-Phase Step-Up DC-DC Converter with a Three-Phase High Frequency Transformer. In Proceedings of the IEEE International Symposium on Industrial Electronics 2005 (ISIE ’05), Dubrovnik, Croatia, 20–23 June 2005; Volume 2, pp. 571–576. [Google Scholar]
- Gopi, A.; Saravanakumar, R. High step-up isolated efficient single switch DC-DC converter for renewable energy source. Ain Shams Eng. J. 2014, 5, 1115–1127. [Google Scholar] [CrossRef]
- Padmanaban, S.; Bhaskar, M.S.; Maroti, P.K.; Blaabjerg, F.; Fedák, V. An Original Transformer and Switched-Capacitor (T & SC)-Based Extension for DC-DC Boost Converter for High-Voltage/Low-Current Renewable Energy Applications: Hardware Implementation of a New T & SC Boost Converter. Energies 2018, 11, 783. [Google Scholar] [CrossRef]
- Dawidziuk, J. Review and comparison of high efficiency high power boost DC/DC converters for photovoltaic applications. Bull. Pol. Acad. Sci. Tech. Sci. 2011, 59, 499–506. [Google Scholar] [CrossRef]
- Gavriş, M.; Cornea, O.; Muntean, N. Multiple Input DC-DC Topologies in Renewable Energy Systems—a General Review. In Proceedings of the 2011 IEEE 3rd International Symposium on Exploitation of Renewable Energy Sources (EXPRES ’11), Subotica, Serbia, 11–12 March 2011; pp. 123–128. [Google Scholar]
- Thounthong, P.; Davat, B. Study of a multiphase interleaved step-up converter for fuel cell high power applications. Energy Convers. Manag. 2010, 51, 826–832. [Google Scholar] [CrossRef]
- Shin, H.B.; Park, J.G.; Chung, S.K.; Lee, H.W.; Lipo, T.A. Generalised steady-state analysis of multiphase interleaved boost converter with coupled inductors. IEE J. Electr. Power Appl. 2005, 152, 584–594. [Google Scholar] [CrossRef]
- Taufik, T.; Gunawan, T.; Dolan, D.; Anwari, M. Design and analysis of two-phase boost DC-DC converter. Int. J. Electr. Comput. Eng. 2010, 4, 912–916. [Google Scholar]
- Pop-Calimanu, I.M.; Renken, F. New multiphase hybrid boost converter with wide conversion ratio for PV system. Int. J. Photoenergy 2014, 2014, 637468. [Google Scholar] [CrossRef]
- Renken, F.; Pop-Calimanu, I.M.; Schurmann, U. Novel Multiphase Hybrid Boost Converter with Wide Conversion Ratio. In Proceedings of the 2014 16th European Conference on Power Electronics and Applications (EPE-ECCE), Lappeenranta, Finland, 26–28 August 2014; pp. 1–10. [Google Scholar]
- Saadat, P.; Abbaszadeh, K. A single-switch high step-up dc–dc converter based on quadratic boost. IEEE Trans. Ind. Electron. 2016, 63, 7733–7742. [Google Scholar] [CrossRef]
- Palomo, R.L.; Morales-Saldana, J.A.; Hernandez, E.P. Quadratic step-down DC-DC converters based on reduced redundant power processing approach. IET Power Electron. 2013, 6, 136–145. [Google Scholar] [CrossRef]
- Langarica-Córdoba, D.; Diaz-Saldierna, L.H.; Leyva-Ramos, J. Fuel-Cell Energy Processing Using a Quadratic Boost Converter for High Conversion Ratios. In Proceedings of the IEEE 6th International Symposium on Power Electronics for Distributed Generation Systems (PEDG), Aachen, Germany, 22–25 June 2015; pp. 1–7. [Google Scholar]
- Lica, S.; Gurbină, M.; Drăghici, D.; Iancu, D.; Lascu, D. A New Quadratic Buck Converter. In Proceedings of the 2014 11th International Symposium on Electronics and Telecommunications (ISETC 2014), Timișoara, Romania, 14–15 November 2014; pp. 37–40. [Google Scholar]
- Tanca, V.M.; Barbi, I. Nonisolated High Step-Up Stacked DC-DC Converter Based on Boost Converter Elements for High Power Application. In Proceedings of the 2011 IEEE International Symposium of Circuits and Systems (ISCAS), Rio de Janeiro, Brazil, 15–18 May 2011; pp. 249–252. [Google Scholar]
- Lica, S.; Pop-Călimanu, I.M.; Lascu, D.; Cireşan, A.; Gurbină, M. A New Stacked Step-Up Converter. In Proceedings of the 2017 40th International Conference on Telecommunications and Signal Processing (TSP 2017), Barcelona, Spain, 5–7 July 2017; pp. 315–319. [Google Scholar]
- Axelrod, B.; Berkovich, Y.; Ioinovici, A. Switched capacitor/switched inductor structures for getting transformerless hybrid dc-dc PWM converters. IEEE Trans. Circuits Syst. I Regul. Pap. 2008, 55, 687–696. [Google Scholar] [CrossRef]
- Abdel-Rahim, O.; Orabi, M.; Abdelkarim, E.; Ahmed, M.; Zoussef, M. Switched Inductor Boost Converter for PV Applications. In Proceedings of the 2012 27th Annual IEEE Applied Power Electronics Conference and Exposition (APEC), Orlando, FL, USA, 5–9 February 2012; pp. 2100–2106. [Google Scholar]
- Wai, R.J.; Wang, W.H.; Lin, C.Y. High-performance stand-alone photovoltaic generation system. IEEE Trans. Ind. Electron. 2008, 55, 240–250. [Google Scholar] [CrossRef]
- Chen, S.M.; Liang, T.J.; Yang, L.S.; Chen, J.F. A safety enhanced, high step-up DC-DC converter for AC photovoltaic module application. IEEE Trans. Power Electron. 2012, 27, 1809–1817. [Google Scholar] [CrossRef]
- Tseng, S.Y.; Wang, H.Y. A photovoltaic power system using a high step-up converter for DC load applications. Energies 2013, 6, 1068–1100. [Google Scholar] [CrossRef]
- Pop-Călimanu, I.M.; Lascu, D.; Lica, S.; Gurbină, M.; Renken, F. A New Hybrid Boost-L Converter. In Proceedings of the 2017 International Symposium on Power Electronics (Ee), Novi Sad, Serbia, 19–21 October 2017; pp. 1–6. [Google Scholar] [CrossRef]
- Ćuk, S. A new zero-ripple switching DC-to-DC converter and integrated magnetics. IEEE Trans. Magn. 1983, 19, 57–75. [Google Scholar] [CrossRef]
- Maksimovic, D.; Ćuk, S. Switching converters with wide DC conversion range. IEEE Trans. Power Electron. 1991, 6, 151–157. [Google Scholar] [CrossRef]
- Erickson, R.W.; Maksimovic, D. Fundamentals of Power Electronics, 2nd ed.; Kluwer Academic Publishers: New York, NY, USA, 2001. [Google Scholar]
- Gurbină, M.; Pop-Călimanu, I.M.; Lascu, D.; Lica, S.; Cireșan, A. Exact Stability Analysis of a Two-Phase Boost Converter. In Proceedings of the 2018 41st International Conference on Telecommunications and Signal Processing (TSP 2018), Athens, Greece, 4–6 July 2018; pp. 1–4. [Google Scholar]
- MATLAB. The Language of Technical Computing. Available online: https://www.mathworks.com/help/matlab/ (accessed on 16 August 2018).
- Kassakian, J.G.; Schlecht, M.F.; Verghese, G.C. Principles of Power Electronics; Addison-Wesley: Reading, MA, USA, 1991. [Google Scholar]
- Sheehan, R.; Diana, L. Switch-Mode Power Converter Compensation Made Easy; Texas Instruments: Dallas, TX, USA, 2016; Available online: https://www.ti.com/seclit/ml/slup340/slup340.pdf (accessed on 5 August 2018).
- CASPOC. Online Manuals. Available online: http://www.caspoc.com/support/manuals/ (accessed on 16 December 2018).
- ADuCino 360. Datasheet. Available online: https://kamami.com/analog-devices/208971-aducino-360.html (accessed on 16 December 2018).
- Tofoli, F.L.; de Castro Pereira, D.; de Paula, W.J. Comparative study of maximum power point tracking techniques for photovoltaic systems. Int. J. Photoenergy 2015, 2015, 812582. [Google Scholar] [CrossRef]
- Chen, P.-C.; Chen, P.-Y.; Liu, Y.-H.; Chen, J.-H.; Luo, Y.-F. A comparative study on maximum power point tracking techniques for photovoltaic generation systems operating under fast changing environments. Sol. Energy 2015, 119, 261–276. [Google Scholar] [CrossRef]
- Lyden, S.; Haque, M.E. Maximum Power Point Tracking techniques for photovoltaic systems: A comprehensive review and comparative analysis. Renew. Sustain. Energy Rev. 2015, 52, 1504–1518. [Google Scholar] [CrossRef]
- Hohm, D.P.; Ropp, M.E. Comparative Study of Maximum Power Point Tracking Algorithms Using an Experimental, Programmable, Maximum Power Point Tracking Test Bed. In Proceedings of the Conference Record of the Twenty-Eighth IEEE Photovoltaic Specialists Conference—2000 (Cat. No.00CH37036), Anchorage, AK, USA, 15–22 September 2000; pp. 1699–1702. [Google Scholar] [CrossRef]
- Subudhi, B.; Pradhan, R. A comparative study on maximum power point tracking techniques for photovoltaic power systems. IEEE Trans. Sustain. Energy 2013, 4, 89–98. [Google Scholar] [CrossRef]
- Drir, N.; Barazane, L.; Loudini, M. Comparative Study of Maximum Power Point Tracking Methods of Photovoltaic Systems. In Proceedings of the 2014 International Conference on Electrical Sciences and Technologies in Maghreb (CISTEM), Tunis, Tunisia, 3–6 November 2014; pp. 1–5. [Google Scholar]
- Kivimäki, J.; Kolesnik, S.; Sitbon, M.; Suntio, T.; Kuperman, A. Design guidelines for multiloop perturbative maximum power point tracking algorithms. IEEE Trans. Power Electron. 2018, 33, 1284–1293. [Google Scholar] [CrossRef]
- Sitbon, M.; Lineykin, S.; Schacham, S.; Suntio, T.; Kuperman, A. Online dynamic conductance estimation based maximum power point tracking of photovoltaic generators. Energy Convers. Manag. 2018, 166, 687–696. [Google Scholar] [CrossRef]
- Belkaid, A.; Colak, I.; Isik, O. Photovoltaic maximum power point tracking under fast varying of solar radiation. Appl. Energy 2016, 179, 523–530. [Google Scholar] [CrossRef]
































| Parameter | Type of Boost Converter | ||||
|---|---|---|---|---|---|
| Classic [50] | Hybrid Up1 [42] | Hybrid Up3 [42] | Hybrid Boost-L [47] | Proposed Hybrid Boost | |
| Switches | 1 | 1 | 1 | 1 | 1 |
| Diodes | 1 | 2 | 4 | 3 | 3 |
| Total no. of components | 4 | 8 | 8 | 7 | 7 |
| System Order | 2 | 3 | 3 | 2 | 2 |
| Conversion ratio—M | |||||
| Switch voltage stress | |||||
| Switch current stress | |||||
| Maximum diode voltage stress | |||||
| Maximum diode dc current stress | |||||
© 2019 by the authors. Licensee MDPI, Basel, Switzerland. This article is an open access article distributed under the terms and conditions of the Creative Commons Attribution (CC BY) license (http://creativecommons.org/licenses/by/4.0/).
Share and Cite
Pop-Calimanu, I.-M.; Lica, S.; Popescu, S.; Lascu, D.; Lie, I.; Mirsu, R. A New Hybrid Inductor-Based Boost DC-DC Converter Suitable for Applications in Photovoltaic Systems. Energies 2019, 12, 252. https://doi.org/10.3390/en12020252
Pop-Calimanu I-M, Lica S, Popescu S, Lascu D, Lie I, Mirsu R. A New Hybrid Inductor-Based Boost DC-DC Converter Suitable for Applications in Photovoltaic Systems. Energies. 2019; 12(2):252. https://doi.org/10.3390/en12020252
Chicago/Turabian StylePop-Calimanu, Ioana-Monica, Septimiu Lica, Sorin Popescu, Dan Lascu, Ioan Lie, and Radu Mirsu. 2019. "A New Hybrid Inductor-Based Boost DC-DC Converter Suitable for Applications in Photovoltaic Systems" Energies 12, no. 2: 252. https://doi.org/10.3390/en12020252
APA StylePop-Calimanu, I.-M., Lica, S., Popescu, S., Lascu, D., Lie, I., & Mirsu, R. (2019). A New Hybrid Inductor-Based Boost DC-DC Converter Suitable for Applications in Photovoltaic Systems. Energies, 12(2), 252. https://doi.org/10.3390/en12020252

