Influence of DVR on Adjacent Load and Its Compensation Strategy Design Based on Externality Theory
Abstract
1. Introduction
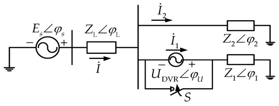
2. Analysis of Influence of DVR on the Adjacent Load
3. Definition of Externality
3.1. Judgment of the Nature of Externality
3.2. The External Compensation Range
3.3. Compensation Costs for Externalities
4. Design of DVR Optimization Compensation Strategy Considering Externality
- The proposed compensation strategy in this paper is only applicable to the optimization of fundamental signal.
- The line impedance should not be ignored, otherwise the externalities will be very small, and the compensation strategy of DVR should not take the possible externalities on adjacent loads into a consideration.
- The externalities of the DVR on adjacent loads can only be discussed if the equivalent circuit structure shown in the Figure 2 is satisfied.
5. Simulation Results
5.1. Construction of the Simulation System with DVR and Loads
5.2. Externalities Analysis Considering Impedance Ratio k and z1/z2 Change
5.3. Optimization Compensation Strategy Analysis
6. Conclusions
- (1)
- The impact of DVR on adjacent load does exist and will become more and more obvious in the future. This will probably result in disputes between electric energy users, which is not conducive to the popularization and promotion of DVR equipment.
- (2)
- Transforming the influence of DVR on adjacent load into a model of externality is beneficial to distinguish the interaction between different entities. Referring to the classical solution of external problems, this paper classifies the externality of DVR on adjacent load and deduces the corresponding existence conditions. An optimization compensation strategy is proposed to reduce the compensation cost and the effectiveness of the proposed method is verified by simulation in a simple test system in the MATLAB platform.
Author Contributions
Funding
Conflicts of Interest
References
- Bollen, M.H.J. Understanding Power Quality Problems, Voltage Sags and Interruptions; IEEE Press: New York, NY, USA, 2000. [Google Scholar]
- Steciuk, P.B.; Redmon, J.R. Voltage sag analysis peaks customer service. IEEE Comput. Appl. Power 1996, 9, 48–51. [Google Scholar]
- Gomez, J.C.; Morcos, M.M. Voltage Sag and Recovery Time in Repetitive Events. IEEE Trans. Power Deliv. 2002, 17, 1037–1043. [Google Scholar] [CrossRef]
- Yang, Y.; Xiao, X.; Guo, S.; Gao, Y.; Yuan, C.; Yang, W. Energy Storage Characteristic Analysis of Voltage Sags Compensation for UPQC Based on MMC for Medium Voltage Distribution System. Energies 2018, 11, 923. [Google Scholar] [CrossRef]
- Li, P.; Xie, L.; Han, J.; Pang, S.; Li, P.A. New Voltage Compensation Philosophy for Dynamic Voltage Restorer to Mitigate Voltage Sags Using Three-Phase Voltage Ellipse Parameters. IEEE Trans. Power Electron. 2018, 33, 1154–1166. [Google Scholar] [CrossRef]
- Jiang, F.; Tu, C.; Shuai, Z.; Cheng, M.; Lan, Z.; Xiao, F. Multilevel Cascaded-Type Dynamic Voltage Restorer with Fault Current-Limiting Function. IEEE Trans. Power Deliv. 2016, 31, 1261–1269. [Google Scholar] [CrossRef]
- Kim, S.; Kim, H.-G.; Cha, H. Dynamic Voltage Restorer Using Switching Cell Structured Multilevel AC-AC Converter. IEEE Trans. Power Electron. 2017, 32, 8406–8418. [Google Scholar] [CrossRef]
- Zhou, M.; Sun, Y.; Su, M.; Li, X.; Lin, J.; Liang, J.; Liu, Y. Transformer-less dynamic voltage restorer based on a three-leg ac/ac converter. IET Power Electron. 2018, 11, 2045–2052. [Google Scholar] [CrossRef]
- Choi, S.S.; Li, B.H.; Vilathgamuwa, D.M. A comparative study of inverter- and line-side filtering schemes in the dynamic voltage restorer. In Proceedings of the 2000 IEEE Power Engineering Society Winter Meeting. Conference Proceedings, Singapore, 23–27 January 2000. [Google Scholar]
- Majchrzak, V.; Parent, G.; Brudny, J.-F.; Costan, V.; Guuinic, P. Design of a Coupling Transformer with a Virtual Air Gap for Dynamic Voltage Restorers. IEEE Trans. Magn. 2016, 52, 8401104. [Google Scholar] [CrossRef]
- Tien, D.V.; Gono, R.; Leonowicz, Z. A Multifunctional Dynamic Voltage Restorer for Power Quality Improvement. Energies 2018, 11, 1351. [Google Scholar] [CrossRef]
- Roldan-Perez, J.; Garcia-Cerrada, A.; Rodriguez-Cabero, A.; Luis Zamora-Macho, J. Comprehensive Design and Analysis of a State-Feedback Controller for a Dynamic Voltage Restorer. Energies 2018, 11, 1972. [Google Scholar] [CrossRef]
- Sadigh, A.K.; Smedley, K.M. Fast and precise voltage sag detection method for dynamic voltage restorer (DVR) application. Electr. Power Syst. Res. 2016, 130, 192–207. [Google Scholar] [CrossRef]
- Farhadi-Kangarlu, M.; Babaei, E.; Blaabjerg, F. A comprehensive review of dynamic voltage restorers. Int. J. Electr. Power Energy Syst. 2017, 92, 136–155. [Google Scholar] [CrossRef]
- Biricik, S.; Komurcugil, H.; Tuyen, N.D.; Basu, M. Protection of Sensitive Loads Using Sliding Mode Controlled Three-Phase DVR with Adaptive Notch Filter. IEEE Trans. Ind. Electron. 2019, 66, 5465–5475. [Google Scholar] [CrossRef]
- Tu, C.; Sun, Y.; Guo, Q.; Fei, J.; Li, Z. The Minimum Energy Soft-Switching Control Strategy for Dynamic Voltage Restorer. Trans. China Electrotech. Soc. 2019, 34, 3035–3045. [Google Scholar]
- Rauf, A.M.; Khadkikar, V. An Enhanced Voltage Sag Compensation Scheme for Dynamic Voltage Restorer. IEEE Trans. Ind. Electron. 2015, 62, 2683–2692. [Google Scholar] [CrossRef]
- Domijan, A.; Montenegro, A.; Keri, A.J.F.; Mattern, K.E. Simulation Study of the World’s First Distributed Premium Power Quality Park. IEEE Trans. Power Deliv. 2005, 20, 1483–1492. [Google Scholar] [CrossRef]
- James, M. Buchanan and Wm. Craig Stubblebine. Externality. Economica 1962, 29, 371–384. [Google Scholar]
- Rochet, J.C.; Tirole, J. Two-sided markets: a progress report. RAND J. Econ. 2006, 37, 645–667. [Google Scholar] [CrossRef]
- O’Neill-Carrillo, E.; Zamot, H.R.; Hernández, M.; Irizarry-Rivera, A.A.; Jiménez-Rodríguez, L.O. Beyond traditional power systems: Energy externalities, ethics and society. In Proceedings of the 2012 IEEE International Symposium on Sustainable Systems and Technology, Boston, MA, USA, 16–18 May 2012. [Google Scholar]
- Kallitsis, M.G.; Michailidis, G.; Devetsikiotis, M. Optimal Power Allocation Under Communication Network Externalities. IEEE Trans. Smart Grid 2012, 3, 162–173. [Google Scholar] [CrossRef]
- Huiru, Z.; Sen, G.; Hongze, L. Economic Impact Assessment of Wind Power Integration: A Quasi-Public Goods Property Perspective. Energies 2015, 8, 8749–8774. [Google Scholar]
- Li, P.; Xie, L.; Han, J.; Pang, S.; Li, P. New Decentralized Control Scheme for a Dynamic Voltage Restorer Based on the Elliptical Trajectory Compensation. IEEE Trans. Ind. Electron. 2017, 64, 6484–6495. [Google Scholar] [CrossRef]
- Jayaprakash, P.; Singh, B.; Kothari, D.P.; Chandra, A.; Al-Haddad, K. Control of Reduced-Rating Dynamic Voltage Restorer with a Battery Energy Storage System. IEEE Trans. Ind. Appl. 2014, 50, 1295–1303. [Google Scholar] [CrossRef]
- De Borger, B.; Glazer, A. Support and opposition to a Pigovian tax: Road pricing with reference-dependent preferences. J. Urban Econ. 2017, 99, 31–47. [Google Scholar] [CrossRef]
- Robson, A.; Skaperdas, S. Costly enforcement of property rights and the Coase theorem. Econ. Theory 2008, 36, 109–128. [Google Scholar] [CrossRef]
- Sun, Z.; Guo, C.; Xiao, X.; Xu, Y.; Liu, Y. Analysis Method of DVR Compensation Strategy Based on Load Voltage and Minimum Energy Control. Proc. CSEE 2010, 30, 43–49. [Google Scholar]
- Zheng, Z.; Li, Y.; Xie, X.; Zheng, Y.; Zhang, Z.; Ai, Q. Allocation plan of voltage sags mitigation devices based on life cycle cost. Power Syst. Prot. Control 2018, 46, 128–134. [Google Scholar]















| Devices | Advantage | Disadvantage |
|---|---|---|
| DVR | Only works when the grid voltage is abnormal; high efficiency; strong adaptability | High investment cost; unable to tackle with a long time voltage drop; need remote monitoring technology |
| UPS | Strong power supply reliability | High operating loss; high battery maintenance cost |
| STATCOM | Strong reactive power output capacity; flexible voltage regulation | High investment cost; need high performance of controller; instantaneous voltage sag is difficult to deal with |
| Compensation Methods | Advantage | Disadvantage |
|---|---|---|
| [17] | The minimum energy compensation is obtained and the problem of phase jump of compensation voltage is solved | When the grid voltage is restored, the abrupt change of voltage phase angle is ignored |
| [5] | By using the three-phase voltage ellipse parameters, most of the voltage sag compensation requirements can be satisfied with the minimum energy storage capacity | The ability of controller operation and data processing is highly required. |
| [16] | The minimum energy compensation is obtained and the load voltage has realized the smooth transition during the whole process of fault | The operation time is too long to deal with the continuous voltage sag. |
| Parameters | Value and Unit |
|---|---|
| S | 250 kVA |
| ES | 380 V |
| Cfix | 12.5 thousand CNY/kVA |
| COt | 1.25 thousand CNY/kVA |
| CMt | 1.25thousand CNY/kVA |
| ZL | 0.264 + j0.0023503 Ω |
| Z1 | 7.26 + j0.011198 Ω |
| Z2 | 3.63 + j0.005599 Ω |
| T | 20 years |
| q | 20000 |
| γ | 5% |
| Comparison Groups | Externality Compensation Costs for DVR Action (Ten Thousand CNY) | ||
|---|---|---|---|
| 25% | 50% | 75% | |
| case 1 | 0.965(+) | 0.241(−) | 2.284(−) |
| case 2 | 0.054(+) | 0.681(−) | 0.586(−) |
| case 3 | 0.050(−) | 0.047(−) | 0.716(−) |
| Comparison Groups | Externality Compensation Costs for DVR Action (Ten Thousand CNY) | Compensation Effect on Sensitive Load | |||||||
|---|---|---|---|---|---|---|---|---|---|
| 25% | 50% | 75% | Voltage Amplitude | Phase Angle Offset | |||||
| 25% | 50% | 75% | 25% | 50% | 75% | ||||
| optimized compensation strategy | 0.965(+) | 0.075(−) | 1.910(−) | 1.0 pu | 1.0 pu | 1.0 pu | 0° | 5° | 5° |
| presag compensation strategy | 0.965(+) | 0.241(−) | 2.284(−) | 1.0 pu | 1.0 pu | 1.0 pu | 0° | 0° | 0° |
| Comparison Groups | Externality Compensation Costs for DVR Action (Ten Thousand CNY) | Compensation Effect on Sensitive Load | |||||||
|---|---|---|---|---|---|---|---|---|---|
| 25% | 50% | 75% | Voltage Amplitude | Phase Angle Offset | |||||
| 25% | 50% | 75% | 25% | 50% | 75% | ||||
| optimized compensation strategy | 0.965(+) | 0 | 0 | 1.0 pu | 1.0 pu | 1.0 pu | 0° | 7.11° | 23.22° |
| presag compensation strategy | 0.965(+) | 0.241(−) | 2.284(−) | 1.0 pu | 1.0 pu | 1.0 pu | 0° | 0° | 0° |
© 2019 by the authors. Licensee MDPI, Basel, Switzerland. This article is an open access article distributed under the terms and conditions of the Creative Commons Attribution (CC BY) license (http://creativecommons.org/licenses/by/4.0/).
Share and Cite
Du, Z.; Chen, Z.; Dai, G.; Javed, M.Y.; Shao, C.; Zhan, H. Influence of DVR on Adjacent Load and Its Compensation Strategy Design Based on Externality Theory. Energies 2019, 12, 3716. https://doi.org/10.3390/en12193716
Du Z, Chen Z, Dai G, Javed MY, Shao C, Zhan H. Influence of DVR on Adjacent Load and Its Compensation Strategy Design Based on Externality Theory. Energies. 2019; 12(19):3716. https://doi.org/10.3390/en12193716
Chicago/Turabian StyleDu, Zhaobin, Zhuo Chen, Guanquan Dai, Mohammed Yaqoob Javed, Chuanyong Shao, and Haoqin Zhan. 2019. "Influence of DVR on Adjacent Load and Its Compensation Strategy Design Based on Externality Theory" Energies 12, no. 19: 3716. https://doi.org/10.3390/en12193716
APA StyleDu, Z., Chen, Z., Dai, G., Javed, M. Y., Shao, C., & Zhan, H. (2019). Influence of DVR on Adjacent Load and Its Compensation Strategy Design Based on Externality Theory. Energies, 12(19), 3716. https://doi.org/10.3390/en12193716
