A Review on Transformerless Step-Up Single-Phase Inverters with Different DC-Link Voltage for Photovoltaic Applications
Abstract
1. Introduction
2. Grid Requirements
3. Transformerless Grid-Connected Topologies with Step-Up Ability
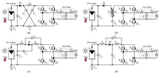
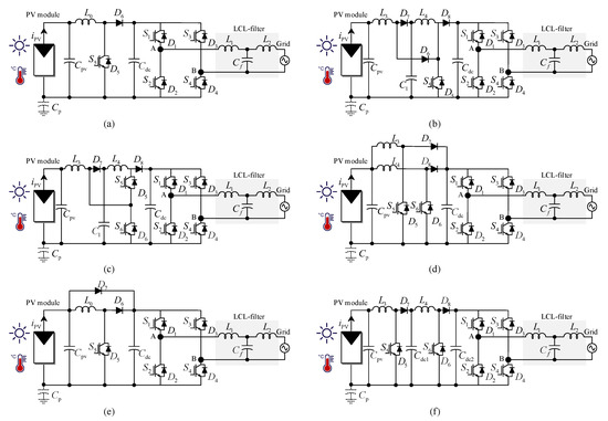
3.1. Constant DC-Link Voltage
3.2. Pseudo-DC-Link Voltage
3.3. Pulsating DC-Link Voltage
3.4. Integrated DC-Link Voltage
4. Comparison of the Four Types of Topologies
5. Conclusions
Author Contributions
Funding
Acknowledgments
Conflicts of Interest
References
- Yang, X.; Song, Y.; Wang, G.; Wang, W. A Comprehensive Review on the Development of Sustainable Energy Strategy and Implementation in China. IEEE Trans. Sustain. Energy 2010, 1, 57–65. [Google Scholar] [CrossRef]
- Blaabjerg, F.; Yang, Y.; Yang, D.; Wang, X. Distributed Power-Generation Systems and Protection. Proc. IEEE 2017, 105, 1311–1331. [Google Scholar] [CrossRef]
- Kasper, M.; Bortis, D.; Kolar, J.W. Classification and Comparative Evaluation of PV Panel-Integrated DC–DC Converter Concepts. IEEE Trans. Power Electron. 2014, 29, 2511–2526. [Google Scholar] [CrossRef]
- REN 21. Renewables 2019: Global Status Report (GSR); Technical Report; REN21 Secretariat: Paris, France, 2019. [Google Scholar]
- SolarPower Europe. Global Market Outlook For Solar Power 2019–2023; Technical Report; SolarPower Europe: Brussels, Belgium, 2019. [Google Scholar]
- Niazi, K.A.K.; Yang, Y.; Sera, D. Review of Mismatch Mitigation Techniques for PV Modules. IET Renew. Power Gener. 2019, 13, 2035–2050. [Google Scholar] [CrossRef]
- Hu, H.; Harb, S.; Kutkut, N.; Batarseh, I.; Shen, Z.J. A Review of Power Decoupling Techniques for Microinverters with Three Different Decoupling Capacitor Locations in PV Systems. IEEE Trans. Power Electron. 2013, 28, 2711–2726. [Google Scholar] [CrossRef]
- Patel, H.; Agarwal, V. MPPT Scheme for a PV-Fed Single-Phase Single-Stage Grid-Connected Inverter Operating in CCM With Only One Current Sensor. IEEE Trans. Energy Convers. 2009, 24, 256–263. [Google Scholar] [CrossRef]
- Li, Q.; Wolfs, P. A Review of the Single Phase Photovoltaic Module Integrated Converter Topologies With Three Different DC Link Configurations. IEEE Trans. Power Electron. 2008, 23, 1320–1333. [Google Scholar]
- Forouzesh, M.; Siwakoti, Y.P.; Gorji, S.A.; Blaabjerg, F.; Lehman, B. Step-Up DC–DC Converters: A Comprehensive Review of Voltage-Boosting Techniques, Topologies, and Applications. IEEE Trans. Power Electron. 2017, 32, 9143–9178. [Google Scholar] [CrossRef]
- Yang, Y.; Enjeti, P.; Blaabjerg, F.; Wang, H. Wide-Scale Adoption of Photovoltaic Energy: Grid Code Modifications Are Explored in the Distribution Grid. IEEE Ind. Appl. Mag. 2015, 21, 21–31. [Google Scholar] [CrossRef]
- Adefarati, T.; Bansal, R.C. Integration of Renewable Distributed Generators into the Distribution System: A Review. IET Renew. Power Gener. 2016, 10, 873–884. [Google Scholar] [CrossRef]
- Carrasco, J.M.; Franquelo, L.G.; Bialasiewicz, J.T.; Galvan, E.; PortilloGuisado, R.C.; Prats, M.A.M.; Leon, J.I.; Moreno-Alfonso, N. Power-Electronic Systems for the Grid Integration of Renewable Energy Sources: A Survey. IEEE Trans. Ind. Electron. 2006, 53, 1002–1016. [Google Scholar] [CrossRef]
- Yang, Y.; Blaabjerg, F. Overview of Single-Phase Grid-Connected Photovoltaic Systems. Electr. Power Compon. Syst. 2015, 43, 1352–1363. [Google Scholar] [CrossRef]
- Wu, Y.; Lin, J.; Lin, H. Standards and Guidelines for Grid-Connected Photovoltaic Generation Systems: A Review and Comparison. IEEE Trans. Ind. Appl. 2017, 53, 3205–3216. [Google Scholar] [CrossRef]
- Gu, B.; Dominic, J.; Lai, J.; Chen, C.; LaBella, T.; Chen, B. High Reliability and Efficiency Single-Phase Transformerless Inverter for Grid-Connected Photovoltaic Systems. IEEE Trans. Power Electron. 2013, 28, 2235–2245. [Google Scholar] [CrossRef]
- Yang, B.; Li, W.; Gu, Y.; Cui, W.; He, X. Improved Transformerless Inverter With Common-Mode Leakage Current Elimination for a Photovoltaic Grid-Connected Power System. IEEE Trans. Power Electron. 2012, 27, 752–762. [Google Scholar] [CrossRef]
- Subudhi, B.; Pradhan, R. A Comparative Study on Maximum Power Point Tracking Techniques for Photovoltaic Power Systems. IEEE Trans. Sustain. Energy 2013, 4, 89–98. [Google Scholar] [CrossRef]
- Li, W.; Gu, Y.; Luo, H.; Cui, W.; He, X.; Xia, C. Topology Review and Derivation Methodology of Single-Phase Transformerless Photovoltaic Inverters for Leakage Current Suppression. IEEE Trans. Ind. Electron. 2015, 62, 4537–4551. [Google Scholar] [CrossRef]
- Xue, Y.; Chang, L.; Kjaer, S.B.; Bordonau, J.; Shimizu, T. Topologies of Single-Phase Inverters for Small Distributed Power Generators: An Overview. IEEE Trans. Power Electron. 2004, 19, 1305–1314. [Google Scholar] [CrossRef]
- Zhao, Z.; Xu, M.; Chen, Q.; Lai, J.; Cho, Y. Derivation, Analysis, and Implementation of a Boost–Buck Converter-Based High-Efficiency PV Inverter. IEEE Trans. Power Electron. 2012, 27, 1304–1313. [Google Scholar] [CrossRef]
- Chub, A.; Vinnikov, D.; Blaabjerg, F.; Peng, F.Z. A Review of Galvanically Isolated Impedance-Source DC–DC Converters. IEEE Trans. Power Electron. 2016, 31, 2808–2828. [Google Scholar] [CrossRef]
- Xiao, W.; Moursi, M.S.E.; Khan, O.; Infield, D. Review of Grid-Tied Converter Topologies Used in Photovoltaic Systems. IET Renew. Power Gener. 2016, 10, 1543–1551. [Google Scholar] [CrossRef]
- Meneses, D.; Blaabjerg, F.; García, Ó.; Cobos, J.A. Review and Comparison of Step-Up Transformerless Topologies for Photovoltaic AC-Module Application. IEEE Trans. Power Electron. 2013, 28, 2649–2663. [Google Scholar] [CrossRef]
- Deutsches Institut fur Normung (DIN); Verband der Elektrotechnik Elektronik Informationstechnik (VDE) e.V. Automatic Disconnection Device between a Generator and the Public Low Voltage Grid; VDE V 0126-1-1 2006-02; Deutsches Institut fur Normung (DIN): Berlin, Germnay; Verband der Elektrotechnik Elektronik Informationstechnik (VDE) e.V.: Frankfurt, Germany, 2006. [Google Scholar]
- International Electrotechnical Commission. Photovoltaic (PV) Systems—Characteristics of the Utility Interface; IEC Stand. 61727 Ed20; International Electrotechnical Commission: Geneva, Switzerland, 2004. [Google Scholar]
- IEEE. IEEE Application Guide for IEEE Std 1547(TM), IEEE Standard for Interconnecting Distributed Resources with Electric Power Systems; IEEE Std 15472-2008; IEEE: Piscataway, NJ, USA, 2009; pp. 1–217. [Google Scholar]
- Mastromauro, R.A.; Liserre, M.; Dell’Aquila, A. Control Issues in Single-Stage Photovoltaic Systems: MPPT, Current and Voltage Control. IEEE Trans. Ind. Inform. 2012, 8, 241–254. [Google Scholar] [CrossRef]
- Arshadi, S.A.; Poorali, B.; Adib, E.; Farzanehfard, H. High Step-Up DC–AC Inverter Suitable for AC Module Applications. IEEE Trans. Ind. Electron. 2016, 63, 832–839. [Google Scholar] [CrossRef]
- Barater, D.; Lorenzani, E.; Concari, C.; Franceschini, G.; Buticchi, G. Recent Advances in Single-Phase Transformerless Photovoltaic Inverters. IET Renew. Power Gener. 2016, 10, 260–273. [Google Scholar] [CrossRef]
- Akpınar, E.; Balıkcı, A.; Durbaba, E.; Azizoğlu, B.T. Single-Phase Transformerless Photovoltaic Inverter With Suppressing Resonance in Improved H6. IEEE Trans. Power Electron. 2019, 34, 8304–8316. [Google Scholar] [CrossRef]
- Ahmed, M.E.; Orabi, M.; Abdelrahim, O.M. Two-Stage Micro-Grid Inverter with High-Voltage Gain for Photovoltaic Applications. IET Power Electron. 2013, 6, 1812–1821. [Google Scholar] [CrossRef]
- Loh, P.C.; Blaabjerg, F.; Wong, C.P.; Tan, P.C. Tri-State Current Source Inverter WithImproved Dynamic Performance. IEEE Trans. Power Electron. 2008, 23, 1631–1640. [Google Scholar]
- Khateb, A.H.E.; Rahim, N.A.; Selvaraj, J.; Williams, B.W. DC-to-DC Converter With Low Input Current Ripple for Maximum Photovoltaic Power Extraction. IEEE Trans. Ind. Electron. 2015, 62, 2246–2256. [Google Scholar] [CrossRef]
- Wu, L.; Zhao, Z.; Liu, J. A Single-Stage Three-Phase Grid-Connected Photovoltaic System with Modified MPPT Method and Reactive Power Compensation. IEEE Trans. Energy Convers. 2007, 22, 881–886. [Google Scholar]
- Freddy, T.K.S.; Rahim, N.A.; Hew, W.; Che, H.S. Comparison and Analysis of Single-Phase Transformerless Grid-Connected PV Inverters. IEEE Trans. Power Electron. 2014, 29, 5358–5369. [Google Scholar] [CrossRef]
- Blaabjerg, F.; Chen, Z.; Kjaer, S.B. Power Electronics as Efficient Interface in Dispersed Power Generation Systems. IEEE Trans. Power Electron. 2004, 19, 1184–1194. [Google Scholar] [CrossRef]
- Martins, J.; Spataru, S.; Sera, D.; Stroe, D.I.; Lashab, A. Comparative Study of Ramp-Rate Control Algorithms for PV with Energy Storage Systems. Energies 2019, 12, 1342. [Google Scholar] [CrossRef]
- Araujo, S.V.; Zacharias, P.; Mallwitz, R. Highly Efficient Single-Phase Transformerless Inverters for Grid-Connected Photovoltaic Systems. IEEE Trans. Ind. Electron. 2010, 57, 3118–3128. [Google Scholar] [CrossRef]
- Xue, Y.; Chang, L.; Song, P. Recent Developments in Topologies of Single-Phase Buck-Boost Inverters for Small Distributed Power Generators: An Overview. In Proceedings of the 4th International Power Electronics and Motion Control Conference (IPEMC 2004), Xi’an, China, 14–16 August 2004; Volume 3, pp. 1118–1123. [Google Scholar]
- Shen, J.; Jou, H.; Wu, J. Novel Transformerless Grid-Connected Power Converter With Negative Grounding for Photovoltaic Generation System. IEEE Trans. Power Electron. 2012, 27, 1818–1829. [Google Scholar] [CrossRef]
- Kerekes, T.; Teodorescu, R.; Rodriguez, P.; Vazquez, G.; Aldabas, E. A New High-Efficiency Single-Phase Transformerless PV Inverter Topology. IEEE Trans. Ind. Electron. 2011, 58, 184–191. [Google Scholar] [CrossRef]
- Nabae, A.; Takahashi, I.; Akagi, H. A New Neutral-Point-Clamped PWM Inverter. IEEE Trans. Ind. Appl. 1981, A-17, 518–523. [Google Scholar]
- Calais, M.; Agelidis, V.G. Multilevel Converters for Single-Phase Grid Connected Photovoltaic Systems—An Overview. In Proceedings of the IEEE International Symposium on Industrial Electronics (ISIE’98), Pretoria, South Africa, 7–10 July 1998; Cat. No.98TH8357. Volume 1, pp. 224–229. [Google Scholar]
- Vázquez, N.; Rosas, M.; Hernández, C.; Vázquez, E.; Perez-Pinal, F.J. A New Common-Mode Transformerless Photovoltaic Inverter. IEEE Trans. Ind. Electron. 2015, 62, 6381–6391. [Google Scholar] [CrossRef]
- Bastidas-Rodriguez, J.D.; Franco, E.; Petrone, G.; Ramos-Paja, C.A.; Spagnuolo, G. Maximum Power Point Tracking Architectures for Photovoltaic Systems in Mismatching Conditions: A Review. IET Power Electron. 2014, 7, 1396–1413. [Google Scholar] [CrossRef]
- Koizumi, H.; Mizuno, T.; Kaito, T.; Noda, Y.; Goshima, N.; Kawasaki, M.; Nagasaka, K.; Kurokawa, K. A Novel Microcontroller for Grid-Connected Photovoltaic Systems. IEEE Trans. Ind. Electron. 2006, 53, 1889–1897. [Google Scholar] [CrossRef]
- Fang, Y.; Ma, X. A Novel PV Microinverter With Coupled Inductors and Double-Boost Topology. IEEE Trans. Power Electron. 2010, 25, 3139–3147. [Google Scholar] [CrossRef]
- Wang, Y.; Xue, L.; Wang, C.; Wang, P.; Li, W. Interleaved High-Conversion-Ratio Bidirectional DC–DC Converter for Distributed Energy-Storage Systems—Circuit Generation, Analysis, and Design. IEEE Trans. Power Electron. 2016, 31, 5547–5561. [Google Scholar] [CrossRef]
- Mirhosseini, M.; Pou, J.; Agelidis, V.G. Single- and Two-Stage Inverter-Based Grid-Connected Photovoltaic Power Plants With Ride-Through Capability Under Grid Faults. IEEE Trans. Sustain. Energy 2015, 6, 1150–1159. [Google Scholar] [CrossRef]
- Sun, Y.; Liu, Y.; Su, M.; Xiong, W.; Yang, J. Review of Active Power Decoupling Topologies in Single-Phase Systems. IEEE Trans. Power Electron. 2016, 31, 4778–4794. [Google Scholar] [CrossRef]
- Niazi, K.A.K.; Yang, Y.; Nasir, M.; Sera, D. Evaluation of Interconnection Configuration Schemes for PV Modules with Switched-Inductor Converters under Partial Shading Conditions. Energies 2019, 12, 2802. [Google Scholar] [CrossRef]
- Gonzalez, R.; Lopez, J.; Sanchis, P.; Marroyo, L. Transformerless Inverter for Single-Phase Photovoltaic Systems. IEEE Trans. Power Electron. 2007, 22, 693–697. [Google Scholar] [CrossRef]
- Wang, C.M. A Novel Single-Stage Full-Bridge Buck-Boost Inverter. IEEE Trans. Power Electron. 2004, 19, 150–159. [Google Scholar] [CrossRef]
- Romero-Cadaval, E.; Spagnuolo, G.; Franquelo, L.G.; Ramos-Paja, C.A.; Suntio, T.; Xiao, W.M. Grid-Connected Photovoltaic Generation Plants: Components and Operation. IEEE Ind. Electron. Mag. 2013, 7, 6–20. [Google Scholar] [CrossRef]
- Buticchi, G.; Barater, D.; Lorenzani, E.; Franceschini, G. Digital Control of Actual Grid-Connected Converters for Ground Leakage Current Reduction in PV Transformerless Systems. IEEE Trans. Ind. Inform. 2012, 8, 563–572. [Google Scholar] [CrossRef]
- Siwakoti, Y.P.; Peng, F.Z.; Blaabjerg, F.; Loh, P.C.; Town, G.E.; Yang, S. Impedance-Source Networks for Electric Power Conversion Part II: Review of Control and Modulation Techniques. IEEE Trans. Power Electron. 2015, 30, 1887–1906. [Google Scholar] [CrossRef]
- Siwakoti, Y.P.; Peng, F.Z.; Blaabjerg, F.; Loh, P.C.; Town, G.E. Impedance-Source Networks for Electric Power Conversion Part I: A Topological Review. IEEE Trans. Power Electron. 2015, 30, 699–716. [Google Scholar] [CrossRef]
- Siwakoti, Y.P.; Blaabjerg, F. Common-Ground-Type Transformerless Inverters for Single-Phase Solar Photovoltaic Systems. IEEE Trans. Ind. Electron. 2018, 65, 2100–2111. [Google Scholar] [CrossRef]
- Ellabban, O.; Abu-Rub, H. Z-Source Inverter: Topology Improvements Review. IEEE Ind. Electron. Mag. 2016, 10, 6–24. [Google Scholar] [CrossRef]
- Anderson, J.; Peng, F.Z. Four Quasi-Z-Source Inverters. In Proceedings of the 2008 IEEE Power Electronics Specialists Conference, Rhodes, Greece, 15–19 June 2008; pp. 2743–2749. [Google Scholar]
- Yang, S.; Peng, F.Z.; Lei, Q.; Inoshita, R.; Qian, Z. Current-Fed Quasi-Z-Source Inverter With Voltage Buck–Boost and Regeneration Capability. IEEE Trans. Ind. Appl. 2011, 47, 882–892. [Google Scholar] [CrossRef]
- Peng, F.Z. Z-Source Inverter. IEEE Trans. Ind. Appl. 2003, 39, 504–510. [Google Scholar] [CrossRef]
- Saridakis, S.; Koutroulis, E.; Blaabjerg, F. Optimal Design of Modern Transformerless PV Inverter Topologies. IEEE Trans. Energy Convers. 2013, 28, 394–404. [Google Scholar] [CrossRef]
- Kjaer, S.B.; Pedersen, J.K.; Blaabjerg, F. A Review of Single-Phase Grid-Connected Inverters for Photovoltaic Modules. IEEE Trans. Ind. Appl. 2005, 41, 1292–1306. [Google Scholar] [CrossRef]
- Melo, F.C.; Garcia, L.S.; de Freitas, L.C.; Coelho, E.A.A.; Farias, V.J.; de Freitas, L.C.G. Proposal of a Photovoltaic AC-Module With a Single-Stage Transformerless Grid-Connected Boost Microinverter. IEEE Trans. Ind. Electron. 2018, 65, 2289–2301. [Google Scholar] [CrossRef]
- Prasad, B.S.; Jain, S.; Agarwal, V. Universal Single-Stage Grid-Connected Inverter. IEEE Trans. Energy Convers. 2008, 23, 128–137. [Google Scholar] [CrossRef]
- Patel, H.; Agarwal, V. A Single-Stage Single-Phase Transformer-Less Doubly Grounded Grid-Connected PV Interface. IEEE Trans. Energy Convers. 2009, 24, 93–101. [Google Scholar] [CrossRef]
- Jain, S.; Agarwal, V. A Single-Stage Grid Connected Inverter Topology for Solar PV Systems with Maximum Power Point Tracking. IEEE Trans. Power Electron. 2007, 22, 1928–1940. [Google Scholar] [CrossRef]
- Kang, F.-S.; Kim, C.-U.; Park, S.-J.; Park, H.-W. Interface Circuit for Photovoltaic System Based on Buck-Boost Current-Source PWM Inverter. In Proceedings of the IEEE 2002 28th Annual Conference of the Industrial Electronics Society (IECON 02), Sevilla, Spain, 5–8 November 2002; Volume 4, pp. 3257–3261. [Google Scholar]
- Xiao, H.; Xie, S. Interleaving Double-Switch Buck-Boost Converter. IET Power Electron. 2012, 5, 899–908. [Google Scholar] [CrossRef]
- Guo, X.; Zhou, J.; He, R.; Jia, X.; Rojas, C.A. Leakage Current Attenuation of a Three-Phase Cascaded Inverter for Transformerless Grid-Connected PV Systems. IEEE Trans. Ind. Electron. 2018, 65, 676–686. [Google Scholar] [CrossRef]
- Xiao, H.; Xie, S. Leakage Current Analytical Model and Application in Single-Phase Transformerless Photovoltaic Grid-Connected Inverter. IEEE Trans. Electromagn. Compat. 2010, 52, 902–913. [Google Scholar] [CrossRef]
- López, Ó.; Freijedo, F.D.; Yepes, A.G.; Fernández-Comesaña, P.; Malvar, J.; Teodorescu, R.; Doval-Gandoy, J. Eliminating Ground Current in a Transformerless Photovoltaic Application. IEEE Trans. Energy Convers. 2010, 25, 140–147. [Google Scholar] [CrossRef]
- Herran, M.A.; Fischer, J.R.; Gonzalez, S.A.; Judewicz, M.G.; Carrica, D.O. Adaptive Dead-Time Compensation for Grid-Connected PWM Inverters of Single-Stage PV Systems. IEEE Trans. Power Electron. 2013, 28, 2816–2825. [Google Scholar] [CrossRef]
- Wu, T.; Chang, C.; Lin, L.; Kuo, C. Power Loss Comparison of Single- and Two-Stage Grid-Connected Photovoltaic Systems. IEEE Trans. Energy Convers. 2011, 26, 707–715. [Google Scholar] [CrossRef]
- Yu, W.; Lai, J.J.; Qian, H.; Hutchens, C. High-Efficiency MOSFET Inverter with H6-Type Configuration for Photovoltaic Nonisolated AC-Module Applications. IEEE Trans. Power Electron. 2011, 26, 1253–1260. [Google Scholar] [CrossRef]
- Caceres, R.O.; Barbi, I. A Boost DC-AC Converter: Analysis, Design, and Experimentation. IEEE Trans. Power Electron. 1999, 14, 134–141. [Google Scholar] [CrossRef]
- Gonzalez, R.; Gubia, E.; Lopez, J.; Marroyo, L. Transformerless Single-Phase Multilevel-Based Photovoltaic Inverter. IEEE Trans. Ind. Electron. 2008, 55, 2694–2702. [Google Scholar] [CrossRef]
- Tang, Y.; Yao, W.; Loh, P.C.; Blaabjerg, F. Highly Reliable Transformerless Photovoltaic Inverters with Leakage Current and Pulsating Power Elimination. IEEE Trans. Ind. Electron. 2016, 63, 1016–1026. [Google Scholar] [CrossRef]
- Georgakas, K.G.; Vovos, P.N.; Vovos, N.A. Harmonic Reduction Method for a Single-Phase DC–AC Converter Without an Output Filter. IEEE Trans. Power Electron. 2014, 29, 4624–4632. [Google Scholar] [CrossRef]








| IEEE 1547 [25] | IEC 61727 [26] | VDE0126-1-1 [27] | ||||
|---|---|---|---|---|---|---|
| Nominal power | 30 kW | 10 kW | - | |||
| Harmonic level | Order | % | Order | % | Order | A |
| 3–9 | 4.0 | 3–9 | 4.0 | 3 | 3 | |
| 11–15 | 2.0 | 11–15 | 2.0 | 5 | 1.5 | |
| 17–21 | 1.5 | 17–21 | 1.5 | 7 | 1 | |
| 23–33 | 0.6 | 23–33 | 0.6 | 9 | 0.7 | |
| >35 | 0.3 | >35 | 0.3 | 11 | 0.33 | |
| 13 | 0.4 | |||||
| even harmonics < 25% of odd harmonics | even | 1.5/h | ||||
| total harmonics distortion (THD) < 5% | >40 | 4.5/h | ||||
| DC current | <1% of rated current | <0.5% of rated current | <0.22 A | |||
| Votlage variation | V < 50% | 0.1 s | V < 50% | 0.16 s | V < 85% | 0.2 s |
| 50% < V < 88% | 2 s | 50% < V < 88% | 2 s | V > 110% | 0.2 s | |
| 110% < V < 120% | 2 s | 110% <V < 120% | 1 s | |||
| V > 120% | 0.05 s | V > 120% | 0.16 s | |||
| Frequency variation | 49 Hz < f < 49 Hz | 0.2 s | 59.3 Hz < f < 60.5 Hz | 0.16 s | 47.5 Hz < f < 50.2 Hz | 0.2 s |
| DC-Link | Advantage | Disadvantage |
|---|---|---|
| Constant | High voltage level; | Large amount of components; |
| High power capability; | Heavy, bulky and costly; | |
| Reliable output; | Low efficiency; | |
| Modularity structure; | Multi-level needed for higher boosting gain; | |
| Easy to control with dc and ac decoupled. | Leakage current depends on the topologies; | |
| Limited operation regions. | ||
| Pseudo | Low switching frequency; | Output distortion when input varies; |
| High power desnsity; | Zero-crossing distortion; | |
| Less hardware cost; | Limited boosting capability; | |
| Buck-boost capability; | Higher requirements for modulation; | |
| High efficiency; | High requirements for front-end converters; | |
| Low leakage current. | More semiconductor devices needed. | |
| Pulsating | Invulnerable to EMI; | Control complexity; |
| High power density; | Higher requirements for modulation; | |
| High boosting capability; | Large leakage current; | |
| High efficiency; | Higher common-mode voltage harmonics; | |
| Less hardware cost; | Vulnerable to input variations; | |
| Buck-boost capability. | Voltage sag between switching states. | |
| Integrated | High power density; | Distortion from the parameter mismatch; |
| Switch multiplexing; | Large injected dc current; | |
| Less hardware cost; | Small power applications; | |
| Less semiconductor devices; | Zero-crossing distortion in some topologies; | |
| Smaller leakage current. | Higher operation stress on the components. |
© 2019 by the authors. Licensee MDPI, Basel, Switzerland. This article is an open access article distributed under the terms and conditions of the Creative Commons Attribution (CC BY) license (http://creativecommons.org/licenses/by/4.0/).
Share and Cite
Liu, W.; Niazi, K.A.K.; Kerekes, T.; Yang, Y. A Review on Transformerless Step-Up Single-Phase Inverters with Different DC-Link Voltage for Photovoltaic Applications. Energies 2019, 12, 3626. https://doi.org/10.3390/en12193626
Liu W, Niazi KAK, Kerekes T, Yang Y. A Review on Transformerless Step-Up Single-Phase Inverters with Different DC-Link Voltage for Photovoltaic Applications. Energies. 2019; 12(19):3626. https://doi.org/10.3390/en12193626
Chicago/Turabian StyleLiu, Wenjie, Kamran Ali Khan Niazi, Tamas Kerekes, and Yongheng Yang. 2019. "A Review on Transformerless Step-Up Single-Phase Inverters with Different DC-Link Voltage for Photovoltaic Applications" Energies 12, no. 19: 3626. https://doi.org/10.3390/en12193626
APA StyleLiu, W., Niazi, K. A. K., Kerekes, T., & Yang, Y. (2019). A Review on Transformerless Step-Up Single-Phase Inverters with Different DC-Link Voltage for Photovoltaic Applications. Energies, 12(19), 3626. https://doi.org/10.3390/en12193626

