A Comparison of the Dynamic Performance of Conventional and Ternary Pumped Storage Hydro
Abstract
:1. Introduction
1.1. Problem Statement
1.2. A General Classification of PSH
1.3. Other Notable Modifications of PSH
- STENSEA (stored energy in the sea) where a concrete tank, equipped with a pump-turbine-generator system, is placed at the bottom of the ocean bed. This structure generates electricity when filled and uses electricity to pump water out of the system [17]. The concept is now at a technology readiness level between 5 and 6. It has been successfully tested in a lab, which was followed by a similar environment testing in a lake.
- Wind turbines with water storage are a recent invention and are the only source where the two forms of energy are physically integrated. Here wind turbines pump water up their tower and into tall tanks beside them when excess energy is available. When energy is required these tanks are emptied through a pump-turbine to generate electricity [18]. The pilot project is already completed for this concept. Four such turbines are in operation in Germany’s Swabian–Franconian forest with turbines supplied by General Electric (GE) renewable energy.
- Gravity power modules implement the principle of a hydraulic jack and gravity to generate electricity. A very heavy mass slides down a hole in the ground pushing water below the mass into the pump-turbine (through a narrow hole) to generate electricity. The same pump turbine is used to pump the mass up to its initial level to store excess energy. [19].
2. Advanced Pumped Storage Hydro Plants
2.1. Adjustable Speed PSH plants (ASPSH)
2.2. Ternary Speed PSH Plants (Synchronous Speed)
2.2.1. Generator Mode of TPSH
2.2.2. Pump Mode
2.2.3. Hydraulic Short-Circuit Mode
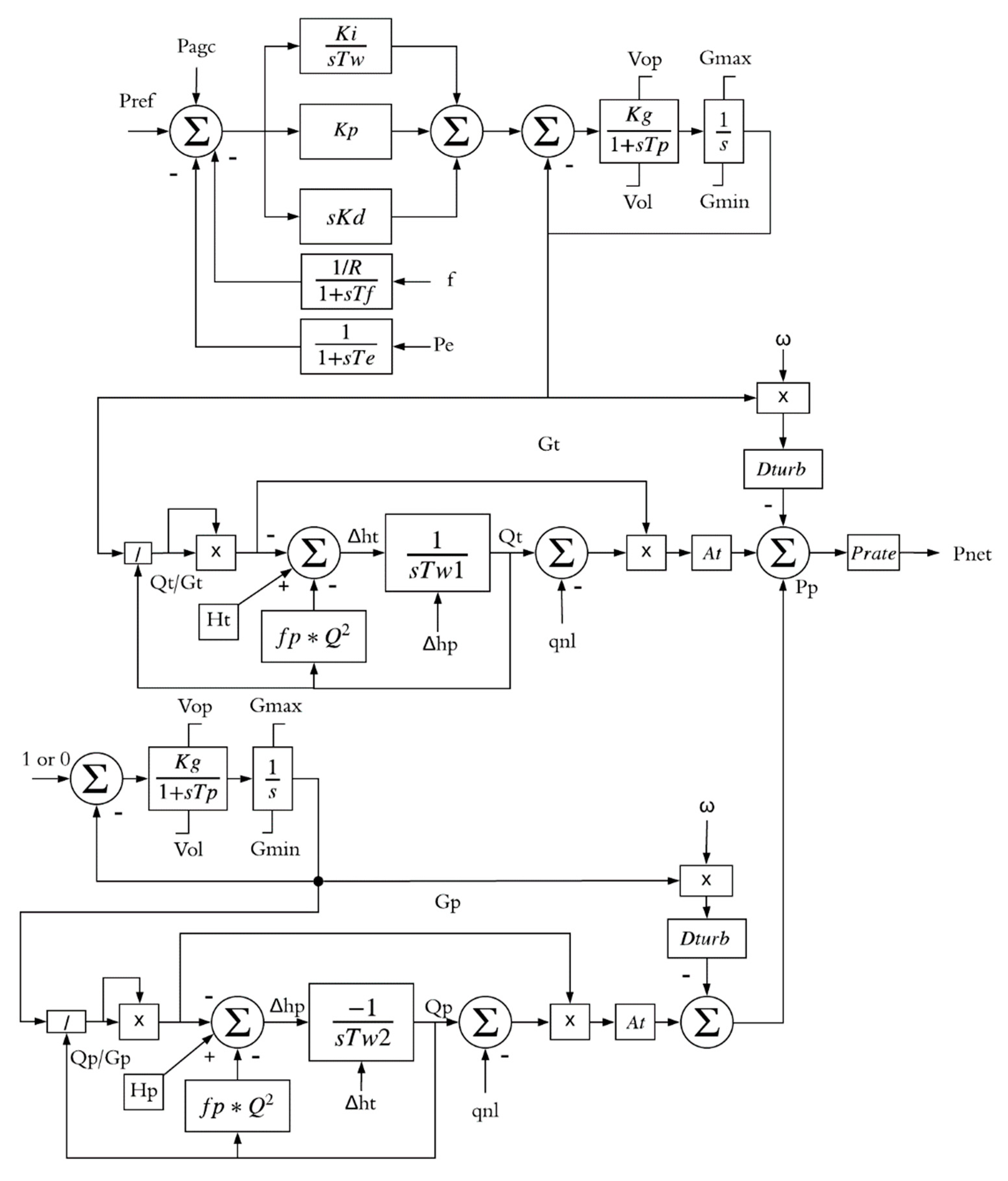
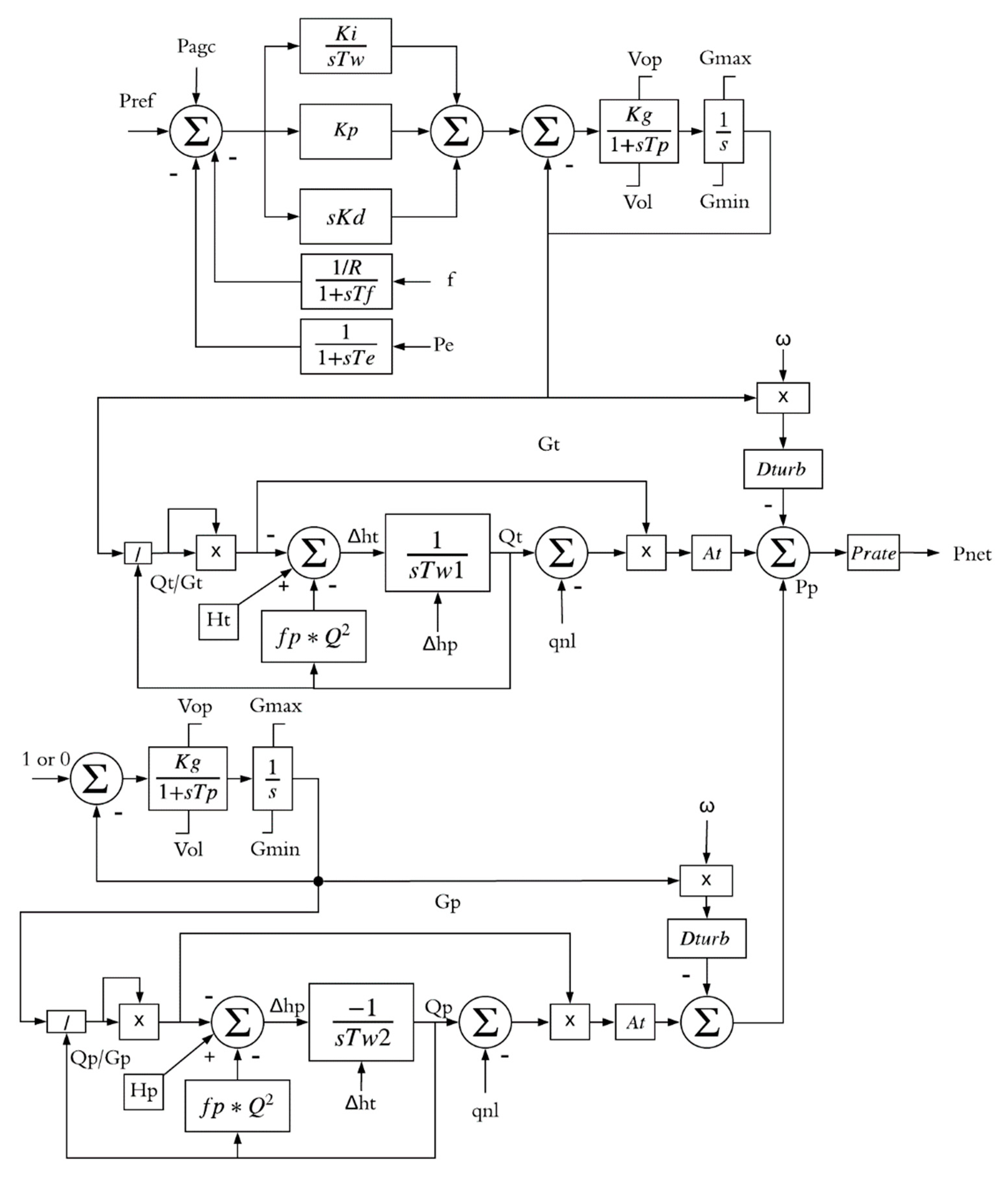
3. Dynamic Modeling of TPSH
4. The Test System, Simulation, and Solver
5. Results and Discussion
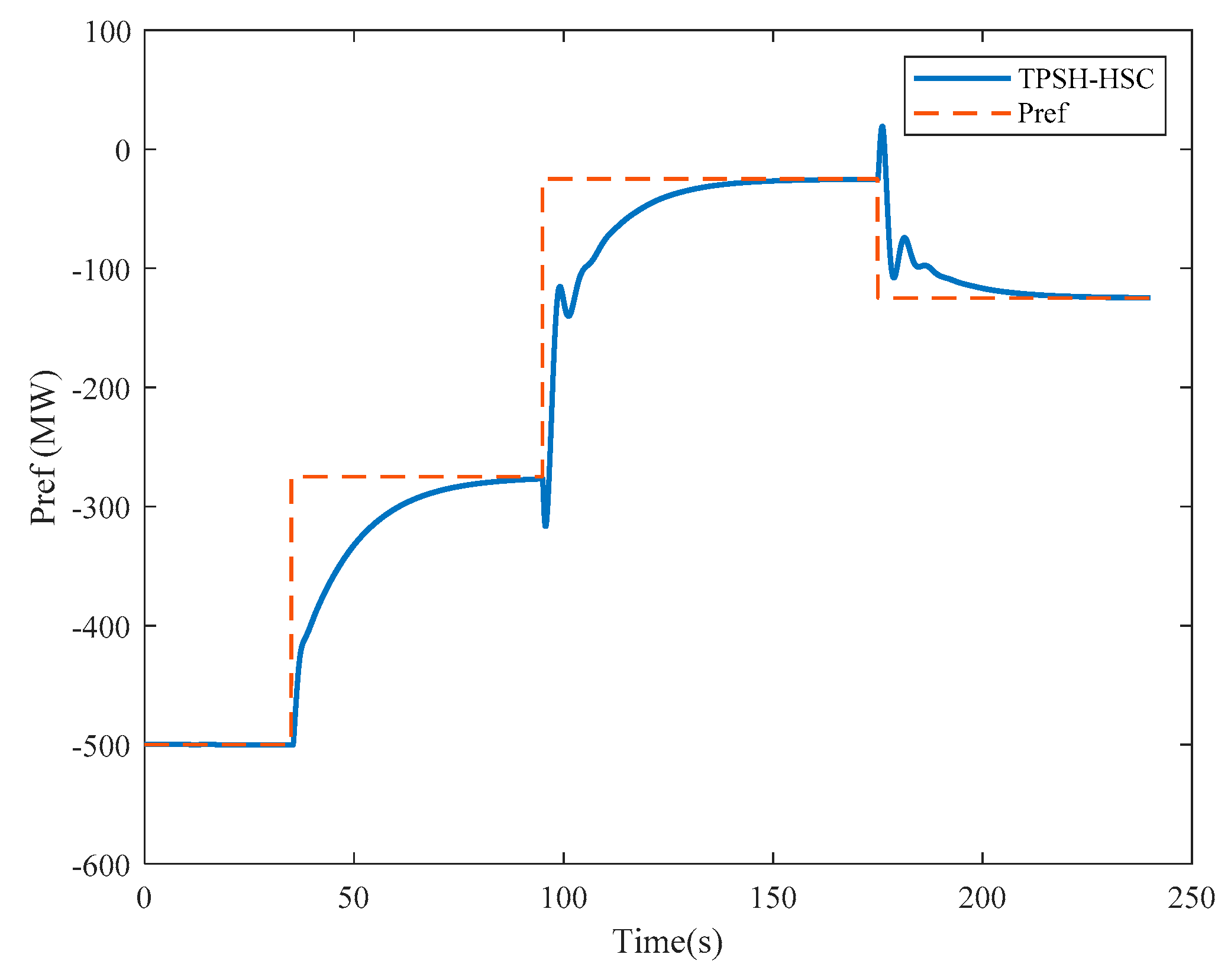
5.1. TPSH-HSC Reference Tracking
5.2. Baseline Analysis of Test System in Pump Mode of CPSH
5.3. Comparison of Pump Mode Response from CPSH, TPSH in HSC, and Mode Change Capability of TPSH without PV
5.4. Comparison of the Pump Mode Response from CPSH, TPSH in HSC-mode, and Mode Change Capability of TPSH in the Presence of PV
6. Conclusions
Author Contributions
Funding
Conflicts of Interest
Appendix A
| Hydro Penstock, Turbine, and Pump Parameters | Value (unit) |
| Turbine damping (D) | 0.5 pu/pu |
| Water starting time for turbine () | 2.13 s |
| Water starting time for pump () | 2.13 s |
| Water starting time for turbine-pump () | 0.13 s |
| Water starting time for pump-turbine () | 0.13 s |
| Pump head discharge coefficients (H0, H1, H2) | 700, −0.2, −0.001 |
| Turbine and pump no-load losses () | 4.3 m3/s |
| Turbine and pump rating (Prate) | 500 MW |
| Generator rating | 500 MVA |
| Inertia for pump and turbine | 3 s, 3 s |
| Hydro Governor Parameters | Value (unit) |
| Servo motor gain (Kg) | 0.98 |
| Servo motor Time constant (Tp) | 0.2 s |
| Permanent droop (R) | 0.05 pu |
| Electrical power filter time constant (Te) | 5 s |
| Frequency filter time constant (Tf) | 5 s |
| PID gains (Kp, Ki, Kd) | 0.875, 0.00025, 0 |
| Maximum opening (Vop) and closing rate (Vol) | 0.1 pu/s and −0.1 pu/s |
References
- Du, P.; Matevosyan, J. Forecast System Inertia Condition and Its Impact to Integrate More Renewables. IEEE Trans. Smart Grid 2018, 9, 1531–1533. [Google Scholar] [CrossRef]
- Malley, E. Coal Power Plant Post-Retirement Options. Power Mag. 2016, 160, 60. Available online: https://www.powermag.com/coal-power-plant-post-retirement-options/?pagenum=6 (accessed on 6 July 2016).
- Delhi to Replace Retired Thermal Power Plant with Solar Project. CleanTechnica 2019. Available online: https://cleantechnica.com/2019/07/22/delhi-to-replace-retired-thermal-power-plant-with-solar-project/ (accessed on 23 July 2019).
- Brown, F. Ontario utility OPG makes room for solar at demolished coal power plant. Pv Mag. Int. 2018. Available online: https://www.pv-magazine.com/2018/03/01/ontarios-utility-opg-makes-room-for-solar-at-demolished-coal-power-plant/ (accessed on 06 December 2016).
- Canadian Coal-Fired Power Plant Transformed into Solar Farm Yale E360. 2019. Available online: https://e360.yale.edu/digest/canadian-nanticoke-coal-fired-power-plant-transformed-in-solar-farm (accessed on 23 July 2019).
- Scott, A. General Electric to Scrap California Power Plant 20 Years Early. 2019. Available online: https://www.reuters.com/article/us-ge-power/general-electric-to-scrap-california-power-plant-20-years-early-idUSKCN1TM2MV (accessed on 23 July 2019).
- Aemo.com.au. 2019. Available online: https://aemo.com.au/-/media/Files/PDF/Response-of-Existing-PV-Inverters-to-Frequency-Disturbances-V20.pdf (accessed on 06 December 2016).
- Energy Storage Exchange. 2019. Available online: https://energystorageexchange.org/projects (accessed on 23 July 2019).
- Antal, B.A. Pumped Storage Hydropower: A Technical Review. Master’s Thesis, University of Colorado–Denve, Denver, CO, USA, 2014. [Google Scholar]
- Applications of Energy Storage Technology. Energy Storage Association, 2019. Available online: http://energystorage.org/energy-storage/applications-energy-storage-technology (accessed on 23 July 2019).
- Nrel.gov. 2019. Available online: https://www.nrel.gov/docs/fy10osti/47187.pdf (accessed on 23 July 2019).
- Solomon, A.A.; Child, M.; Caldera, U.; Breyer, C. How much energy storage is needed to incorporate very large intermittent renewables? Energy Procedia 2017, 135, 283–293. [Google Scholar] [CrossRef]
- Energy Storage Association. 2019. Available online: http://energystorage.org/ (accessed on 24 July 2019).
- Ferc.gov. 2019. Available online: https://ferc.gov/whats-new/comm-meet/2018/021518/E-1.pdf (accessed on 24 July 2019).
- E. 841, Energy Storage Association Unveils Initial Assessment of Regional Grid Operator Compliance with Federal Energy Regulatory Commission Order 841. Energy Storage Association, 2019. Available online: http://energystorage.org/news/esa-news/energy-storage-association-unveils-initial-assessment-regional-grid-operator (accessed on 24 July 2019).
- Pumped Hydro-Power. Energy Storage Association, 2019. Available online: http://energystorage.org/energy-storage/energy-storage-technologies/pumped-hydro-power (accessed on 25 July 2019).
- STENSEA—Storing Energy at Sea, Fraunhofer-Institut für Energiewirtschaft und Energiesystemtechnik. 2019. Available online: https://www.iee.fraunhofer.de/de/projekte/suche/laufende/stensea-storing-energy-at-sea.html (accessed on 23 July 2019).
- Pilot Project—Max Bögl Wind, AG. Max Bögl Wind AG 2019. Available online: https://www.mbrenewables.com/en/pilot-project?cn-reloaded=1 (accessed on 25 July 2019).
- Gravity Power Module. Energy Storage. Grid-Scale Energy Storage. 2019. Available online: http://www.gravitypower.net/ (accessed on 25 July 2019).
- Nag, S.; Lee, K. DFIM-Based Variable Speed Operation of Pump-Turbines for Efficiency Improvement. IFAC PapersOnLine 2018, 51, 708–713. [Google Scholar] [CrossRef]
- Kratirov, V.; Guzwoski, L. Modelling Ternary Pumped Storage Units; Argonne National Laboratory: Oak Ridge, TN, USA, 2013. [Google Scholar]
- Dong, Z.; Nelms, R.; Muljadi, E.; Tan, J.; Gevorgian, V.; Jacobson, M. Development of dynamic model of a ternary pumped storage hydropower plant. In Proceedings of the 2018 13th IEEE Conference on Industrial Electronics and Applications (ICIEA), Wuhan, China, 31 May–2 June 2018; pp. 656–661. [Google Scholar] [CrossRef]
- Demello, F.P.; Koessler, R.J.; Agee, J.; Anderson, P.M.; Doudna, J.H.; Fish, J.H.; Hamm, P.A.; Kundur, P.; Lee, D.C.; Rogers, G.J.; et al. Hydraulic turbine and turbine control models for system dynamic studies. IEEE Trans. Power Syst. 1992, 7, 167–179. [Google Scholar] [CrossRef]
- Report, I. Dynamic Models for Steam and Hydro Turbines in Power System Studies. IEEE Trans. Power Appar. Syst. 1973, 92, 1904–1915. [Google Scholar] [CrossRef]
- Pradhan, S.K.; Tripathy, S.K. Dynamic stability improvement of a hydraulic turbine generating unit using an optimal PID controller. In Proceedings of the 2015 International Conference on Industrial Instrumentation and Control (ICIC), Pune, India, 28–30 May 2015; pp. 115–120. [Google Scholar] [CrossRef]








| Attribute | ASPSH | TPSH |
|---|---|---|
| Converter requirement | Type 1 requires converters rated 10% of the machine, Type 2 requires fully rated converters | Does not require converters for grid interfacing. |
| Efficiency | Peak efficiency will be reduced compared to the CPSH. Part-load efficiencies can be improved with speed variation. | Peak efficiency same as that of CPSH. Part-load efficiencies are better than CPSH as TPSH uses a pure turbine instead of pump-turbine. |
| Mode-change time | Time required to change from the pumping to generating mode is in the order of a few minutes. | Time required to change from the pumping to generating mode is significantly reduced. Seamless mode change can be performed as shaft rotated in a single direction. |
| Shaft inertia | Same as CPSH. | The shaft consists of the electrical machine and the separate pump and a separate turbine. Thus, in the hydraulic short circuit mode the shaft has comparatively more inertia. |
| Design optimization | The pump-turbine is optimized as a pump and then as a turbine. Thus, during off-design operating conditions as a turbine, the efficiency decreases drastically. | The pump and the turbine can be separately optimized. This leads to higher cycle efficiency. |
| Frequency regulation | Possible but only with auxiliary control. | Fully capable. |
| Natural inertia and synchronous frequency response | The converter’s natural tendency is to act against grid frequency. The direction of change of speed and change of torque (and hence the current) are opposite. | Its natural tendency is to support the grid frequency, which allows the machine to slow down and release energy into the network. |
| Range of flexibility | Limited range of flexibility is available. Range is limited by cavitation limits and converter size. | Higher range of flexibility due to the use of a separately optimized turbine and pump. |
| Smooth start capability for pumping mode. | Possible but only with auxiliary control. | Fully capable as the pump can be started with the turbine. |
| Possibility of failure | Increases as the number of components increases. | Low because the number of components is comparatively lower. |
© 2019 by the authors. Licensee MDPI, Basel, Switzerland. This article is an open access article distributed under the terms and conditions of the Creative Commons Attribution (CC BY) license (http://creativecommons.org/licenses/by/4.0/).
Share and Cite
Nag, S.; Lee, K.Y.; Suchitra, D. A Comparison of the Dynamic Performance of Conventional and Ternary Pumped Storage Hydro. Energies 2019, 12, 3513. https://doi.org/10.3390/en12183513
Nag S, Lee KY, Suchitra D. A Comparison of the Dynamic Performance of Conventional and Ternary Pumped Storage Hydro. Energies. 2019; 12(18):3513. https://doi.org/10.3390/en12183513
Chicago/Turabian StyleNag, Soumyadeep, Kwang Y. Lee, and D. Suchitra. 2019. "A Comparison of the Dynamic Performance of Conventional and Ternary Pumped Storage Hydro" Energies 12, no. 18: 3513. https://doi.org/10.3390/en12183513
APA StyleNag, S., Lee, K. Y., & Suchitra, D. (2019). A Comparison of the Dynamic Performance of Conventional and Ternary Pumped Storage Hydro. Energies, 12(18), 3513. https://doi.org/10.3390/en12183513

