Bidirectional Twisted Single-Stage Single-Phase Buck-Boost DC-AC Converter
Abstract
1. Introduction
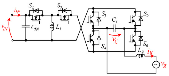
2. Control System of Twisted Single-Phase Single-Stage Inverter based on Unfolding Circuit
3. Component Design Guidelines for Bidirectional Operation
4. Simulation Verification of Bidirectional Operation Capability
5. Experimental Verification
6. Efficiency Estimation
7. Conclusions
Author Contributions
Funding
Conflicts of Interest
References
- Bortis, D.; Neumayr, D.; Kolar, J.W. Hρ-pareto optimization and comparative evaluation of inverter concepts considered for the google little box challenge. In Proceedings of the IEEE 17th Workshop on Control and Modeling for Power Electronics (COMPEL), Trondheim, Norway, 27–30 June 2016; pp. 1–5. [Google Scholar]
- Ghosh, R.; Wang, M.X.; Mudiyula, S.; Mhaskar, U.; Mitova, R.; Reilly, D.; Klikic, D. Industrial approach to design a 2-kVa inverter for google little box challenge. IEEE Trans. Ind. Electron. 2017, 65, 5539–5549. [Google Scholar] [CrossRef]
- Morsy, A.S.; Enjeti, P.N. Comparison of active power decoupling methods for high-power-density single-phase inverters using wide-bandgap fets for google little box challenge. IEEE J. Emerg. Sel. Topics Power Electron. 2016, 4, 790–798. [Google Scholar] [CrossRef]
- Kjaer, S.B.; Pedersen, J.K.; Blaabjerg, F. A review of single-phase grid-connected inverters for photovoltaic modules. IEEE Trans. Ind. Appl. 2005, 41, 1292–1306. [Google Scholar] [CrossRef]
- Meneses, D.; Blaabjerg, F.; Garcia, O.; Cobos, J.A. Review and Comparison of Step-Up Transformerless Topologies for Photovoltaic AC-Module Application. IEEE Trans. Power Electron. 2012, 28, 2649–2663. [Google Scholar] [CrossRef]
- Kikuchi, J.; Lipo, T.A. Three-phase PWM boost-buck rectifiers with power-regenerating capability. IEEE Trans. Ind. Appl. 2002, 38, 1361–1369. [Google Scholar] [CrossRef]
- Gao, F.; Teodorescu, R.; Blaabjerg, F.; Loh, P.C.; Vilathgamuwa, D.M. Performance evaluation of buck-boost three-level inverters with topological and modulation development. In Proceedings of the 2007 European Conference on Power Electronics and Applications, Aalborg, Denmark, 2–5 September 2007; pp. 1–10. [Google Scholar]
- Gao, F.; Loh, P.C.; Teodorescu, R.; Blaabjerg, F.; Vilathgamuwa, D.M. Topological design and modulation strategy for buck–boost three-level inverters. IEEE Trans. Power Electron. 2009, 24, 1722–1732. [Google Scholar] [CrossRef]
- Mathew, R.L.; Jiji, K.S. A three level neutral point clamped inverter with buck-boost capability for renewable energy sources. In Proceedings of the International Conference on Sustainable Energy and Intelligent Systems (SEISCON 2011), Chennai, India, 20–22 July 2011; pp. 201–206. [Google Scholar]
- Peng, F.Z. Z-source inverter. IEEE Trans. Ind. Appl. 2003, 39, 504–510. [Google Scholar] [CrossRef]
- Siwakoti, Y.P.; Peng, F.Z.; Blaabjerg, F.; Loh, P.C.; Town, G.E. Impedance source networks for electric power conversion part-I: A topological review. IEEE Trans. Power Electron. 2014, 30, 699–716. [Google Scholar] [CrossRef]
- Siwakoti, Y.P.; Peng, F.Z.; Blaabjerg, F.; Loh, P.C.; Town, G.E.; Yang, S. Impedance Source Networks for Electric Power Conversion Part-II: Review of Control Method and Modulation Techniques. IEEE Trans. Power Electron. 2014, 30, 1887–1906. [Google Scholar] [CrossRef]
- Chub, A.; Vinnikov, D.; Blaabjerg, F.; Peng, F.Z. A review of galvanically isolated impedance-source DC–DC converters. IEEE Trans. Power Electron. 2015, 31, 2808–2828. [Google Scholar] [CrossRef]
- Liu, Y.; Abu-Rub, H.; Ge, B. Z-source/quasi-Z-source inverters: Derived networks, modulations, controls, and emerging applications to photovoltaic conversion. IEEE Ind. Electron. Mag. 2014, 8, 32–44. [Google Scholar] [CrossRef]
- Husev, O.; Chub, A.; Romero-Cadaval, E.; Roncero-Clemente, C.; Vinnikov, D. Hysteresis current control with distributed shoot-through states for impedance source inverters. Int. J. Circuit Theory Appl. 2016, 44, 783–797. [Google Scholar] [CrossRef]
- Roncero-Clemente, C.; Romero-Cadaval, E.; Ruiz-Cortés, M.; Husev, O. Carrier level-shifted based control method for the PWM 3L-T-type Qzs inverter with capacitor imbalance compensation. IEEE Trans. Ind. Electron. 2018, 65, 8297–8306. [Google Scholar] [CrossRef]
- Husev, O.; Strzelecki, R.; Blaabjerg, F.; Chopyk, V.; Vinnikov, D. Novel family of single-phase modified impedance-source buck-boost multilevel inverters with reduced switch count. IEEE Trans. Power Electron. 2016, 31, 7580–7591. [Google Scholar] [CrossRef]
- Shults, T.E.; Husev, O.; Blaabjerg, F.; Roncero-Clemente, C.; Romero-Cadaval, E.; Vinnikov, D. Novel space vector pulse width modulation strategies for single-phase three-level NPC impedance-source inverters. IEEE Trans. Power Electron. 2018, 34, 4820–4830. [Google Scholar] [CrossRef]
- Shults, T.; Husev, O.; Blaabjerg, F.; Zakis, J.; Khandakji, K. LCCT-derived three-level three-phase inverters. IET Power Electron. 2017, 10, 996–1002. [Google Scholar] [CrossRef]
- Siwakoti, Y.P.; Blaabjerg, F.; Galigekere, V.P.; Ayachit, A.; Kazimierczuk, M.K. A-source impedance network. IEEE Trans. Power Electron. 2016, 31, 8081–8087. [Google Scholar] [CrossRef]
- Husev, O.; Blaabjerg, F.; Roncero-Clemente, C.; Romero-Cadaval, E.; Vinnikov, D.; Siwakoti, Y.P.; Strzelecki, R. Comparison of impedance-source networks for two and multilevel buck-boost inverter applications. IEEE Trans. Power Electron. 2016, 31, 7564–7579. [Google Scholar] [CrossRef]
- Burkart, R.; Kolar, J.W.; Griepentrog, G. Comprehensive comparative evaluation of single- and multi-stage three-phase power converters for photovoltaic applications. In Proceedings of the Intelec 2012, Scottsdale, AZ, USA, 30 September–4 October 2012; pp. 1–8. [Google Scholar]
- Panfilov, D.; Husev, O.; Blaabjerg, F.; Zakis, J.; Khandakji, K. Comparison of three-phase three-level voltage source inverter with intermediate dc-dc boost converter and quasi-Z-source inverter. IET Power Electron. 2016, 9, 1238–1248. [Google Scholar] [CrossRef]
- Abdelhakim, A.; Mattavelli, P.; Spiazzi, G. Three-phase split-source inverter (SSI): Analysis and modulation. IEEE Trans. Power Electron. 2015, 31, 7451–7461. [Google Scholar] [CrossRef]
- Abdelhakim, A.; Mattavelli, P.; Blaabjerg, F. Performance evaluation of the single-phase split-source inverter using an alternative DC-AC configuration. IEEE Trans. Power Electron. 2018, 65, 363–373. [Google Scholar] [CrossRef]
- Ribeiro, H.; Silva, F.; Pinto, S.; Borges, B. Single stage inverter for PV applications with one cycle sampling technique in the MPPT algorithm. In Proceedings of the 35th Annual Conference of IEEE Industrial Electronics, Porto, Portugal, 3–5 November 2009; pp. 842–849. [Google Scholar]
- Fedyczak, Z.; Strzelecki, R.; Benysek, G. Single-phase PWM AC/AC semiconductor transformer topologies and applications. In Proceedings of the 2002 IEEE 33rd Annual IEEE Power Electronics Specialists Conference, Cairns, QLD, Australia, 23–27 June 2002. [Google Scholar]
- Kumar, V.; Gautam, P.; Sensarma, P. A SEPIC derived single stage buck-boost inverter for photovoltaic applications. In Proceedings of the IEEE International Conference on Industrial Technology (ICIT), Busan, Korea, 26 February–1 March 2014; pp. 403–408. [Google Scholar]
- Nishad, T.M.; Shafeeque, K.M. A novel single stage buck boost inverter for photovoltaic applications. In Proceedings of the 2016 International Conference on Electrical, Electronics, and Optimization Techniques (ICEEOT), Chennai, India, 3–5 March 2016; pp. 3067–3071. [Google Scholar]
- Wu, W.; Ji, J.; Blaabjerg, F. Aalborg Inverter—A new type of “Buck in Buck, Boost in Boost” grid-tied inverter. IEEE Trans. Power Electron. 2014, 30, 4784–4793. [Google Scholar] [CrossRef]
- Zhang, S.; Wu, W.; Wang, H.; Huang, M.; Gao, N.; Blaabjerg, F. Single-stage MPPT control realization for Aalborg inverter in photovoltaic system. In Proceedings of the IECON 2017—43rd Annual Conference of the IEEE Industrial Electronics Society, Beijing, China, 29 October–1 November 2017; pp. 4233–4238. [Google Scholar]
- Wu, W.; Feng, S.; Ji, J.; Huang, M.; Blaabjerg, F. LLCL-filter based single-phase grid-tied Aalborg inverter. In Proceedings of the International Power Electronics and Application Conference and Exposition, Shanghai, China, 5–8 November 2014; pp. 658–663. [Google Scholar]
- Liu, Z.; Wu, H.; Liu, Y.; Ji, J.; Wu, W.; Blaabjerg, F. Modelling of the modified-LLCL-filter-based single-phase grid-tied Aalborg inverter. IET Power Electron. 2017, 10, 151–155. [Google Scholar] [CrossRef]
- Wu, W.; Wang, Z.; Ji, J.; Blaabjerg, F. Performance analysis of new type grid-tied inverter-Aalborg inverter. In Proceedings of the 16th European Conference on Power Electronics and Applications, Lappeenranta, Finland, 26–28 August 2014; pp. 1–10. [Google Scholar]
- Wang, H.; Wu, W.; Chung, H.S.; Blaabjerg, F. Coupled-inductor-based aalborg inverter with input DC energy regulation. IEEE Trans. Ind. Electron. 2017, 65, 3826–3836. [Google Scholar] [CrossRef]
- Khan, A.; Cha, H. Dual-buck-structured high-reliability and high-efficiency single-stage buck–boost inverters. IEEE Trans. Ind. Electron. 2017, 65, 3176–3187. [Google Scholar] [CrossRef]
- Zhao, Z.; Xu, M.; Chen, Q.; Lai, J.S.; Cho, Y. Derivation, analysis, and implementation of a boost–buck converter-based high-efficiency PV inverter. IEEE Trans. Power Electron. 2011, 27, 1304–1313. [Google Scholar] [CrossRef]
- Zhao, Z.; Lai, J.S.; Cho, Y. Dual-mode double-carrier-based sinusoidal pulse width modulation inverter with adaptive smooth transition control between modes. IEEE Trans. Ind. Electron. 2012, 60, 2094–2103. [Google Scholar] [CrossRef]
- Jang, M.; Ciobotaru, M.; Agelidis, V.G. A compact single-phase bidirectional buck-boost-inverter topology. In Proceedings of the 2012 International Conference on Renewable Energy Research and Applications (ICRERA), Nagasaki, Japan, 11–14 November 2012; pp. 1–6. [Google Scholar]
- Husev, O.; Matiushkin, O.; Roncero-Clemente, C.; Blaabjerg, F.; Vinnikov, D. Novel family of single-stage buck-boost inverters based on unfolding circuit. IEEE Trans. Power Electron. 2018, 34, 7662–7676. [Google Scholar] [CrossRef]
- Yang, Y.; Hadjidemetriou, L.; Blaabjerg, F.; Kyriakides, E. Benchmarking of phase locked loop based synchronization techniques for grid-connected inverter systems. In Proceedings of the 2015 9th International Conference on Power Electronics and ECCE Asia (ICPE-ECCE Asia), Seoul, Korea, 1–5 June 2015; pp. 2167–2174. [Google Scholar]
- Husev, O.; Roncero-Clemente, C.; Makovenko, E.; Pimentel, S.P.; Vinnikov, D.; Martins, J. Optimization and implementation of the proportional-resonant controller for grid-connected inverter with significant computation delay. IEEE Trans. Ind. Electron. 2019. [Google Scholar] [CrossRef]
- Ren, Y.; Xu, M.; Zhou, J.; Lee, F.C. Analytical loss model of power MOSFET. IEEE Trans. Power Electron. 2006, 21, 310–319. [Google Scholar]
















| Passive Components | Value |
|---|---|
| Input capacitor, C1 | 330 uF |
| Inductor, L1 | 1800 uH |
| Unfolding capacitor, C2 | 2.1 uF |
| Grid side inductor, L2 | 670 uH |
| Switching frequency | 60 kHz |
| Sampling frequency | 15 kHz |
© 2019 by the authors. Licensee MDPI, Basel, Switzerland. This article is an open access article distributed under the terms and conditions of the Creative Commons Attribution (CC BY) license (http://creativecommons.org/licenses/by/4.0/).
Share and Cite
Husev, O.; Matiushkin, O.; Roncero-Clemente, C.; Vinnikov, D.; Chopyk, V. Bidirectional Twisted Single-Stage Single-Phase Buck-Boost DC-AC Converter. Energies 2019, 12, 3505. https://doi.org/10.3390/en12183505
Husev O, Matiushkin O, Roncero-Clemente C, Vinnikov D, Chopyk V. Bidirectional Twisted Single-Stage Single-Phase Buck-Boost DC-AC Converter. Energies. 2019; 12(18):3505. https://doi.org/10.3390/en12183505
Chicago/Turabian StyleHusev, Oleksandr, Oleksandr Matiushkin, Carlos Roncero-Clemente, Dmitri Vinnikov, and Vasyl Chopyk. 2019. "Bidirectional Twisted Single-Stage Single-Phase Buck-Boost DC-AC Converter" Energies 12, no. 18: 3505. https://doi.org/10.3390/en12183505
APA StyleHusev, O., Matiushkin, O., Roncero-Clemente, C., Vinnikov, D., & Chopyk, V. (2019). Bidirectional Twisted Single-Stage Single-Phase Buck-Boost DC-AC Converter. Energies, 12(18), 3505. https://doi.org/10.3390/en12183505

