Modular Battery Charger for Light Electric Vehicles
Abstract
1. Introduction
2. Analysis of the Modular SEPIC for PFC Application
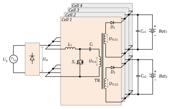
2.1. SEPIC Cell Model
- All the elements of the SEPIC are lossless;
- Capacitors Ci and Co are large enough to neglect the voltage ripple across them;
- PWM switching period T is significantly shorter than the fundamental input voltage period Θ (T << Θ); therefore, the input voltage uin during the switching period has approximately constant value.
2.2. Estimation of the Number of SEPIC Cells Based on Current Quality Parameters
3. Charger Configuration and Control Strategies
3.1. Charger Configuration
3.2. Constant Current and Constant Voltage Charging Modes
- -
- In the CC mode, the PFM modulation with battery current stabilisation and BCM detection is used;
- -
- In the CV mode with BCM, the PFM with battery voltage stabilisation is used;
- -
- In the CV mode with DCM, the PWM with battery voltage stabilisation is used.
3.3. Boundary Conduction Mode Control
3.4. Calculation of Average Power Factor of the Battery Charger
4. Flyback Regenerative Snubber
5. Converter Design and Layout
6. Experimental Results
- BCM of input current provided by logic circuits and MCU interrupt generation;
- Operation of regenerative flyback snubber;
- Verification of voltage and current stresses on main components: primary MOSFETs, transformers and rectifier transistors;
- Validation of PF, THD and efficiency during battery charging in CC and CV modes.
6.1. Verification of Operation in BCM
6.2. Verification of Regenerative Flyback Snubber
6.3. General Switching Waveforms
6.4. Verification of PF, THD and Efficiency During the Charging Process
7. Discussion and Conclusions
Author Contributions
Funding
Conflicts of Interest
Nomenclature
| f | SEPIC cell switching frequency |
| fg | grid fundamental frequency |
| fmax, fmin | maximum and minimum SEPIC cell switching frequency |
| freg | flyback snubber switching frequency |
| ICC | charging current in constant current mode |
| icell | cell input current |
| Im | peak current value of the cell |
| Iin_min, Iin_max | minimum and maximum grid current RMS values during charging |
| Ipr_max | peak current of the flyback transformer primary winding |
| iΣ | total input current |
| kr | constant slope of the cell input current rising edge |
| kf | constant slope of the cell input current falling edge |
| L1 | inductance value of the SEPIC input inductor |
| n | transformer turns ratio |
| N | number of charger cells |
| Pr | regenerative system power |
| Pcs | control system consuming power |
| T | switching period |
| TCC | charging time intervals in CC mode |
| TCC_BCM | charging time intervals in CC with BCM mode |
| TCC_DCM | charging time intervals in CC with DCM mode |
| Tcharge | battery total charging time |
| t | time variable |
| t′ | time since the beginning of the switching period |
| t0 | duration of zero current interval |
| t0_min | minimal duration of zero current interval |
| ub, ib | instantaneous battery voltage and current |
| Ub_min, Ub_max | battery minimum and maximum charging voltages |
| UC1_max | maximum voltage of the control system power supply capacitor C1 |
| UC2 | voltage of the flyback input capacitor C2 |
| UF | optocoupler forward voltage |
| ug | instantaneous grid voltage |
| uin, iin | instantaneous rectified voltage and current |
| Uin_max | maximum rectified voltage |
| us | secondary voltage of SEPIC transformer |
| ΔUC2 | C2 capacitor voltage ripple |
| ΔUT1 | maximum voltage overshoot of input SEPIC transistors |
| Θ | fundamental period of the grid |
| φ | input current phase |
References
- Keller, S.; Christmann, K.; Gonzalez, M.S.; Heuer, A. A Modular Fuel Cell Battery Hybrid Propulsion System for Powering Small Utility Vehicles. In Proceedings of the IEEE Vehicle Power and Propulsion Conference (VPPC), Belfort, France, 11–14 December 2017; pp. 1–4. [Google Scholar]
- Galkin, I.; Podgornovs, A.; Blinov, A.; Vitols, K.; Vorobyov, M.; Kosenko, R. Considerations regarding the concept of cost-effective power-assist wheelchair subsystems. Electr. Control Commun. Eng. 2018, 14, 71–80. [Google Scholar] [CrossRef]
- Bertoluzzo, M.; Buja, G. Development of Electric Propulsion Systems for Light Electric Vehicles. IEEE Trans. Industrial. Inform. 2011, 7, 428–435. [Google Scholar] [CrossRef]
- Hayashi, T.; Takahashi, Y. Small compact standing ride-type electric vehicle for shopping. In Proceedings of the 16th International Conference on Control, Automation and Systems (ICCAS), Gyeongju, Korea, 16–19 October 2016; pp. 238–243. [Google Scholar]
- Hayashi, T.; Takahashi, Y. Small compact electric vehicle for practical use and its repeated start-stop tests. In Proceedings of the 15th International Conference on Control, Automation and Systems (ICCAS), Busan, Korea, 13–16 October 2015; pp. 113–118. [Google Scholar]
- Kushwaha, R.; Singh, B. Power Factor Improvement in Modified Bridgeless Landsman Converter Fed EV Battery Charger. IEEE Trans. Veh. Technol. 2019, 68, 3325–3336. [Google Scholar] [CrossRef]
- Zhou, W.; Wattenberg, M.; Schwalbe, U. Design Considerations of a Single Stage LLC Battery Charger. In Proceedings of the International Exhibition and Conference for Power Electronics, Intelligent Motion, Renewable Energy and Energy Management, Nuremberg, Germany, 7–9 May 2019; pp. 1–7. [Google Scholar]
- Tsai, C.-C.; Lin, W.-M.; Lin, C.-H.; Wu, M.-S. Designing a fast battery charger for electric bikes. In Proceedings of the International Conference on System Science and Engineering, Taipei, Taiwan, 1–3 July 2010; pp. 385–389. [Google Scholar]
- Nguyen, C.; Primiani, P.; Viglione, L.; Woodward, L. A Low-Cost Battery Charger Usable with Sinusoidal Ripple-Current and Pulse Charging Algorithms for E-Bike Applications. In Proceedings of the IEEE 28th International Symposium on Industrial Electronics (ISIE), Vancouver, BC, Canada, 12–14 June 2019; pp. 2085–2090. [Google Scholar]
- Jalakas, T.; Zakis, J. Experimental verification of light electric vehicle charger multiport topology. In Proceedings of the 9th International Conference on Compatibility and Power Electronics (CPE), Costa da Caparica, Portugal, 24–26 June 2015; pp. 415–418. [Google Scholar]
- Yilmaz, M.; Krein, P.T. Review of Battery Charger Topologies, Charging Power Levels, and Infrastructure for Plug-In Electric and Hybrid Vehicles. IEEE Trans. Power Electron. 2018, 28, 2151–2169. [Google Scholar] [CrossRef]
- Blinov, A.; Kosenko, R.; Chub, A.; Vinnikov, D. Bidirectional soft-switching dc–dc converter for battery energy storage systems. IET Power Electron. 2018, 11, 2000–2009. [Google Scholar] [CrossRef]
- Blinov, A.; Kosenko, R.; Vinnikov, D.; Parsa, L. Bidirectional Isolated Current Source DAB Converter with Extended ZVS/ZCS Range and Reduced Energy Circulation for Storage Applications. IEEE Trans. Ind. Electron. 2019. [Google Scholar] [CrossRef]
- Martínez, F.G.; Magaldi, G.L.; Serra, F.M. Solar Charging Station for Small Electric Vehicles. In Proceedings of the Argentine Conference on Automatic Control (AADECA), Buenos Aires, Argentina, 7–9 November 2018; pp. 1–6. [Google Scholar]
- Wijesekera, A.; Binduhewa, P. Design of a Small Electric Vehicle Charger with Multi-Ports. In Proceedings of the 2nd International Conference on Electrical Engineering (EECon), Colombo, Sri Lanka, 28 September 2018; pp. 8–13. [Google Scholar]
- Falck, J.; Felgemacher, C.; Rojko, A.; Liserre, M.; Zacharias, P. Reliability of Power Electronic Systems: An Industry Perspective. IEEE Ind. Electron. Mag. 2018, 12, 24–35. [Google Scholar] [CrossRef]
- Saasaa, R.; Eberle, W.; Agamy, M. A single-stage interleaved LLC PFC converter. In Proceedings of the IEEE Energy Conversion Congress and Exposition (ECCE), Milwaukee, WI, USA, 18–22 September 2016; pp. 1–6. [Google Scholar]
- Lin, W.; Chen, H.; Fang, Y. A Single-stage PFC by Integrating quasi-Bridgeless Boost and LLC Converter. In Proceedings of the IEEE International Telecommunications Energy Conference (INTELEC), Turin, Italy, 7–11 October 2018; pp. 1–5. [Google Scholar]
- Zhang, Q.; Meng, T.; Ben, H.; Wang, W. Implementation of a start-up scheme for single-stage full-bridge boost PFC converter. In Proceedings of the IEEE Transportation Electrification Conference and Expo, Asia-Pacific (ITEC Asia-Pacific), Harbin, China, 7–10 August 2017; pp. 1–5. [Google Scholar]
- Chiu, H.; Lo, Y.K.; Lee, H.C.; Cheng, S.J.; Yan, Y.C.; Lin, C.Y.; Wang, T.H.; Mou, S.C. A Single-Stage Soft-Switching Flyback Converter for Power-Factor-Correction Applications. IEEE Trans. Ind. Electron. 2010, 57, 2187–2190. [Google Scholar] [CrossRef]
- Lee, J.; Kwon, J.; Kim, E.; Choi, W.; Kwon, B. Single-Stage Single-Switch PFC Flyback Converter Using a Synchronous Rectifier. IEEE Trans. Ind. Electron. 2008, 55, 1352–1365. [Google Scholar]
- Ewerling, M.V.M.; Font, C.H.I. Single-stage AC/DC converter based on sepic topology operating in continuous conduction mode. In Proceedings of the Brazilian Power Electronics Conference (COBEP), Juiz de Fora, Brazil, 19–22 November 2017; pp. 1–6. [Google Scholar]
- Scherbaum, M.; Reddig, M.; Kennel, R.; Schlenk, M. An Isolated, bridgeless, quasi-resonant ZVS-switching, buck-boost single-stage AC-DC converter with power factor correction (PFC). In Proceedings of the IEEE Applied Power Electronics Conference and Exposition (APEC), Tampa, FL, USA, 26–30 March 2017; pp. 74–81. [Google Scholar]
- Li, C.; Xu, D. Family of Enhanced ZCS Single-Stage Single-Phase Isolated AC–DC Converter for High-Power High-Voltage DC Supply. IEEE Trans. Ind. Electron. 2017, 64, 3629–3639. [Google Scholar] [CrossRef]
- Jauch, F.; Biela, J. Single-phase single-stage bidirectional isolated ZVS AC-DC converter with PFC. In Proceedings of the 15th International Power Electronics and Motion Control Conference (EPE/PEMC), Novi Sad, Serbia, 4–6 September 2012; pp. 1–8. [Google Scholar]
- Poorali, B.; Adib, E. Analysis of the Integrated SEPIC-Flyback Converter as a Single-Stage Single-Switch Power-Factor-Correction LED Driver. IEEE Trans. Ind. Electron. 2016, 63, 3562–3570. [Google Scholar] [CrossRef]
- Abasian, A.; Farzanehfard, H.; Hashemi, S.A. A Single-Stage Single-Switch Soft-Switching (S6) Boost-Flyback PFC Converter. IEEE Trans. Power Electron. 2019, 34, 9806–9813. [Google Scholar] [CrossRef]
- Lu, D.D. High Voltage Stress in Single-Phase Single-Stage PFC Converters: Analysis and an Alternative Solution. IEEE Trans. Ind. Electron. 2016, 63, 133–143. [Google Scholar] [CrossRef]
- Chow, M.H.L.; Lee, Y.S.; Tse, C.K. Single-stage single-switch isolated PFC regulator with unity power factor, fast transient response and low voltage stress. In Proceedings of the 29th Annual IEEE Power Electronics Specialists Conference (Cat. No.98CH36196), Fukuoka, Japan, 22–22 May 1998; Volume 2, pp. 1422–1428. [Google Scholar]
- Lu, D.D.; Iu, H.H.; Pjevalica, V. Single-Stage AC/DC Boost—Forward Converter with High Power Factor and Regulated Bus and Output Voltages. IEEE Trans. Ind. Electron. 2009, 56, 2128–2132. [Google Scholar] [CrossRef]
- Bodur, H.; Kaya, K.Y.; Akboy, E.; Aksoy, I. A new forward-flyback based single switch single stage PFC converter. In Proceedings of the IEEE 6th International Symposium on Power Electronics for Distributed Generation Systems (PEDG), Aachen, Germany, 22–25 June 2015; pp. 1–3. [Google Scholar]
- Galkin, I.; Blinov, A.; Verbytskyi, I.; Zinchenko, D. Modular Self-Balancing Battery Charger Concept for Cost-Effective Power-Assist Wheelchairs. Energies 2019, 12, 1526. [Google Scholar] [CrossRef]
- Verbytskyi, I.; Bondarenko, O.; Kaloshyn, O. Multicell-type charger for supercapacitors with power factor correction. In Proceedings of the Young Engineers Forum (YEF-ECE), Costa da Caparica, Portugal, 4 May 2018; pp. 91–96. [Google Scholar]
- Zhang, S.S. The effect of the charging protocol on the cycle life of a Li-ion battery. J. Power Sources 2006, 161, 1385–1391. [Google Scholar] [CrossRef]
- Patnaik, L.; Praneeth, A.V.J.S.; Williamson, S.S. A Closed-loop Constant-temperature Constant-voltage Charging Technique to Reduce Charge Time of Lithium-ion Batteries. IEEE Trans. Ind. Electron. 2019, 66, 1059–1067. [Google Scholar] [CrossRef]
- Yao, J.; Abramovitz, A.; Smedley, K. Analysis and design of charge pump-assisted high step-up tapped inductor SEPIC converter with an “inductor-less” regenerative snubber. IEEE Trans. Power Electron. 2015, 30, 5565–5580. [Google Scholar] [CrossRef]
- Meng, T.; Ben, H.; Zhu, L.; Wei, G. Improved passive snubbers suitable for single-phase isolated full-bridge boost power factor correction converter. IET Power Electron. 2014, 7, 279–288. [Google Scholar] [CrossRef]
- Tibola, G.; Lemmen, E.; Duarte, J.L.; Barbi, I. Passive Regenerative and Dissipative Snubber Cells for Isolated SEPIC Converters: Analysis, Design, and Comparison. IEEE Trans. Power Electron. 2017, 32, 9210–9222. [Google Scholar] [CrossRef]
- Yao, J.; Abramovitz, A.; Ma Smedley, K. Steep-Gain Bidirectional Converter with a Regenerative Snubber. IEEE Trans. Power Electron. 2015, 30, 6845–6856. [Google Scholar] [CrossRef]
- Yang, J.W.; Do, H.L. Soft-Switching Dual-Flyback DC–DC Converter with Improved Efficiency and Reduced Output Ripple Current. IEEE Trans. Ind. Electron. 2017, 64, 3587–3594. [Google Scholar] [CrossRef]
- TinySwitch-4. Available online: https://ac-dc.power.com/products/tinyswitch-family/tinyswitch-4/ (accessed on 2 October 2019).
- Bala, S.; Tengnér, T.; Rosenfeld, P.; Delince, F. The effect of low frequency current ripple on the performance of a Lithium Iron Phosphate (LFP) battery energy storage system. In Proceedings of the IEEE Energy Conversion Congress and Exposition (ECCE), Raleigh, NC, USA, 15–20 September 2012; pp. 3485–3492. [Google Scholar]






















| Cell Number, N | Range of γ with PF > 0.99 | Voltage Range, V |
|---|---|---|
| 2 | 0.41–0.5 | 17.5–25.1 |
| 3 | 0.28–0.5 | 17.5–45.0 |
| 4 | 0.22–0.5 | 17.5–62.0 |
| γmin | γmax | PFav |
|---|---|---|
| 0.22 | 0.321 | 0.992 |
| 0.25 | 0.359 | 0.993 |
| 0.30 | 0.419 | 0.994 |
| 0.373 | 0.5 | 0.996 |
| Component | Symbol | Value/Type |
|---|---|---|
| Capacitors | C1 | 400 nF, 750 V |
| C2 | 7 μF, 750 V | |
| C3 | 3 nF, 750 V | |
| C5 | 100 nF, 25 V | |
| C6, C7 | 220 μF, 35 V | |
| Voltage reg. resistor | R2 | 13 MOhm, 0.25 W |
| Current sense resistors | R3, R4 | 6.8 Ohm, 1 W |
| Output diodes | D6, D7 | 2 A, 100 V, SR2100 |
| Flyback IC | DA2 | TNY280 |
| Optocouplers | PS1, PS2 | PC817 |
| Isolation transformer | TV | POL15020 |
| Component | Symbol | Value | Dimensions, mm |
|---|---|---|---|
| DO5022P-154 MLD | L1 | 900 μH (6 in series) | 6 × (15.2 × 18.5 × 0.28) |
| C3M0280090D | S1 | 900 V, 280 mΩ | |
| CBB21 | Ci | 1 μF, 400 V | 21.8 × 10.7 × 17 |
| Isolation transformer | TR | 520 μH, 1:10 | 35.2 × 35.2 × 25 |
| IPP126N10N3 | S2 | 100 V, 12.3 mΩ | |
| Output capacitor | Co | 6.8 mF, 35 V | D = 18, h = 40 |
| γ | THD (ig) | PF | η, % | THD (Ug) |
|---|---|---|---|---|
| 0.15 | 18.037 | 0.984 | 88.5 | 2.732 |
| 0.2 | 15.636 | 0.988 | 90.6 | 2.613 |
| 0.25 | 13.183 | 0.989 | 91.9 | 2.831 |
| 0.3 | 9.024 | 0.995 | 92.3 | 2.359 |
| 0.35 | 7.446 | 0.996 | 92.6 | 2.743 |
| 0.4 | 5.749 | 0.998 | 92.8 | 2.441 |
| 0.45 | 4.347 | 0.998 | 92.7 | 2.931 |
| 0.5 | 3.024 | 0.999 | 92.4 | 2.646 |
© 2020 by the authors. Licensee MDPI, Basel, Switzerland. This article is an open access article distributed under the terms and conditions of the Creative Commons Attribution (CC BY) license (http://creativecommons.org/licenses/by/4.0/).
Share and Cite
Blinov, A.; Verbytskyi, I.; Zinchenko, D.; Vinnikov, D.; Galkin, I. Modular Battery Charger for Light Electric Vehicles. Energies 2020, 13, 774. https://doi.org/10.3390/en13040774
Blinov A, Verbytskyi I, Zinchenko D, Vinnikov D, Galkin I. Modular Battery Charger for Light Electric Vehicles. Energies. 2020; 13(4):774. https://doi.org/10.3390/en13040774
Chicago/Turabian StyleBlinov, Andrei, Ievgen Verbytskyi, Denys Zinchenko, Dmitri Vinnikov, and Ilya Galkin. 2020. "Modular Battery Charger for Light Electric Vehicles" Energies 13, no. 4: 774. https://doi.org/10.3390/en13040774
APA StyleBlinov, A., Verbytskyi, I., Zinchenko, D., Vinnikov, D., & Galkin, I. (2020). Modular Battery Charger for Light Electric Vehicles. Energies, 13(4), 774. https://doi.org/10.3390/en13040774

