Analysis and Compensation of Incomplete Coupling for Omnidirectional Wireless Power Transfer
Abstract
:1. Introduction
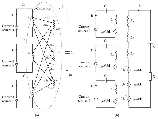
2. Theoretical Analysis and Compensation of the Incomplete Coupling Effect
3. Results
3.1. Simulated Results
3.2. Measured Results
4. Conclusions
Author Contributions
Funding
Conflicts of Interest
References
- Zhang, Z.; Pang, H.; Georgiadis, A.; Cecati, C. Wireless power transfer—An overview. IEEE Trans. Ind. Electron. 2019, 66, 1044–1058. [Google Scholar] [CrossRef]
- Hui, S.Y.R.; Zhong, W.; Lee, C.K. A critical review of recent process in mid-range wireless power transfer. IEEE Trans. Ind. Electron. 2014, 29, 4500–4511. [Google Scholar]
- Hui, S.Y. Planar wireless charging technology for portable electronic products and Qi. Proc. IEEE. 2013, 101, 1290–1301. [Google Scholar] [CrossRef]
- Lu, X.; Wang, P.; Niyato, D.; Kim, D.; Han, Z. Wireless charging technologies: Fundamentals, standards and network applications. IEEE Commun. Surv. Tutor. 2016, 18, 1413–1452. [Google Scholar] [CrossRef]
- Zhang, Z.; Chau, K.T.; Liu, C.; Qiu, C.; Li, W.; Ching, T.W. A positioning-tolerant wireless charging system for roadway-powered electric vehicles. J. Appl. Phys. 2015, 117, 1–4. [Google Scholar] [CrossRef]
- Zhang, Z.; Pang, H.; Lee, C.H.T.; Xu, X.; Wei, X.; Wang, J. Comparative analysis and optimization of dynamic charging coils for roadway-powered electric vehicles. IEEE Trans. Magn. 2017, 53, 9402106. [Google Scholar] [CrossRef]
- Zhou, J.; Zhang, B.; Xiao, W.; Qiu, D.; Chen, Y. Nonlinear parity-time-symmetric model for constant efficiency wireless power transfer: application to a drone-in-flight wireless charging platform. IEEE Trans. Ind. Electron. 2019, 66, 4097–4107. [Google Scholar] [CrossRef]
- Jiang, C.; Chau, K.T.; Liu, C.; Han, W. Design and analysis of wireless switched reluctance motor drives. IEEE Trans. Ind. Electron. 2019, 66, 245–254. [Google Scholar] [CrossRef]
- Jiang, C.; Chau, K.T.; Ching, T.W.; Liu, C.; Han, W. Time-division multiplexing wireless power transfer for separately excited DC motor drives. IEEE Trans. Magn. 2017, 53, 8205405. [Google Scholar] [CrossRef]
- Zhang, Z.; Zhang, B.; Deng, B.; Wei, X.; Wang, J. Opportunities and challenges of metamaterial-based wireless power transfer for electric vehicles. Wirel. Power Transf. 2018, 5, 9–19. [Google Scholar] [CrossRef]
- Budhia, M.; Boys, J.T.; Covic, G.A.; Huang, C. Development of a single-sided flux magnetic coupler for electric vehicle IPT charging systems. IEEE Trans. Ind. Electron. 2013, 60, 318–328. [Google Scholar] [CrossRef]
- Zhang, Z.; Ai, W.; Liang, Z.; Wang, J. Topology-reconfigurable capacitor matrix for encrypted dynamic wireless charging of electric vehicles. IEEE Trans. Veh. Technol. 2018, 67, 9248–9293. [Google Scholar] [CrossRef]
- Zhang, Z.; Chau, K.T. Homogeneous wireless power transfer for move-and-charge. IEEE Trans. Power Electron. 2015, 30, 6213–6220. [Google Scholar] [CrossRef]
- Liu, G.; Zhang, B.; Xiao, W.; Qiu, D.; Chen, Y.; Guan, J. Omnidirectional wireless power transfer system based on rotary transmitting coil for household appliances. Energies 2018, 11, 878. [Google Scholar]
- Nam, H.; Seo, C. Analytical and experimental investigations of omnidirectional wireless power transfer using a cubic transmitter. IEEE Trans. Ind. Electron. 2018, 65, 1358–1366. [Google Scholar]
- Zhang, Z.; Zhang, B.; Wang, J. Optimal design of quadrature-shaped pickup for omnidirectional wireless power transfer. IEEE Trans. Magn. 2018, 54, 8600305. [Google Scholar] [CrossRef]
- Ng, W.; Zhang, C.; Lin, D.; Hui, S.Y.R. Two- and three-dimensional omnidirectional wireless power transfer. IEEE Trans. Power Electron. 2014, 29, 4470–4474. [Google Scholar] [CrossRef]
- Zhang, C.; Lin, D.; Hui, S.Y. Basic control principles of omnidirectional wireless power transfer. IEEE Trans. Power Electron. 2016, 31, 5215–5227. [Google Scholar]
- Lin, D.; Zhang, C.; Hui, S.Y.R. Mathematical analysis of omnidirectional wireless power transfer—Part-I: two-dimensional systems. IEEE Trans. Power Electron. 2017, 32, 625–633. [Google Scholar] [CrossRef]
- Lin, D.; Zhang, C.; Hui, S.Y.R. Power and efficiency of 2-D omni-directional wireless power transfer systems. In Proceedings of the 2015 IEEE Energy Conversion Congress and Exposition (ECCE), Montreal, QC, Canada, 20–24 September 2015; pp. 4951–4958. [Google Scholar]
- Che, B.; Meng, F.; Wu, Q. An omnidirectional wireless power transmission system with controllable magnetic field distribution. In Proceedings of the 2016 IEEE International Workshop on Electromagnetics: Applications and Student Innovation Competition (iWEM), Nanjing, China, 16–18 May 2015; pp. 1–3. [Google Scholar]
- Lin, D.; Zhang, C.; Hui, S.Y.R. Mathematic analysis of omnidirectional wireless power transfer—Part-II three-dimensional systems. IEEE Trans. Power Electron. 2017, 32, 613–624. [Google Scholar] [CrossRef]
- Lin, D.; Zhang, C.; Hui, S.Y.R. Omni-directional wireless power transfer systems using discrete magnetic field vector control. In Proceedings of the 2015 IEEE Energy Conversion Congress and Exposition (ECCE), Montreal, QC, Canada, 20–24 September 2015; pp. 3203–3208. [Google Scholar]
- Lee, E.; Sohn, Y.; Choi, B.; Han, S.; Rim, C. A modularized IPT with magnetic shielding for a wide-range ubiquitous Wi-power zone. IEEE Trans. Power Electron. 2018, 33, 9669–9690. [Google Scholar] [CrossRef]
- Choi, B.; Sohn, Y.; Lee, E.; Han, S.; Rim, H.; Rim, C. Coreless transmitting coils with conductive magnetic shield for wide-range ubiquitous IPT. IEEE Trans. Power Electron. 2018, 34, 2539–2552. [Google Scholar] [CrossRef]
- Lee, E.; Choi, J.; Son, H.; Han, S.; Rim, C. Six degrees of freedom wide-range ubiquitous IPT for IoT by DQ magnetic field. IEEE Trans. Power Electron. 2017, 32, 8258–8276. [Google Scholar] [CrossRef]
- Yang, Y.; Liu, F.; Chen, X. A maximum power point tracking control scheme for magnetically coupled resonant wireless power transfer system by cascading SEPIC converter at the receiving side. In Proceedings of the 2017 IEEE Applied Power Electronics Conference and Exposition (APEC), Tampa, FL, USA, 26–30 March 2017; pp. 3702–3707. [Google Scholar]
- Liu, F.; Yang, Y.; Jiang, D.; Ruan, X.; Chen, X. Modeling and optimization of magnetically coupled resonant wireless power transfer system with varying spatial scales. IEEE Trans. Power Electron. 2017, 32, 3240–3250. [Google Scholar] [CrossRef]
- Fang, W.; Son, H. Inductance calculation for orientation position by extended DMP model. In Proceedings of the 2013 IEEE/ASME International Conference on Advanced Intelligent Mechatronics, Wollongong, NSW, Australia, 9–12 July 2013; pp. 774–779. [Google Scholar]














© 2019 by the authors. Licensee MDPI, Basel, Switzerland. This article is an open access article distributed under the terms and conditions of the Creative Commons Attribution (CC BY) license (http://creativecommons.org/licenses/by/4.0/).
Share and Cite
Wang, W.; Wang, H.; Li, Q.; Xu, J.; Meng, T.; Zhang, B.; Zhang, Z. Analysis and Compensation of Incomplete Coupling for Omnidirectional Wireless Power Transfer. Energies 2019, 12, 3277. https://doi.org/10.3390/en12173277
Wang W, Wang H, Li Q, Xu J, Meng T, Zhang B, Zhang Z. Analysis and Compensation of Incomplete Coupling for Omnidirectional Wireless Power Transfer. Energies. 2019; 12(17):3277. https://doi.org/10.3390/en12173277
Chicago/Turabian StyleWang, Wenbin, Huayun Wang, Qiong Li, Jun Xu, Tianqi Meng, Bowen Zhang, and Zhen Zhang. 2019. "Analysis and Compensation of Incomplete Coupling for Omnidirectional Wireless Power Transfer" Energies 12, no. 17: 3277. https://doi.org/10.3390/en12173277
APA StyleWang, W., Wang, H., Li, Q., Xu, J., Meng, T., Zhang, B., & Zhang, Z. (2019). Analysis and Compensation of Incomplete Coupling for Omnidirectional Wireless Power Transfer. Energies, 12(17), 3277. https://doi.org/10.3390/en12173277
