A Toolbox for Analyzing and Testing Mode Identification Techniques and Network Equivalent Models
Abstract
1. Introduction
1.1. Motivation, Literature Review and Scope of the Paper
1.2. Functionalities of System Identification and Equivalent Models Toolbox (SIEMToolbox)
2. Problem Formulation and Parameter Estimation
2.1. Mode Identifcation
2.1.1. Problem Formulation
2.1.2. Mode Identification Procedure
- Step 1: The range of the examined model order is specified by the user; typically starting from 1. Let us assume that in general form the lower model order value is Mmin and the maximum Mmax.
- Step 2: The selected mode identification method is applied sequentially for each case in the range from Mmin to Mmax; the ringdown response is simulated and the corresponding MAE is calculated.
- Step 3: The calculated MAE of all examined Mmin–Mmax cases are compared. The optimal model order corresponds to the case with the lower MAE.
2.1.3. Multiple Signal Analysis
2.2. Network Equivalent Models
2.2.1. Parameter Estimation Procedure
2.2.2. Equivalent Modelling with Multi-Signal Analysis
3. SIEMToolbox
3.1. Main Graphical User Interface of SIEMToolbox
3.2. Mode Identification Techniques
3.3. Network Equivalent Models
4. Results
4.1. Description of the Systems under Study
4.1.1. Kundur’s Two-Area System
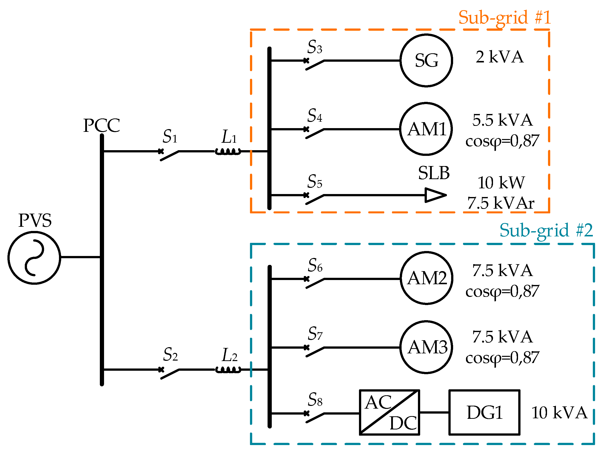
4.1.2. Laboratory-Scale Active Distribution Network
- Topology 1: The static load bank and the asynchronous machine (AM1) are connected to the network. The AM1 operates as a motor.
- Topology 2: The static load bank, the inverter interfaced distributed generator (DG1), the synchronous generator (SG) and all the asynchronous machines are connected to the network. In this case, the AM2 and AM3 asynchronous machines operate as motors, whereas the AM1 operates as generator.
4.2. Mode Identification
4.2.1. Single Signal Analysis
4.2.2. Multiple Signal Analysis
4.3. Equivalent Modelling
4.3.1. Single Signal Analysis
4.3.2. Multiple Signal Analysis
5. Conclusions
Author Contributions
Funding
Conflicts of Interest
References
- Task Force on Identification of Electromechanical Modes. Identification of Electromechanical Modes in Power Systems; Technical Report PES-TR15; IEEE Power & Energy Society: Piscataway, NJ, USA, 2012; Available online: http://sites.ieee.org/pes-resource-center/files/2013/11/TR15_Modal_Ident_TF_Report.pdf (accessed on 7 June 2019).
- Ma, F.; Vittal, V. Right-Sized Power System Dynamic Equivalents for Power System Operation. IEEE Trans. Power Syst. 2011, 26, 1998–2005. [Google Scholar] [CrossRef]
- Krommydas, K.F.; Alexandridis, A.T. Modular Control Design and Stability Analysis of Isolated PV-Source/Battery-Storage Distributed Generation Systems. IEEE Trans. Emerg. Sel. Top. Circuits Syst. 2015, 5, 372–382. [Google Scholar] [CrossRef]
- Feng, X.; Lubosny, Z.; Bialek, J. Dynamic equivalencing of distribution network with high penetration of distributed generation. In Proceedings of the 41st International Universities Power Engineering Conference, Newcastle-upon-Tyne, UK, 6–8 September 2006; pp. 467–471. [Google Scholar]
- Ishchenko, A.; Myrzik, J.; Kling, W. Dynamic equivalencing of distribution networks with dispersed generation using Hankel norm approximation. IET Gener. Transm. Distrib. 2007, 1, 818–825. [Google Scholar] [CrossRef]
- Arif, A.; Wang, Z.; Wang, J.; Mather, B.; Bashualdo, H.; Zhao, D. Load modeling-a review. IEEE Trans. Smart Grid 2018, 9, 5986–5999. [Google Scholar] [CrossRef]
- Thambirajah, J.; Barocio, E.; Thornhill, N. Comparative review of methods for stability monitoring in electrical power systems and vibrating structures. IET Gener. Transm. Distrib. 2010, 4, 1086–1103. [Google Scholar] [CrossRef]
- Sun, K.; Zhou, Q.; Liu, Y. A phase locked loop-based approach to real-time modal analysis on synchrophasor measurements. IEEE Trans. Smart Grid 2014, 5, 260–269. [Google Scholar] [CrossRef]
- Trudnowski, D.J.; Pierre, J.W. Overview of algorithms for estimating swing modes from measured responses. In Proceedings of the IEEE Power and Energy Society General Meeting, Calgary, AB, Canada, 26–30 July 2009. [Google Scholar]
- Chaudhuri, N.R.; Domahidi, A.; Majumder, R.; Chaudhuri, B.; Korba, P.; Ray, S.; Uhlen, K. Wide-area power oscillation damping control in nordic equivalent system. IET Gener. Transm. Distrib. 2010, 4, 1139–1150. [Google Scholar] [CrossRef]
- Messina, A.R. Inter-area Oscillations in Power Systems: A Nonlinear and Nonstationary Perspective; Springer: Berlin, Germany, 2009; ISBN 978-0-387-89529-1. [Google Scholar]
- Kontis, E.O.; Papadopoulos, T.A.; Chrysochos, A.I.; Papagiannis, G.K. Measurement-Based Dynamic Load Modeling Using the Vector Fitting Technique. IEEE Trans. Power Syst. 2018, 33, 338–351. [Google Scholar] [CrossRef]
- Golpîra, H.; Seifi, H.; Haghifam, M.R. Dynamic equivalencing of an active distribution network for large-scale power system frequency stability studies. IET Gener. Transm. Distrib. 2015, 9, 2245–2254. [Google Scholar] [CrossRef]
- Robitzky, L.; Mayorga-Gonzalez, D.; Kittl, C.; Strunck, C.; Zwartscholten, J.; Muller, S.C.; Hager, U.; Myrzik, J.; Rehtanz, C. Impact of active distribution networks on voltage stability of electric power systems. In Proceedings of the IREP Bulk Power Systems Dynamics and Control Symposium, Espinho, Portugal, 1 August 2017. [Google Scholar]
- SIEMToolbox. Available online: http://power.ee.auth.gr/ (accessed on 7 June 2019).
- Hauer, J.F.; Demeure, C.J.; Scharf, L.L. Initial results in Prony analysis of power system response signals. IEEE Trans. Power Syst. 1990, 5, 80–89. [Google Scholar] [CrossRef]
- Crow, M.L.; Singh, A. The matrix pencil for power system modal extraction. IEEE Trans. Power Syst. 2005, 20, 501–502. [Google Scholar] [CrossRef]
- Sanchez-Gasca, J.J.; Chow, J.H. Performance comparison of three identification methods for the analysis of electromechanical oscillations. IEEE Trans. Power Syst. 1999, 14, 995–1002. [Google Scholar] [CrossRef]
- Ljung, L. System Identification: Theory for the User; Prentice-Hall PTR: Upper Saddle River, NJ, USA, 1999. [Google Scholar]
- Katayama, T. Subspace Methods for System Identification; Springer: Berlin, Germany, 2005; ISBN 978-1-85233-981-4. [Google Scholar]
- O‘Shea, P. The use of sliding spectral windows for parameter estimation in power system disturbance monitoring. IEEE Trans. Power Syst. 2000, 15, 1261–1267. [Google Scholar] [CrossRef]
- Gustavsen, B.; Semlyen, A. Rational approximation of frequency domain responses by vector fitting. IEEE Trans. Power Deliv. 1999, 14, 1261–1267. [Google Scholar] [CrossRef]
- Papadopoulos, T.A.; Chrysochos, A.I.; Kontis, E.O.; Papagiannis, G.K. Ringdown analysis of power systems using vector fitting. Electr. Power Syst. Res. 2016, 141, 100–103. [Google Scholar] [CrossRef]
- Papadopoulos, T.A.; Chrysochos, A.I.; Kontis, E.O.; Papadopoulos, P.N.; Papagiannis, G.K. Measurement-Based Hybrid Approach for Ringdown Analysis of Power Systems. IEEE Trans. Power Syst. 2016, 31, 4435–4446. [Google Scholar] [CrossRef]
- Kontis, E.O.; Papadopoulos, T.A.; Barzegkar-Ntovom, G.A.; Chrysochos, A.I.; Papagiannis, G.K. Modal analysis of active distribution networks using system identification techniques. Int. J. Electr. Power Energy Syst. 2018, 100, 365–378. [Google Scholar] [CrossRef]
- Task Force on Load Representation for Dynamic Performance. Load representation for dynamic performance analysis (of power systems). IEEE Trans. Power Syst. 1993, 8, 472–482. [Google Scholar] [CrossRef]
- Task Force on Load Representation for Dynamic Performance. Bibliography on load models for power flow and dynamic performance simulation. IEEE Trans. Power Syst. 1995, 10, 523–538. [Google Scholar] [CrossRef]
- CIGRE WG C4.605 Report. Modelling and Aggregation of Loads in Flexible Power Networks; CIGRE: Paris, France, 2013. [Google Scholar]
- EPRI. Extended Transient-Midterm Stability Program Package FACTS Version User’s Manual, EPRI Project 1208-9; EPRI: Palo Alto, CA, USA, 1990. [Google Scholar]
- Li, Y.; Chiang, H.D.; Choi, B.K.; Chen, Y.T.; Huang, D.H.; Lauby, M.G. Representative static load models for transient stability analysis: Development and examination. IET Gener. Transm. Distrib. 2007, 1, 422–431. [Google Scholar] [CrossRef]
- Sabir, S.A.Y.; Lee, D.C. Dynamic Load Models Derived from Data acquired during System Transients. IEEE Trans. Power Appar. Syst. 1982, PAS-I01, 3365–3372. [Google Scholar] [CrossRef]
- Ohyama, T.; Walanabe, A.; Nishimura, K.; Tsuruta, S. Voltage Dependence on Composite Loads in Power Systems. IEEE Trans. Power Appar. Syst. 1985, PAS-104, 3064–3073. [Google Scholar] [CrossRef]
- Frantz, T.; Gentile, T.; Ihara, S.; Simons, N.; WaIdron, M. Load Behavior Observed in LΙLCO and RG&E Systems. IEEE Trans. Power Appar. Syst. 1984, PAS-103, 819–831. [Google Scholar]
- Lin, C.J.; Chen, A.Y.T.; Chiou, C.Y.; Huang, C.H.; Chiang, H.D.; Wang, J.C.; Fekih-Ahmed, L. Dynamic load models in power systems using the measurement approach. IEEE Trans. Power Syst. 1993, 8, 309–315. [Google Scholar] [CrossRef]
- Kontis, E.O.; Dimitrakopoulos, S.P.; Chrysochos, A.I.; Papagiannis, G.K.; Papadopoulos, T.A. Dynamic equivalencing of active distribution grids. In Proceedings of the IEEE Manchester Power Tech, Manchester, UK, 18–22 June 2017. [Google Scholar]
- Kundur, P. Power System Stability and Control; McGraw-Hill: New York, NY, USA, 1994. [Google Scholar]
- Ning, J.; Sarmadi, S.A.N.; Venkatasubramanian, V. Two-level ambient oscillation modal estimation from synchrophasor measurements. IEEE Trans. Power Syst. 2015, 30, 2913–2922. [Google Scholar] [CrossRef]
- Ljung, L. System Identification Toolbox: User’s Guide; The Mathworks Inc.: Natick, MA, USA, 2013. [Google Scholar]
- Kontis, E.O.; Papadopoulos, T.A.; Syed, M.H.; Guillo-Sansano, E.; Burt, G.M.; Papagiannis, G.K. Artificial-intelligence method for the derivation of generic aggregated dynamic equivalent models. IEEE Trans. Power Syst. 2019, 34, 2947–2956. [Google Scholar] [CrossRef]
- NEPLAN Help; NEPLAN Version 5.5.5 R1; NEPLAN: Küsnacht, Switzerland, 1988–2010.
- Zhou, N.; Pierre, J.W.; Trudnowski, D. A stepwise regression method for estimating dominant electromechanical modes. IEEE Trans. Power Syst. 2012, 27, 1051–1059. [Google Scholar] [CrossRef]
















| Technique | Damping Factor (s−1) | Frequency (Hz) | MAD |
|---|---|---|---|
| MP | −0.12869 | 0.54086 | 0.0009 |
| Prony | −0.40470 | 0.56803 | 0.1396 |
| ERA | −0.12848 | 0.54143 | 0.0010 |
| N4SID | −0.61850 | 0.74605 | 0.2665 |
| PEM | −0.24762 | 0.67708 | 0.0913 |
| FFT | −0.13493 | 0.54155 | 0.0040 |
| VF | −0.13062 | 0.54371 | 0.0026 |
| Hybrid FD/TD | −0.13228 | 0.54404 | 0.0033 |
| Model Order | Real Power | Reactive Power |
|---|---|---|
| 1 | 0.0216 | 0.0042 |
| 2 | 0.0380 | 0.0026 |
| 3 | 0.0238 | 0.1262 |
| 4 | 0.0315 | 0.0014 |
| 5 | 0.0103 | 0.4876 |
© 2019 by the authors. Licensee MDPI, Basel, Switzerland. This article is an open access article distributed under the terms and conditions of the Creative Commons Attribution (CC BY) license (http://creativecommons.org/licenses/by/4.0/).
Share and Cite
Kontis, E.O.; Barzegkar-Ntovom, G.A.; Staios, K.A.; Papadopoulos, T.A.; Papagiannis, G.K. A Toolbox for Analyzing and Testing Mode Identification Techniques and Network Equivalent Models. Energies 2019, 12, 2606. https://doi.org/10.3390/en12132606
Kontis EO, Barzegkar-Ntovom GA, Staios KA, Papadopoulos TA, Papagiannis GK. A Toolbox for Analyzing and Testing Mode Identification Techniques and Network Equivalent Models. Energies. 2019; 12(13):2606. https://doi.org/10.3390/en12132606
Chicago/Turabian StyleKontis, Eleftherios O., Georgios A. Barzegkar-Ntovom, Konstantinos A. Staios, Theofilos A. Papadopoulos, and Grigoris K. Papagiannis. 2019. "A Toolbox for Analyzing and Testing Mode Identification Techniques and Network Equivalent Models" Energies 12, no. 13: 2606. https://doi.org/10.3390/en12132606
APA StyleKontis, E. O., Barzegkar-Ntovom, G. A., Staios, K. A., Papadopoulos, T. A., & Papagiannis, G. K. (2019). A Toolbox for Analyzing and Testing Mode Identification Techniques and Network Equivalent Models. Energies, 12(13), 2606. https://doi.org/10.3390/en12132606

