Impedance Modeling and Stability Analysis of the Converters in a Double-Fed Induction Generator (DFIG)-Based System
Abstract
:1. Introduction
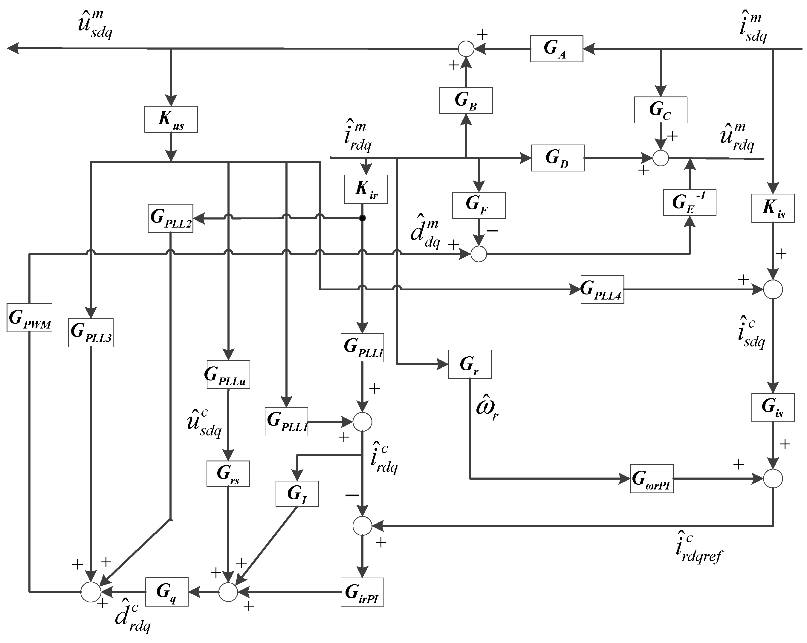
2. Small-Signal Modeling of the Rotor Side Convertor (RSC) in the Double-Fed Induction Generator (DFIG)
2.1. Small-Signal Modeling of the RSC Circuit
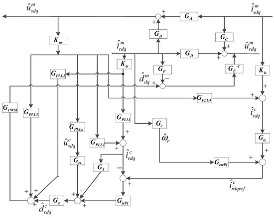
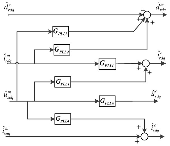
2.2. Small-Signal Modeling of RSC Control with PLL
3. Small-Signal Modeling of the Grid Side Convertor (GSC) in DFIG
3.1. Small-Signal Modeling of the GSC Circuit
3.2. Small-Signal Modeling of GSC Control with PLL
4. Analysis of Harmonic Stability and Real-Time Digital Simulation (RTDS) Verification
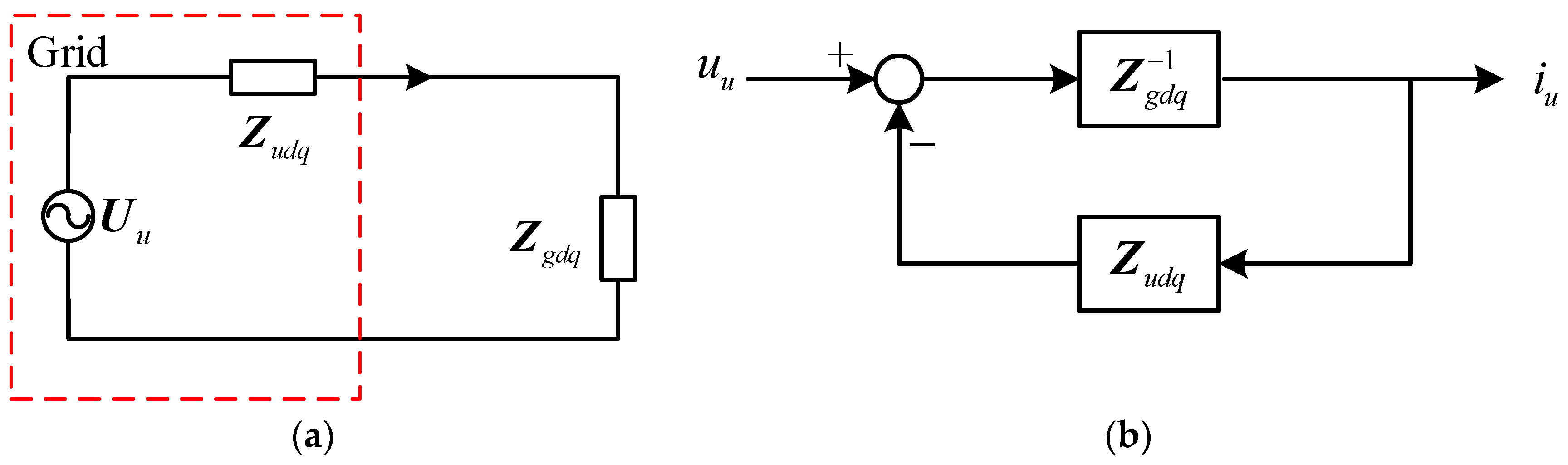
4.1. Impedance Modeling of Equivalent Systems
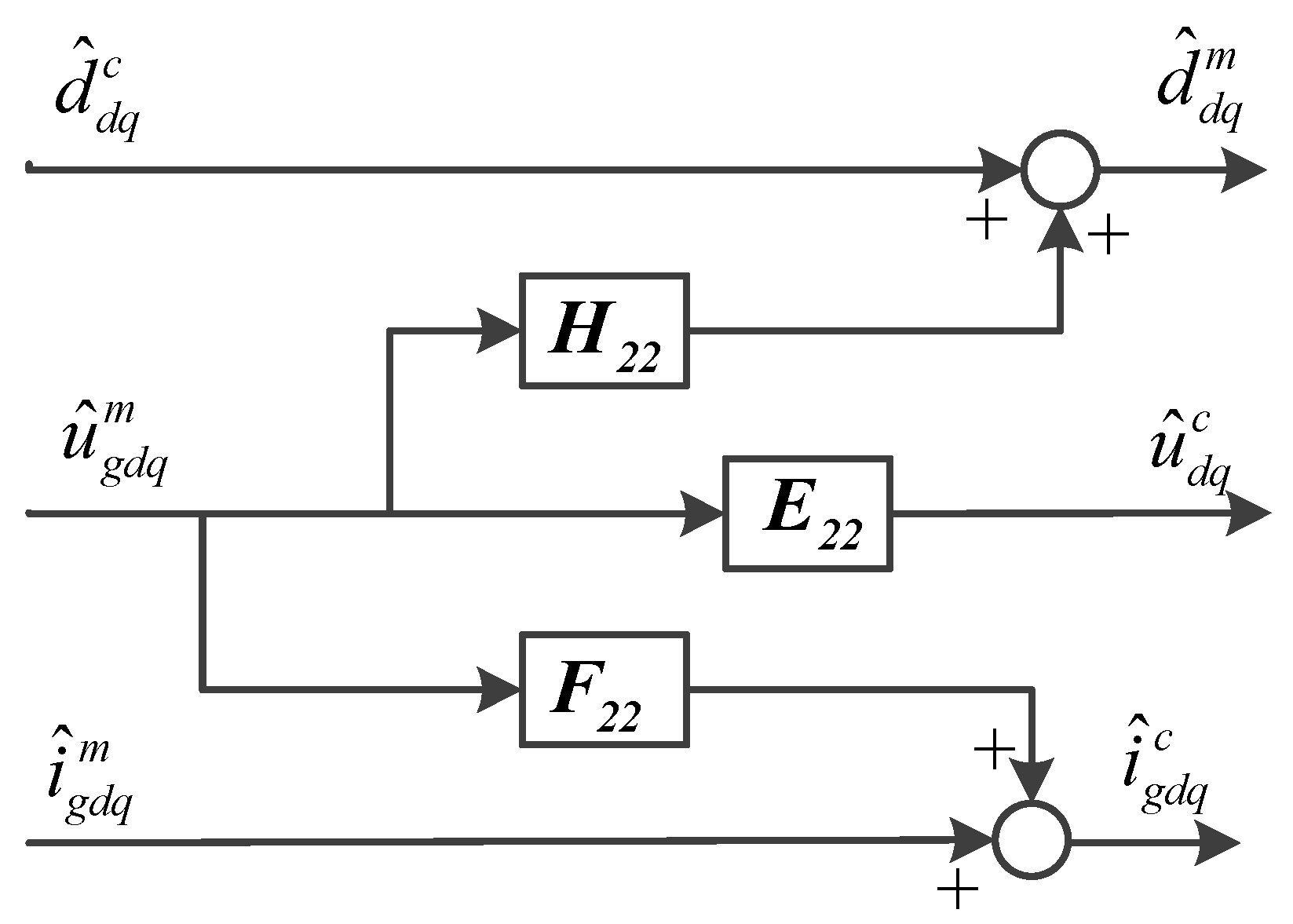
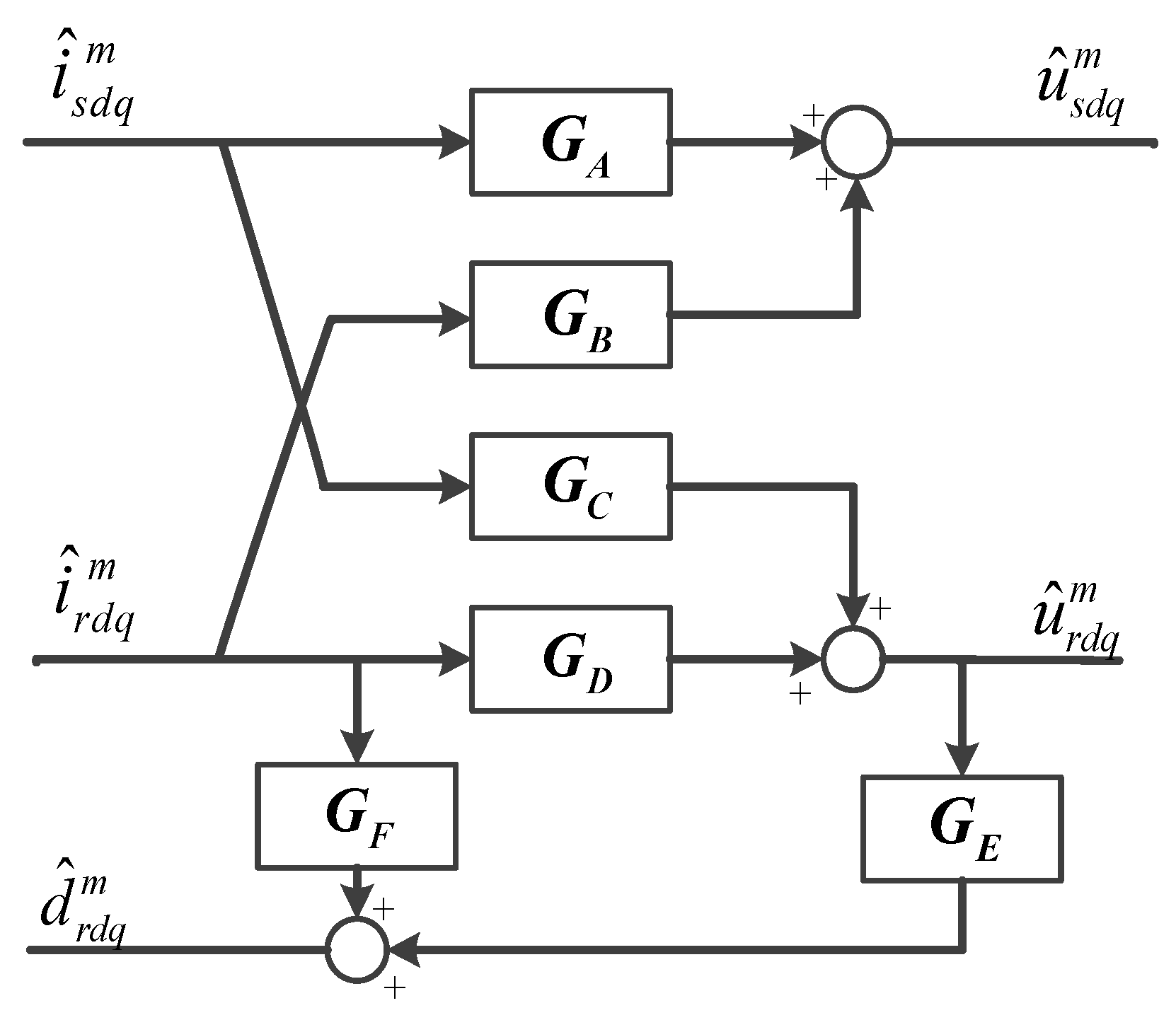
4.1.1. Input Impedance Modeling of RSC and GSC connected in DFIG
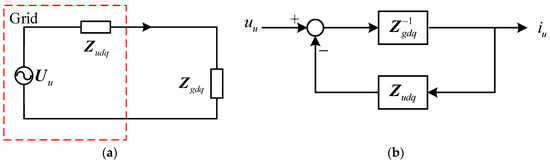
4.1.2. Impedance Modeling of the Grid-Connected System
4.2. Impedance-Based Stability Analysis
4.2.1. Circuit parameters stability assessment
4.2.2. Controller parameters stability assessment
4.2.3. Mechanical parameters stability assessment
4.3. RTDS Simulation Verification
5. Conclusions
- The mismatch of the stator circuit parameters in the DFIG motor will gradually amplify the existing harmonics, which will cause the system to be unstable.
 - The mismatch between the inductance parameters and the capacitance parameters of the dual PWM converter and its controller parameters will also amplify the harmonics and destabilize the system.
 - The moment of inertia of the system itself will directly affect the magnitude of fluctuations in the wind speed, and thus will also affect the stability of the system’s harmonics.
 
Author Contributions
Funding
Conflicts of Interest
Appendix A


Appendix B
References
- Li, J.; Corzine, K. Harmonic Compensation for Variable Speed DFIG Wind Turbines Using Multiple Reference Frame Theory. In Proceedings of the IEEE Applied Power Electronics Conference and Exposition (APEC), Charlotte, NC, USA, 15–19 March 2015. [Google Scholar]
 - Yipeng, S.; Heng, N. Modularized control strategy and performance analysis of DFIG system under unbalanced and harmonic grid voltage. IEEE Trans. Power Electron. 2015, 30, 4831–4842. [Google Scholar]
 - Swami, N.K.N.; Bhim, S. Doubly fed induction generator for wind energy conversion systems with integrated active filter capabilities. IEEE Trans. Ind. Inform. 2015, 11, 923–933. [Google Scholar] [CrossRef]
 - Li, J.; Nader, S.; Stephen, W. Modeling of Large Wind Farm Systems for Dynamic and Harmonics Analysis. In Proceedings of the IEEE/PES Transmission and Distribution Conference and Exposition, Chicago, IL, USA, 21–24 April 2008. [Google Scholar]
 - Fan, L.; Yuvarajan, S.; Kavasseri, R. Harmonic Analysis of a DFIG for a Wind Energy Conversion System. IEEE Trans. Energy Convers. 2010, 25, 181–190. [Google Scholar]
 - McKenna, R.; Ostman, V.d.; Leye, P.; Fichtner, W. Key Challenges and Prospects for Large Wind Turbines. Renew. Sustain. Energy Rev. 2016, 53, 1212–1221. [Google Scholar] [CrossRef]
 - Wang, Y.; Wang, X.; Blaabjerg, F.; Chen, Z. Eigenvalue-based Harmonic Stability Analysis Method in Inverter-Fed Power Systems. In Proceedings of the IECON 2015—41st Annual Conference of the IEEE Industrial Electronics Society, Yokohama, Japan, 9–12 November 2015. [Google Scholar]
 - Wang, X.; Blaabjerg, F.; Liserre, M.; Chen, Z.; He, J.; Li, Y. An Active Damper for Stabilizing Power-Electronics-Based AC Systems. IEEE Trans. Power Electron. 2014, 29, 3318–3329. [Google Scholar] [CrossRef]
 - Kwon, J.; Wang, X.; Blaabjerg, F.; Bak, C.L. Comparison of LTI and LTP Models for Stability Analysis of Grid Converters. In Proceedings of the 2016 IEEE 17th Workshop on Control and Modeling for Power Electronics (COMPEL), Trondheim, Norway, 27–30 June 2016. [Google Scholar]
 - Bakhshizadeh, M.K.; Wang, X.; Blaabjerg, F.; Hjerrild, J.; Kocewiak, L.; Bak, C.L.; Hesselbæk, B. Couplings in Phase Domain Impedance Modeling of Grid-Connected Converters. IEEE Trans. Power Electron. 2016, 31, 6792–6796. [Google Scholar]
 - Kwon, J.B.; Wang, X.; Blaabjerg, F.; Bak, C.L.; Wood, A.R.; Watson, N.R. Harmonic Instability Analysis of a Single-Phase Grid-Connected Converter Using a Harmonic State-Space Modeling Method. IEEE Trans. Ind. Appl. 2016, 52, 4188–4200. [Google Scholar] [CrossRef]
 - Wang, Y.; Wang, X.; Blaabjerg, F.; Chen, Z. Harmonic Resonance Assessment of Multiple Paralleled Grid-Connected Inverters System. In Proceedings of the 2017 IEEE 3rd International Future Energy Electronics Conference and ECCE Asia (IFEEC 2017—ECCE Asia), Kaohsiung, Taiwan, China, 3–7 June 2017. [Google Scholar]
 - Wang, X.; Blaabjerg, F. Harmonic Stability in Power Electronic-Based Power Systems: Concept, Modeling, and Analysis. IEEE Trans. Smart Grid 2019, 10, 2858–2870. [Google Scholar] [CrossRef]
 - Sun, J. Impedance-Based Stability Criterion for Grid-Connected Inverters. IEEE Trans. Power Electron. 2011, 26, 3075–3078. [Google Scholar] [CrossRef]
 - Belkhayat, M. Stability Criteria for AC Power Systems with Regulated Loads. Ph.D. Thesis, School of Electrical and Computer, Engineering, Purdue University, West Lafayette, IN, USA, December 1997. [Google Scholar]
 - Schweizer, M.; Kolar, J.W. Shifting input filter resonances—An intelligent converter behaviour for maintaining system stability. In Proceedings of the 2010 International Power Electronics Conference (ECCE ASIA), Sapporo, Japan, 21–24 June 2010; pp. 906–913. [Google Scholar]
 - Wang, X.; Blaabjerg, F.; Chen, Z.; Wu, W. Resonance Analysis in Parallel Voltage-Controlled Distributed Generation Inverters. In Proceedings of the 2013 Twenty-Eighth Annual IEEE Applied Power Electronics Conference and Exposition (APEC), Long Beach, CA, USA, 17–21 March 2013; pp. 2977–2983. [Google Scholar]
 - Lu, M.; Wang, X.; Blaabjerg, F.; Loh, P.C. An Analysis Method for Harmonic Resonance and Stability of Multi-Paralleled LCL-Filtered Inverters. In Proceedings of the 2015 IEEE 6th International Symposium on Power Electronics for Distributed Generation Systems (PEDG), Aachen, Germany, 22–25 June 2015. [Google Scholar]
 - Xiao, J.; Gole, A.M. A frequency scanning method for the identification of harmonic instabilities in HVDC systems. IEEE Trans. Power Del. 1995, 10, 1875–1881. [Google Scholar] [CrossRef]
 - Le, V.; Li, X.; Li, Y.; Dong, L.T.; Le, C. An Innovative Control Strategy to Improve the Fault Ride-Through Capability of DFIGs Based on Wind Energy Conversion Systems. Energies 2016, 9, 69. [Google Scholar] [CrossRef]
 - Jabr, H.M.; Lu, D.; Kar, N.C. Design and Implementation of Neuro-Fuzzy Vector Control for Wind-Driven Doubly-Fed Induction Generator. IEEE Trans. Sustain. Energy 2011, 2, 404–413. [Google Scholar] [CrossRef]
 - Nian, H.; Song, Y.; Zhou, P.; He, Y. Improved Direct Power Control of a Wind Turbine Driven Doubly Fed Induction Generator During Transient Grid Voltage Unbalance. IEEE Trans. Energy Convers. 2011, 26, 976–986. [Google Scholar] [CrossRef]
 - Wang, X.; Blaabjerg, F.; Wu, W. Modeling and Analysis of Harmonic Stability in an AC Power-Electronics-Based Power System. IEEE Trans. Power Electron. 2014, 29, 6421–6432. [Google Scholar] [CrossRef]
 - Wen, B.; Boroyevich, D.; Burgos, R.; Mattavelli, P.; Shen, Z. Inverse Nyquist Stability Criterion for Grid-Tied Inverters. IEEE Trans. Power Electron. 2017, 32, 1548–1556. [Google Scholar] [CrossRef]
 - Yoon, C.; Wang, X.; Silva, F.M.F.D.; Bak, C.L.; Blaabjerg, F. Harmonic Stability Assessment for Multi-Paralleled, Grid-Connected Inverters. In Proceedings of the 2014 International Power Electronics and Application Conference and Exposition (CICED), Shanghai, China, 5–8 November 2014; pp. 1098–1103. [Google Scholar]
 - Wang, L.; Gao, H.; Zou, G. Modeling Methodology and Fault Simulation of Distribution Networks Integrated with Inverter-Based DG. Control. Mod. Power Syst. 2017, 2, 31. [Google Scholar] [CrossRef]
 - Zhu, R.; Chen, Z.; Tang, Y.; Deng, F.; Wu, X. Dual-Loop Control Strategy for DFIG-Based Wind Turbines Under Grid Voltage Disturbances. IEEE Trans. Power Electron. 2016, 31, 2239–2253. [Google Scholar] [CrossRef]
 - Alaboudy, A.H.K.; Zeineldin, H.H. Flicker Minimization of DFIG Based Wind Turbines with Optimal Reactive Current Management. In Proceedings of the 2011 IEEE PES Conference on Innovative Smart Grid Technologies - Middle East (ISGT Middle East), Jeddah, Saudi Arabia, 17–20 December 2011; pp. 1–5. [Google Scholar]
 - Ismail, F.S.A.; Hassan, M.A.; Abido, M.A. RTDS Implementation of STATCOM-Based Power System Stabilizers. Can. J. Electr. Comput. Eng. 2014, 37, 48–56. [Google Scholar] [CrossRef]
 - Liu, J.; Liu, Z. Harmonic Analyzing of the Double PWM Converter in DFIG Based on Mathematical Model. Energies 2017, 10, 2087. [Google Scholar] [CrossRef]
 






















| Electrical Parameter | Value | Electrical Parameter | Value | ||
|---|---|---|---|---|---|
| Fundamental frequency | 50 Hz | RS mutual inductance | 0.108 H | ||
| Grid resistance | 0.3 Ω | RSC resistance | 0.15 Ω | ||
| Grid inductance | 0.03 H | RSC inductance | 1.2 mH | ||
| Stator resistance | 0.262 Ω | GSC resistance | 0.15 Ω | ||
| Stator self-inductance | 0.122 H | GSC inductance | 1.2 mH | ||
| Rotor resistance | 0.2 Ω | DC shunt capacitance | 2.2 mF | ||
| Rotor self-inductance | 0.119 H | DC rated voltage | 500 V | ||
| Controller Parameters | Value | Controller Parameters | Value | ||
|---|---|---|---|---|---|
| RSC stator current controller | 0.3 | GSC outer voltage controller | 0.1 | ||
| 5 | 10 | ||||
| RSC outer speed controller | 0.5 | PLL controller | 3 | ||
| 10 | 1400 | ||||
| RSC inner current controller | 13.87 | 3 | |||
| 68 | 1400 | ||||
| GSC inner current controller | 5 | Moment of inertia | 0.1425 kg∙m2 | ||
| 100 | |||||
| Parameters (Stable Case) | Adjusted Value | Stability Assessment | Parameters (Stable Case) | Adjusted Value | Stability Assessment | 
|---|---|---|---|---|---|
| (1.2 mH) | 3.7 mH | Stability ↓2 | (0.119 H) | 0.05 H | ∆ | 
| 3.8 mH | Unstable | 0.45 H | ∆ | ||
| (0.15 Ω) | 0.02 Ω | ∆ 3 | (0.2 Ω) | 0.02 Ω | ∆ | 
| 0.5 Ω | ∆ | 0.5 Ω | ∆ | ||
| (0.122 H) | 0.315 H | Stability ↓ | (0.108 H) | 0.025 H | ∆ | 
| 0.316 H | Unstable | 0.390 H | ∆ | ||
| (0.262 Ω) | 0.105 Ω | Stability ↓ | (2.2 mF) | 4.3 mF | Stability ↓ | 
| 0.104 Ω | Unstable | 4.4 mF | Unstable | 
| Parameters (Stable Case) | Adjusted Value | Stability Assessment | Parameters (Stable Case) | Adjusted Value | Stability Assessment | 
|---|---|---|---|---|---|
| (5) | 1 | Stability ↓2 | (68) | 107 | Stability ↓ | 
| 0.9 | Unstable | 108 | Unstable | ||
| (100) | 145 | Stability ↓ | (0.5) | 1.7 | Stability ↓ | 
| 146 | Unstable | 1.8 | Unstable | ||
| (0.1) | 0.9 | Stability ↓ | (10) | 3.2 | Stability ↓ | 
| 1 | Unstable | 3.1 | Unstable | ||
| (10) | 36 | Stability ↓ | (0.3) | 1.1 | Stability ↓ | 
| 37 | Unstable | 1.2 | Unstable | ||
| (13.8) | 7.3 | Stability ↓ | (5) | 1.6 | Stability ↓ | 
| 7.2 | Unstable | 1.5 | Unstable | 
| Parameter | Simulated Value | Deviation | Parameter | Simulated Value | Deviation | 
|---|---|---|---|---|---|
| 3.8 mH | 0 | 38.5 | 3.9% | ||
| 3.8 mH | 0 | 7.2 | 0 | ||
| 0.315 mH | 0.3% | 108 | 0 | ||
| 0.104 Ω | 0 | 1.9 | 5.3% | ||
| 4.5 mF | 2.2% | 3.3 | 6.1% | ||
| 0.9 | 0 | 1.2 | 0 | ||
| 146 | 0 | 1.5 | 0 | ||
| 1.06 | 5.7% | 0.292 kg∙m2 | 0.7% | 
© 2019 by the authors. Licensee MDPI, Basel, Switzerland. This article is an open access article distributed under the terms and conditions of the Creative Commons Attribution (CC BY) license (http://creativecommons.org/licenses/by/4.0/).
Share and Cite
Chen, X.; Liu, Z. Impedance Modeling and Stability Analysis of the Converters in a Double-Fed Induction Generator (DFIG)-Based System. Energies 2019, 12, 2500. https://doi.org/10.3390/en12132500
Chen X, Liu Z. Impedance Modeling and Stability Analysis of the Converters in a Double-Fed Induction Generator (DFIG)-Based System. Energies. 2019; 12(13):2500. https://doi.org/10.3390/en12132500
Chicago/Turabian StyleChen, Xunjun, and Zhigang Liu. 2019. "Impedance Modeling and Stability Analysis of the Converters in a Double-Fed Induction Generator (DFIG)-Based System" Energies 12, no. 13: 2500. https://doi.org/10.3390/en12132500
APA StyleChen, X., & Liu, Z. (2019). Impedance Modeling and Stability Analysis of the Converters in a Double-Fed Induction Generator (DFIG)-Based System. Energies, 12(13), 2500. https://doi.org/10.3390/en12132500
        