High-Efficiency Bi-Directional Single-Phase AC/DC Converter Design and Field Application for LVDC Distribution
Abstract
1. Introduction
2. Materials and Methods
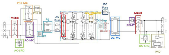
2.1. Hardware Design
2.2. Control Algorithm
3. AC/DC Converter Production
4. LVDC Demonstration Site Test in the Power Testing Center
4.1. Performance Test
4.2. Protection Test
5. Field Test Results
6. Conclusions
Author Contributions
Funding
Conflicts of Interest
References
- Donald, J. Hammerstrom “AC Versus DC Distribution Systems Did We Get it Right?”. In Proceedings of the 2007 IEEE Power Engineering Society General Meeting, Tampa, FL, USA, 24–28 June 2007. [Google Scholar]
- Karppanen, J.; Kaipia, T.; Mattsson, A.; Lana, A.; Nuutinen, P.; Pinomaa, A.; Peltoniemi, P.; Partanen, J.; Cho, J.; Kim, J.; et al. Selection of Voltage Level in Low Voltage DC Utility Distribution System. In Proceedings of the 23th International Conference on Electricity Distribution, CIRED Conference, Lyon, France, 15–18 June 2015; p. 1174. [Google Scholar]
- Afamefuna, D.; Chung, I.; Hur, D.; Kim, J.Y.; Cho, J. A Techno-Economic Feasibility Analysis on LVDC Distribution System for Rural Electrification in South Korea. J. Electr. Eng. Technol. 2014, 9, 1501–1510. [Google Scholar] [CrossRef]
- Cho, J.; Kim, J.; Chae, W.; Lee, H.J.; Roy, J.K. Design and Construction of Korean LVDC Distribution System for supplying DC Power to Customer. In Proceedings of the 23th International Conference on Electricity Distribution the CIRED Conference, Ljubljana, Slovenia, 1–4 June 2015. [Google Scholar]
- Woo, Y.; Kim, Y. Digital Control of a Single-Phase UPS Inverter for Robust AC-Voltage Tracking. In Proceedings of the 30th Annual Conference of IEEE Industrial Electronics Society, 2004. IECON 2004, Busan, Korea, 2–6 November 2004; Volume 2, pp. 1623–1628. [Google Scholar]
- Sultani, J.F. Modelling, Design and Implementation Of D-Q Control in Single-Phase Grid-Connected Inverters for Photovoltaic Systems Used in Domestic Dwellings; De Montfort University: Leicester, UK, 2013. [Google Scholar]
- Cai, F.; Lu, D.; Lin, Q.; Wang, W. Control Strategy Design of Grid-Connected and Stand-Alone Single-Phase Inverter for Distributed Generation. J. Power Electron. 2016, 16, 1813–1820. [Google Scholar] [CrossRef]
- Liu, H. Control Design of a Single-Phase DC/AC Inverter for PV Applications; University of Arkansas: Fayetteville, AR, USA, 2016. [Google Scholar]
- Byen, B.; Choe, J.; Choe, G. High-Performance Voltage Controller Design Based on Capacitor Current Control Model for Stand-alone Inverters. J. Electr. Eng. Technol. 2015, 10, 1635–1645. [Google Scholar] [CrossRef]
- Zong, X. A Single Phase Grid Connected DC/AC Inverter with Reactive Power Control for Residential PV Application; Electrical and Computer Engineering University of Toronto: Toronto, ON, Canada, 2011. [Google Scholar]
- Verma, A. Algorithm for Design of Digital Notch Filter Using Simulation. Int. J. Adv.Res. Artif. Intell. (IJARAI) 2013, 2, 8. [Google Scholar] [CrossRef]
- Wang, C.M.; Xiao, W.C. Second-order IIR Notch Filter Design and implementation of digital signal processing system. Appl. Mech. Mater. 2013, 347–350, 729–732. [Google Scholar]
- IEC 60364-4-41, Low Voltage Electrical Installations–Part 4-41: Protection for Safety –Protection against Electric Shock, 5th ed.; International Standard; IEC: Geneva, Switzerland, 2005.
- IEC 60364-4-44, Low Voltage Electrical Installations–Part 4-44: Protection for Safety–Protection against Voltage Disturbances and Electromagnetic Disturbance, 2nd ed.; International standard; IEC: Geneva, Switzerland, 2007.
- Salonen, P.; Nuutiene, P.; Peltoniemi, P.; Partanen, J. Protection Scheme for an LVDC Distribution System. In Proceedings of the CIRED 2009—20th International Conference and Exhibition on Electricity Distribution—Part 1, Prague, Czech Republic, 8–11 June 2009. [Google Scholar]
- Salomonsson, D.; Soder, L.; Sannino, A. Protection of low-voltage DC microgrids. IEEE Trans. Power Deliv. 2009, 24, 1045–1053. [Google Scholar] [CrossRef]
- Hirose, K.; Tanaka, T.; Babasaki, T.; Person, S.; Foucault, O.; Sonnenberg, B.J.; Szpek, M. Grounding concept considerations and recommendations for 400VDC distribution system. In Proceedings of the 2011 IEEE 33rd International Telecommunications Energy Conference (INTELEC), Amsterdam, The Netherlands, 9–13 October 2011; pp. 1–8. [Google Scholar]
- Salonen, P.; Kaipia, T.; Nuutinen, P.; Peltoniemi, P.; Partanen, J. A Study of LVDC Distribution System Grounding. In Proceedings of the Conference NORDAC, Helsingor, Denmark, 14–16 September 2008. [Google Scholar]
- Hofheinz, W. Protective Measures with Insulation Monitoring, 3rd ed.; VDE VERLAG: Berlin, Germany, 2013. [Google Scholar]
- Hofheinz, W. Protective Measures with Insulation Monitoring–Application of Unearthed IT Power Systems in Industry, Mining, Railways, Marine/Oil and Electric/Rail Vehicles, 3rd ed.; VDE VERLAG: Berlin, Germany, 2006. [Google Scholar]
- Jiang, J.; Ji, H. Study of insulation monitoring device for DC system based on multi-switch combination. In Proceedings of the ISCID’09, Second International Symposium on Computational Intelligence and Design, Changsha, China, 12–14 December 2009; Volume 1, pp. 429–433. [Google Scholar]
- IEC 60364-5-51: Selection and Erection of Electrical Equipment; Common rules; IEC: Geneva, Switzerland, 2005.
- IEC 60364-5-52: Selection and Erection of Electrical Equipment. Wiring Systems; IEC: Geneva, Switzerland, 2009.
- IEC 60364-6: Low-Voltage Electrical Installations. Part 6: Verification; IEC: Geneva, Switzerland, 2006.
- IEEE Std 519: IEEE Recommended Practices and Requirements for Harmonic Control in Electrical Power Systems; IEC: Geneva, Switzerland, 1992.
- IEEE Std 1547: IEEE Standard for Interconnecting Distributed Resources with Electric Power Systems; IEC: Geneva, Switzerland, 2003.
- IEEE C37.20.2 IEEE Standard for Metal-Clad and Station-Type Cubicle; IEC: Geneva, Switzerland, 1993.
- ISO 668 (1995(E)) Series 1 Freight Containers-Classification, Dimensions and Ratings; IEC: Geneva, Switzerland, 1995.
- IEC std.62109-1. Safety of Power Converters for Use in Photovoltaic Power Systems; IEC: Geneva, Switzerland, 2010.
- Cho, Y.; Kim, H.; Kim, J.; Cho, J.; Kim, J. Construction of actual LVDC distribution line. CIRED-Open Access Proc. J. 2017, 2017, 2179–2182. [Google Scholar] [CrossRef]









| Classification | Input Side | Output Side | Switching Element | Switching Frequency | |
|---|---|---|---|---|---|
| Type | Lg | Cf | Ccap | SiC-MOSFET | fs |
| Spec. | 700 μH | 5 μF | 1200 μF (4 in parallel) | 1200 V 300 A (2 in parallel) | 16 kHz |
| Classification | AC Input Side | DC Output Side | ||||
|---|---|---|---|---|---|---|
| Type | MCCB | FUSE | SPD | MCCB | FUSE | SPD |
| Spec. | 690 V 250 A | 250 V 100 A | 230 V 40 kA | 1000 V 100 A | 1000 V 120 A | 1000 V 50 kA |
| Classification | Setting the Value of the Protection Level | ||||
|---|---|---|---|---|---|
| Detection setting 1 | Detection setting 2 | ||||
| AC input | Overvoltage | 118% | 1 s | - | - |
| Low voltage | 60% | 1 s | 55% | 2 ms | |
| Overcurrent | 150% | 60 s | 162% | 2 ms | |
| DC output | Overvoltage | 120% | 1 s | 127% | 2 ms |
| Low voltage | 70% | 1 s | 65% | 2 ms | |
| Overcurrent | 184% | 60 s | 200% | 2 ms | |
| Configuration | Specification |
|---|---|
| Input Voltage | 1Φ 220 V ± 10%, 60 Hz |
| Rated Output Power | 30 kW |
| Rated Output Voltage | 750 V (±1%) |
| Power Factor | >0.98 at rated power |
| THD | <5% at Full load |
| efficiency | ≥97% |
| Communication Port | Ethernet |
| Operating Temperature | −20 to 50 °C |
| DC Load1 | AC Load | DC Load2 | Input [A] | Output [A] | Input P [kW] | Output P [kW] | Efficiency [%] | THD [%] | Ripple [V] | Ripple [%] |
|---|---|---|---|---|---|---|---|---|---|---|
| On | On | Off | 8.90 | 2.30 | 3.25 | 2.70 | 82.96 | 13.50 | 0.30 | 0.04 |
| 2 kW | On | Off | 17.20 | 4.87 | 3.93 | 3.52 | 90.95 | 11.23 | 0.50 | 0.07 |
| 4 kW | On | Off | 25.80 | 7.50 | 5.90 | 5.54 | 93.86 | 9.80 | 0.80 | 0.11 |
| 6 kW | On | Off | 34.35 | 10.14 | 7.86 | 7.49 | 95.27 | 8.80 | 1.10 | 0.15 |
| 8 kW | On | Off | 43.12 | 12.81 | 9.82 | 9.45 | 96.00 | 8.00 | 1.40 | 0.19 |
| 10 kW | On | Off | 51.91 | 15.44 | 11.84 | 11.43 | 96.56 | 7.40 | 1.70 | 0.23 |
| 10 kW | 2 kW | Off | 60.34 | 18.05 | 13.81 | 13.77 | 96.91 | 6.90 | 2.00 | 0.27 |
| 10 kW | 4 kW | Off | 69.51 | 20.85 | 15.89 | 15.43 | 97.12 | 6.40 | 2.30 | 0.31 |
| 10 kW | 6 kW | Off | 78.00 | 23.50 | 17.82 | 17.38 | 97.32 | 6.00 | 2.60 | 0.34 |
| 10 kW | 8 kW | Off | 86.90 | 26.00 | 19.83 | 19.31 | 97.42 | 5.70 | 2.80 | 0.38 |
| 10 kW | 10 kW | Off | 95.43 | 28.74 | 21.78 | 21.24 | 97.50 | 5.45 | 3.10 | 0.42 |
| 10 kW | 10 kW | On | 95.00 | 29.35 | 22.00 | 21.40 | 97.48 | 5.45 | 2.90 | 0.39 |
| 10 kW | 10 kW | 2kW | 105.2 | 32.00 | 24.06 | 23.47 | 97.54 | 5.16 | 3.10 | 0.42 |
| 10 kW | 10 kW | 4kW | 114.7 | 34.85 | 26.21 | 25.58 | 97.61 | 4.90 | 3.60 | 0.48 |
| 10 kW | 10 kW | 6kW | 124.1 | 37.81 | 28.36 | 22.72 | 97.62 | 4.65 | 3.90 | 0.52 |
| 10 kW | 10 kW | 8kW | 129.1 | 39.25 | 29.48 | 28.78 | 97.62 | 4.60 | 4.00 | 0.54 |
| 10 kW | 10 kW | 10kW | 133.7 | 40.69 | 30.55 | 29.82 | 97.60 | 4.48 | 4.20 | 0.56 |
| Input | DC Output | Efficiency | Insulation Resistance | |
|---|---|---|---|---|
| Power Factor | Voltage Variance | Voltage Ripple | ||
| 0.99 | ±4.4 V | ±0.59% | 98.03% | 486.25 kΩ |
© 2019 by the authors. Licensee MDPI, Basel, Switzerland. This article is an open access article distributed under the terms and conditions of the Creative Commons Attribution (CC BY) license (http://creativecommons.org/licenses/by/4.0/).
Share and Cite
Kim, J.; Kim, H.; Cho, J.; Cho, Y. High-Efficiency Bi-Directional Single-Phase AC/DC Converter Design and Field Application for LVDC Distribution. Energies 2019, 12, 2191. https://doi.org/10.3390/en12112191
Kim J, Kim H, Cho J, Cho Y. High-Efficiency Bi-Directional Single-Phase AC/DC Converter Design and Field Application for LVDC Distribution. Energies. 2019; 12(11):2191. https://doi.org/10.3390/en12112191
Chicago/Turabian StyleKim, Juyong, Hongjoo Kim, Jintae Cho, and Youngpyo Cho. 2019. "High-Efficiency Bi-Directional Single-Phase AC/DC Converter Design and Field Application for LVDC Distribution" Energies 12, no. 11: 2191. https://doi.org/10.3390/en12112191
APA StyleKim, J., Kim, H., Cho, J., & Cho, Y. (2019). High-Efficiency Bi-Directional Single-Phase AC/DC Converter Design and Field Application for LVDC Distribution. Energies, 12(11), 2191. https://doi.org/10.3390/en12112191
