Analytical and Experimental Investigation of the Solar Chimney System
Abstract
1. Introduction
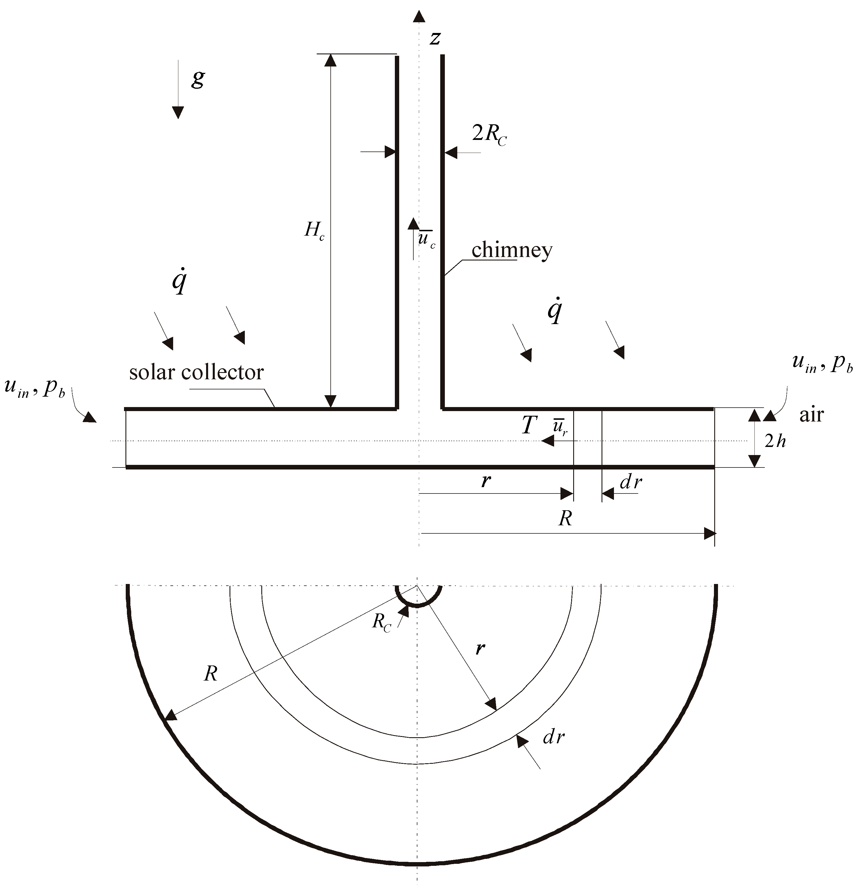
2. Theoretical Model of the Solar Chimney System
2.1. The Analysis of the Air Flow in the Solar Collector
2.2. The Analysis of the Air Flow in the Solar Collector
3. Experimental Investigation
4. Conclusions
Author Contributions
Funding
Conflicts of Interest
Nomenclature
| specific heat at a constant air pressure, ; | |
| gravitational acceleration, ; | |
| chimney height, ; | |
| collector height, ; | |
| ratio, ; | |
| ratio, ; | |
| pressure, ; | |
| barometric pressure, ; | |
| inlet pressure in the chimney, ; | |
| heat flux density, ; | |
| radius of the collector, ; | |
| radius of the chimney, ; | |
| ambient temperature, ; | |
| temperature of air in the collector, ; | |
| temperature of air in the chimney, ; | |
| velocity in the chimney, ; | |
| velocity input into the collector, ; | |
| cylindrical coordinates, ; | |
| convective heat transfer coefficient, ; | |
| heat conductivity of air, ; | |
| heat conductivity of the plate collector, ; | |
| local factor for pressure loss, | |
| kinematic viscosity of air, ; | |
| density of air, ; | |
| dimensionless velocity in the chimney; | |
| dimensionless radius in the chimney; | |
| dimensionless radius in the collector; | |
| dimensionless heat flux density; | |
| dimensionless pressure; | |
| dimensionless temperature; | |
| Biot number; | |
| Galileo number; | |
| Grashof number; | |
| Prandtl number; | |
| Reynolds number. | 
References
- Haaf, W.; Friedrich, K.; Mayr, G.; Schlaich, J. Solar Chimneys—Part I: Principle and Construction of the Pilot Plant in Manzanares. Int. J. Sol. Energy 1983, 2, 3–20. [Google Scholar] [CrossRef]
 - Maia, C.B.; Ferreira, A.G.; Valle, R.M.; Cortez, M.F.B. Theoretical evaluation of the influence of geometric parameter and materials on the behavior of the airflow in a solar chimney. Comput. Fluids 2009, 38, 625–636. [Google Scholar] [CrossRef]
 - Schlaich, J. The Solar Chimney. Electricity from the Sun; Edition Axel Menges: Stuttgart, Germany, 1995. [Google Scholar]
 - Schlaich, J.; Bergermann, R.; Schiel, W.; Weinrebe, G. Sustainable electricity generation with solar updraft towers. Struct. Eng. Int. 2003, 3, 222–229. [Google Scholar] [CrossRef]
 - Kasaeian, A.B.; Molana, S.; Rahmani, K.; Wen, D. A review on solar chimney systems. Renew. Sustain. Energy Rev. 2017, 67, 954–987. [Google Scholar] [CrossRef]
 - Chergui, T.; Larbi, S.; Bouhdjar, A. Thermo-hydrodynamic aspect analysis of flows in solar chimney power plants-a case study. Renew. Sustain. Energy Rev. 2010, 14, 1410–1418. [Google Scholar] [CrossRef]
 - Maia, C.B.; Castro, J.O.; Cabezas-Gómezb, L.; Hanriota, S.M.; Ferreira, A.G. Energy and exergy analysis of the airflow inside a solar chimney. Renew. Sustain. Energy Rev. 2013, 27, 350–361. [Google Scholar] [CrossRef]
 - Naeeni, N.; Yaghoubi, M. Analysis of wind flow around a parabolic collector (1) fluid flow. Renew. Energy 2007, 32, 1898–1916. [Google Scholar] [CrossRef]
 - Naeeni, N.; Yaghoubi, M. Analysis of wind flow around a parabolic collector (2) heat transfer from receiver. Renew. Energy 2007, 32, 1259–1272. [Google Scholar] [CrossRef]
 - Bansal, N.K.; Mathur, J.; Mathur, S.; Jain, M. Modeling of window-sized solar chimneys for ventilation. Build. Environ. 2005, 40, 1302–1308. [Google Scholar] [CrossRef]
 - Khanal, R.; Lei, C. A numerical investigation of buoyancy induced turbulent air flow in an inclined passive wall solar chimney for natural ventilation. Energy Build. 2015, 93, 217–226. [Google Scholar] [CrossRef]
 - Khanal, R.; Lei, C. Ascalinginvestigation of the laminar convective flow in a solar chimney for natural ventilation. Int. J. Heat Fluid Flow 2014, 45, 98–108. [Google Scholar] [CrossRef]
 - Layeni, A.T.; Nwaokocha, C.N.; Giwa, S.O.; Olamide, O.O. Numerical and Analytical Modeling of Solar for Chimney Combined Ventilation and Power in Buildings. Covenant J. Eng. Technol. CJET 2018, 2, 36–58. [Google Scholar]
 - Li, J.; Guo, P.; Wang, Y. Effects of collector radius and chimney height on power output of a solar chimney power plant with turbines. Renew. Energy 2012, 47, 21–28. [Google Scholar] [CrossRef]
 - Lipnicki, Z.; Gortych, M.; Staszczuk, A.; Kuczyński, T. The theoretical analysis of mass and energy flow through solar collector—Chimney system. Civ. Environ. Eng. Rep. 2017, 24, 117–131. [Google Scholar] [CrossRef][Green Version]
 - Mekhail, T.; Rekaby, A.; Fathy, M.; Bassily, M.; Harte, R. Experimental and Theoretical Performance of Mini Solar Chimney Power Plant. J. Clean Energy Technol. 2017, 5, 294–298. [Google Scholar] [CrossRef]
 - Papageorgiou, C. Floating solar chimney with multi-pole generators. In Proceedings of the IASTED International Conference on Power and Energy System, Crete, Greece, 22–24 June 2011; pp. 60–65. [Google Scholar]
 - Cannistraro, G.; Cannistraro, M.; Trovato, G. Islands “Smart Energy” for Eco-Sustainable Energy a Case Study “Favignana Island”. Int. J. Heat Technol. 2017, 35, S87–S95. [Google Scholar] [CrossRef]
 - Asnaghi, A.; Ladjevardi, S.M. Solar chimney power plant performance in Iran. Renew. Sustain. Energy Rev. 2012, 16, 3383–3390. [Google Scholar] [CrossRef]
 - Azizian, K.; Yaghoubi, M.; Niknia, I.; Kanan, P. Analysis of Shiraz Solar Thermal Power Plant Response Time. J. Clean Energy Technol. 2013, 1, 22–26. [Google Scholar] [CrossRef]
 - Hadman, M.O.; Khashan, S. Numerical Investigation of Solar Chimney Power Plant in UAE. In ICREGA’14—Renewable Energy: Generation and Applications; Springer Proceedings in Energy; Springer: Cham, Switzerland, 2014; pp. 513–524. [Google Scholar]
 - Hamdan, M.O. Analytical Thermal Analysis of Solar Chimney Power Plant. In Proceedings of the ASME 2010 4th International Conference on Energy, Phoenix, AZ, USA, 17–22 May 2010. [Google Scholar]
 - Sangi, R. Performance evaluation of solar chimney power plants in Iran. Renew. Sustain. Energy Rev. 2012, 16, 704–710. [Google Scholar] [CrossRef]
 - Tayebi, T.; Djezzar, M. Numerical Analysis of Flows in a Solar Chimney Power Plant with a Curved Junction. Int. J. Energy Sci. 2013, 3, 280–286. [Google Scholar]
 - Zhou, X.; Wang, F.; Ochieng, R.M. A review of solar chimney power technology. Renew. Sustain. Energy Rev. 2010, 14, 2315–2338. [Google Scholar] [CrossRef]
 - Hanna, M.B.; Mekhail, T.A.M.; Dahab, O.M.; Esmail, M.F.C.; Abdel-Rahman, A.R. Experimental and Numerical Investigation of the Solar Chimney Power Plant’s Turbine. Open J. Fluid Dyn. 2016, 6, 332–342. [Google Scholar] [CrossRef][Green Version]
 - Cottam, P.J.; Duffour, P.; Lindstrand, P.; Fromme, P. Effect of canopy profile on solar thermal chimney performance. Sol. Energy 2016, 129, 286–296. [Google Scholar] [CrossRef]
 - Pastohr, H.; Kornat, O.; Gurlebeck, K. Numerical and Analytical Calculations of the Temperature and Flow Field in the Upwind Power Plant. Int. J. Energy Res. 2004, 28, 495–510. [Google Scholar] [CrossRef]
 - Xu, G.L.; Ming, T.Z.; Pan, Y.; Meng, F.L.; Zhou, C. Numerical analysis on the performance of solar chimney power plant system. Energy Convers. Manag. 2011, 52, 876–883. [Google Scholar] [CrossRef]
 - Xu, H.; Karimi, F.; Yang, M. Numerical investigation of thermal characteristics in a solar chimney projects. J. Sol. Energy Eng. 2014, 136, 011008. [Google Scholar] [CrossRef]
 - Koonsrisuk, A.; Chitsomboon, T. Effects of flow are a changes on the potential of solar chimney power plants. Energy 2013, 51, 400–406. [Google Scholar] [CrossRef]
 - Guo, P.; Li, J.; Wang, Y. Numerical simulation of solar chimney power plant with radiation model. Renew. Energy 2014, 62, 24–30. [Google Scholar] [CrossRef]
 - Abdelmohimen, M.A.H.; Algarin, A.A. Numerical investigation of solar chimney power plants performance for Saudi Arabia weather conditions. Sustain. Cities Soc. 2018, 38, 1–8. [Google Scholar] [CrossRef]
 - Pasumarthi, N.; Sherif, S.A. Experimental and theoretical performance of a demonstration solar chimney model: Part I: Mathematical model development. Int. J. Energy Res. 1998, 22, 277–288. [Google Scholar] [CrossRef]
 - Pasumarthi, N.; Sherif, S.A. Experimental and theoretical performance of a demonstration solar chimney model: Part II: Experimental and theoretical results and economic analysis. Int. J. Energy Res. 1998, 22, 443–461. [Google Scholar] [CrossRef]
 - Padki, M.; Sherif, S. On a simple analytical model for solar chimneys. Int. J. Energy Res. 1999, 23, 345–349. [Google Scholar] [CrossRef]
 - Gannon, A.J.; Von Backström, T.W. Controlling and maximizing solar chimney power output. In Proceedings of the 1st International Conference on Heat Transfer, Fluid Mechanics and Thermodynamics, Kruger Park, South Africa, 8–10 April 2002. [Google Scholar]
 - Bernardes, M.A.; Weinrebe, A.V.G. Thermal and technical analyses of solar chimneys. Sol. Energy 2003, 75, 511–524. [Google Scholar] [CrossRef]
 - Zhou, X.; Yang, J.; Xiao, B.; Hou, G. Analysis of chimney height for solar chimney power plant. Appl. Therm. Eng. 2009, 29, 178–185. [Google Scholar] [CrossRef]
 - Guo, P.; Li, J.; Wang, Y. Annual performance analysis of the solar chimney power plant in Sinkiang, China. Energy Convers. Manag. 2014, 87, 392–399. [Google Scholar] [CrossRef]
 - Hamdan, M.O. Analysis of solar chimney power plant utilizing chimney discrete model. Renew. Energy 2013, 56, 50–54. [Google Scholar] [CrossRef]
 







| 5 | 2.39 | 3.75 | 106 | 
| 10 | 4.65 | 5.23 | 105 | 
| 15 | 6.59 | 6.23 | 104 | 
| 20 | 8.85 | 7.22 | 103 | 
| 30 | 12.40 | 8.55 | 100 | 
| 40 | 17.65 | 10.20 | 97 | 
| 50 | 20.15 | 10.91 | 96 | 
| 100 | 37.64 | 14.92 | 88 | 
| No | 1 | 22 | 3 | 4 | 5 | 6 | 7 | 8 | 9 | 10 | 11 | 12 | 13 | 14 | 15 | 16 | 
|---|---|---|---|---|---|---|---|---|---|---|---|---|---|---|---|---|
| 145 | 150 | 400 | 550 | 600 | 610 | 680 | 710 | 715 | 730 | 790 | 800 | 800 | 840 | 845 | 920 | |
| 19.8 | 21.2 | 19.8 | 25.2 | 17.2 | 17.0 | 22.3 | 21.2 | 20.9 | 20.9 | 28.3 | 28.3 | 31.1 | 28.3 | 25.4 | 19.8 | |
| 0.70 | 0.75 | 0.70 | 0.89 | 0.61 | 0.60 | 0.79 | 0.75 | 0.74 | 0.74 | 1.00 | 1.00 | 1.10 | 1.00 | 0.90 | 0.70 | 
© 2019 by the authors. Licensee MDPI, Basel, Switzerland. This article is an open access article distributed under the terms and conditions of the Creative Commons Attribution (CC BY) license (http://creativecommons.org/licenses/by/4.0/).
Share and Cite
Lipnicki, Z.; Gortych, M.; Staszczuk, A.; Kuczyński, T.; Grabas, P. Analytical and Experimental Investigation of the Solar Chimney System. Energies 2019, 12, 2060. https://doi.org/10.3390/en12112060
Lipnicki Z, Gortych M, Staszczuk A, Kuczyński T, Grabas P. Analytical and Experimental Investigation of the Solar Chimney System. Energies. 2019; 12(11):2060. https://doi.org/10.3390/en12112060
Chicago/Turabian StyleLipnicki, Zygmunt, Marta Gortych, Anna Staszczuk, Tadeusz Kuczyński, and Piotr Grabas. 2019. "Analytical and Experimental Investigation of the Solar Chimney System" Energies 12, no. 11: 2060. https://doi.org/10.3390/en12112060
APA StyleLipnicki, Z., Gortych, M., Staszczuk, A., Kuczyński, T., & Grabas, P. (2019). Analytical and Experimental Investigation of the Solar Chimney System. Energies, 12(11), 2060. https://doi.org/10.3390/en12112060
        
