A Modified One-Cycle-Control Method for Modular Multilevel Converters
Abstract
1. Introduction
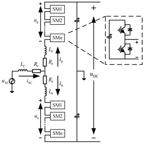
2. Mathematical Model of the MMC
3. OCC for Multiple Modulation Strategies
4. Four-Quadrant Operation for OCC Controlled MMC
4.1. Reactive Power Control
4.2. Inversion
5. Simulation and Experimental Results
5.1. Simulation Results
5.1.1. Basic OCC Controller
5.1.2. Reactive-Power-Controlled OCC Controller
5.1.3. Four-Quadrant OCC Controller
5.2. Experiment Results
6. Conclusions
Author Contributions
Funding
Conflicts of Interest
References
- Perez, M.A.; Bernet, S.; Rodriguez, J.; Kouro, S.; Lizana, R. Circuit Topologies, Modeling, Control Schemes, and Applications of Modular Multilevel Converters. IEEE Trans. Power Electron. 2015, 30, 4–17. [Google Scholar] [CrossRef]
- Debnath, S.; Qin, J.; Bahrani, B.; Saeedifard, M.; Barbosa, P. Operation, Control, and Applications of the Modular Multilevel Converter: A Review. IEEE Trans. Power Electron. 2015, 30, 37–53. [Google Scholar] [CrossRef]
- Perilla, A.; Torres, J.L.R.; van der Meijden, M.A.M.M.; Alefragkis, A.; Lindefelt, A.M. Analysis of a power factor regulation strategy for an embedded point-to-point MMC-HVDC system. In Proceedings of the 2018 IEEE International Energy Conference (ENERGYCON), Limassol, Cyprus, 3–7 June 2018; pp. 1–6. [Google Scholar]
- Li, H.; Potty, K.; Ke, Z.; Pan, J.; Chen, Y.; Zhang, F.; Sabbagh, M.A.; Perdikakis, W.; Li, G.; Ye, X.; et al. Hardware design of a 1.7 kV SiC MOSFET based MMC for medium voltage motor drives. In Proceedings of the 2018 IEEE Applied Power Electronics Conference and Exposition (APEC 2018), San Antonio, TX, USA, 4–8 March 2018; pp. 1649–1655. [Google Scholar]
- Rojas, C.A.; Kouro, S.; Perez, M.A.; Echeverria, J. DC–DC MMC for HVDC Grid Interface of Utility-Scale Photovoltaic Conversion Systems. IEEE Trans. Ind. Electron. 2018, 65, 352–362. [Google Scholar] [CrossRef]
- Bahrani, B.; Kenzelmann, S.; Rufer, A. Multivariable-PI-Based dq Current Control of Voltage Source Converters with Superior Axis Decoupling Capability. IEEE Trans. Ind. Electron. 2011, 58, 3016–3026. [Google Scholar] [CrossRef]
- Wang, J.; Liang, J.; Wang, C.; Dong, X. Circulating Current Suppression for MMC-HVDC under Unbalanced Grid Conditions. IEEE Trans. Ind. Appl. 2017, 53, 3250–3259. [Google Scholar] [CrossRef]
- Yang, Q.; Saeedifard, M.; Perez, M.A. Sliding Mode Control of the Modular Multilevel Converter. IEEE Trans. Ind. Electron. 2019, 66, 887–897. [Google Scholar] [CrossRef]
- Gong, Z.; Wu, X.; Dai, P.; Zhu, R. Modulated Model Predictive Control for MMC-based Active Front-End Rectifiers Under Unbalanced Grid Conditions. IEEE Trans. Ind. Electron. 2019, 66, 2398–2409. [Google Scholar] [CrossRef]
- Zhang, M.; Huang, L.; Yao, W.; Lu, Z. Circulating Harmonic Current Elimination of a CPS-PWM-Based Modular Multilevel Converter with a Plug-In Repetitive Controller. IEEE Trans. Power Electron. 2014, 29, 2083–2097. [Google Scholar] [CrossRef]
- Smedley, K.M.; Cuk, S. One-cycle control of switching converters. IEEE Trans. Power Electron. 1995, 10, 625–633. [Google Scholar] [CrossRef]
- Chen, G.; Smedley, K.M. Steady-State and Dynamic Study of One-Cycle-Controlled Three-Phase Power-Factor Correction. IEEE Trans. Ind. Electron. 2005, 52, 355–362. [Google Scholar] [CrossRef]
- Jin, T.; Smedley, K.M. Operation of One-Cycle Controlled Three-Phase Active Power Filter With Unbalanced Source and Load. IEEE Trans. Power Electron. 2006, 21, 1403–1412. [Google Scholar] [CrossRef]
- Sreeraj, E.S.; Prejith, E.K.; Chatterjee, K.; Bandyopadhyay, S. An Active Harmonic Filter Based on One-Cycle Control. IEEE Trans. Power Electron. 2014, 61, 3799–3809. [Google Scholar] [CrossRef]
- Wang, L.; Han, X.; Ren, C.; Yang, Y.; Wang, P. A Modified One-Cycle-Control-Based Active Power Filter for Harmonic Compensation. IEEE Trans. Ind. Electron. 2018, 65, 738–748. [Google Scholar] [CrossRef]
- Sreeraj, E.S.; Chatterjee, K.; Bandyopadhyay, S. One-Cycle-Controlled Single-Stage Single-Phase Voltage-Sensorless Grid-Connected PV System. IEEE Trans. Ind. Electron. 2013, 60, 1216–1224. [Google Scholar] [CrossRef]
- Nimesh, V.; John, V. Dual comparison one cycle control for single phase bi-directional power converters. In Proceedings of the 2016 IEEE International Conference on Power Electronics, Drives and Energy Systems (PEDES), Trivandrum, India, 14–17 December 2016; pp. 1–6. [Google Scholar]
- Miao, H.; Mei, J.; Zheng, J.; Zhang, C.; Zhu, C.; Ma, T.; Mei, F. An Improved MMC Control Strategy with Single-Phase to Ground Fault-Tolerance Capability. J. Electr. Eng. Technol. 2016, 11, 1242–1252. [Google Scholar] [CrossRef]
- Smedley, K.M.; Zhou, L.; Qiao, C. Unified constant-frequency integration control of active power filters-steady-state and dynamics. IEEE Trans. Power Electron. 2001, 16, 428–436. [Google Scholar] [CrossRef]
- Siemaszko, D. Fast Sorting Method for Balancing Capacitor Voltages in Modular Multilevel Converters. IEEE Trans. Power Electron. 2015, 30, 463–470. [Google Scholar] [CrossRef]
- Ricco, M.; Mathe, L.; Monmasson, E.; Teodorescu, R. FPGA-Based Implementation of MMC Control Based on Sorting Networks. Energies 2018, 11, 2394. [Google Scholar] [CrossRef]
- Zhou, F.; Luo, A.; Li, Y.; Xu, Q.; He, Z.; Guerrero, J.M. Double-Carrier Phase-Disposition Pulse Width Modulation Method for Modular Multilevel Converters. Energies 2017, 10, 581. [Google Scholar] [CrossRef]
- Moranchel, M.; Huerta, F.; Sanz, I.; Bueno, E.; Rodríguez, F. A Comparison of Modulation Techniques for Modular Multilevel Converters. Energies 2016, 9, 1091. [Google Scholar] [CrossRef]


























| Control Strategies | Phase Locked Loop (PLL) | Controller Structure | Calculation | Robustness | Modulation Strategy | Steady-State Error |
|---|---|---|---|---|---|---|
| PI | Yes | Common | Middle | Strong | Unlimited | No |
| PR | Yes | Common | Small | Less | Unlimited | No |
| FCS-MPC | Yes | Complex | Large | Less | Unlimited | No |
| OCC [18] | No | Simple | Small | Strong | Limited | Yes |
| Modified OCC | Yes | Simple | Small | Strong | Unlimited | No |
| Symbol | Description | Value |
|---|---|---|
| AC system voltage | 110 V(rms) | |
| Power frequency | 50 Hz | |
| DC-side voltage | 330 V | |
| N | Number of SMs in each arm | 4 |
| SM capacitance | ||
| Arm inductance | 14.7 mH | |
| Control frequency | 10 kHz | |
| Equivalent control frequency | 40 kHz |
© 2019 by the authors. Licensee MDPI, Basel, Switzerland. This article is an open access article distributed under the terms and conditions of the Creative Commons Attribution (CC BY) license (http://creativecommons.org/licenses/by/4.0/).
Share and Cite
Tian, X.; Ma, Y.; Yu, J.; Wang, C.; Cheng, H. A Modified One-Cycle-Control Method for Modular Multilevel Converters. Energies 2019, 12, 157. https://doi.org/10.3390/en12010157
Tian X, Ma Y, Yu J, Wang C, Cheng H. A Modified One-Cycle-Control Method for Modular Multilevel Converters. Energies. 2019; 12(1):157. https://doi.org/10.3390/en12010157
Chicago/Turabian StyleTian, Xu, Yue Ma, Jintao Yu, Cong Wang, and Hong Cheng. 2019. "A Modified One-Cycle-Control Method for Modular Multilevel Converters" Energies 12, no. 1: 157. https://doi.org/10.3390/en12010157
APA StyleTian, X., Ma, Y., Yu, J., Wang, C., & Cheng, H. (2019). A Modified One-Cycle-Control Method for Modular Multilevel Converters. Energies, 12(1), 157. https://doi.org/10.3390/en12010157
