Improved Current Doubler Rectifier
Abstract
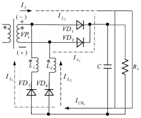
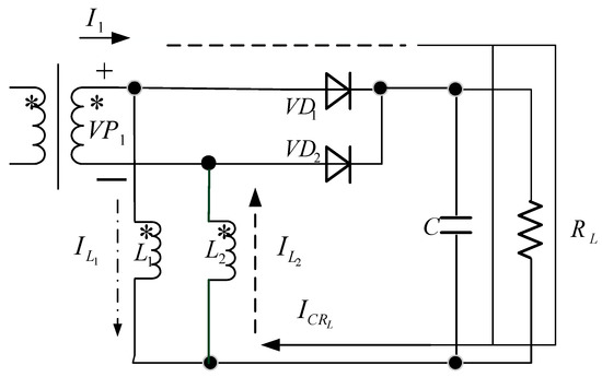
:1. Introduction
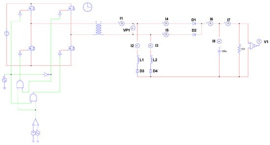
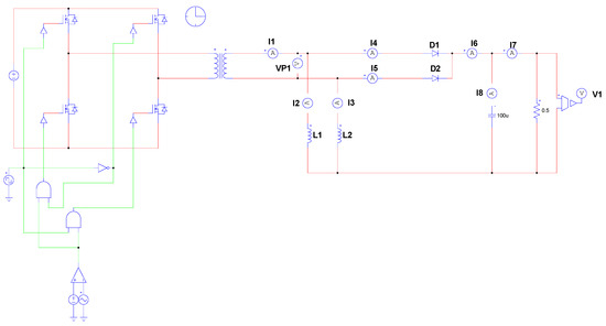
2. Computer Simulation Results
3. Experimental Investigation
4. Conclusions
Funding
Conflicts of Interest
References
- Balogh, L. The Current-Doubler Rectifier: An Alternative Rectification Technique for Push-Pull and Bridge Converters; Design Note 63; Texas Instruments: Dallas, TX, USA, December 1994; pp. 4-79–4-81. [Google Scholar]
- Mappus, S. PWM IC’s AB Outputs Drive Synchronous Rectifier. Power Electron. Technol. 2003, 2, 52–56. [Google Scholar]
- Texas Instruments. Control Driven Synchronous Rectifiers in Phase Shifted Full Bridge Converters; Application Note SLUA287; Texas Instruments: Dallas, TX, USA, March 2003. [Google Scholar]
- Chiang, B.P.; Hu, M. Switching Analysis of Synchronous Rectifier MOSFET’s with Phase Shifted Full-Bridge Converter and Current Doubler; Application Note 833; Vishay Siliconix: Mansfield, TX, USA, October 2007. [Google Scholar]
- Texas Instruments. Using the UCC3895 in a Direct Control Driven Synchronous Rectifier Applications; User’s Guide SLUU109B; Texas Instruments: Dallas, TX, USA, February 2009. [Google Scholar]
- Garsia, R. ISL6752/54EVAL1Z ZVS DC/DC Power Supply with Synchronous Rectifier User Guide; AN1603; Intersil: Pettas, CA, USA, June 2011. [Google Scholar]
- Wu, T.F.; Tsai, C.; Chang, Y.; Chen, Y. Analysis and Implementation of an Improved Current-Doubler Rectifier with Coupled Inductors. IEEE Trans. Power Electron. 2008, 23, 2681–2693. [Google Scholar]
- Huber, L.; Jovanovic, M.H. Forward-Flyback Converter with Current-Doubler Rectifier with Coupled Inductors: Analysis, Design, and Evaluation Results. IEEE Trans. Power Electron. 1999, 14, 184–192. [Google Scholar] [CrossRef]
- Batarseh, I.; Abu-Quahouq, J.; Mao, H. DC-DC Converter with Coupled-Inductors Current-Doubler. U.S. Patent 6982887B2, 3 January 2006. [Google Scholar]
- Texas Instruments. Current Doubler Rectifier Offers Ripple Cancelation; Application Note SLUA323; Texas Instruments: Dallas, TX, USA, September 2004. [Google Scholar]
- Texas Instruments. UCC3895 Phase Shift PWM Controller EVM Kit Setup and Usage; User Guide SLUU069A; Texas Instruments: Dallas, TX, USA, September 2000. [Google Scholar]
- Lin, B.R.; Huang, K.; Wang, D. Analysis and implementation of full-bridge converter with current doubler rectifier. IEE Proc. Electr. Power Appl. 2005, 152, 1193–1202. [Google Scholar] [CrossRef]
- Renesas Electronics Corporation. ISL 6752/54 EVAL1Z-ZVS DC/DC Power Supply with Synchronous Rectifiers Evaluation Board; AN1603; Renesas Electronics Corporation: Tokyo, Japan, May 2018. [Google Scholar]
- Balogh, L. 100 W, 400 kHz DC/DC Converter with Current Doubler Synchronous Rectification Achives 92% Efficiency; Texas Instruments: Dallas, TX, USA, 2000. [Google Scholar]
- Mao, H.; Yao, L.; Deng, S.; Batarseh, I.; Abdel-Rahman, O.; Liu, J.; Batarseh, I. Inductor Current Sharing of Current Doubler Rectifier in Isolated DC-DC Converters. In Proceedings of the 21st Annual IEEE Applied Power Electronics Conference and Exposition, Dallas, TX, USA, 19–23 March 2006; pp. 770–775. [Google Scholar]
- Song, H.; Zhang, Y.; Zhang, Y. An Improved Current-Doubler Rectifier for the Marine Controlled Source Electromagnetic Transmitter. Math. Probl. Eng. 2018. [Google Scholar] [CrossRef]
- Sun, J.; Webb, K.F.; Mehrotra, V. An Improved Current-Doubler Rectifier with Integrated Magnetics. In Proceedings of the 17th Annual IEEE Applied Power Electronics Conference and Exposition, Dallas, TX, USA, 10–14 March 2002. [Google Scholar] [CrossRef]
- Ruan, X.; Wang, Y. Calculation of the Resonant Capacitor on the Improved Current-Doubler Rectifier ZVS PWM Full-Bridge Converter. IEEE Trans. Ind. Electron. 2004, 51, 518–520. [Google Scholar] [CrossRef]












© 2018 by the author. Licensee MDPI, Basel, Switzerland. This article is an open access article distributed under the terms and conditions of the Creative Commons Attribution (CC BY) license (http://creativecommons.org/licenses/by/4.0/).
Share and Cite
Antchev, M. Improved Current Doubler Rectifier. Energies 2018, 11, 2485. https://doi.org/10.3390/en11092485
Antchev M. Improved Current Doubler Rectifier. Energies. 2018; 11(9):2485. https://doi.org/10.3390/en11092485
Chicago/Turabian StyleAntchev, Mihail. 2018. "Improved Current Doubler Rectifier" Energies 11, no. 9: 2485. https://doi.org/10.3390/en11092485
APA StyleAntchev, M. (2018). Improved Current Doubler Rectifier. Energies, 11(9), 2485. https://doi.org/10.3390/en11092485
