A Compensation Control Scheme of Voltage Unbalance Using a Combined Three-Phase Inverter in an Islanded Microgrid
Abstract
1. Introduction
2. Cause of Voltage Unbalance with Conventional Droop Control
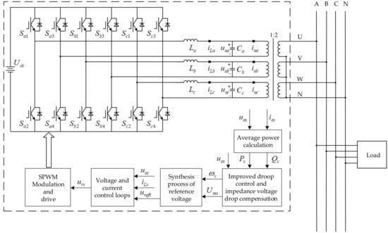
2.1. Circuit Configuration and Operating Principle
2.2. Influence of Unbalanced Loads and System Impedances on Voltage Symmetry
3. Symmetrical Control Strategy of Three-Phase Voltages
3.1. Calculation of Average Power
3.2. Improved Droop Control Strategy and Impedance Voltage Drop Compensation
3.3. Reference Voltage Synthesis
3.4. The Voltage and Current Controller
4. Simulation and Experimental Verification
4.1. Simulation Verification
4.2. Experimental Verification
5. Conclusions
Author Contributions
Funding
Conflicts of Interest
Nomenclature
| X = a, b, c | Three-phase coordinate. |
| ω* | Angle frequency of voltage at no-load. |
| E* | Amplitude of voltage at no-load. |
| ωx | Angle frequency. |
| Ex | Voltage amplitude. |
| kp, kq | Droop coefficients of active power-frequency and reactive power-amplitude. |
| ox, | Inverter output voltage and output current. |
| Inverter filter inductance current. | |
| Px, Qx | Average active power and reactive power. |
| urefx, irefx | Reference voltage and reference current. |
| Zox | Inverter output impedance. |
| kvp, kr | Proportion coefficient and resonant coefficient of voltage controller. |
| ωh | Resonant bandwidth. |
| kc | Proportional coefficient of current controller. |
| Kpwm | Gain of pulse width modulation. |
| udc | DC link voltage. |
| L | Filter inductance. |
| Each-phase adjusted voltage amplitude at no load with improved droop control. | |
| ΔEx* | Impedance voltage drop compensation. |
| Peak value of AC bus voltage. | |
| Gv(s), Gi(s) | Transfer functions of voltage controller and current controller. |
| Gx(s) | System closed-loop transfer function. |
| Go(s) | System open-loop transfer function. |
| SPWM | Sinusoidal pulse width modulation. |
| VSC | Voltage source converter. |
| DER | Distributed energy sources. |
| APF | Active power filter. |
| STATCOM | Static synchronous compensator. |
| DG | Distributed generation. |
References
- Han, Y.; Shen, P.; Zhao, X.; Guerrero, J.M. Control Strategies for Islanded Microgrid Using Enhanced Hierarchical Control Structure with Multiple Current-Loop Damping Schemes. IEEE Trans. Smart Grid 2017, 8, 1139–1153. [Google Scholar] [CrossRef]
- Baghaee, H.R.; Mirsalim, M.; Gharehpetian, G.B. Three-phase AC/DC power-flow for balanced/unbalanced microgrids including wind/solar, droop-controlled and electronically-coupled distributed energy resources using radial basis function neural networks. IET Power Electron. 2017, 10, 313–328. [Google Scholar] [CrossRef]
- Dawoud, S.M.; Lin, X.; Okba, M.I. Hybrid renewable microgrid optimization techniques: A review. Renew. Sustain. Energy Rev. 2018, 82, 2039–2052. [Google Scholar] [CrossRef]
- Guerrero, J.M.; Loh, P.C.; Lee, T.L.; Chandorkar, M. Advanced control architectures for intelligent microgrids-part II: Power quality, energy storage, and AC/DC microgrids. IEEE Trans. Ind. Electron. 2013, 60, 1263–1270. [Google Scholar] [CrossRef]
- Ou, T.C.; Lu, K.H.; Huang, C.J. Improvement of Transient Stability in a Hybrid Power Multi-System Using a Designed NIDC. Energies 2017, 10, 488. [Google Scholar] [CrossRef]
- Lin, L.; Ma, H.; Bai, Z. An improved proportional load-sharing strategy for meshed parallel inverters system with complex impedances. IEEE Trans. Power Electron. 2017, 32, 7338–7351. [Google Scholar] [CrossRef]
- Marchiano, M.; David, M.J.; Rayworth, E.A. Power Generation Load Sharing Using Droop Control in an Island System. IEEE Trans. Ind. Appl. 2018, 54, 1890–1898. [Google Scholar] [CrossRef]
- Zhang, D.; Wang, F.F.; Burgos, R.; Boroyevich, D. Common-mode circulating current control of paralleled interleaved three-phase two-level voltage-source converters with discontinuous space-vector modulation. IEEE Trans. Power Electron. 2011, 26, 3925–3935. [Google Scholar] [CrossRef]
- Hosseinzadeh, M.; Farzad, R.S. Robust Optimal Power Management System for a Hybrid AC/DC Micro-Grid. IEEE Trans. Sustain. Energy 2015, 6, 675–687. [Google Scholar] [CrossRef]
- Hosseinzadeh, M.; Farzad, R.S. Power management of an isolated hybrid AC/DC micro-grid with fuzzy control of battery banks. IET Renew. Power Gener. 2015, 9, 484–493. [Google Scholar] [CrossRef]
- Leonardo, R.L.; Fabricio, B.; Calebe, H.O.L.; Marcelo, C.C. Reactive power and current harmonic control using a dual hybrid power filter for unbalanced non-linear loads. Energies 2018, 11, 1392. [Google Scholar]
- Han, Y.; Shen, P.; Zhao, X.; Josep, M.G. An enhanced power sharing scheme for voltage unbalance and harmonics compensation in an islanded ac microgrid. IEEE Trans. Energy Convers. 2016, 31, 1037–1050. [Google Scholar] [CrossRef]
- Mehdi, S.; Alireza, J.; Juan, C.V.; Josep, M.G. Secondary control scheme for voltage unbalance compensation in an islanded droop-controlled microgrid. IEEE Trans. Smart Grid 2012, 3, 797–807. [Google Scholar]
- Mehdi, S.; Alireza, J.; Juan, C.V. Autonomous Voltage Unbalance Compensation in an Islanded Droop-Controlled Microgrid. IEEE Trans. Ind. Electron. 2013, 60, 1390–1402. [Google Scholar]
- Liu, Q.; Tao, Y.; Liu, X.; Deng, Y.; He, X. Voltage unbalance and harmonics compensation for islanded microgrid inverters. IET Power Electron. 2014, 7, 1055–1063. [Google Scholar] [CrossRef]
- Vyawahare, D.; Chandorkar, M. Distributed generation system with hybrid inverter interfaces for unbalanced loads. In Proceedings of the 2015 IEEE 6th International Symposium on Power Electronics for Distributed Generation Systems, Aachen, Germany, 22–25 June 2015. [Google Scholar]
- Quentin, T.; Ionel, V.; Aitor, E. Hybrid Energy Storage System Microgrids Integration for Power Quality Improvement Using Four-Leg Three-Level NPC Inverter and Second-Order Sliding Mode Control. IEEE Trans. Ind. Electron. 2018, 65, 424–435. [Google Scholar]
- Ruben, L.; Juan, M.M.; Antonio, G.E.; Mehdi, S.; Josep, M.G. Grid-forming VSC control in four-wire systems with unbalanced nonlinear loads. Electr. Power Syst. Res. 2017, 152, 249–256. [Google Scholar]
- Ou, T.C. A novel unsymmetrical faults analysis for microgrid distribution systems. Int. J. Electr. Power Energy Syst. 2012, 43, 1017–1024. [Google Scholar] [CrossRef]
- Bina, M.T.; Kashefi, A. Three-phase unbalance of distribution systems: Complementary analysis and experimental case study. Int. J. Electr. Power Energy Syst. 2011, 33, 817–826. [Google Scholar] [CrossRef]
- Ritwik, M.; Balarko, C.; Arindam, G.; Rajat, M.; Gerard, L.; Firuz, Z. Improvement of stability and load sharing in an autonomous microgrid using supplementary droop control loop. IEEE Trans. Power Syst. 2010, 25, 796–808. [Google Scholar]
- Qobad, S.; Josep, M.G.; Juan, C.V. Distributed secondary control for islanded microgrids-a novel approach. IEEE Trans. Power Electron. 2014, 29, 1018–1031. [Google Scholar]
- Han, Y.; Li, H.; Shen, P.; Ernane, A.A.C.; Josep, M.G. Review of active and reactive power sharing strategies in hierarchical controlled microgrids. IEEE Trans. Power Electron. 2017, 32, 2427–2451. [Google Scholar] [CrossRef]
- He, J.; Li, Y.; Frede, B. An enhanced islanding microgrid reactive power, imbalance power, and harmonic power sharing scheme. IEEE Trans. Power Electron. 2015, 30, 3389–3401. [Google Scholar] [CrossRef]



















| Parameters | Value |
|---|---|
| Filter inductor La, Lb, Lc (mH) | 0.85 |
| Filter capactior Ca, Cb, Cc (uF) | 30, 30, 30 |
| Direct current bus voltage Udc (V) | 100 |
| Balanced three-phase load Ra, Rb, Rc | 40 Ω |
| Unbalanced three-phase load Za, Zb, Zc | 40 Ω + 80 mh, 80 Ω + 40 mh, 0 |
| Switching frequency (Hz) | 10 k |
| Droop coefficient kp, kq | 8.5 × 10−5, 1 × 10−4 |
| Voltage controller kvp and kr | 10.113, 0.18 |
| Current controller kc | 9.8814 |
| Impedance voltage drop compensation kup, kui | 0.3, 7 |
| Kpwm | 1 |
| Control Strategy | Unbalanced Degree/% |
|---|---|
| Traditional droop control | 2.5 |
| Improved droop control | 0.55 |
| Improved droop control and impedance Voltage drop compensation | 0.25 |
© 2018 by the authors. Licensee MDPI, Basel, Switzerland. This article is an open access article distributed under the terms and conditions of the Creative Commons Attribution (CC BY) license (http://creativecommons.org/licenses/by/4.0/).
Share and Cite
Ren, B.; Sun, X.; Chen, S.; Liu, H. A Compensation Control Scheme of Voltage Unbalance Using a Combined Three-Phase Inverter in an Islanded Microgrid. Energies 2018, 11, 2486. https://doi.org/10.3390/en11092486
Ren B, Sun X, Chen S, Liu H. A Compensation Control Scheme of Voltage Unbalance Using a Combined Three-Phase Inverter in an Islanded Microgrid. Energies. 2018; 11(9):2486. https://doi.org/10.3390/en11092486
Chicago/Turabian StyleRen, Biying, Xiangdong Sun, Shasha Chen, and Huan Liu. 2018. "A Compensation Control Scheme of Voltage Unbalance Using a Combined Three-Phase Inverter in an Islanded Microgrid" Energies 11, no. 9: 2486. https://doi.org/10.3390/en11092486
APA StyleRen, B., Sun, X., Chen, S., & Liu, H. (2018). A Compensation Control Scheme of Voltage Unbalance Using a Combined Three-Phase Inverter in an Islanded Microgrid. Energies, 11(9), 2486. https://doi.org/10.3390/en11092486

