Improved Three-Phase AFD Islanding Detection Based on Digital Control and Non-Detection Zone Elimination
Abstract
1. Introduction
2. Three-Phase AFD Method
2.1. Principle of the Three-Phase AFD Method
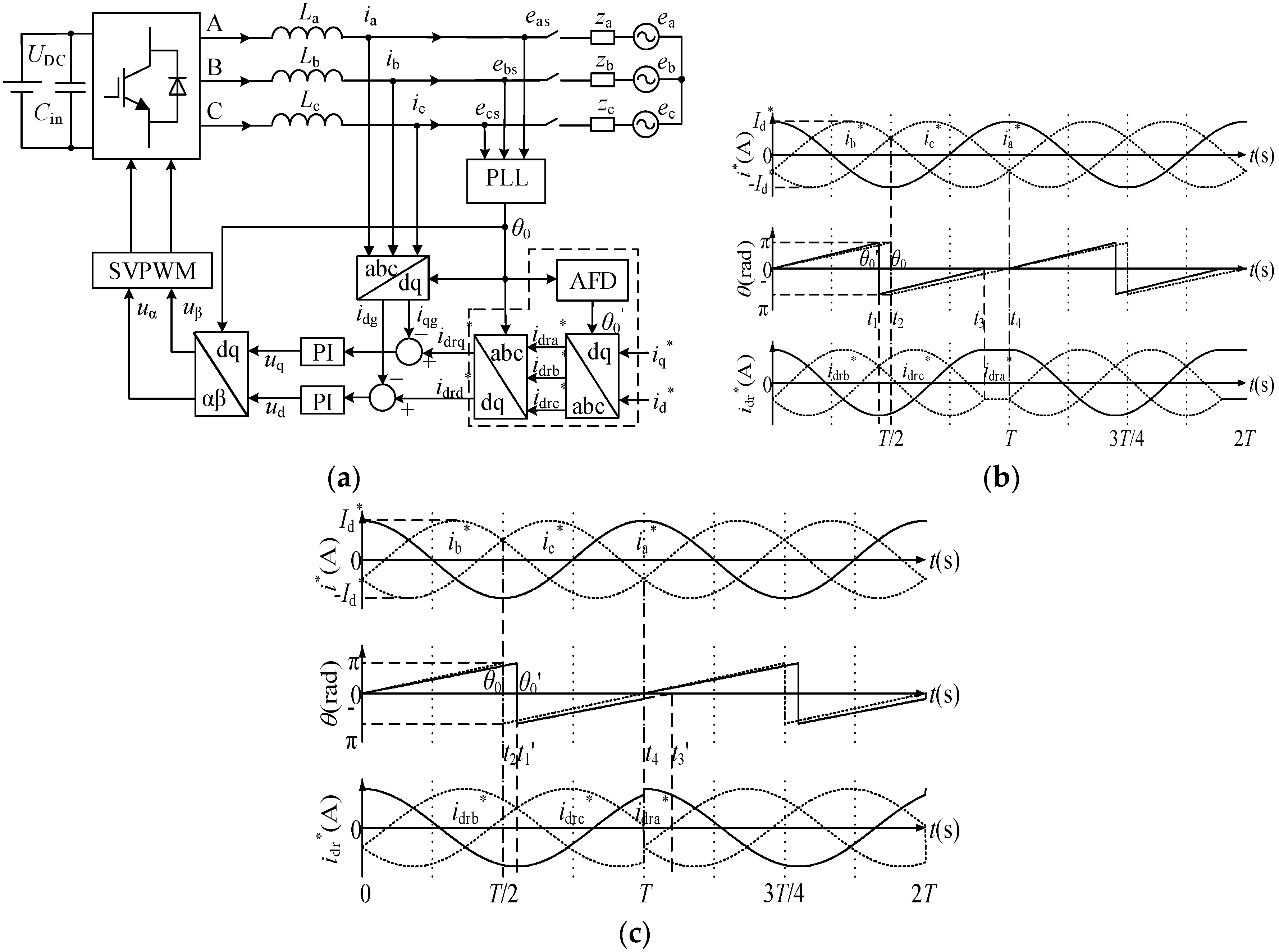
2.2. AFD Control Strategy in the Digital Control System
2.3. Comparison between the Existing Method and the Proposed Method
3. Analysis of the Non-Detection Zone
3.1. Detection Process and Parameter Calculations
3.2. Cause of the Non-Detection Zone
4. Elimination of the Non-Detection Zone
5. Simulation and Experimental Verification
6. Conclusions
Author Contributions
Funding
Conflicts of Interest
References
- Guzman, R.; de Vicuna, L.G.; Castilla, M.; Miret, J.; Martin, H. Variable Structure Control in Natural Frame for Three-Phase Grid-Connected Inverters with LCL Filter. IEEE Trans. Power Electron. 2018, 33, 4512–4522. [Google Scholar] [CrossRef]
- Muda, H.; Jena, P. Phase angle-based PC technique for islanding detection of distributed generations. IET Renew. Power Gener. 2018, 12, 735–746. [Google Scholar] [CrossRef]
- Jia, K.; Wei, H.S.; Bi, T.S.; Thomas, D.W.P.; Sumner, M. An Islanding Detection Method for Multi-DG Systems Based on High-Frequency Impedance Estimation. IEEE Trans. Sustain. Energy 2017, 8, 74–83. [Google Scholar] [CrossRef]
- Bayrak, G.; Kabalci, E. Implementation of a new remote islanding detection method for wind–solar hybrid power plants. Renew. Sustain. Energy Rev. 2016, 58, 1–15. [Google Scholar] [CrossRef]
- Zheng, X.X.; Xiao, L.; Qin, W.W.; Zhang, Q. A New Islanding Detection Method based on the Feature Recognition Technology. J. Power Electron. 2016, 16, 760–768. [Google Scholar] [CrossRef]
- Haider, R.; Kim, C.H.; Ghanbari, T.; Bukhari, S.B.A.; Zaman, M.S.U.; Baloch, S.; Oh, Y.S. Passive islanding detection scheme based on autocorrelation function of modal current envelope for photovoltaic units. IET Gener. Transm. Distrib. 2018, 12, 726–736. [Google Scholar] [CrossRef]
- Biaz, B.M.; Ferreira, V.H.; Fortes, M.Z.; Lopes, T.T.; Lima, G.B.A. Islanding Detection in Distributed Generation using Unsupervised Learning Techniques. IEEE Latin Am. Trans. 2018, 16, 118–125. [Google Scholar] [CrossRef]
- Pinto, S.J.; Panda, G. Performance evaluation of WPT based islanding detection for grid-connected PV systems. Int. J. Electr. Power Energy Syst. 2016, 78, 537–546. [Google Scholar] [CrossRef]
- Petrella, R.; Revelant, A.; Stocco, P. Advances on inter-harmonic variable-frequency injection-based grid-impedance estimation methods suitable for PV inverters. In Proceedings of the 2009 IEEE Energy Conversion Congress and Exposition (ECCE 2009), San Jose, CA, USA, 20–24 September 2009. [Google Scholar]
- Garcia, P.; Sumner, M.; Navarro-Rodriguez, A.; Guerrero, J.M.; Garcia, J. Observer-Based Pulsed Signal Injection for Grid Impedance Estimation in Three-Phase Systems. IEEE Trans. Ind. Electron. 2018, 65, 7888–7899. [Google Scholar] [CrossRef]
- Keawthai, S.; Po-Ngam, S. Simplified active power and reactive power control with MPPT and islanding detection for three-phase grid-connected photovoltaic inverters. In Proceedings of the 2015 12th International Conference on Electrical Engineering/Electronics, Computer, Telecommunications and Information Technology (ECTI-CON), Hua Hin, Thailand, 24–27 June 2015. [Google Scholar]
- Mohamad, A.M.I.; Mohamed, Y.A.R.I. Analysis and Mitigation of Interaction Dynamics in Active DC Distribution Systems With Positive Feedback Islanding Detection Schemes. IEEE Trans. Power Electron. 2018, 33, 2751–2773. [Google Scholar] [CrossRef]
- Das, P.P.; Chattopadhyay, S. A Voltage-Independent Islanding Detection Method and Low-Voltage Ride Through of a Two-Stage PV Inverter. IEEE Trans. Ind. Appl. 2018, 54, 2773–2783. [Google Scholar] [CrossRef]
- Patrao, I.; González-Medina, R.; Marzal, S.; Garcera, G.; Figueres, E. Synchronization of Power Inverters in Islanded Microgrids Using an FM-Modulated Signal. IEEE Trans. Smart Grid. 2017, 8, 503–510. [Google Scholar] [CrossRef]
- Mazhari, I.; Beghou, L.; Enslin, J.; Parkhideh, B.; Bhowmik, S. Locking frequency band exposure method for islanding detection and prevention in distributed generation. In Proceedings of the 2014 IEEE Energy Conversion Congress and Exposition (ECCE), Pittsburgh, PA, USA, 14–18 September 2014. [Google Scholar]
- Chen, X.L.; Li, Y.L. An Islanding Detection Method for Inverter-Based Distributed Generators Based on the Reactive Power Disturbance. IEEE Trans. Power Electron. 2016, 31, 3559–3574. [Google Scholar] [CrossRef]
- Mohanty, S.R.; Kishor, N.; Ray, P.K.; Catalao, J.P.S. Comparative study of advanced signal processing techniques for islanding detection in a hybrid distributed generation system. IEEE Trans. Sustain. Energy 2015, 6, 122–131. [Google Scholar] [CrossRef]
- Manohar, M.; Koley, E.; Ghosh, S. Reliable protection scheme for PV integrated microgrid using an ensemble classifier approach with real-time validation. IET Sci. Meas. Technol. 2018, 12, 200–208. [Google Scholar] [CrossRef]
- Dong, D.; Wen, B.; Mattavelli, P.; Boroyevich, D.; Xue, Y.S. Modeling and design of islanding detection using phase-locked loops in Three-Phase grid-interface power converters. IEEE J. Emergy Sel. Top. Power Electron. 2014, 2, 1032–1040. [Google Scholar] [CrossRef]
- Bakhshi, R.; Sadeh, J. Voltage positive feedback based active method for islanding detection of photovoltaic system with string inverter using sliding mode controller. Sol. Energy 2016, 137, 564–577. [Google Scholar] [CrossRef]
- Serban, E.; Pondiche, C.; Ordonez, M. Islanding Detection Search Sequence for Distributed Power Generators Under AC Grid Faults. IEEE Trans. Power Electron. 2015, 30, 3106–3121. [Google Scholar] [CrossRef]
- Munoz-Cruzado-Alba, J.; Villegas-Nunez, J.; Vite-Frias, J.A.; Carrasco-Solis, J.M.; Galvan-Diez, E. New Low-Distortion–Droop Plus Correlation Anti-Islanding Detection Method for Power Converters in Distributed Generation Systems. IEEE Trans. Ind. Electron. 2015, 62, 5072–5081. [Google Scholar] [CrossRef]
- Liu, M.; Zhao, W.; Huang, S.; Wang, Q.; Shi, K. Problems in the Classic Frequency Shift Islanding Detection Methods Applied to Energy Storage Converters and a Coping Strategy. IEEE Trans. Energy Convers. 2018, 33, 496–505. [Google Scholar] [CrossRef]
- Yafaoui, A.; Wu, B.; Kouro, S. Improved active frequency drift anti-islanding detection method for grid connected photovoltaic systems. IEEE Trans. Power Electron. 2012, 27, 2367–2375. [Google Scholar] [CrossRef]
- Samet, H.; Hashemi, F.; Ghanbari, T. Minimum non detection zone for islanding detection using an optimal Artificial Neural Network algorithm based on PSO. Renew. Sustain. Energy Rev. 2015, 52, 1–18. [Google Scholar] [CrossRef]
- Kim, B.-H.; Sul, S.-K. Comparison of Non-Detection Zone of frequency drift anti-islanding with closed-loop power controlled Distributed Generators. In Proceedings of the 2015 IEEE 2nd International Future Energy Electronics Conference (IFEEC), Taipei, Taiwan, 1–4 November 2015. [Google Scholar]
- Liu, S.J.; Zhuang, S.X.; Xu, Q.; Xiao, J. Improved voltage shift islanding detection method for multi-inverter grid-connected photovoltaic systems. IET Gener. Transm. Distrib. 2016, 10, 3163–3169. [Google Scholar] [CrossRef]
- Hasan, R.; Mekhilef, S.; Seyedmahmoudian, M.; Horan, B. Grid-connected isolated PV microinverters: A review. Renew. Sustain. Energy Rev. 2017, 67, 1065–1080. [Google Scholar] [CrossRef]
- Ge, Y.Y.; Sun, J.J.; Gang, W.; Gao, Z.Q.; Li, Y. Improved Active Frequency Drift Anti-Islanding Detection Method. In Proceedings of the 2015 International Conference on Materials Engineering and Information Technology Applications (MEITA), Guilin, China, 30–31 August 2015. [Google Scholar]
- Guo, X.Q.; Wang, H.B.; Zhang, Y.; San, G.C. Experimental verification of a new positive feedback islanding detection method for grid-connected inverter. J. Eng. Res. 2016, 4, 85–94. [Google Scholar]
- Lee, K.J.; Lee, J.P.; Shin, D.; Yoo, D.W.; Kim, H.J. A Novel Grid Synchronization PLL Method Based on Adaptive Low-Pass Notch Filter for Grid-Connected PCS. IEEE Trans. Ind. Electron. 2014, 61, 292–301. [Google Scholar] [CrossRef]














| Parameters | iag | ibg | icg |
|---|---|---|---|
| Phase Angle/° | −3.0 | 237.5 | 117.5 |
| THD/% | 3.8 | 4.7 | 4.8 |
| No. | R/Ω | L/mH | C/mF | Response Speed/s |
|---|---|---|---|---|
| 1 | 8 | 0.5 | 10 | 0.006 |
| 2 | 8 | 1.01 | 10 | 0.012 |
| 3 | 8 | 1.02 | 10 | 0.015 |
| 4 | 8 | 1.03 | 10 | 0.028 |
| 5 | 8 | 1.1 | 10 | 0.009 |
© 2018 by the authors. Licensee MDPI, Basel, Switzerland. This article is an open access article distributed under the terms and conditions of the Creative Commons Attribution (CC BY) license (http://creativecommons.org/licenses/by/4.0/).
Share and Cite
Zheng, X.; Zhang, R.; Chen, X.; Sun, N. Improved Three-Phase AFD Islanding Detection Based on Digital Control and Non-Detection Zone Elimination. Energies 2018, 11, 2421. https://doi.org/10.3390/en11092421
Zheng X, Zhang R, Chen X, Sun N. Improved Three-Phase AFD Islanding Detection Based on Digital Control and Non-Detection Zone Elimination. Energies. 2018; 11(9):2421. https://doi.org/10.3390/en11092421
Chicago/Turabian StyleZheng, Xinxin, Rui Zhang, Xi Chen, and Nong Sun. 2018. "Improved Three-Phase AFD Islanding Detection Based on Digital Control and Non-Detection Zone Elimination" Energies 11, no. 9: 2421. https://doi.org/10.3390/en11092421
APA StyleZheng, X., Zhang, R., Chen, X., & Sun, N. (2018). Improved Three-Phase AFD Islanding Detection Based on Digital Control and Non-Detection Zone Elimination. Energies, 11(9), 2421. https://doi.org/10.3390/en11092421
