Cyclic Assessment of Magnesium Oxide with Additives as a Thermochemical Material to Improve the Mechanical Strength and Chemical Reaction
Abstract
1. Introduction
1.1. Thermochemical Heat Usage
1.2. Consideration of Magnesium Oxide as a Thermochemical Material
2. Experiments
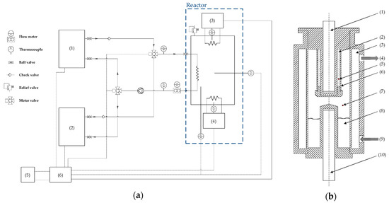
2.1. System Design
2.2. Experiment Procedures
2.3. Set up the Experimental Condition
3. Results of the Experiments
3.1. Determination of the Optimized Charging Temperature
3.2. Effects of Additives: Bentonite
3.3. Effect of Additives: Magnesium Sulfate
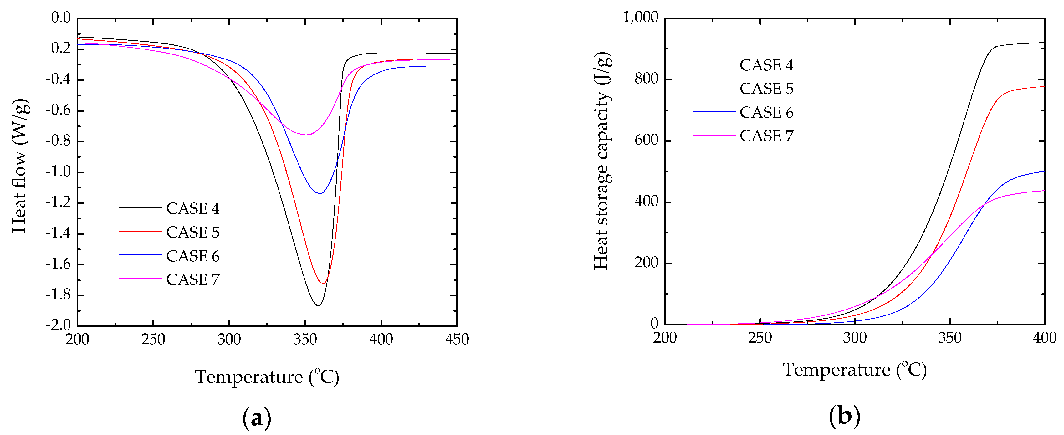
3.4. Effect of Additives: Zeolite
4. Conclusions
Author Contributions
Funding
Acknowledgments
Conflicts of Interest
References
- Arce, P.; Medrano, M.; Gil, A.; Oró, E.; Cabez, L.F. Overview of thermal energy storage (TES) potential energy savings and climate change mitigation in Spain and Europe. Appl. Therm. Eng. 2011, 88, 2764–2774. [Google Scholar] [CrossRef]
- Kaizawa, A.; Kamano, H.; Kawai, A.; Jozuka, T.; Senda, T.; Maruoka, N.; Akiyama, T. Thermal and flow behaviors in heat transportation container using phase change material. Eng. Convers. Manag. 2008, 49, 698–706. [Google Scholar] [CrossRef]
- Gores, J.C. Compact Thermal Storage: A-State-of-the-Art Review of Experimental Results. Master’s Thesis, Universitat de Lleida, Lleida, Spain, September 2011. Available online: http://hdl.handle.net/10459.1/45826 (accessed on 3 June 2018).
- Wongsuwan, W.; Kumar, S.; Neveu, P.; Meunier, F. A review of chemical heat pump technology and applications. Appl. Therm. Eng. 2001, 21, 1489–1519. [Google Scholar] [CrossRef]
- Hamdan, M.A.; Rossides, S.D.; Khalil, R.H. Thermal energy storage using thermo-chemical heat pump. Energy Convers. Manag. 2013, 65, 721–724. [Google Scholar] [CrossRef]
- Kato, Y.; Sasaki, Y.; Yoshizawa, Y. Magnesium oxide/water chemical heat pump to enhance energy utilization of a cogeneration system. Energy 2005, 30, 2144–2155. [Google Scholar] [CrossRef]
- Ogura, H.; Yamamoto, T.; Kage, H.; Matsuno, Y.; Mujumdar, A.S. Effects of heat exchange condition on hot air production by a chemical heat pump dryer using CaO/H2O/Ca(OH)2 reaction. Chem. Eng. J. 2002, 86, 3–10. [Google Scholar] [CrossRef]
- Ishitobi, H.; Uruma, K.; Takeuchi, M.; Ryu, J.; Kato, Y. Dehydration and hydration behavior of metal-salt-modified materials for chemical heat pumps. Appl. Therm. Eng. 2013, 50, 1639–1644. [Google Scholar] [CrossRef]
- Ogura, H.; Yamamoto, T.; Kage, H. Efficiencies of CaO/H2O/Ca(OH)2 chemical heat pump for heat storing and heating/cooling. Energy 2003, 28, 1479–1493. [Google Scholar] [CrossRef]
- Wu, J.; Long, X.F. Research progress of solar thermochemical energy storage. Int. J. Energy Res. 2014, 39, 869–888. [Google Scholar] [CrossRef]
- Miró, L.; Gasia, J.; Cabeza, L.F. Thermal energy storage (TES) for industrial waste heat (IWH) recovery: A review. Appl. Energy 2016, 179, 284–301. [Google Scholar] [CrossRef]
- Van Essen, V.M.; Zondag, H.A.; Cot Gores, J.; Bleijendaal, L.P.J.; Bakker, M.; Schuitema, R.; van Helden, W.G.J.; He, Z.; Rindt, C.C.M. Characterization of MgSO4 Hydrate for Thermochemical Seasonal Heat Storage. J. Sol. Energy Eng. 2009, 131. [Google Scholar] [CrossRef]
- Van Essen, V.M.; Cot Gores, J.; Bleijendaal, L.P.J.; Zondag, H.A.; Schuitema, R.; van Helden, W.G.A. Characterization of Salt Hydrates for Compact Seasonal Thermochemical Storage. In Proceedings of the ASME 3rd International Conference on Energy Sustainability, San Francisco, CA, USA, 19–23 July 2009. [Google Scholar]
- Agrafiotis, C.; Roeb, M.; Schmücker, M.; Sattler, C. Exploitation of thermochemical cycles based on solid oxide redox systems for thermochemical storage of solar heat. Part 1: Testing of cobalt oxide-based powders. Sol. Energy 2014, 102, 189–211. [Google Scholar] [CrossRef]
- Singh, A.; Tescari, S.; Lantin, G.; Agrafiotis, C.; Roeb, M.; Sattler, C. Solar thermochemical heat storage via the Co3O4/CoO looping cycle: Storage reactor modelling and experimental validation. Sol. Energy 2017, 144, 453–465. [Google Scholar] [CrossRef]
- Azpiazu, M.N.; Morquillas, J.M.; Vazquez, A. Heat recovery from a thermal energy storage based on the Ca(OH)2/CaO cycle. Appl. Therm. Eng. 2003, 23, 733–741. [Google Scholar] [CrossRef]
- Schaube, F.; Kohzer, A.; Schütz, J.; Wörner, A.; Müller-Steinhagen, H. De- and rehydration of Ca(OH)2 in a reactor with direct heat transfer for thermo-chemical heat storage. Part A: Experimental results. Chem. Eng. J. 2013, 91, 856–864. [Google Scholar] [CrossRef]
- Schaube, F.; Koch, L.; Wörner, A.; Müller-Steinhagen, H. A thermodynamic and kinetic study of the de- and rehydration of Ca(OH)2 at high H2O partial pressures for thermo-chemical heat storage. Thermochim. Acta 2012, 538, 9–20. [Google Scholar] [CrossRef]
- Schmidt, M.; Szczukowski, C.; Roßkopf, C.; Linder, M.; Wörner, A. Experimental results of a 10 kW high temperature thermochemical storage reactor based on calcium hydroxide. Appl. Therm. Eng. 2014, 62, 553–559. [Google Scholar] [CrossRef]
- Helden, W.V. Compact Thermal Energy Storage Technology Assessment Report; Science Applications International Corporation: Ottawa, ON, Canada, 2013. [Google Scholar]
- Fernandes, M.S.; Brites, G.J.V.N.; Costa, J.J.; Gaspar, A.R.; Costa, V.A.F. Modeling and parametric analysis of an adsorber unit for thermal energy storage. Energy 2016, 102, 83–94. [Google Scholar] [CrossRef]
- Dawoud, B.; Amer, E.-H.; Gross, D.-M. Experimental investigation of an adsorptive thermal energy storage. Int. J. Energy Res. 2006, 31, 135–147. [Google Scholar] [CrossRef]
- Aphane, M.E. The Hydration of Magnesium Oxide with Different Reactivities by Water and Magnesium Acetate. Master’s Thesis, University of South Africa, Pretoria, South Africa, August 2009. Available online: http://hdl.handle.net/10500/2326 (accessed on 18 June 2018).
- Thomas, J.J.; Musso, S.; Prestini, I. Kinetics and Activation Energy of Magnesium Oxide Hydration. J. Am. Ceram Soc. 2014, 97, 275–282. [Google Scholar] [CrossRef]
- Kato, Y.; Nakahata, J.; Yoshizawa, Y. Durability characteristics of the hydration of magnesium oxide under repetitive reaction. J. Mater. Sci. 1999, 34, 475–480. [Google Scholar] [CrossRef]
- Pardo, P.; Deydier, A.; Anxionnaz-Minvielle, Z.; Rougé, S.; Cabassud, M.; Cognet, P. A review on high temperature thermochemical heat energy storage. Renew. Sustain. Energy Rev. 2014, 32, 591–610. [Google Scholar] [CrossRef]
- Mastronardo, E.; Kato, Y.; Bonaccorsi, L.; Piperopoulos, E.; Milone, C. Thermochemical Storage of Middle Temperature Wasted Heat by Functionalized C/Mg(OH)2 Hybrid Materials. Energies 2017, 10, 70. [Google Scholar] [CrossRef]
- Mastronardo, E.; Bonaccorsi, L.; Kato, Y.; Piperopoulos, E.; Milone, C. Efficiency improvement of heat storage materials for MgO/H2O/Mg(OH)2 chemical heat pumps. Appl. Energy 2016, 162, 31–39. [Google Scholar] [CrossRef]
- Mastronardo, E.; Bonaccorsi, L.; Kato, Y.; Piperopoulos, E.; Lanza, M.; Milone, C. Thermochemical performance of carbon nanotubes based hybrid materials for MgO/H2O/Mg(OH)2 chemical heat pumps. Appl. Energy 2016, 181, 232–243. [Google Scholar] [CrossRef]
- Slifka, A.J.; Filla, B.J.; Phelps, J.M. Thermal Conductivity of Magnesium Oxide from Absolute, Steady-State Measurements. J. Res. Natl. Inst. Stand. Technol. 1998, 103, 357–363. [Google Scholar] [CrossRef] [PubMed]
- Amaral, L.F.; Oliveira, I.R.; Salomão, R.; Frollini, E.; Pandolfelli, V.C. Temperature and common-ion effect on magnesium oxide (MgO) hydration. Ceram. Int. 2010, 36, 1047–1054. [Google Scholar] [CrossRef]
- Shkatulov, A.; Ryu, J.; Kato, Y.; Aristov, Y. Composite material “Mg(OH)2/vermiculite”: A promising new candidate for storage of middle temperature heat. Energy 2012, 44, 1028–1034. [Google Scholar] [CrossRef]
- Mark, A. Shand. Frontmatter. In The Chemistry and Technology of Magnesia; John Wiley & Sons, Inc.: New York, NY, USA, 2006. [Google Scholar]
- Induceramic. Available online: http://www.induceramic.com/ceramic-honeycomb (accessed on 28 June 2018).
- Li, Y.Y.; Perera, S.P.; Crittenden, B.D.; Bridgwater, J. The effect of the binder on the manufacture of a 5A zeolite monolith. Powder Tech. 2001, 116, 85–96. [Google Scholar] [CrossRef]












| Material | Co3O4 | CaO | MgO | MgSO4 | Silicagel | Zeolite | Paraffin | Water |
|---|---|---|---|---|---|---|---|---|
| Heat storage method | TCM (Thermochemical Material) | PCM (Phase-Change Material) | Sensible | |||||
| Chemical reaction | Chemical adsorption | |||||||
| Inorganic oxides | Anhydrate | Adsorbate | ||||||
| Heat storage density (GJ/m3) | 5.0 [15] | 4.5 [20] | 3.4 [20] | 2.6 [20] | 0.8 [21] | 0.6 [22] | 0.2 | 0.2 (∆T = 50 °C) |
| Heat charging temperature (°C) | 925 | 550 | 350 | 125 | 85 | 220 | 60 | 0–100 |
| Step | Process | Boiler | Chiller | Heater | Time (Min) | |
|---|---|---|---|---|---|---|
| Upper | Lower | |||||
| 1 | Pre-cooling and preparing heat charging | Off | On | Off | Off | 10 |
| 2 | Heat charging (Dehydration) | Off | On | On | Off | 30 |
| 3 | Reactant condensation and TCM cooling down | Off | Off | Off | Off | 60 |
| 4 | Stand-by | Off | Off | Off | Off | 1 |
| 5 | Pre-heating and preparing heat discharging | On | Off | Off | Off | 10 |
| 6 | Heat discharging (Hydration) | On | Off | Off | On | 40 |
| 7 | Post heating and preparing for heat discharging | On | Off | Off | Off | 5 |
| 8 | Stand-by | Off | Off | Off | Off | 1 |
| CASE | Composition of TCM | Type of Additives | Type of Binder | |
|---|---|---|---|---|
| 1 | Mg(OH)2 95 wt% | Zeolite 13X 5 wt% | - | YB132A 10 wt% |
| 2 | ||||
| 3 | ||||
| 4 | Mg(OH)2 100 wt% | - | Bentonite 5 wt% | YB132A 5 wt% |
| 5 | Mg(OH)2 95 wt% | Zeolite 13X 5 wt% | ||
| 6 | Mg(OH)2 90 wt% | Zeolite 13X 10 wt% | ||
| 7 | Mg(OH)2 80 wt% | Zeolite 13X 20 wt% | ||
| 8 | Mg(OH)2 90 wt% | MgSO4·nH2O 10 wt% | - | YB132A 10 wt% |
| CASE | Average of Tpeak (°C) | Average of tpeak (s) | Heat Storage Capacity (J/g) |
|---|---|---|---|
| CASE 4 | 103 ± 0.6 | 1046 ± 146 | 905.5 |
| CASE 5 | 113 ± 0.8 | 779 ± 78 | 787.2 |
| CASE 6 | 114 ± 0.7 | 622 ± 135 | 507.5 |
| CASE 7 | 110 ± 0.5 | 687 ± 97 | 444.4 |
© 2018 by the authors. Licensee MDPI, Basel, Switzerland. This article is an open access article distributed under the terms and conditions of the Creative Commons Attribution (CC BY) license (http://creativecommons.org/licenses/by/4.0/).
Share and Cite
Yim, T.; Kim, H.S.; Lee, J.Y. Cyclic Assessment of Magnesium Oxide with Additives as a Thermochemical Material to Improve the Mechanical Strength and Chemical Reaction. Energies 2018, 11, 2366. https://doi.org/10.3390/en11092366
Yim T, Kim HS, Lee JY. Cyclic Assessment of Magnesium Oxide with Additives as a Thermochemical Material to Improve the Mechanical Strength and Chemical Reaction. Energies. 2018; 11(9):2366. https://doi.org/10.3390/en11092366
Chicago/Turabian StyleYim, Taesu, Hong Soo Kim, and Jae Yong Lee. 2018. "Cyclic Assessment of Magnesium Oxide with Additives as a Thermochemical Material to Improve the Mechanical Strength and Chemical Reaction" Energies 11, no. 9: 2366. https://doi.org/10.3390/en11092366
APA StyleYim, T., Kim, H. S., & Lee, J. Y. (2018). Cyclic Assessment of Magnesium Oxide with Additives as a Thermochemical Material to Improve the Mechanical Strength and Chemical Reaction. Energies, 11(9), 2366. https://doi.org/10.3390/en11092366
