On the Injection of Sub/Inter-Harmonic Current Components for Active Anti-Islanding Purposes
Abstract
:1. Introduction
2. Results
2.1. Sub/Inter-Harmonics in the PV-Microinverters with a Pseudo dc-Link
2.1.1. Description of a PV-Microinverter with a Pseudo dc-Link and Harmonic Injection Capability
2.1.2. Mathematical Analysis of the Distortion
2.1.3. Simulation Results
2.1.4. Experimental Results
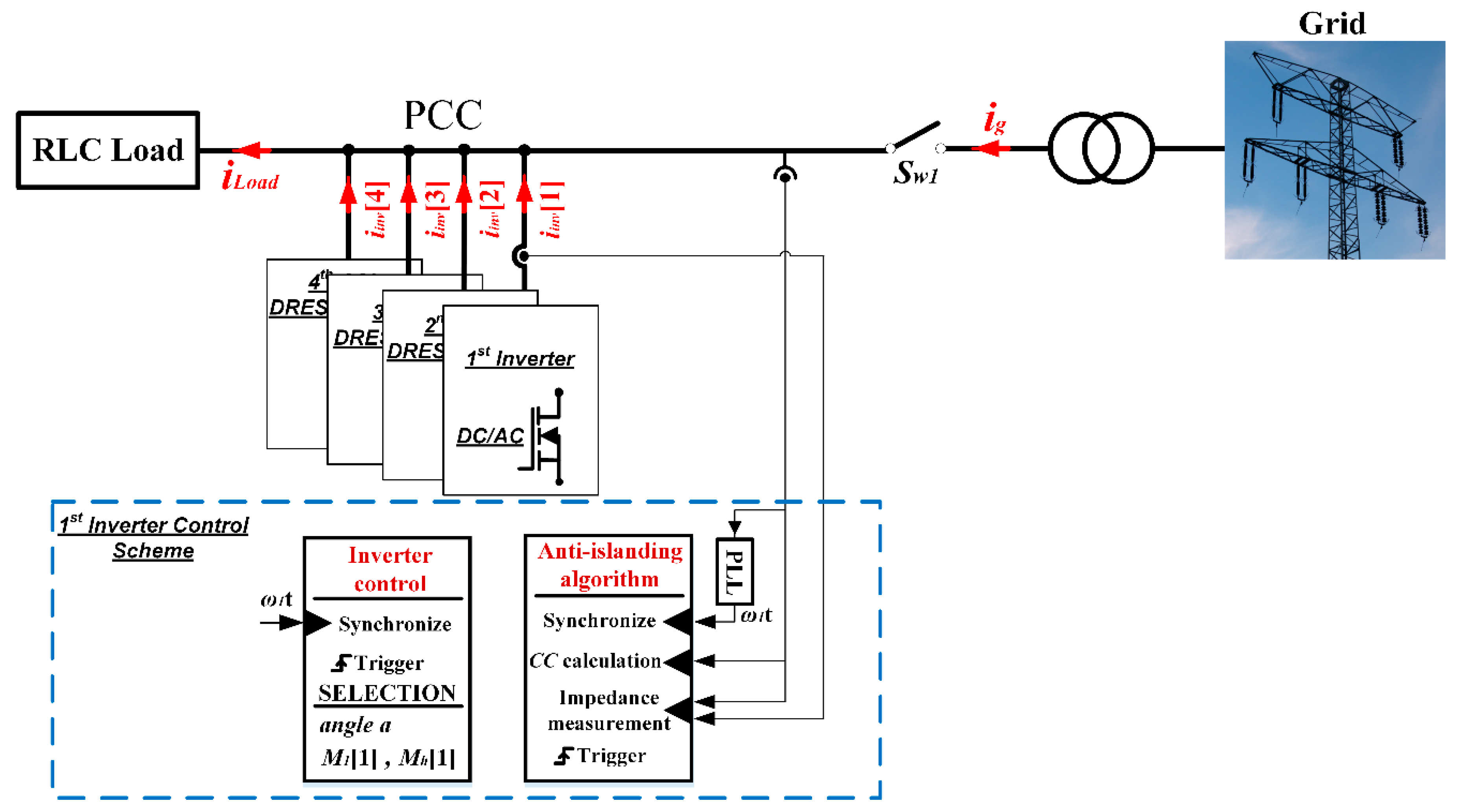
2.2. Analysis of Sub/inter-harmonic and Harmonic Injection in Multiple Inverters
2.2.1. Simulation Results
3. Discussion
4. Materials and Methods
5. Conclusions
Author Contributions
Funding
Conflicts of Interest
References
- Ahmad, K.N.E.K.; Selvaraj, J.; Rahim, N.A. A review of the islanding detection methods in grid-connected PV inverters. Renew. Sustain. Energy Rev. 2013, 21, 756–766. [Google Scholar] [CrossRef]
- Bower, W.; Ropp, M. Evaluation of Islanding Detection Methods for Utility-Interactive Inverters in Photovoltaic Systems; Sandia Report No. 2002; Sandia National Laboratories: New Mexico, CA, USA, 2002. [Google Scholar] [CrossRef]
- Voglitsis, D.; Valsamas, F.; Rigogiannis, N.; Papanikolaou, N.; Kyritsis, A. Comparative study of active anti-islanding schemes compatible to MICs in the prospect of high penetration levels and weak grid conditions. IET Gener. Transm. Distrib. 2018. submitted for publication. [Google Scholar] [CrossRef]
- Asiminoaei, L.; Teodorescu, R.; Blaabjerg, F.; Borup, U. A digital controlled PV-inverter with grid impedance estimation for ENS detection. IEEE Trans. Power Electron. 2005, 20, 1480–1490. [Google Scholar] [CrossRef]
- Voglitsis, D.; Papanikolaou, N.; Kyritsis, A.C. Incorporation of harmonic injection in an interleaved flyback inverter for the implementation of an active anti-islanding technique. IEEE Trans. Power Electron. 2017, 32, 8526–8543. [Google Scholar] [CrossRef]
- Voglitsis, D.; Papanikolaou, N.P.; Kyritsis, A. Active Cross-Correlation Anti-Islanding Scheme for PV Module Integrated Converters in the Prospect of High Penetration Levels and Weak Grid Conditions. IEEE Trans. Power Electron. 2018. submitted for publication. [Google Scholar] [CrossRef]
- Kim, J.H.; Kim, J.G.; Ji, Y.H.; Jung, Y.C.; Won, C.Y. An islanding detection method for a grid-connected system based on the Goertzel algorithm. IEEE Trans. Power Electron. 2011, 26, 1049–1055. [Google Scholar] [CrossRef]
- Robert, A.; Deflandre, T.; Gunther, E.; Bergeron, R.; Emanuel, A.; Ferrante, A.; Finlay, G.S.; Gretsch, R.; Guarini, A.; Gutierrez Iglesias, J.L.; et al. Guide for Assessing the Network Harmonic Impedance. In Proceedings of the 14th International Conference and Exhibition on Electricity Distribution. Part 1. Contributions (IEE Conf. Publ. No. 438), Birmingham, UK, 2–5 June 1997. [Google Scholar] [CrossRef]
- Bae, B.Y.; Jeong, J.K.; Lee, J.H.; Han, B.M. Islanding detection method for inverter-based distributed generation systems using a signal cross-correlation scheme. J. Power Electron. 2010, 10, 762–768. [Google Scholar] [CrossRef]
- European Copper Institute. Voltage Characteristics of Electricity Supplied by Public Distribution Systems; Standard EN 50160:2010/A1; European Copper Institute: Brussels, Belgium, 2015. [Google Scholar]
- International Electrotechnical Commission. Photovoltaic (PV) Systems—Characteristics of the Utility Interface; IEC 61727 2004; International Electrotechnical Commission: Geneva, Switzerland, 2004. [Google Scholar]
- Briz, F.; Díaz-Reigosa, D.; Blanco, C.; Guerrero, J.M. Coordinated operation of parallel-connected inverters for active islanding detection using high frequency signal injection. IEEE Trans. Ind. Appl. 2014, 50, 3476–3484. [Google Scholar] [CrossRef]
- Timbus, A.V.; Teodorescu, R.; Blaabjerg, F.; Borup, U. Online Grid Impedance Measurement Suitable for Multiple PV Inverters Running in Parallel. In Proceedings of the 21st Annual IEEE Applied Power Electronics Conference and Exposition (APEC), Dallas, TX, USA, 19–23 March 2006. [Google Scholar] [CrossRef]
- Reigosa, D.; Briz, F.; Blanco, C.; Garcia, P.; Guerrero, J.M. Active islanding detection for multiple parallel-connected inverter-based distributed generators using high-frequency signal injection. IEEE Trans. Power Electron. 2014, 29, 1192–1199. [Google Scholar] [CrossRef]
- Bzura, J.J. The AC module: An overview and update on self-contained modular PV systems. In Proceedings of the IEEE PES General Meeting, Providence, RI, USA, 25–29 July 2010. [Google Scholar] [CrossRef]
- Gao, M.; Chen, M.; Zhang, C.; Qian, Z. Analysis and implementation of an improved flyback-inverter for photovoltaic AC module applications. IEEE Trans. Power Electron. 2014, 29, 3428–3444. [Google Scholar] [CrossRef]
- Li, Q.; Wolfs, P. A review of the single phase photovoltaic module integrated converter topologies with three different dc link configurations. IEEE Trans. Power Electron. 2008, 23, 1320–1333. [Google Scholar] [CrossRef]
- Xue, Y.; Chang, L.; Kjær, S.B.; Bordonau, J.; Shimizu, T. Topologies of single-phase inverters for small distributed power generators: An overview. IEEE Trans. Power Electron. 2004, 19, 1305–1314. [Google Scholar] [CrossRef]
- IEEE. Standard Conformance Test Procedures for Equipment Interconnecting Distributed Resources with Electric Power Systems; IEEE Std 1547.1 2005; IEEE: New York, NY, USA, 2005. [Google Scholar] [CrossRef]
- International Electrotechnical Commission. Utility-Interconnected Photovoltaic Inverters—Test Procedure of Islanding Prevention Measures; IEC Std. IEC 62116; International Electrotechnical Commission: Geneva, Switzerland, 2014. [Google Scholar]



















| Description | Value |
|---|---|
| Inverter | (all the inverters have the same characteristics) |
| Output power per inverter | 500 W |
| Mh/M1 Iinv,1; Iinv,h | 8% 2.5 A; 0.2 A |
| Grid and load specifications | |
| Grid Rating | 141 Vrms/50 Hz |
| Local load R, L, C | 10 Ω, 12.5 mH, 795.77 μF |
| QF | 2.5 |
| Description | Value |
|---|---|
| Interleaved flyback microinverter | |
| Output power | 300 W |
| DC input voltage (Vdc) | 30 V |
| Primary switches (S1, S2) | FCP260N60E |
| Secondary side diodes (D1, D2) | HFA15TB60 |
| H-bridge switches (SH1–4) | FCP260N60E |
| Transformer core | RM12 |
| Decoupling capacitor (C) | 2 mF |
| Primary inductance | 30 μH |
| Turns ratio | 1 |
| Leakage inductance | 0.42 μH |
| Filter inductance (Lf) | 950 μH |
| Filter capacitance (Cf) | 450 nF |
| Switching frequency (Primary Switches) | 20 kHz |
| Grid and load specifications | |
| Grid Rating | 90 Vrms ± 15%/50 Hz |
| Local load resistance | 235 Ω |
| Electrical equipment | |
| Controller | dSpace MicroLabBox |
| DC Input Voltage | Delta Electronica SM-3300 |
| DC power supply | TENMA 72-10495 |
© 2018 by the authors. Licensee MDPI, Basel, Switzerland. This article is an open access article distributed under the terms and conditions of the Creative Commons Attribution (CC BY) license (http://creativecommons.org/licenses/by/4.0/).
Share and Cite
Voglitsis, D.; Valsamas, F.; Rigogiannis, N.; Papanikolaou, N. On the Injection of Sub/Inter-Harmonic Current Components for Active Anti-Islanding Purposes. Energies 2018, 11, 2183. https://doi.org/10.3390/en11092183
Voglitsis D, Valsamas F, Rigogiannis N, Papanikolaou N. On the Injection of Sub/Inter-Harmonic Current Components for Active Anti-Islanding Purposes. Energies. 2018; 11(9):2183. https://doi.org/10.3390/en11092183
Chicago/Turabian StyleVoglitsis, Dionisis, Fotis Valsamas, Nick Rigogiannis, and Nick Papanikolaou. 2018. "On the Injection of Sub/Inter-Harmonic Current Components for Active Anti-Islanding Purposes" Energies 11, no. 9: 2183. https://doi.org/10.3390/en11092183
APA StyleVoglitsis, D., Valsamas, F., Rigogiannis, N., & Papanikolaou, N. (2018). On the Injection of Sub/Inter-Harmonic Current Components for Active Anti-Islanding Purposes. Energies, 11(9), 2183. https://doi.org/10.3390/en11092183

