Auto-Adaptive Filtering-Based Energy Management Strategy for Fuel Cell Hybrid Electric Vehicles
Abstract
1. Introduction
2. Fuel Cell Hybrid Electric Vehicle (FCHEV)
2.1. FCHEV Configuration
2.2. FC/BAT/UC Power Supply
3. Modeling
3.1. Fuel Cell
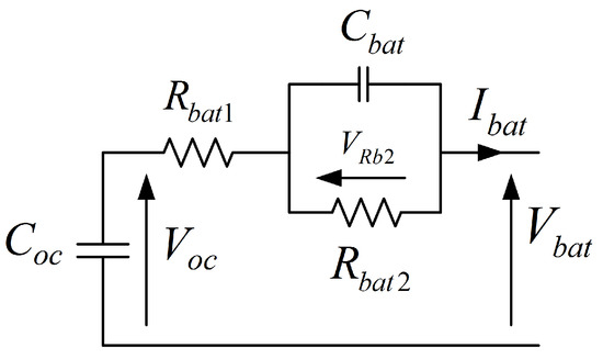
3.2. Li-Ion Battery
3.3. Ultracapacitors
3.4. Traction Load and Drive Environment
4. Strategy of the Energy Management
4.1. Filtering-Based Energy Management Strategy
4.2. Auto Adaptation of the Frequency of Separation
- Ensure a reasonable range of energy in the UC bank () [25].
- Relieve the strain on the battery by reducing its current slope.
- Stabilize the dc bus voltage at the desired reference V.
5. Sliding Mode Control
5.1. Principle of Operation
- The attraction condition
- The existence condition
- The stability condition
5.1.1. The Attraction Condition
5.1.2. The Existence Condition
5.1.3. The Stability Condition
5.2. Fuel Cell Current Control
5.3. Battery Current Control
5.4. Current and Voltage Control of the Ultracapacitor Pack
6. Simulation Results
6.1. Fixed Energy Splitting
6.2. Adaptive Energy Splitting
- Under the NEDCfor .for .
- Under the NYCCfor .for .
- Under the SC03for .for .
- Under the WLTPfor .for .
7. Conclusions
Author Contributions
Funding
Conflicts of Interest
References
- Erdinc, O.; Uzunoglu, M. Recent trends in PEM fuel cell-powered hybrid systems: Investigation of application areas, design architectures and energy management approaches. Renew. Sustain. Energy Rev. 2010, 14, 2874–2884. [Google Scholar] [CrossRef]
- Mekhilef, S.; Saidur, R.; Safari, A. Comparative study of different fuel cell technologies. Renew. Sustain. Energy Rev. 2012, 16, 981–989. [Google Scholar] [CrossRef]
- Huang, P.H.; Kuo, J.K.; Han, C.Y. Numerical investigation into slope-climbing capability of fuel cell hybrid scooter. Appl. Therm. Eng. 2017, 110, 921–930. [Google Scholar] [CrossRef]
- Fontela, P.; Soria, A.; Mielgo, J.; Sierra, J.F.; de Blas, J.; Gauchia, L.; Martínez, J.M. Airport electric vehicle powered by fuel cell. J. Power Source 2007, 169, 184–193. [Google Scholar] [CrossRef]
- Gao, D.; Jin, Z.; Zhang, J.; Li, J.; Ouyang, M. Comparative Study of Two Different Powertrains for a Fuel Cell Hybrid Bus. J. Power Source 2016, 319, 9–18. [Google Scholar] [CrossRef]
- Li, Q.; Yang, H.; Han, Y.; Li, M.; Chen, W. A state machine strategy based on droop control for an energy management system of PEMFC-battery-supercapacitor hybrid tramway. Int. J. Hydrog. Energy 2016, 41, 16148–16159. [Google Scholar] [CrossRef]
- Guida, D.; Minutillo, M. Design methodology for a PEM fuel cell power system in a more electrical aircraft. Appl. Energy 2017, 192, 446–456. [Google Scholar] [CrossRef]
- Chris, M.; Masrur, M.A. Vehicular Power Control Strategy and Energy Management. In Hybrid Electric Vehicles; Wiley-Blackwell: Hoboken, NJ, USA, 2017; Chapter 17; pp. 521–537. [Google Scholar]
- Wei, L. Energy Management Strategies for Hybrid Electric Vehicles. In Hybrid Electric Vehicle System Modeling and Control; Wiley-Blackwell: Hoboken, NJ, USA, 2017; Chapter 6; pp. 243–287. [Google Scholar]
- Prasanna, U.R.; Xuewei, P.; Rathore, A.K.; Rajashekara, K. Propulsion System Architecture and Power Conditioning Topologies for Fuel Cell Vehicles. IEEE Trans. Ind. Appl. 2015, 51, 640–650. [Google Scholar] [CrossRef]
- Mebarki, N.; Rekioua, T.; Mokrani, Z.; Rekioua, D.; Bacha, S. PEM fuel cell/battery storage system supplying electric vehicle. Int. J. Hydrog. Energy 2016, 41, 20993–21005. [Google Scholar] [CrossRef]
- Hu, Z.; Li, J.; Xu, L.; Song, Z.; Fang, C.; Ouyang, M.; Dou, G.; Kou, G. Multi-objective energy management optimization and parameter sizing for proton exchange membrane hybrid fuel cell vehicles. Energy Convers. Manag. 2016, 129, 108–121. [Google Scholar] [CrossRef]
- Erjavec, J. Hybrid, Electric, and Fuel-Cell Vehicles; Delmer Cengage Learning: Boston, MA, USA, 2013. [Google Scholar]
- Thounthong, P.; Chunkag, V.; Sethakul, P.; Davat, B.; Hinaje, M. Comparative Study of Fuel-Cell Vehicle Hybridization with Battery or Supercapacitor Storage Device. IEEE Trans. Veh. Technol. 2009, 58, 3892–3904. [Google Scholar] [CrossRef]
- Rezzak, D.; Boudjerda, N. Management and control strategy of a hybrid energy source fuel cell/supercapacitor in electric vehicles. Int. Trans. Electr. Energy Syst. 2017, 27, e2308. [Google Scholar] [CrossRef]
- Azib, T.; Larouci, C.; Chaibet, A.; Boukhnifer, M. Management and control strategy of a hybrid energy source fuel cell/supercapacitor in electric vehicles. Int. Trans. Electr. Electron. Eng. 2014, 9, 548–554. [Google Scholar] [CrossRef]
- Rajabzadeh, M.; Bathaee, S.M.T.; Golkar, M.A. Dynamic modeling and nonlinear control of fuel cell vehicles with different hybrid power sources. Int. J. Hydrog. Energy 2016, 41, 3185–3198. [Google Scholar] [CrossRef]
- Boltersdorf, J.; Delpa, S.A.; Yan, J.; Cao, B.; P.Zheng, J.; Jow, T.R.; A.Reada, J. Electrochemical performance of lithium-ion capacitors evaluated under high temperature and high voltage stress using redox stable electrolytes and additives. J. Power Source 2018, 373, 20–30. [Google Scholar] [CrossRef]
- Yana, J.; Cao, W.; Zheng, J. Constructing High Energy and Power Densities Li-Ion Capacitors Using Li Thin Film for Pre-Lithiation. J. Electrochem. Soc. 2017, 164, 2164–2170. [Google Scholar] [CrossRef]
- Thounthong, P.; Raël, S.; Davat, B. Energy management of fuel cell/battery/supercapacitor hybrid power source for vehicle applications. J. Power Source 2009, 193, 376–385. [Google Scholar] [CrossRef]
- Li, M.; Xu, H.; Li, W.; Liu, Y.; Li, F.; Hu, Y.; Liu, L. The structure and control method of hybrid power source for electric vehicle. Energy 2016, 112, 1273–1285. [Google Scholar] [CrossRef]
- Murphey, Y.L.; Park, J.; Chen, Z.; Kuang, M.L.; Masrur, M.A.; Phillips, A.M. Intelligent Hybrid Vehicle Power Control—Part I: Machine Learning of Optimal Vehicle Power. IEEE Trans. Veh. Technol. 2012, 61, 3519–3530. [Google Scholar] [CrossRef]
- Neffati, A.; Guemri, M.; Caux, S.; Fadel, M. Energy management strategies for multi source systems. Electr. Power Syst. Res. 2013, 102, 42–49. [Google Scholar] [CrossRef]
- Zhang, S.; Xiong, R.; Sun, F. Model predictive control for power management in a plug-in hybrid electric vehicle with a hybrid energy storage system. Appl. Energy 2017, 185, 1654–1662. [Google Scholar] [CrossRef]
- Herrera, V.; Milo, A.; Gaztanaga, H.; Etxeberria-Otadui, I.; Villarreal, I.; Camblong, H. Adaptive energy management strategy and optimal sizing applied on a battery-supercapacitor based tramway. Appl. Energy 2016, 169, 831–845. [Google Scholar] [CrossRef]
- Bizon, N. Real-time optimization strategy for fuel cell hybrid power sources with loadfollowing control of the fuel or air flow. Energy Convers. Manag. 2018, 157, 13–27. [Google Scholar] [CrossRef]
- Sulaiman, N.; Hannan, M.A.; Mohamed, A.; Majlan, E.H.; Daud, W.R.W. A review on energy management system for fuel cell hybrid electric vehicle: Issues and challenges. Renew. Sustain. Energy Rev. 2015, 52, 802–814. [Google Scholar] [CrossRef]
- Sandoval, C.; Alvarado, V.M.; Carmona, J.C.; Lopez, G.L.; Gomez-Aguilar, J.F. Energy management control strategy to improve the FC/SC dynamic behavior on hybrid electric vehicles: A frequency based distribution. Renew. Energy 2017, 105, 407–418. [Google Scholar] [CrossRef]
- Snoussi, J.; Elghali, S.B.; Outbib, R.; Mimouni, M.F. Sliding mode control for frequency-based energy management strategy of hybrid Storage System in vehicular application. In International Symposium on Power Electronics, Electrical Drives, Automation and Motion (SPEEDAM); IEEE: Piscataway, NJ, USA, 2016; pp. 1109–1114. [Google Scholar]
- Zimmermann, T.; Keil, P.; Hofmann, M.; Horsche, M.F.; Pichlmaier, S.; Jossen, A. Review of system topologies for hybrid electrical energy storage systems. J. Energy Storage 2016, 8, 78–90. [Google Scholar] [CrossRef]
- Luo, X.; Wang, J.; Dooner, M.; Clarke, J. Overview of current development in electrical energy storage technologies and the application potential in power system operation. Appl. Energy 2014, 137, 511–536. [Google Scholar] [CrossRef]
- Christen, T.; Carlen, M.W. Theory of Ragone plots. J. Power Source 2000, 91, 210–216. [Google Scholar] [CrossRef]
- Devillers, N. Caracterisation Et Modelisation De Composants De Stockage Electrochimique Et Electrostatique; Universite de Franche-Comte: Besancon, France, 2012. [Google Scholar]
- Vasquez, T.L.O. Fuel Cell Research Trends; Nova Science Publishers: Hauppauge, NY, USA, 2007. [Google Scholar]
- Whittingham, M.S.; Savinell, R.F.; Zawodzinski, T. Introduction: Batteries and Fuel Cells. Chem. Rev. 2004, 104, 4243–4244. [Google Scholar] [CrossRef] [PubMed]
- Kim, M.Y.; Kim, C.H.; Kim, J.H.; Moon, G.W. A Chain Structure of Switched Capacitor for Improved Cell Balancing Speed of Lithium-Ion Batteries. IEEE Trans. Ind. Electron. 2014, 61, 3989–3999. [Google Scholar] [CrossRef]
- Dudezert, C.; Reynier, Y.; Duffault, J.M.; Franger, S. Fatigue damage approach applied to Li-ion batteries ageing characterization. Mater. Sci. Eng. B 2016, 213, 177–189. [Google Scholar] [CrossRef]
- Libich, J.; Maca, J.; Vondrak, J.; Cech, O.; Sedlarikova, M. Supercapacitors: Properties and applications. J. Energy Storage 2018, 17, 224–227. [Google Scholar] [CrossRef]
- Bubna, P.; Advani, S.G.; Prasad, A.K. Integration of batteries with ultracapacitors for a fuel cell hybrid transit bus. J. Power Source 2012, 199, 360–366. [Google Scholar] [CrossRef]
- Song, Z.; Li, J.; Hou, J.; Hofmann, H.; Ouyang, M.; Du, J. The battery-supercapacitor hybrid energy storage system in electric vehicle applications: A case study. Energy 2018, 154, 433–441. [Google Scholar] [CrossRef]
- Marzougui, H.; Amari, M.; Kadri, A.; Bacha, F.; Ghouili, J. Integration of batteries with ultracapacitors for a fuel cell hybrid transit bus. Int. J. Hydrog. Energy 2017, 42, 8857–8869. [Google Scholar] [CrossRef]
- Pablo, G.; Juan, P.; Torreglosa, L.M.F.F.J. Control strategies for high-power electric vehicles powered by hydrogen fuel cell, battery and supercapacitor. Expert Syst. Appl. 2013, 40, 4791–4804. [Google Scholar]
- Saadi, A.; Becherif, M.; Hissel, D.; Ramadan, H.S. Dynamic modeling and experimental analysis of PEMFCs: A comparative study. Int. J. Hydrog. Energy 2017, 42, 1544–1557. [Google Scholar] [CrossRef]
- Maker, H. Optimisation Et Gestion D’Energie Pour Un Systeme Hybride: Association Pile a Combustible Et Supercondensateurs; Belfort Montbeliard University: Belfort, France, 2008. [Google Scholar]
- He, H.; Xiong, R.; Guo, H.; Li, S. Comparison study on the battery models used for the energy management of batteries in electric vehicles. Energy Convers. Manag. 2012, 64, 113–121. [Google Scholar] [CrossRef]
- Lim, K.; Bastawrous, H.A.; Duong, V.H.; See, K.W.; Zhang, P.; Dou, S.X. Fading Kalman filter-based real-time state of charge estimation in LiFePO4 battery-powered electric vehicles. Appl. Energy 2016, 169, 40–48. [Google Scholar] [CrossRef]
- Amaya, E.G.; Chiacchiarini, H.; Angelo, C.D.; Asensio, M. The Energy Management Strategy of FC/Battery Vehicles Winner of the 2017 IEEE VTS Motor Vehicles Challenge. In Proceedings of the 2017 IEEE Vehicle Power and Propulsion Conference (VPPC), Belfort, France, 11–14 December 2017; pp. 1–6. [Google Scholar]
- Camara, M.B.; Gualous, H.; Gustin, F.; Berthon, A.; Dakyo, B. DC/DC Converter Design for Supercapacitor and Battery Power Management in Hybrid Vehicle Applications—Polynomial Control Strategy. IEEE Trans. Ind. Electron. 2010, 57, 587–597. [Google Scholar] [CrossRef]
- Akli, C.R. Conception Systemique D’Une Locomotive Hybride Autonome: Application a La Locomotive Hybride De Demonstration Et D’Investigations Energetique LhyDIE Developpee Par La SNCF; INP Toulouse: Toulouse, France, 2008. [Google Scholar]
- Utkin, V. Control Systems, Robotics and Automation XIII; Eolss Publishers: Paris, France, 2009. [Google Scholar]
















| Level | 1 | 2 | 3 | 4 |
|---|---|---|---|---|
| Efficiency (%) | 20–40 | 40–70 | 70–90 | 90–98 |
| Specific enegy (Wh·kg) | <20 | 20–100 | 100–500 | >500 |
| Specific power (W·kg) | 0–150 | 150–1500 | 1500–5000 | >5000 |
| Discharge time | ms-min | ms-1 h | min-h | s-days |
| Number of cycles | <1000 | 1000–20,000 | 20,000–50,000 | >50,000 |
| Self-discharge (%) | <0.1 | 0.1–1 | 1–10 | 10–40 |
| Parameter | Value |
|---|---|
| V | |
| F |
| Parameter | Value |
|---|---|
| 2.3138 × 10 F | |
| F | |
| Parameter | Value |
|---|---|
| 256 F | |
| m | |
| F/V |
| NE | ZE | PO | ||
|---|---|---|---|---|
| VLOW | VLOW | HIGH | HIGH | |
| LOW | LOW | HIGH | MEDIUM | |
| MEDIUM | MEDIUM | HIGH | LOW | |
| HIGH | HIGH | HIGH | VLOW | |
| Parameter | Value |
|---|---|
| 1.223 Kg/m | |
| 2 m | |
| M | 1000 kg |
| 0.35 | |
| 0.01 | |
| g | 9.81 N/Kg |
© 2018 by the authors. Licensee MDPI, Basel, Switzerland. This article is an open access article distributed under the terms and conditions of the Creative Commons Attribution (CC BY) license (http://creativecommons.org/licenses/by/4.0/).
Share and Cite
Snoussi, J.; Ben Elghali, S.; Benbouzid, M.; Mimouni, M.F. Auto-Adaptive Filtering-Based Energy Management Strategy for Fuel Cell Hybrid Electric Vehicles. Energies 2018, 11, 2118. https://doi.org/10.3390/en11082118
Snoussi J, Ben Elghali S, Benbouzid M, Mimouni MF. Auto-Adaptive Filtering-Based Energy Management Strategy for Fuel Cell Hybrid Electric Vehicles. Energies. 2018; 11(8):2118. https://doi.org/10.3390/en11082118
Chicago/Turabian StyleSnoussi, Jamila, Seifeddine Ben Elghali, Mohamed Benbouzid, and Mohamed Faouzi Mimouni. 2018. "Auto-Adaptive Filtering-Based Energy Management Strategy for Fuel Cell Hybrid Electric Vehicles" Energies 11, no. 8: 2118. https://doi.org/10.3390/en11082118
APA StyleSnoussi, J., Ben Elghali, S., Benbouzid, M., & Mimouni, M. F. (2018). Auto-Adaptive Filtering-Based Energy Management Strategy for Fuel Cell Hybrid Electric Vehicles. Energies, 11(8), 2118. https://doi.org/10.3390/en11082118

