From the Balancing Reactive Compensator to the Balancing Capacitive Compensator
Abstract
:1. Introduction
- the balanced repartition of single-phase or two-phase loads on the phases of the three-phase network;
- connection of unbalanced loads to a higher voltage level, which usually corresponds to the solution of increasing the short-circuit power at their terminals. This is the case of industrial consumers of large power (from hundreds of kVA to tens of MVA) in which power is supplied through their own transformers, other than those of other consumers connected in the same bus. Under these conditions, the Voltage Unbalance Factor decreases proportionally to the increase of the short-circuit power at the connection bus.
- using hybrid solutions, containing components from the above categories [32].
- UPQC—voltage sag and swell correction, voltage symmetrisation, voltage control, flicker mitigation, reactive power compensation, harmonic filtering, load balancing, active and reactive power control [55].
2. The “Classic” Method of Sizing a Balancing Reactive Compensator
- because they contain only susceptances, both the Yn compensator and the Δ compensator do not intervene on the flowing of the real (active) components of the positive sequence currents (8.1), (9.1);
- the Δ compensator does not intervene on the flowing of the zero sequence components of the network currents (in fact this is a confirmation of a known property).
3. Compensation Mechanism Expressed Based on the Currents Flow
- The Yn compensator cancels the following components of the load currents:
- the imaginary (reactive) component of the positive sequence currents of the load;
- the real and imaginary components of the zero sequence currents of the load;
- a part of the real and imaginary components of the negative sequence currents of the load;
- The Δ compensator compensates two components of the negative sequence currents: one belonging to the load and the other belonging to the Yn compensator.
4. Compensation Mechanism Expressed Based on the Powers Flow
5. Resizing from the Condition of Coils Elimination
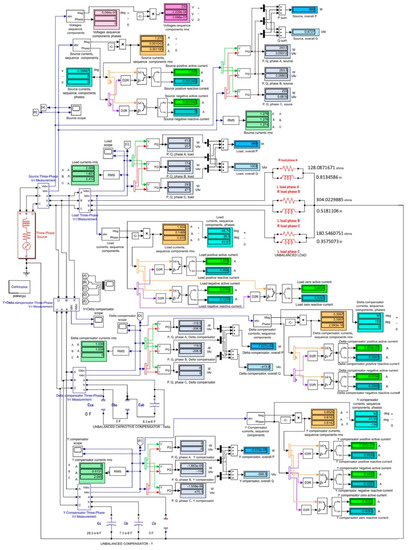
6. Case Studies
- the source is considered an ideal one, providing a set of perfectly symmetrical and sinusoidal voltages, so that the unbalance will occur only in currents;
- the circuit elements type R, L, C are considered ideal, perfectly linear;
- the impedances of the connections between the components of the circuit, including the impedance of the neutral conductor, are neglected.
- In both sizing versions, the Yn compensator only intervenes on reactive power flow on phases, providing reactive power;
- In the BRC version, the Yn compensator supplies the entire reactive power required to fully compensate the reactive power of the load on the positive sequence, whereas in version 5 this role is predominantly taken by the Δ compensator;
- In the BRC version, the Δ compensator makes a redistribution of the active and reactive powers respectively, between the phases without changing their balance over the three phases; it only intervenes in the negative sequence currents flow;
- The Δ compressor from the BRC structure, although containing only reactive circuit elements (two capacities and one inductance), also intervenes on the phase active power flow;
- In both sizing versions, the Δ compensator intervenes identically on the active power flow, which is the effect of the fact that it intervenes identically on the negative sequence currents flow; the conclusion is natural, since the intervention is different only on the positive sequence currents flow;
- The (Yn +Δ) compensator assembly has exactly the same effect in both sizing versions: it totally compensates the five components of the load sequence currents: the reactive component of the positive sequence currents, the real and imaginary components of the negative and zero sequence components.
7. Experimental Determinations
- —
- for the three-phase load: , , , , , ;
- —
- for the Yn compensator: , , ;
- —
- for the Δ compensator: , , .
- rms values of voltages and currents by phases, active and reactive powers;
- the waveforms of the phase voltages and corresponding currents;
- phasor diagrams of phase voltages and phase currents.
- The power supply used was a three-phase autotransformer connected to the laboratory’s alternating current network with a nominal voltage of 230/400 V. Therefore, both due to the network and because of the constructive asymmetry of the autotransformer, the supply voltages of the experimental circuit make up an unbalanced voltage set, both as rms values and as phase-shifting angles. The percentage deviations of the measured values relative to the reference values (imposed in the determinations by calculation and simulation) are up to 1.13% for the rms values and 0.75% for the phase shifts.
- Asymmetry of the three-phase voltage set causes the negative and zero sequence components occurring. However, their percentages obtained by reference to the positive sequence component do not exceed 2.2%.
- The network and autotransformer are the main causes of voltages waveforms distortion. However, THD for phase voltages does not exceed 1.5%.
- Currents waveforms distortion is also caused by the nonlinearity of circuit elements (ferromagnetic core coils and electrolytic capacitors) to which non-sinusoidal voltages are applied. The currents waveforms are more distorted than the voltages waveforms, but the THD for the currents does not exceed 5%.
- Circuit elements are resistors, ferromagnetic core coils and electrolytic capacitors. They do not intervene in the circuit only by equivalent parameters of type R, L or C, but also by additional equivalent electrical resistances corresponding to the losses of active power in ferromagnetic cores and dielectric materials.
- The measurement system used is a Mavowatt 230 type which is actually a three-phase power quality analyzer. Measurement errors are small enough but depend on the values of the electrical amounts in the circuit to which they are connected. This is especially the case for measuring currents. Since current measurements are made by means of ampermetric clamps with rated currents of 10 A, low rms values are usually measured with increased errors (±5%). Their phase shifts are determined with greater errors. Also distortion of currents and voltages waveforms causes an additional increase in measurement errors.
- ▪
- There is no difference between the values obtained by the numerical calculation and those obtained by the simulation. This is natural, given that they have been made under simplified (ideal) conditions. Matlab-Simulink modeling confirms the correctness of the mathematical model which is the basis for the numerical calculation.
- ▪
- The largest percentage deviation is −7.64% and the lowest is −0.2%.
- ▪
- The most visible deviations are those of the values that should be null:
- -
- the negative and zero sequence components of the voltages,
- -
- the active powers on the Yn compensator phases (which contain only capacitors),
- -
- the rms value of the current on the phase A of the Yn compensator (open branch),
- -
- the active and reactive powers on the phase C of the ∆ compensator,
- -
- the sum of the active powers on the ∆ compensator phases,
- -
- the reactive powers on the phases of the load-BCC assembly (in the PCC),
- -
- the negative and zero sequence components of the currents in the PCC.
- ▪
- Although experimental determinations have been influenced by many error sources, deviations of measured values from calculated values can be neglected. These deviations do not disturb the BCC operation. It performs well the two functions for which it has been sized: power factor improvement and load balancing in the PCC.
- ▪
- The measured values confirm the correctness of the mechanism of active and reactive load balancing by unbalanced capacitive compensation, mechanism anticipated by mathematical model development:
- -
- cancellation of the zero sequence currents of the load is accomplished only by the Yn compensator, which supplies a set of zero sequence currents practically equal to their rms value and shifted by 180°;
- -
- the negative sequence current of the load and the reactive component of the positive sequence current of the load are canceled by the contribution of both Yn and Δ compensators; the two compensators perform together the reactive powers compensation and balancing;
- -
- the ∆ compensator, although containing only one single-phase capacitor bank, takes active power from phase A, where it is in excess (over the average value), and delivers it back on phase B where there is an active power deficiency; the ∆ compensator is the one that performs the active powers balancing;
- -
- although it contains only capacitor banks, the compensator achieves, not only the compensation of the reactive power of the load, but also the balancing of the active powers on its phases.
8. Conclusions
- -
- the detailed mathematical model of a BRC’s operation and the explanation based on it of the mechanism of balancing the active and reactive three-phase loads by unbalanced reactive compensation;
- -
- developing a method of resizing a BRC for the purpose of transforming it into a BCC by transferring the reactive capacitive compensating power to the positive sequence between the two components of the compensator;
- -
- validation of the mathematical model using both numerical and modeling software tools as well as experimental laboratory determinations.
Author Contributions
Funding
Conflicts of Interest
Abbreviations and Notations
| PCC | Point of Common Coupling; |
| RPC | Reactive Power Compensator; |
| SVC | Static var Compensator; |
| ABC | Adaptive Balancing Compensator; |
| ABCC | Adaptive Balancing Capacitive Compensator; |
| BRC | Balancing Reactive Compensator; |
| BCC | Balancing Capacitive Compensator; |
| SPC | Switching Power Converter; |
| TCR | Thyristor Controlled Reactor; |
| TSC | Thyristor Switched Capacitor; |
| CSC | Contactor Switched Capacitor |
| EPDS | Electric Power Distribution System; |
| IGBT | Insulated Gate Bipolar Transistor; |
| IGCT | Integrated Gate Commutated Thyristor; |
| SSD | Solid State Device; |
| FACTS | Flexible Alternant Current Transmission System; |
| CPD | Custom Power Device; |
| D-STATCOM | Distribution Static Synchronous Compensator; |
| DVR | Dynamic Voltage Restorer; |
| UPQC | Unified Power Quality Conditioner; |
| VSI | Voltage Source Inverter; |
| , , | phasors of positive, negative and zero sequence components of the phase currents at the network (in PCC); |
| , , | phasors of positive, negative and zero sequence components of the phase currents at the load; |
| , , | phasors of positive, negative and zero sequence components of the phase currents at Yn compensator; |
| , , | phasors of the phase currents at Yn compensator; |
| , , | rms values of the compensation currents at Yn compensator; |
| , , | phasors of positive, negative and zero sequence components of the phase currents at Δ compensator; |
| , , | phasors of the phase currents at Δ compensator; |
| , , | phasors of the currents on Δ compensator branches; |
| , , | rms values of the compensation currents on Δ compensator branches; |
| , , | phasors of phase to neutral voltages; |
| , , , | phasors of the currents on the phase conductors respectively on the neutral conductor at the network (in PCC); |
| , , , | phasors of the currents on the phase conductors respectively on the neutral conductor at the load; |
| , , … | rms values of the active and reactive components of the phase currents at the load; |
| , , | load admittances for Yn equivalent circuit; |
| , , , , , | equivalent conductances and susceptances of the load; |
| , , , , , | equivalent admittances and susceptances of Yn compensator; |
| , , , , , | equivalent admittances and susceptances of Δ compensator; |
| , , , … | apparent, active and reactive powers on the Yn compensator phases; |
| , , , … | apparent, active and reactive powers on the Δ compensator phases; |
| A | Stokvis rotation operator . |
References
- Dugan, R.C.; McGranaghan, M.F.; Beaty, H.W. Electric Power Systems Quality, 2nd ed.; McGraw-Hill Education: New York, NY, USA, 2006; ISBN 978-0071386227. [Google Scholar]
- Antonio, M.M. Power Quality: Mitigation Technologies in a Distributed Environment; Springer: London, UK, 2007; ISBN 978-1-84628-772-5. [Google Scholar]
- Ewald, F.F.; Mohammad, A.S.M. Power Quality in Power Systems and Electrical Machines; Elsevier Academic Press: London, UK, 2008; ISBN 978-0-08-055917-9. [Google Scholar]
- Steinmetz, C.P. Theory and Calculation of Electrical Apparatus; McGraw Hill Book Company: New York, NY, USA, 1917. [Google Scholar]
- Grandpierr, M.; Trannoy, B. A stationary power device to rebalance and compensate reactive power in three-phase network. In Proceedings of the 1977 IAS Annual Conference, Los Angeles, CA, USA, 2–6 October 1977; pp. 127–135. [Google Scholar]
- Klinger, G.C. Kompensation und symmetirung fur Mehrphasensysteme mit beliebigen Spanungdverlauf. ETZ Arch. 1979, H.2, 57–61. [Google Scholar]
- Gyugyi, L.; Otto, R.; Putman, T. Principles and applications of static thyristor-controlled shunt compensators. IEEE Trans. Power Appl. Syst. 1978, PAS-97, 1935–1945. [Google Scholar] [CrossRef]
- Miller, J.E. Reactive Power Control in Electric Systems; John Wiley & Sons: New York, NY, USA, 1982. [Google Scholar]
- Gueth, G.; Enstedt, P.; Rey, A.; Menzies, R.W. Individual phase control of a static compensator for load compensation and voltage balancing. IEEE Power Eng. Rev. 1987, 2, 898–905. [Google Scholar] [CrossRef]
- Czarnecki, L.S. Reactive and unbalanced currents compensation in three-phase asymmetrical circuits under nonsinusoidal conditions. IEEE Trans. Instrum. Meas. 1989, 38, 754–759. [Google Scholar] [CrossRef]
- Czarnecki, L.S. Minimization of unbalanced currents in three-phase asymmetrical circuits with nonsinusoidal voltage. IEE Proc. B Electr. Power Appl. 1992, 139, 347–354. [Google Scholar] [CrossRef]
- Lee, S.Y.; Wu, C.J. On-line reactive power compensation schemes for unbalanced three-phase four wire distribution systems. IEEE Trans. Power Deliv. 1993, 8, 1235–1239. [Google Scholar] [CrossRef]
- Czarnecki, L.S. Supply and loading quality improvement in sinusoidal power systems with unbalanced loads supplied with asymmetrical voltage. Arch. Elektrotech. 1994, 77, 169–177. [Google Scholar] [CrossRef]
- Czarnecki, L.S.; Hsu, S.M. Thyristor controlled susceptances for balancing compensators operated under nonsinusoidal conditions. IEE Proc. Electr. Power Appl. 1994, 141, 177–185. [Google Scholar] [CrossRef]
- Czarnecki, L.S.; Hsu, S.M.; Chen, G. Adaptive balancing compensator. IEEE Trans. Power Deliv. 1995, 10, 1663–1669. [Google Scholar] [CrossRef]
- Oriega de Oliveira, L.C.; Barros Neto, M.C.; de Souza, J.B. Load compensation in four-wire electrical power systems. In Proceedings of the International Conference on Power System Technology, Perth, WA, Australia, 4–7 December 2000; pp. 1575–1580. [Google Scholar]
- Arendse, C.; Atkinson-Hope, G. Design of a Steinmetz Symmetrizer and application in unbalanced network. In Proceedings of the 45th International Universities Power Engineering Conference UPEC2010, Cardiff, UK, 31 August–3 September 2010; pp. 1–6. [Google Scholar]
- Lee, S.-Y.; Wu, C.-J.; Chang, W.-N. A compact control algorithm for reactive power compensation and load balancing with static VAr compensator. Electr. Power Syst. Res. 2001, 58, 63–70. [Google Scholar] [CrossRef]
- Mayordomo, J.G.; Izzeddine, M.; Asensi, R. Load and voltage balancing in harmonic power flows by means of static var compensators. IEEE Trans. Power Deliv. 2002, 17, 761–769. [Google Scholar] [CrossRef]
- Grünbaum, L.; Petersson, A.; Thorvaldsson, B. FACTS improving the performance of electrical grids. In ABB Review (Special Report on Power Technologies); ABB Group: Zürich, Switzerland, 2003; pp. 13–18. [Google Scholar]
- Dixon, J.; Morán, L.; Rodríguez, J.; Domke, R. Reactive power compensation technologies, state of-the-art review. Proc. IEEE 2005, 93, 2144–2164. [Google Scholar] [CrossRef]
- Quintela, F.R.; Arevalo, J.M.G.; Redondo, R.C. Power analysis of static VAr compensators. Int. J. Electr. Power Energy Syst. 2008, 30, 376–382. [Google Scholar] [CrossRef]
- Said, I.K.; Pirouti, M. Neural network-based load balancing and reactive power control by static VAr compensator. Int. J. Comput. Electr. Eng. 2009, 1, 25–31. [Google Scholar] [CrossRef]
- Xu, Y.; Tolbert, L.M.; Kueck, J.D.; Rizy, D.T. Voltage and current unbalance compensation using a static var compensator. IET Power Electr. 2010, 3, 977–988. [Google Scholar] [CrossRef]
- Jeon, S.-J.; Willens, J.L. Reactive power compensation in multi-line systems under sinusoidal unbalanced conditions. Int. J. Circuit Theory Appl. 2011, 39, 211–224. [Google Scholar] [CrossRef]
- Pană, A.; Băloi, A.; Molnar-Matei, F. Experimental validation of power mechanism for load balancing using variable susceptances in three-phase four-wire distribution networks. In Proceedings of the International Conference on “Computer as a Tool”—EUROCON 2007, Warsaw, Poland, 9–12 September 2007; pp. 1567–1572. [Google Scholar] [CrossRef]
- Pană, A.; Băloi, A.; Molnar-Matei, F. Load balancing by unbalanced capacitive shunt compensation—A numerical approach. In Proceedings of the 14th International Conference on Harmonics and Quality of Power—ICHQP 2010, Bergamo, Italy, 26–29 September 2010; pp. 1–6. [Google Scholar] [CrossRef]
- Pană, A. Active load balancing in a three-phase network by reactive power compensation. In Power Quality —Monitoring, Analysis and Enhancement; Zobaa, A., Ed.; InTech—Open Access Publisher: Rijeka, Croatia, 2011; pp. 219–254. [Google Scholar]
- Sun, Q.; Zhou, J.; Liu, X.; Yang, J. A novel load-balancing method and device by intelligent grouping compound switches-based capacitor banks shunt compensation. Math. Probl. Eng. 2013, 2013, 347361. [Google Scholar] [CrossRef]
- Hingorani, N.G.; Gyugyi, L. Understanding FACTS. Concepts and Technology of Flexible AC Transmission Systems; Wiley-IEEE Press: Hoboken, NJ, USA, 2000. [Google Scholar]
- Lee, S.-Y.; Wu, C.-J. Reactive power compensation and load balancing for unbalanced three-phase four-wire system by a combined system of an svc and a series active filter. IEE Proc. Electr. Power Appl. 2000, 147, 563–578. [Google Scholar] [CrossRef]
- Haque, M.H. Compensation of distribution system voltage sag by DVR and DSTATCOM. In Proceedings of the IEEE Porto Power Tech Proceedings, Porto, Portugal, 10–13 September 2001; pp. 10–13. [Google Scholar] [CrossRef]
- Wang, B.; Cathey, J.J. DSP—Controlled, Space-Vector PWM, Current Source Converter for STATCOM application. Electr. Power Syst. Res. 2003, 67, 123–131. [Google Scholar] [CrossRef]
- Dixon, J.; del Valle, Y.; Orchard, M.; Ortuzar, M.; Moran, L.; Maffrand, C. A full compensating system for general loads, based on a combination of thyristor binary compensator, and a PWM-IGBT active power filter. IEEE Trans. Ind. Electron. 2003, 50, 982–989. [Google Scholar] [CrossRef]
- Nguyen, P.T.; Saha, T.K. Dynamic voltage restorer against balanced and unbalanced voltage sags: Modeling and simulation. In Proceedings of the Power Engineering Society General Meeting, Denver, CO, USA, 6–10 June 2004; Volume 2. [Google Scholar] [CrossRef]
- Nielsen, J.G.; Newman, M.; Nielsen, H.; Blaabjerg, F. Control and testing of a dynamic voltage restorer (dvr) at medium voltage level. IEEE Trans. Power Electron. 2004, 3, 806–813. [Google Scholar] [CrossRef]
- Mienski, R.; Pawelek, R.; Wasiak, I. Shunt compensation for power quality improvement using a STATCOM controller: Modeling and simulation. IEE Proc. Gener. Transm. Distrib. 2004, 274–280, 274–280. [Google Scholar] [CrossRef]
- Pakdel, M.; Farzaneh-Fard, H. A control strategy for load balancing and power factor correction in three-phase four-wire systems using a shunt active power filter. In Proceedings of the IEEE International Conference on Industrial Technology ICIT 2006, Mumbai, India, 15–17 December 2006; pp. 579–584. [Google Scholar] [CrossRef]
- Akagi, H.; Fujita, H.; Yonetani, S.; Kondo, Y. A 6.6-kV transformerless STATCOM based on a five-level diode-clamped PWM converter: System design and experimentation of a 200-V, 10-kVA laboratory model. IEEE Trans. Ind. Appl. 2008, 44, 672–680. [Google Scholar] [CrossRef]
- Singh, B.N.; Saha, R.; Chandra, A.; Al-Haddad, K. Static synchronous compensators (STATCOM): A review. IET Power Electron. 2009, 2, 297–324. [Google Scholar] [CrossRef]
- Mishra, M.K.; Karthikeyan, K. An investigation on design and switching dynamics of a voltage source inverter to compensate unbalanced and nonlinear loads. IEEE Trans. Ind. Electron. 2009, 56, 2802–2810. [Google Scholar] [CrossRef]
- Lee, W.C.; Lee, D.M.; Lee, T.K. New control scheme for a unified power-quality compensator-q with minimum active power injection 2010. IEEE Trans. Power Deliv. 2010, 25, 1068–1076. [Google Scholar] [CrossRef]
- Capitanescu, F.; Wehenkel, L. Redispatching active and reactive powers using a limited number of control actions. IEEE Trans. Power Syst. 2011, 26, 1221–1230. [Google Scholar] [CrossRef]
- Win, T.S.; Hiraki, E.; Okamoto, M.; Lee, S.R.; Tanaka, T. Constant DC capacitor voltage control based strategy for active load balancer in three-phase four-wire distribution system. In Proceedings of the 2013 International Conference on Electrical Machines and Systems (ICEMS), Busan, Korea, 26–29 October 2013; pp. 1560–1565. [Google Scholar] [CrossRef]
- Fu, X.; Chen, H.; Mo, W. Dynamic voltage restorer based on active hybrid energy storage system. In Proceedings of the 2014 IEEE PES Asia-Pacific Power and Energy Engineering Conference (APPEEC), Hong Kong, China, 7–10 December 2014; pp. 1–4. [Google Scholar] [CrossRef]
- Hingorani, N.G. Introducing custom power. IEEE Spectr. 1995, 32, 41–48. [Google Scholar] [CrossRef]
- Ghosh, A. Power Quality Enhancement Using Custom Power Devices; Springer: New York, NY, USA, 2002; ISBN 978-1-4020-7180-5. [Google Scholar]
- Crow, M.L. Power quality enhancement using custom power devices. IEEE Power Energy Mag. 2004, 2, 50. [Google Scholar] [CrossRef]
- Domijan, A., Jr.; Montenegro, A.; Kern, A.J.F.; Mattern, K.E. Custom power devices: An interaction study. IEEE Trans. Power Syst. 2005, 20, 1111–1118. [Google Scholar] [CrossRef]
- Gupt, S.; Dixit, A.; Mishra, N.; Singh, S.P. Custom power devices for power quality improvement: A review. Int. J. Res. Eng. Appl. Sci. 2012, 2, 1646–1659. [Google Scholar]
- Roncero-Sànchez, P.; Acha, E. Design of a control scheme for distribution static synchronous compensators with power-quality improvement capability. Energies 2014, 7, 2476–2497. [Google Scholar] [CrossRef]
- Hosseinzadeh, M.; Salmasi, F.R. Robust optimal power management system for a hybrid AC/DC micro-grid. IEEE Trans. Sustain. Energy 2015, 6, 675–687. [Google Scholar] [CrossRef]
- Farkoush, S.G.; Kim, C.-H.; Rhee, S.-B. THD reduction of distribution system based on ASRFC and HVC method for SVC under EV charger condition for power factor improvement. Symmetry 2016, 8, 156. [Google Scholar] [CrossRef]
- Tokiwa, A.; Yamada, H.; Tanaka, T.; Watanabe, M.; Shirai, M.; Teranishi, Y. New hybrid static var compensator with series active filter. Energies 2017, 10, 1617. [Google Scholar] [CrossRef]
- Xue, Y.; Zhang, X.P. Reactive power and AC voltage control of LCC HVDC system with controllable capacitors 2017. IEEE Trans. Power Syst. 2017, 32, 753–764. [Google Scholar] [CrossRef]
- Barrios-Martínez, E.; Ángeles-Camacho, C. Technical comparison of FACTS controllers in parallel connection. J. Appl. Res. Technol. 2017, 15, 36–44. [Google Scholar] [CrossRef]





| Component | Equivalent Parameters | Active Powers | Reactive Powers | Phase Currents | Sequence Currents |
|---|---|---|---|---|---|
| Load (Yn) | |||||
| - | - |
| Component | Equivalent Parameters | Active Powers | Reactive Powers | Phase Currents | Sequence Currents |
|---|---|---|---|---|---|
| Yn | |||||
| - | |||||
| - | |||||
| - | - | - | |||
| Δ | −68.70 | ||||
| - | |||||
| - | |||||
| - | - | - | |||
| Yn + Δ | - | ||||
| - | |||||
| - | |||||
| - | |||||
| - | |||||
| - | - | - |
| Component | Equivalent Parameters | Active Powers | Reactive Powers | Phase Currents | Sequence Currents |
|---|---|---|---|---|---|
| Yn | |||||
| - | |||||
| - | |||||
| - | - | - | |||
| Δ | |||||
| - | |||||
| - | |||||
| - | - | - | |||
| Yn + Δ | - | ||||
| - | |||||
| - | |||||
| - | |||||
| - | |||||
| - | - | - | . |
| Component | Equivalent Parameters | Real Powers | Reactive Powers | Phase Currents | Sequence Currents |
|---|---|---|---|---|---|
| Network (PCC) | |||||
| - | |||||
| - | |||||
| - | - | - |
© 2018 by the authors. Licensee MDPI, Basel, Switzerland. This article is an open access article distributed under the terms and conditions of the Creative Commons Attribution (CC BY) license (http://creativecommons.org/licenses/by/4.0/).
Share and Cite
Pană, A.; Băloi, A.; Molnar-Matei, F. From the Balancing Reactive Compensator to the Balancing Capacitive Compensator. Energies 2018, 11, 1979. https://doi.org/10.3390/en11081979
Pană A, Băloi A, Molnar-Matei F. From the Balancing Reactive Compensator to the Balancing Capacitive Compensator. Energies. 2018; 11(8):1979. https://doi.org/10.3390/en11081979
Chicago/Turabian StylePană, Adrian, Alexandru Băloi, and Florin Molnar-Matei. 2018. "From the Balancing Reactive Compensator to the Balancing Capacitive Compensator" Energies 11, no. 8: 1979. https://doi.org/10.3390/en11081979
APA StylePană, A., Băloi, A., & Molnar-Matei, F. (2018). From the Balancing Reactive Compensator to the Balancing Capacitive Compensator. Energies, 11(8), 1979. https://doi.org/10.3390/en11081979
