An Equivalent Circuit for the Evaluation of Cross-Country Fault Currents in Medium Voltage (MV) Distribution Networks
Abstract
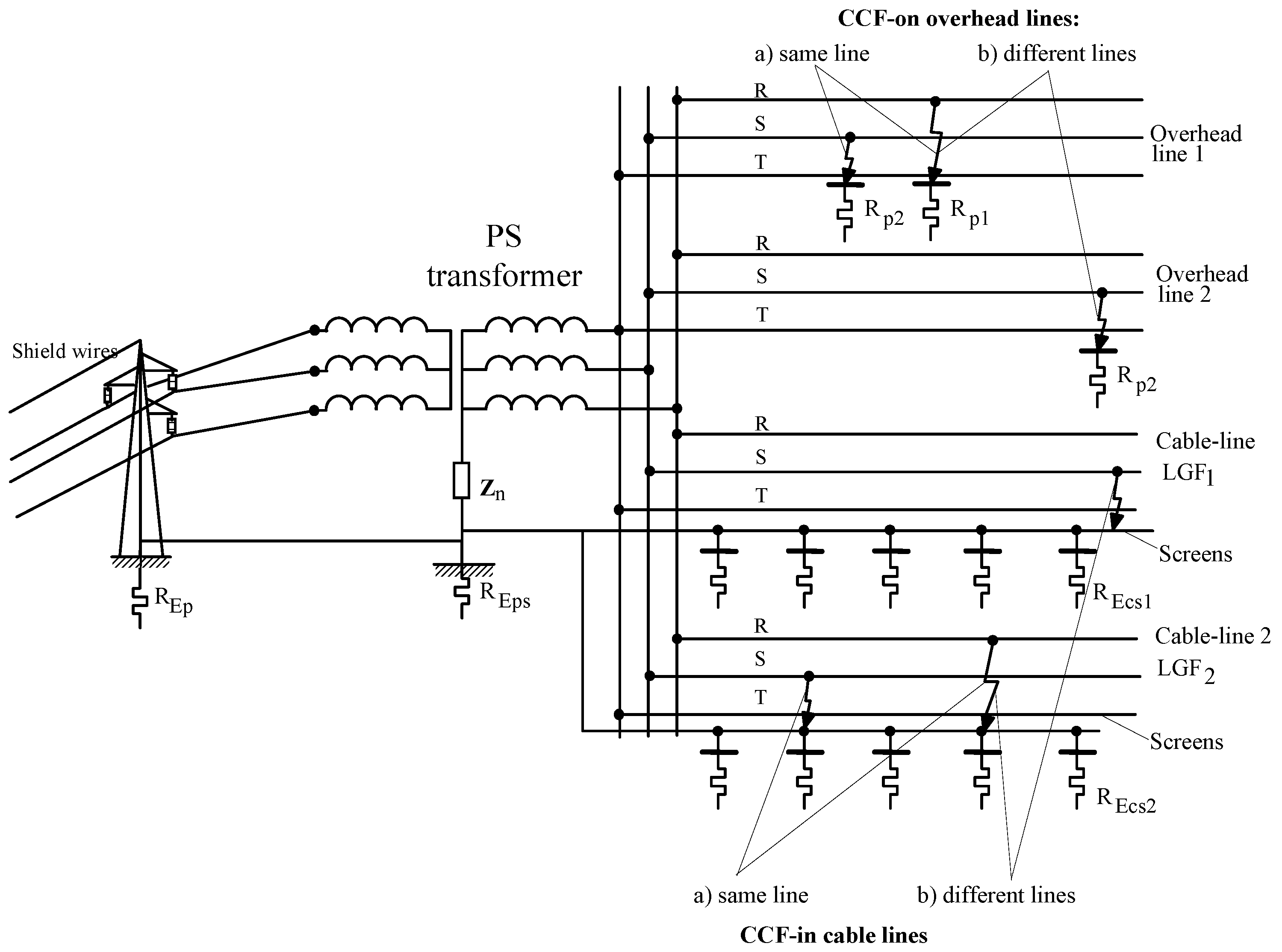
:1. Introduction
2. Equivalent Circuit of Phase-Conductors, Screens and Earth Resistances of SSs of a Cable Line Stretch
- ZR, ZS and ZT are the overall self impedances of phase conductors;
- Zsc and YE are the equivalent series impedance and shunt admittance of the system formed by the three screens of the cables and the earth resistance of the SSs;
- eiR, eiS, eiT are the induced electromotive forces (emfs) in each phase conductor by the currents flowing both throughout the other phases and the screen conductors; and,
- esc is the electromotive force induced in the screens by the phase currents.
- zsc is the series self-impedance per unit length of the cable line screens;
- zss is the series self-impedance per unit length of each cable screen;
- zms is the mutual impedance per unit length between the screens;
- ye the shunt earth conductance per unit length of the SSs;
- Zo and k are the surge impedance and the propagation constant of the uniformly distributed system formed by cable screens and earth admittance of SSs; and,
- zmpc is the mutual impedance per unit length between phase conductors and cable screens.
3. Equivalent Circuits of MV Distribution Network During CCFs
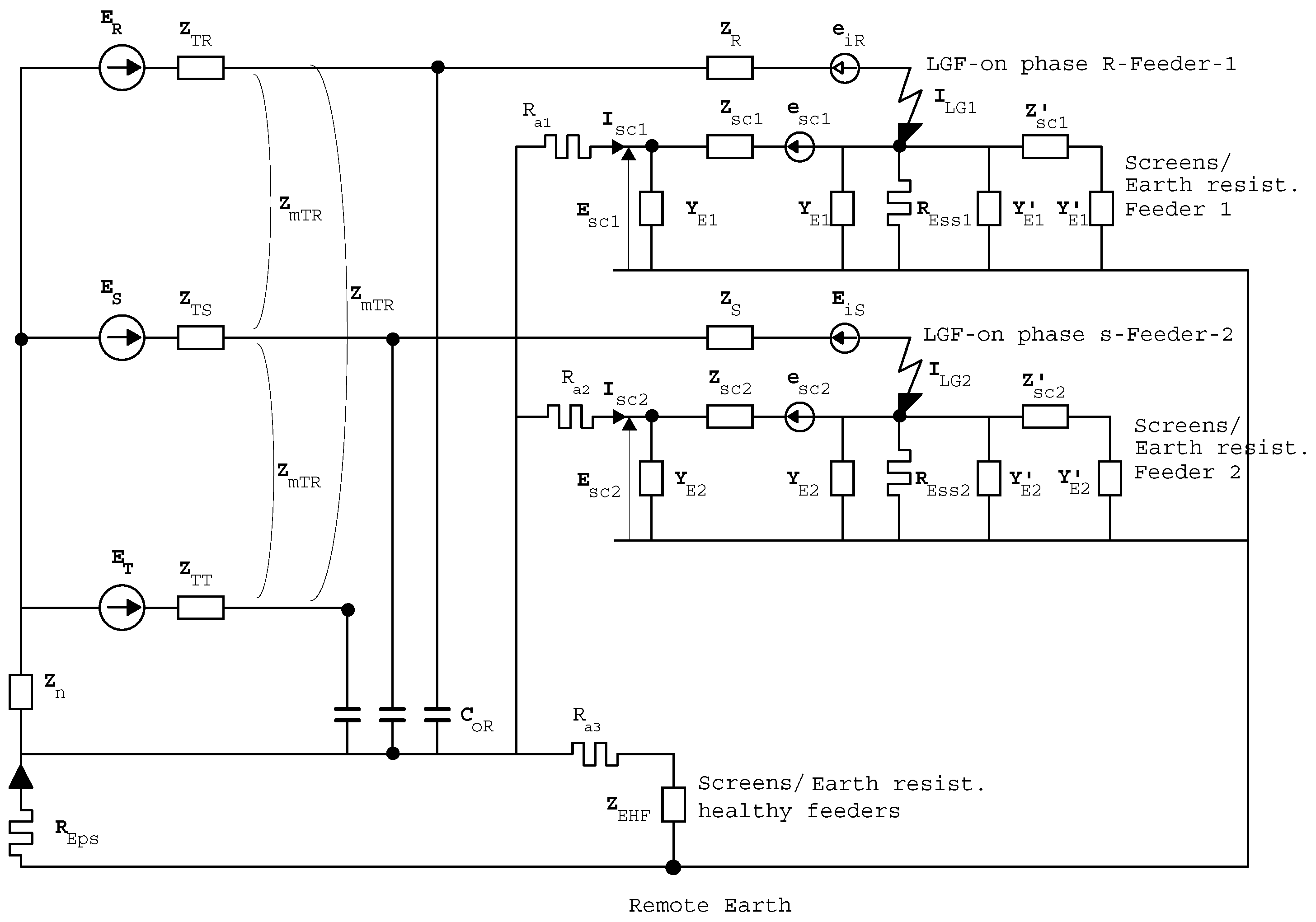
3.1. CCF Occurring in the Two Different MV Feeders
- ES, ER and ET are the voltages imposed by the HV network;
- ZTR, ZTS, ZTT, are the self impedances of each phase of the HV/MV PS transformer;
- ZmTR is the average value between phases of the mutual impedance of the transformer phases;
- ZR, ZS are the self-impedances of the phase R-feeder 1 and of phase S-feeder 2, both affected by LGF, from the HV/MV PS to fault locations;
- eiR = A3·IR + A1·Isc1 − A2·Esc1 and EIs = A3·IS + A1·Isc2 − A2·Esc2 are the emfs induced on the faulted phases (R and S) by the currents flowing through the screens from the fault location to the HV/MV PS;
- Zsc1, YE1, Zsc2, YE2, are the equivalent impedances and admittances, for the line stretch from PS up to LGF, of the system formed by screens and earth resistances of the SSs, calculated with (1);
- Z’sc1, Y’E1, Z’sc2 and Y’E2 are the equivalent impedances and admittances, from the fault location to the line end, of the system formed by screens and earth resistances of SSs, calculated with (1);
- esc1 = A1·IR, esc2 = A1·IS are the induced emfs in the screens of each feeder by phase currents IR and IS, respectively, and for each feeder A1 is calculated as A1 in (1), where the line length a that must be considered is the one between the fault location and the PS;
- CoR is the overall line-to-ground network capacitance, considered as connected to the PS MV busbars;
- RESS1 and RESS2 are the earth resistances of the SSs involved by CCF; and,
- Ra1, Ra2 and Ra3 are used to simulate the screen connection to the PS local earth: for each of such resistances, 1 mΩ simulates the connection, 1 mΩ simulates the disconnection.
- Zn in the neutral compensating impedance.
3.2. CCF Occurring in the Same MV Feeder
- Z′R, Z″R are the self-impedances of the two stretches of phase R of the faulty feeder;
- ZS is the self-impedance of the stretch of phase S up to LGF1 location of the faulty feeder;
- Zsc1, YE1, Zsc2, and YE2 are the equivalent impedances and admittances of the two stretches of the system composed by screens and earth resistances of the SSs of the faulty feeder;
- ZscR and YER are the equivalent impedance and admittance of the stretch, from the farther LGF to line end, of the system formed by screens and earth resistances of the SSs of the faulty feeder;
- eiR1, eiR2 and eiS are the induced emfs in phase R and phase S by the currents flowing both in the screens and in phase conductors, calculated as
- eiS1 = A′1·(IR + IS), eiS2 = A″1·IR are the emfs in the screens of the feeder induced by phase currents; and,
- Ra2 allows for considering connection (Ra2 = 1 mΩ) or disconnection (Ra2 = 1 mΩ) at fault location between the screens of the first and second line stretch.
3.3. Summary of the Proposed Methodology
- (1)
- Network data acquisition
- a.
- Transformer nameplate data, winding connection;
- b.
- Neutral grounding status (if necessary, grounding impedance data);
- c.
- Faulted line(s) data (positive sequence impedances, zero sequence capacitances); and,
- d.
- Return path data (cable sheath impedances and capacitances, sheath/substation earthing resistances, overhead line ground wire, if any, impedances and tower earthing resistances).
- (2)
- Selection of ground faults (LGF1 and LGF2)
- (3)
- Synthesis of the return path circuit(s) [the actual extent depends on fault location, i.e., item 2; the following steps refer to a single stretch of the return path]
- e.
- Spatial averaging of the sheath / secondary substation / tower earthing resistances to obtain the equivalent distributed grounding admittance YE
- f.
- Calculation of the distributed circuit parameters for the return path and of the equivalent source es
- (4)
- (5)
- Solve the fault network
4. Comparison between the Proposed Circuit Model and the Accurate ATP Model of a 20 kV Mixed Overhead/Cable Network
- five cable lines (CLs) each 4.5 km long equipped with 185 mm2-Al conductors 16 mm2-Cu screens; all distances between SSs are equal to 0.5 km;
- a 15 km long overhead line (OHL) equipped with 70 mm2 Al conductors; and,
- a mixed overhead-cable line (ML) composed by a 10 km long OHL equipped with 70 mm2 Al conductors and a 3 km long CL equipped with 185 mm2-Al conductors 16 mm2-Cu screens.
4.1. CCF Occurring in Two Different Feeders of the Case Study 20 kV Network
- (a)
- LGF1in CL1, 1 km far from the PS; LGF2 at the end of the 2nd CL; the value of the SS earth resistances is RESS = 5 Ω;
- (b)
- LGF1 in CL1, 1 km far from the PS; LGF2 in CL2, 1 km far from the PS; the value of the SS earth resistances is RESS = 5 Ω;
- (c)
- LGF1 in OHL1, 10 km far from the PS; LGF2 in OHL2, 5 km far from the PS; the value of the SS earth resistances is RESS = 10 Ω and the one of the line poles is REPOHL = 30 Ω;
- (d)
- LGF1 in OHL, 10 km far from the PS; LGF2 in CL, 3 km far from the PS; the value of the SS earth resistances RESS = 10 Ω and the one of the line pole is REPOHL = 30 Ω; and,
- (e)
- LGF1 in CL1, 3 km far from the PS; LGF2 in CL2, 1 km far from the PS; the value of the SS earth resistances is RESS = 5 Ω.
- 2.8% for fault current;
- 2% for screen currents at fault locations;
- 3.5% for GPR at fault locations; and,
- 1.9% for screen currents at PS.
4.2. CCF Occurring in the Same Feeder of the Case Study 20 kV Network
- (a)
- LGF1 in CL1, 1 km far from the PS; LGF2 in CL1, 4 km far from the PS; value of the SS earth resistances is RESS = 5 Ω;
- (b)
- LGF1 and LGF2 in OHL, 10 km and 15 km far from the PS, respectively; value of the pole earth resistances are REPOHL1 = 30 Ω and REPOHL2 = 15 Ω;
- (c)
- LGF1 in OHL, 10 km far from the PS; LGF2 in same feeder but in CL, 3 km from the end of the OHL; the value of the SS earth resistance is RESS = 10 Ω and the one of the line pole REPOHL = 30 Ω; and,
- (d)
- As case (f), but with cable screens disconnected from the PS earth.
- 2.2% for fault current;
- 3.6% for screen currents at fault locations;
- 4.5% for GPR at fault locations; and,
- 4.0% for screen currents at PS.
- Due to the distributed grounding model used for the current return path, errors tend to increase for shorter cables and/or faults closer to the PS busbars.
- The longitudinal asymmetries associated to horizontally arranged untransposed conductors are neglected (average values for the self and mutual phase impedances are used).
- Non-homogeneous feeders made of several different cable and/or overhead line stretches are replaced by a single “average” feeder model. A better accuracy could be achieved by representing such feeders with the cascade of the individual equivalent circuits of the constituent stretches. The resulting network would be, however, more complex than those that are depicted in Figure 4 and Figure 6.
5. Conclusions
- both ground faults occurring in the same feeder, or
- ground faults affecting two different feeders,
Author Contributions
Funding
Conflicts of Interest
References
- Cerretti, A.; Gatta, F.M.; Geri, A.; Lauria, S.; Maccioni, M.; Valtorta, G. Ground fault temporary overvoltages in MV networks: evaluation and experimental tests. IEEE Trans. Power Deliv. 2012, 27, 1592–1600. [Google Scholar] [CrossRef]
- Codino, A.; Gatta, F.M.; Geri, A.; Lamedica, R.; Lauria, S.; Maccioni, M.; Ruvio, A.; Calone, R. Cross-country fault protection in Enel Distribuzione’s experimental MV loop lines. In Proceedings of the 2016 Power Systems Computation Conference (PSCC 2016), Genoa, Italy, 20–24 June 2016. [Google Scholar]
- Codino, A.; Gatta, F.M.; Geri, A.; Lauria, S.; Maccioni, M.; Calone, R. Detection of cross-country faults in medium voltage distribution ring lines. In Proceedings of the 2017 AEIT International Annual Conference (AEIT 2017), Cagliari, Italy, 20–22 September 2017. [Google Scholar]
- Swetapadma, A.; Yadav, A. All shunt fault location including cross-country and evolving faults in transmission lines without fault type classification. Electr. Power Syst. Res. 2015, 123, 1–12. [Google Scholar] [CrossRef]
- Makwana, V.H.; Bhalja, B. New adaptive digital distance relaying scheme for double infeed parallel transmission line during inter-circuit faults. IET Gener. Transm. Distrib. 2011, 5, 667–673. [Google Scholar] [CrossRef]
- Xu, Z.Y.; Li, W.; Bi, T.S.; Xu, G.; Yang, Q.X. First-zone distance relaying algorithm of parallel transmission lines for cross-country nonearthed faults. IEEE Trans. Power Deliv. 2011, 26, 2486–2494. [Google Scholar] [CrossRef]
- Hasheminejad, S.; Seifossadat, S.G.; Joorabian, M. New travelling-wave-based protection algorithm for parallel transmission lines during inter-circuit faults. IET Gener. Transm. Distrib. 2017, 11, 3984–3991. [Google Scholar] [CrossRef]
- Bi, T.; Li, W.; Xu, Z.; Yang, Q. First-zone distance relaying algorithm of parallel transmission lines for cross-country grounded faults. IEEE Trans. Power Deliv. 2012, 27, 2185–2192. [Google Scholar] [CrossRef]
- Sanaye-Pasand, M.; Jafarian, P. Adaptive protection of parallel transmission lines using combined cross-differential and impedance-based techniques. IEEE Trans. Power Deliv. 2011, 26, 1829–1840. [Google Scholar] [CrossRef]
- Sharafi, A.; Sanaye-Pasand, M.; Jafarian, P. Non-communication protection of parallel transmission lines using breakers open-switching travelling waves. IET Gener. Transm. Distrib. 2012, 6, 88–98. [Google Scholar] [CrossRef]
- Sharafi, A.; Sanaye-Pasand, M.; Jafarian, P. Ultra-high-speed protection of parallel transmission lines using current travelling waves. IET Gener. Transm. Distrib. 2011, 5, 656–666. [Google Scholar] [CrossRef]
- Clarke, E. Circuit Analysis of AC Power Systems—Volume 1; Wiley: New York, NY, USA, 1950; pp. 197–223. ISBN 933304261X. [Google Scholar]
- Wagner, C.F.; Evans, R.D. Symmetrical Components; Robert, E., Ed.; Krieger Publishing: Malabar, FL, USA, 1982; ISBN 089874556X. [Google Scholar]
- Sutherland, P.E. Double contingency ground fault current evaluation. IEEE Power Eng. Rev. 2002, 22, 59–61. [Google Scholar] [CrossRef]
- Campoccia, A.; Riva Sanseverino, E.; Zizzo, G. Double earth fault effects in presence of interconnected earth electrodes. In Proceedings of the 20th International Conference on Electricity Distribution (CIRED 2009), Prague, Czech Republic, 8–11 June 2009. [Google Scholar]
- Campoccia, A.; Zizzo, G. Results of the research on global earthing systems: A contribution to the problem of their identification. Int. Rev. Electr. Eng. 2013, 8, 411–421. [Google Scholar]
- La Cascia, D.; Zizzo, G. Effects of double ground faults in wind farms collector cables. In Proceedings of the 2015 IEEE 15th International Conference on Environment and Electrical Engineering (EEEIC 2015), Rome, Italy, 10–13 June 2015. [Google Scholar]
- Roy, L. Generalised polyphase fault-analysis program: calculation of cross-country fault. IET Digit. Libr. 1979, 126, 995–1001. [Google Scholar] [CrossRef]
- Laughton, M.A. The analysis of unbalanced polyphase networks by the method of phase co-ordinates. Part 1. System representation in phase frame of reference. IET Digit. Libr. 1968, 115, 1163–1172. [Google Scholar] [CrossRef]
- Laughton, M.A. Analysis of unbalanced polyphase networks by the method of phase co-ordinates. Part 2. Fault analysis. IET Digit. Libr. 1969, 116, 857–865. [Google Scholar] [CrossRef]
- Zhang, X.; Soudi, F.; Shirmohammadi, D.; Cheng, C.S. A distribution short circuit analysis approach using hybrid compensation method. IEEE Trans. Power Syst. 1995, 10, 2052–2059. [Google Scholar] [CrossRef]
- Gatta, F.M.; Iliceto, F. Calculation of current flow in grounding systems of substations and of HV line towers in line shield wires and cable sheaths during earth faults. Eur. Trans. Electr. Power 1998, 8, 81–90. [Google Scholar] [CrossRef]
- Gatta, F.M.; Iliceto, F.; Lauria, S. Nuove formule di calcolo dell’impedenza omopolare delle linee elettriche aeree di AT. L’Energia Elettrica–Ricerche 2002, 79. [Google Scholar]







| Component | Electrical Parameters | ||||
|---|---|---|---|---|---|
| PS transformer | Rated power Nt = 40 MVA | Rated voltages Vn1/Vn2 = 150 kV/20 kV | Short circuit impedance Zsc = 0.13 p.u. | ||
| CLs | Phase self impedance 0.2028 + j0.7495 Ω/km | Phase/phase mutual impedance 0.0492 + j0.6441 Ω/km | Screen self impedance 1.053 + j0.6896 Ω/km | Screen/Screen mutual impedance 0.0492 + j0.6441 Ω/km | Phase/screen mutual impedance 0.0492 + j0.6620 Ω/km |
| OHL | Phase self impedance 0.4783 + j 0.7 Ω/km | Phase/phase mutual impedance 0.0493 + j0.35 Ω/km | |||
| Ground resistance | SSs RESS = 5–10 Ω | PS REPS = 2 Ω | OHL REPOHL = 30 Ω | ||
| Case | Network Model | LG Fault Distance from PS (km) | CCF Current (kA) | Max. Screen Current at Fault Location (kA) | GPR at Fault Location (kV) | Screen Current at PS (kA) | Earth Current at PS (kA) | |||||
|---|---|---|---|---|---|---|---|---|---|---|---|---|
| LGF1 | LGF2 | LGF1 | LGF2 | LGF1 | LGF2 | LGF1 | LGF2 | Line1 | Line2 | |||
| (a) | Proposed | 1 CL | 4.5 CL | 4.86 | 4.88 | 4.19 | 4.45 | 1.14 | 2.52 | 3.99 | 3.83 | 0.152 |
| ATP | 4.85 | 4.84 | 4.18 | 4.40 | 1.19 | 2.65 | 4.06 | 3.81 | 0.153 | |||
| (b) | Proposed | 1 CL | 3 CL | 5.53 | 5.55 | 4.78 | 4.72 | 1.27 | 1.82 | 4.55 | 4.35 | 0.143 |
| ATP | 5.54 | 5.53 | 4.77 | 4.67 | 1.33 | 1.84 | 4.64 | 4.35 | 0.142 | |||
| (c) | Proposed | 10 OHL | 5 OHL | 0.520 | 0.483 | N/A | N/A | 1.044 | 4.83 | N/A | N/A | N/A |
| ATP | 0.522 | 0.482 | N/A | N/A | 1.045 | 4.82 | N/A | N/A | N/A | |||
| (d) | Proposed | 10 OHL | 3 OHL | 0.535 | 0.563 | N/A | 0.464 | 16.06 | 0.350 | N/A | 0.369 | 0.064 |
| ATP | 0.535 | 0.563 | N/A | 0.455 | 16.06 | 0.351 | N/A | 0.357 | 0.071 | |||
| (e) * | Proposed | 3 CL | 1 CL | 3.76 | 3.74 | 2.55 | 2.12 | 2.29 | 3.05 | N/A | N/A | 0.007 |
| ATP | 3.87 | 3.82 | 2.70 | 2.08 | 2.24 | 3.16 | N/A | N/A | 0.004 | |||
| Case | Network Model | LG Fault Distance from PS (km) | CCF Current (kA) | Max. Screen Current at Fault Location (kA) | GPR at Fault Location (kV) | Screen Current at PS (kA) | ||||
|---|---|---|---|---|---|---|---|---|---|---|
| LGF1 | LGF2 | LGF1 | LGF2 | LGF1 | LGF2 | LGF1 | LGF2 | |||
| (f) | Proposed | 1 CL | 4 CL | 5.62 | 5.61 | 4.74 | 4.96 | 1.08 | 2.21 | 0.97 |
| ATP | 5.59 | 5.58 | 4.74 | 4.91 | 1.14 | 2.15 | 1.01 | |||
| (g) | Proposed | 10 OHL | 15 OHL | 0.363 | 0.331 | N/A | N/A | 10.89 | 4.96 | N/A |
| ATP | 0.362 | 0.330 | N/A | N/A | 10.87 | 4.96 | N/A | |||
| (h) | Proposed | 10 OHL | 3 CL | 0.470 | 0.511 | N/A | 0.419 | 14.10 | 0.92 | N/A |
| ATP | 0.472 | 0.500 | N/A | 0.435 | 14.16 | 0.88 | N/A | |||
| (i) * | Proposed | 1 CL | 4 CL | 5.68 | 5.67 | 4.89 | 5.00 | 1.78 | 2.12 | N/A |
| ATP | 5.66 | 5.66 | 4.81 | 4.92 | 1.74 | 2.11 | N/A | |||
© 2018 by the authors. Licensee MDPI, Basel, Switzerland. This article is an open access article distributed under the terms and conditions of the Creative Commons Attribution (CC BY) license (http://creativecommons.org/licenses/by/4.0/).
Share and Cite
Gatta, F.M.; Geri, A.; Lauria, S.; Maccioni, M. An Equivalent Circuit for the Evaluation of Cross-Country Fault Currents in Medium Voltage (MV) Distribution Networks. Energies 2018, 11, 1929. https://doi.org/10.3390/en11081929
Gatta FM, Geri A, Lauria S, Maccioni M. An Equivalent Circuit for the Evaluation of Cross-Country Fault Currents in Medium Voltage (MV) Distribution Networks. Energies. 2018; 11(8):1929. https://doi.org/10.3390/en11081929
Chicago/Turabian StyleGatta, Fabio Massimo, Alberto Geri, Stefano Lauria, and Marco Maccioni. 2018. "An Equivalent Circuit for the Evaluation of Cross-Country Fault Currents in Medium Voltage (MV) Distribution Networks" Energies 11, no. 8: 1929. https://doi.org/10.3390/en11081929
APA StyleGatta, F. M., Geri, A., Lauria, S., & Maccioni, M. (2018). An Equivalent Circuit for the Evaluation of Cross-Country Fault Currents in Medium Voltage (MV) Distribution Networks. Energies, 11(8), 1929. https://doi.org/10.3390/en11081929
