An Improved Centralized Control Structure for Compensation of Voltage Distortions in Inverter-Based Microgrids
Abstract
1. Introduction
2. Concept of Resonance Modes
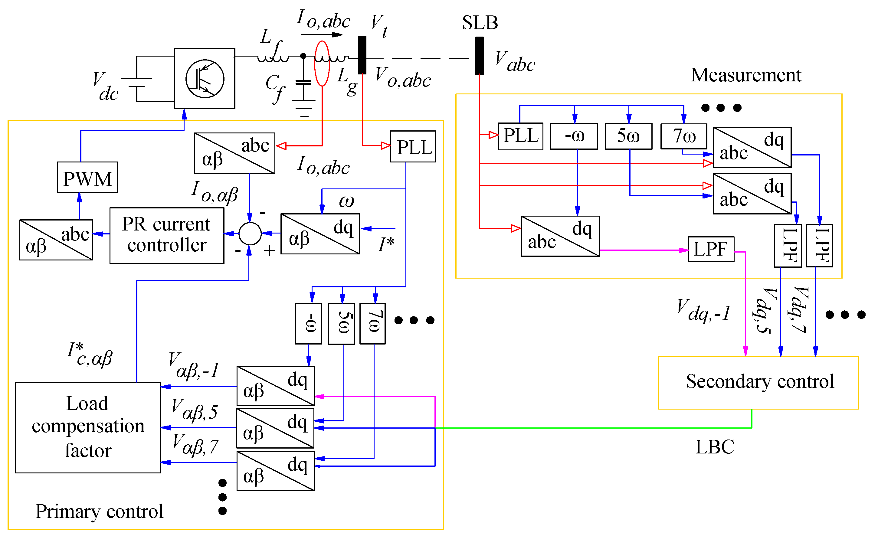
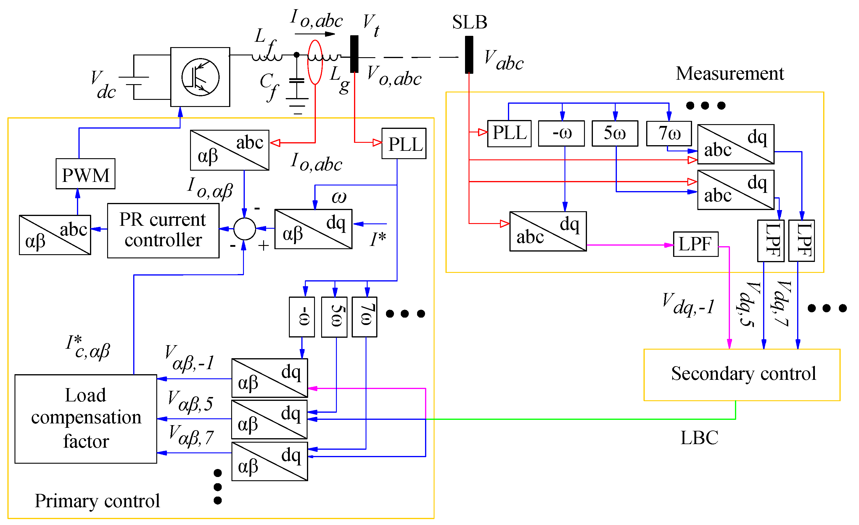
3. MG Hierarchical Control Scheme
3.1. Secondary Control Level
3.2. Primary Control Level
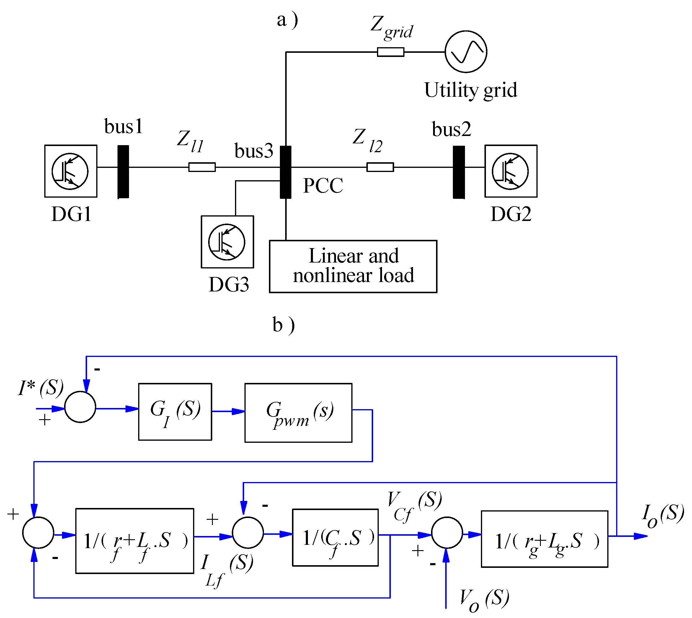
4. The MG Admittance Model
5. Identification of the Priority Factors
6. Simulation Results
- Step 1 (): DGs operate with only a fundamental controller, and harmonic compensation is not used.
- Step 2 (): harmonic compensation is added.
- Step 3 (): non-uniform harmonic compensation is activated.
6.1. Simulation Step 1
6.2. Simulation Step 2
6.3. Simulation Step 3
7. Conclusions
Author Contributions
Funding
Conflicts of Interest
References
- Arrillaga, J.; Watson, N.R. Power System Harmonics; Wiley: Hoboken, NJ, USA, 2003. [Google Scholar]
- Cheng, P.; Chen, C.; Lee, T.; Kuo, S. A cooperative imbalance compensation method for distributed-generation interface converters. IEEE Trans. Ind. Appl. 2009, 45, 805–815. [Google Scholar] [CrossRef]
- Savaghebi, M.; Jalilian, A.; Vasquez, J.C.; Guerrero, J.M. Autonomous voltage unbalance compensation in an islanded droop-controlled microgrid. IEEE Trans. Ind. Electron. 2013, 60, 1390–1402. [Google Scholar] [CrossRef]
- Lee, T.L.; Cheng, P.T. Design of a new cooperative harmonic filtering strategy for distributed generation interface converters in an islanding network. IEEE Trans. Power Electron. 2007, 22, 1919–1927. [Google Scholar] [CrossRef]
- He, J.; Li, Y.W.; Munir, M.S. A flexible harmonic control approach through voltage-controlled DG-grid interfacing converters. IEEE Trans. Ind. Electron. 2012, 59, 444–455. [Google Scholar] [CrossRef]
- Munir, M.S.; Li, Y.W.; Tian, H. Improved residential distribution system harmonic compensation scheme using power electronics interfaced DGs. IEEE Trans. Smart Grid 2016, 7, 1191–1203. [Google Scholar] [CrossRef]
- Munir, M.S.; Li, Y.W. Residential distribution system harmonic compensation using PV interfacing inverter. IEEE Trans. Smart Grid 2013, 4, 816–827. [Google Scholar] [CrossRef]
- Savaghebi, M.; Jalilian, A.; Vasquez, J.C.; Guerrero, J.M. Secondary control for voltage quality enhancement in microgrids. IEEE Trans. Smart Grid 2012, 3, 1893–1902. [Google Scholar] [CrossRef]
- Wada, K.; Fujita, H.; Akagi, H. Considerations of a shunt active filter based on voltage detection for installation on a long distribution feeder. IEEE Trans. Ind. Appl. 2002, 38, 1123–1130. [Google Scholar] [CrossRef]
- Swathi, K.; Bhavana, K. A hierarchical control approach for voltage unbalance compensation in a droop—Controlled micro-grid. IJCTA Int. Sci. Press 2016, 9, 213–223. [Google Scholar]
- Wu, L.; Yang, X.; Hao, X.; Lei, Y.; Li, Y.W. Network hierarchical control scheme for voltage unbalance compensation in an islanded microgrid with multiple inverters. ICIC Int. J. Innov. Comput. Inf. Control 2015, 11, 2089–2102. [Google Scholar]
- Hashempour, M.; Savaghebi, M.; Vasquez, J.C. Hierarchical control for voltage harmonics compensation in multi-area microgrids. In Diagnostics for Electrical Machines, Power Electronics and Drives (SDEMPED); IEEE: Guarda, Portugal, 2015; pp. 415–420. [Google Scholar]
- Savaghebi, M.; Jalilian, A.; Vasquez, J.C.; Guerrero, J.M.; Lee, T.L. Selective compensation of voltage harmonics in grid-connected microgrids. Math. Comput. Simul. 2013, 91, 211–228. [Google Scholar] [CrossRef]
- Savaghebi, M.; Shafiee, Q.; Vasquez, J.C.; Guerrero, J.M. Adaptive virtual impedance scheme for selective compensation of voltage unbalance and harmonics in microgrids. In Power and Energy Society General Meeting; IEEE: Denver, CO, USA, 2015; pp. 1–5. [Google Scholar]
- Han, Y.; Shen, P.; Zhao, X.; Guerrero, J.M. An enhanced power sharing scheme for voltage unbalance and harmonics compensation in an islanded AC microgrid. IEEE Trans. Energy Convers. 2016, 31, 1037–1050. [Google Scholar] [CrossRef]
- He, J.; Li, Y.W.; Bosnjak, D.; Harris, B. Investigation and active damping of multiple resonances in a parallel-inverter-based microgrid. IEEE Trans. Power Electron. 2013, 28, 234–246. [Google Scholar] [CrossRef]
- Bradt, M.; Badrzadeh, B.; Camm, E. Harmonics and resonance issues in wind power plants. In Transmission and Distribution Conference and Exposition (T&D); IEEE: Orlando, FL, USA, 2012; pp. 1–8. [Google Scholar]
- Xu, W.; Huang, Z.; Cui, Y.; Wang, H. Harmonic resonance mode analysis. IEEE Trans. Power Deliv. 2005, 20, 1182–1190. [Google Scholar] [CrossRef]
- IEEE Standard 1459–2010. Definitions for the measurement of electric power quantities under sinusoidal, nonsinusoidal, balanced or unbalanced conditions. In IEEE Transaction on Industry Applications; IEEE: Greenfield, WI, USA, 2010. [Google Scholar]
- Wang, X.; Blaabjerg, F.; Liserre, M.; Chen, Z.; He, J.; Li, Y. An active damper for stabilizing power-electronics-based ac systems. IEEE Trans. Power Electron. 2014, 29, 3318–3329. [Google Scholar] [CrossRef]
- Papathanassiou, S. Study-Case LV Network. Available online: http://microgrids.power.ece.ntua.gr/documents/Study-Case%20LVNetwork.pdf (accessed on 17 October 2014).










| Harmonic Order | Critical Impedance | Participation Factor of | ||
|---|---|---|---|---|
| Bus 1 | Bus 2 | Bus 3 | ||
| 11.21 | 478.0 | 0.25 | 0.59 | 0.14 |
| 13.74 | 21.13 | 0.57 | 0.37 | 0.05 |
| 21.32 | 15.13 | 0.16 | 0.02 | 0.80 |
| Harmonic Order | Critical Impedance | Participation Factor of | ||
|---|---|---|---|---|
| Bus 1 | Bus 2 | Bus 3 | ||
| 7.18 | 87.8 | 0.29 | 0.51 | 0.62 |
| 9.07 | 206.82 | 0.45 | 0.49 | 0.25 |
| 17.13 | 658.85 | 0.33 | 0.04 | 0.86 |
| Symbol | Parameter | Value | Unit |
|---|---|---|---|
| Voltage of DC link | 650 | V | |
| Balanced load | 5 + j6 | Ω | |
| Unbalanced load | 20 + j6.5 | Ω | |
| Filter inductances | 0.2, 1.8 | mH | |
| Switching frequency | 10 | kHZ | |
| ,,, | Virtual resistances | 9 | Ω |
| Filter capacitor | 25 | μF | |
| Controller coefficients | 1, 100 | - | |
| Unbalance factors | 0.5, 0.5, 1 | - |
© 2018 by the authors. Licensee MDPI, Basel, Switzerland. This article is an open access article distributed under the terms and conditions of the Creative Commons Attribution (CC BY) license (http://creativecommons.org/licenses/by/4.0/).
Share and Cite
Afrasiabi, M.; Rokrok, E. An Improved Centralized Control Structure for Compensation of Voltage Distortions in Inverter-Based Microgrids. Energies 2018, 11, 1862. https://doi.org/10.3390/en11071862
Afrasiabi M, Rokrok E. An Improved Centralized Control Structure for Compensation of Voltage Distortions in Inverter-Based Microgrids. Energies. 2018; 11(7):1862. https://doi.org/10.3390/en11071862
Chicago/Turabian StyleAfrasiabi, Morteza, and Esmaeel Rokrok. 2018. "An Improved Centralized Control Structure for Compensation of Voltage Distortions in Inverter-Based Microgrids" Energies 11, no. 7: 1862. https://doi.org/10.3390/en11071862
APA StyleAfrasiabi, M., & Rokrok, E. (2018). An Improved Centralized Control Structure for Compensation of Voltage Distortions in Inverter-Based Microgrids. Energies, 11(7), 1862. https://doi.org/10.3390/en11071862
