Adaptive-MPPT-Based Control of Improved Photovoltaic Virtual Synchronous Generators
Abstract
:1. Introduction
2. Overview of Fundamental Problems
- (1)
- PV maximum available power is adequate.
- (2)
- PV maximum available power is inadequate.
3. Methods
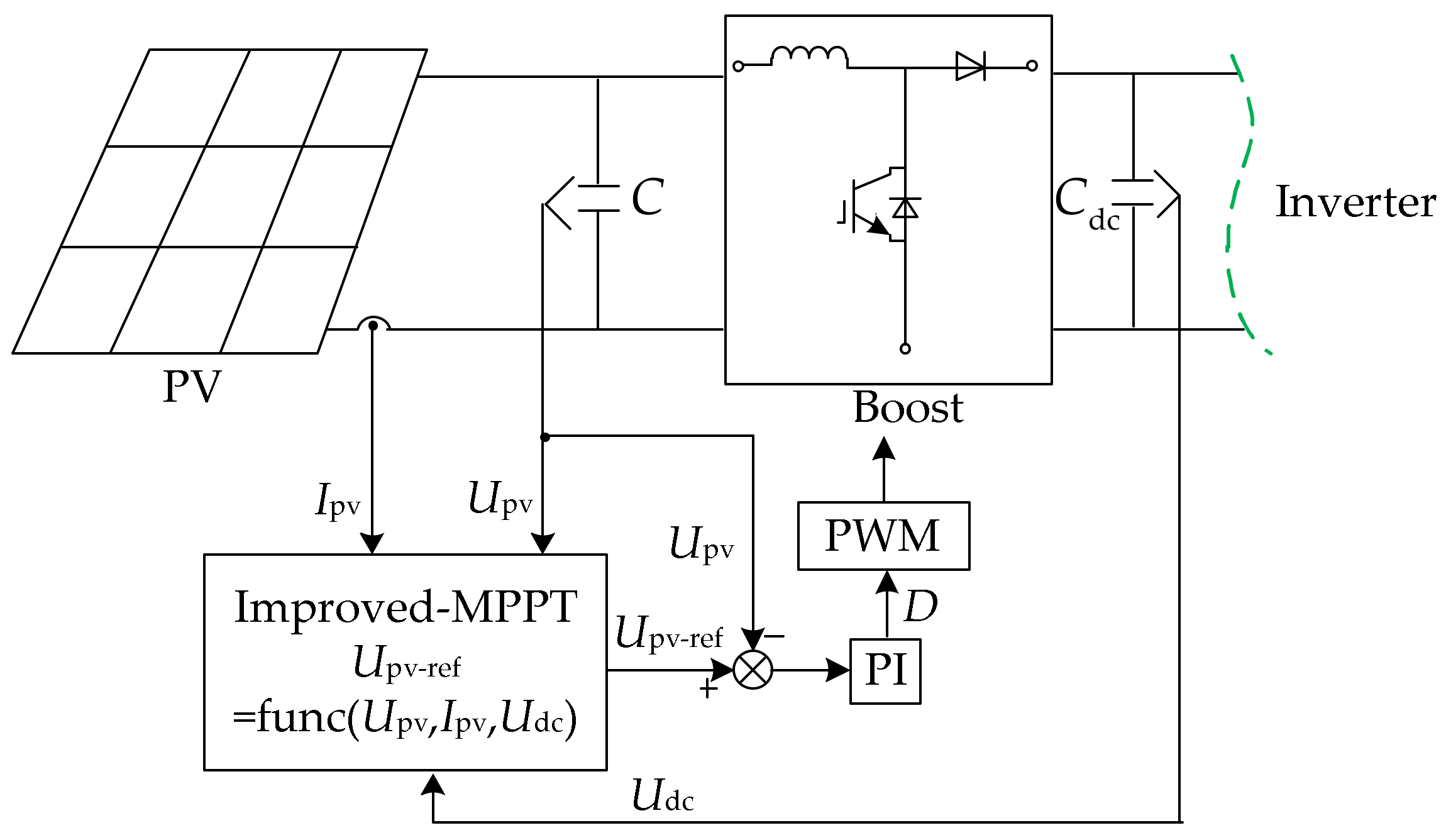
3.1. PV-Boost Control
3.1.1. Overall Control Scheme of Pre-Stage PV-Boost
3.1.2. Adaptive-MPPT Algorithm
- When Pneed < Pmax, PV works at B point within [Umpp, Uoc] to output power equal to Pneed.
- When Pneed ≥ Pmax, PV works at M point to output maximum power Pmax.
- (1)
- Ensure that PV operates within the stable operating area [Umpp, Uoc].
- (2)
- Whether the DC bus voltage Udc is stable at the set reference value Udc-ref is used as a criterion for judging whether supply and demand match.
- (3)
- When the PV output power is in surplus, adaptive-MPPT causes the DC bus voltage to remain at the set reference value Udc-ref constantly.
- (4)
- When the PV maximum output is insufficient at a given time, Udc < Udc-ref, adaptive-MPPT runs MPP to determine maintain maximum output.
- (1)
- When the PV system starts for the first time, the slope is . To prevent PV from operating in unstable areas, the algorithm enables PV run to [Umpp, Uoc] with y = 1, which ensures accurate tracking in the stable region all the time.
- (2)
- In the stable area, according to difference-value ΔUdc sign of the actual DC bus voltage Udc and set value Udc-ref, PV regulates output power to meet supply-demand matching, i.e., Ppv = Pneed. There are three main situations.
- When ΔUdc(k) > 0, in this case, Ppv(k) > Pneed(k), the PV output power should be reduced, so the voltage judgement sign is x = −1.
- When ΔUdc(k) < 0, in this case, Ppv(k) < Pneed(k), the PV output power ought to increase, so the voltage judgement sign is x = 1.
- When ΔUdc(k) = 0, in this case, Ppv(k) = Pneed(k), the voltage judgement sign is x = 0.
Nevertheless, since the actual adjustment direction is opposite to the voltage judgment sign in the stable area, the PV regulates with y = −x. Most notably, If the PV maximum output power is less than the load or the dispatch demand invariably, ΔUdc is always less than zero, so y = −x = −1. Thus, this algorithm jumps out of the ΔUdc judgment step and turns into the traditional MPPT control based on the conductance increment method. - (3)
- The actual step size is obtained, thereby refreshing the PV voltage value Upv.
- In the case of sufficient PV power, adaptive-MPPT enables two-stage PV to transmit power in accordance with the load or dispatching requirements, while guaranteeing DC bus voltage Udc = Udc-ref.
- Under conditions where PV maximum output power is inadequate, adaptive-MPPT automatically switches to traditional MPPT control, always outputting maximum power to decrease the power shortage. At this moment, the DC bus voltage is no longer controlled.
3.2. Inverter Control
3.2.1. VSG Basic Modeling
3.2.2. Improved-VSG Control
- In off-grid mode, switch SB is closed, while switch SA is open, so ΔX is introduced into the reactive power loop to revise the reactive power reference QN′, i.e., QN′ = QN + ΔX ≤ QN.
- In grid-connected mode, switch SA is closed. Since voltage is sustained by the bulk power system, switch SB is open. Active power reference PN′ is modified by ΔX, i.e., PN′ = PN + ΔX ≤ PN.
- (1)
- When the PV output power is surplus, pre-stage adaptive-MPPT changes the working point to achieve Ppv = Pneed, so that the DC bus voltage can stabilize at the reference value Udc-ref. Thus, ΔX = 0, the additional control is inoperative, in this case, the adaptive-MPPT cooperates with VSG basic control.
- (2)
- When the PV maximum output is insufficient, i.e., Pmax < Pneed, although MPPT keeps PV outputting maximum power at all times, it still cannot meet the load or dispatch power requirements. Consequently, the DC bus capacitance will discharge, with the result that Udc failed to keep at Udc-ref. If the power difference-value is higher, Udc will continue to fall until it collapses. In such situations, additional control takes effect.
- In off-grid mode, load power is related to voltage. ΔX acts on the reactive power loop to indirectly decrease the voltage amplitude, so as to reduce the inverter output power, which lowers the decline degree of Udc to improve the PV steadiness.
- In grid-connected mode, the dispatching power is greater than the PV maximum output, resulting in insufficient power. ΔX is led into the active power loop to lessen dispatching power reference value, which prevents Udc from falling ceaselessly.
- In situations of adequate PV power, the adaptive-MPPT-controlled pre-stage DC/DC converter accomplishes stability of the DC bus voltage, which can be considered a constant DC source. At this point, post-stage improved-VSG control mainly causes the inverter to present inertia, damping and primary regulation characteristics of the SG, that is, achieving VSG basic function.
- When the PV power is inadequate, the DC bus voltage is not managed by pre-stage DC/DC circuit anymore, since adaptive-MPPT changes into a traditional MPPT. Under this condition, additional control of the improved-VSG is effective to prevent the continuous drop of the DC bus voltage, thus enhancing the stability of the PV system.
3.2.3. Complete Control Scheme of Post-Stage Inverter
4. Results
4.1. Simulation System and Simulation Parameters
4.2. Verification Process
4.2.1. Off-Grid Mode
- (1)
- Variation of Load Demand
- (2)
- Variation of PV Maximum Output Power
4.2.2. Grid-Connected Mode
- (1)
- Variation of Dispatching Power Demand
- (2)
- Variation of PV Maximum Output Power
5. Conclusions
Author Contributions
Acknowledgments
Conflicts of Interest
References
- Yang, X.; Song, Y.; Wang, G.; Wang, W. A comprehensive review on the development of sustainable energy strategy and implementation in China. IEEE Trans. Sustain. Energy 2010, 1, 57–65. [Google Scholar] [CrossRef]
- Cucchiella, F.; D’Adamo, I.; Gastaldi, M. Economic Analysis of a Photovoltaic System: A Resource for Residential Households. Energies 2017, 10, 814. [Google Scholar] [CrossRef]
- Zsiborács, H.; Hegedűsné Baranyai, N.; Vincze, A.; Háber, I.; Pintér, G. Economic and Technical Aspects of Flexible Storage Photovoltaic Systems in Europe. Energies 2018, 11, 1445. [Google Scholar] [CrossRef]
- Liu, J.; Long, Y.; Song, X. A Study on the Conduction Mechanism and Evaluation of the Comprehensive Efficiency of Photovoltaic Power Generation in China. Energies 2017, 10, 723. [Google Scholar]
- Han, P.; Lin, Z.; Wang, L.; Fan, G.; Zhang, X. A Survey on Equivalence Modeling for Large-Scale Photovoltaic Power Plants. Energies 2018, 11, 1463. [Google Scholar] [CrossRef]
- National Development and Reform Commission, Ministry of Finance, National Energy Administration. Notice on Matters Related to Photovoltaic Power Generation in 2018. Available online: http://www.ndrc.gov.cn/gzdt/201806/t20180601_888639.html (accessed on 31 May 2018).
- Su, M.; Luo, C.; Hou, X.; Yuan, W.; Liu, Z.; Han, H.; Guerrero, J.M. A communication-free decentralized control for grid-connected cascaded PV inverters. Energies 2018, 11, 1375. [Google Scholar] [CrossRef]
- Chen, D.; Jiang, J.; Qiu, Y.; Zhang, J.; Huang, F. Single-stage three-phase current-source photovoltaic grid-connected inverter high voltage transmission ratio. IEEE Trans. Power Electron. 2017, 32, 7591–7601. [Google Scholar] [CrossRef]
- Zhong, Q.C.; Weiss, G. Synchronverters: Inverters that mimic synchronous generators. IEEE Trans. Ind. Electron. 2011, 58, 1259–1267. [Google Scholar] [CrossRef]
- Chen, D.; Xu, Y.; Huang, A.Q. Integration of dc microgrids as virtual synchronous machines into the ac grid. IEEE Trans. Ind. Electron. 2017, 99, 7455–7466. [Google Scholar] [CrossRef]
- Zhong, Q.C. Virtual synchronous machines: A unified interface for grid integration. IEEE Power Electron. Mag. 2016, 3, 18–27. [Google Scholar] [CrossRef]
- National Energy Administration. Guidance on Promoting Smart Grid Development. Available online: http://www.ndrc.gov.cn/gzdt/201507/t20150706_736625.html (accessed on 6 June 2018).
- Zheng, T.; Chen, L.; Liu, W.; Guo, Y.; Mei, S. Multi-mode operation control for photovoltaic virtual synchronous generator considering the dynamic characteristics of primary source. Proc. CSEE 2017, 37, 454–464. (In Chinese) [Google Scholar]
- Shintai, T.; Miura, Y.; Ise, T. Oscillation damping of a distributed generator using a virtual synchronous generator. IEEE Trans. Power Del. 2014, 29, 668–676. [Google Scholar] [CrossRef]
- Shi, K.; Zhou, G.; Xu, P.; Ye, H.; Tan, F. The integrated switching control strategy for grid-connected and islanding operation of micro-grid inverters based on a virtual synchronous generator. Energies 2018, 11, 1544. [Google Scholar] [CrossRef]
- Yao, G.; Lu, Z.; Wang, Y.; Benbouzid, M.; Moreau, L. A virtual synchronous generator based hierarchical control scheme of distributed generation systems. Energies 2017, 10, 2049. [Google Scholar] [CrossRef]
- Zheng, T.; Chen, L.; Guo, Y.; Mei, S. Comprehensive control strategy of virtual synchronous generator under unbalanced voltage conditions. IET Gener. Transm. Dis. 2018, 12, 1621–1630. [Google Scholar] [CrossRef]
- Wu, H.; Ruan, X.; Yang, D.; Chen, X.; Zhao, W.; Lv, Z.; Zhong, Q.C. Small-signal modeling and parameters design for virtual synchronous generators. IEEE Trans. Ind. Electron. 2016, 63, 4292–4303. [Google Scholar] [CrossRef]
- Yan, X.; Zhang, X.; Zhang, B.; Ma, Y.; Wu, M. Research on distributed PV storage virtual synchronous generator system and its static frequency characteristic analysis. Appl. Sci. 2018, 8, 532. [Google Scholar] [CrossRef]
- Mao, M.; Qian, C.; Ding, Y. Decentralized coordination power control for islanding microgrid based on PV/BES-VSG. CPSS TPEA 2018, 3, 14–24. [Google Scholar] [CrossRef]
- Liu, J.; Miura, Y.; Ise, T. Comparison of dynamic characteristics between virtual synchronous generator and droop control in inverter-based distributed generators. IEEE Trans. Power Electron. 2016, 31, 3600–3611. [Google Scholar] [CrossRef]
- Gao, B.; Xia, C.; Chen, N.; Cheema, K.; Yang, L.; Li, C. Virtual synchronous generator based auxiliary damping control design for the power system with renewable generation. Energies 2017, 10, 1146. [Google Scholar] [CrossRef]
- Guo, Y.; Chen, L.; Li, K.; Zheng, T.; Mei, S. A novel control strategy for stand-alone photovoltaic system based on virtual synchronous generator. In Proceedings of the 2016 IEEE Power and Energy Society General Meeting (PESGM), Boston, MA, USA, 17–21 July 2016; pp. 1–5. [Google Scholar]
- Mei, S.; Zheng, T.; Chen, L.; Li, C.; Si, Y.; Guo, Y. A comprehensive consensus-based distributed control strategy for grid-connected PV-VSG. In Proceedings of the 2016 35th Chinese Control Conference (CCC), Chengdu, China, 27–29 July 2016; pp. 10029–10034. [Google Scholar]
- Fu, Y.; Wang, Y.; Zhang, X. Integrated wind turbine controller with virtual inertia and primary frequency responses for grid dynamic frequency support. IET Renew. Power Gen. 2017, 11, 1129–1137. [Google Scholar] [CrossRef]
- Zhang, Z.S.; Sun, Y.Z.; Lin, J.; Li, G.J. Coordinated frequency regulation by doubly fed induction generator-based wind power plants. IET Renew. Power Gen. 2012, 6, 38–47. [Google Scholar] [CrossRef]
- Wang, Y.; Meng, J.; Zhang, X.; Xu, L. Control of PMSG-based wind turbines for system inertial response and power oscillation damping. IEEE Trans. Sustain. Energy 2015, 6, 565–574. [Google Scholar] [CrossRef]
- Hua, T.; Yan, X.; Fan, W. Research on power point tracking algorithm considered spinning reserve capacity in gird-connected photovoltaic system based on VSG control strategy. In Proceedings of the 2017 IEEE 3rd International Future Energy Electronics Conference and ECCE Asia (IFEEC 2017—ECCE Asia), Kaohsiung, Taiwan, 3–7 June 2017; pp. 2059–2063. [Google Scholar]
- Tang, L.; Xu, W.; Mu, C. Analysis for step-size optimisation on MPPT algorithm for photovoltaic systems. IET Power Electron. 2017, 10, 1647–1654. [Google Scholar] [CrossRef]
- Killi, M.; Samanta, S. Modified perturb and observe MPPT algorithm for drift avoidance in photovoltaic systems. IEEE Trans. Ind. Electron. 2015, 62, 5549–5559. [Google Scholar] [CrossRef]
- Zhang, B.; Yan, X.; Li, D.; Zhang, X.; Han, J.; Xiao, X. Stable operation and small-signal analysis of multiple parallel DG inverters based on a virtual synchronous generator scheme. Energies 2018, 11, 203. [Google Scholar] [CrossRef]
- D’Arco, S.; Suul, J.A. Equivalence of virtual synchronous machines and frequency-droops for converter-based microgrids. IEEE Trans. Smart Grid 2014, 5, 394–395. [Google Scholar] [CrossRef]















| Parameters | Values | |
|---|---|---|
| Boost circuit parameters | PV-side capacitance, C | 30 μF |
| Inductance, L | 1 mH | |
| DC side capacitance, Cdc | 5000 μF | |
| Filter parameters | The series inductance of the filter, Lf | 10 mH |
| The parallel capacitance of the filter, Cf | 350 μF | |
| System parameters | Reference value of DC voltage, Udc-ref | 800 V |
| Rated frequency | 50 Hz | |
| The rated phase voltage of power system | 220 V | |
| Inverter switching frequency | 5 kHz | |
| Control parameters | The P-ω droop coefficient, Dp | 0.0003 |
| The Q-U droop coefficient, Dq | 0.003 | |
| The virtual inertia of VSG, J | 0.1 | |
| The virtual damping of VSG, D | 20 | |
| The proportionality factor of additional control in improved-VSG control, PUdc | 50 | |
| The integration factor of additional control in improved-VSG control, IUdc | 0.01 |
| Time (s) | Light Intensity (W/m2) | Pmax (kW) | Umpp (V) |
|---|---|---|---|
| Before 1 s | 1000 | 15 | 370 |
| 1~1.5 s | 1200 | 18.2 | 380 |
| After 1.5 s | 700 | 9.5 | 342 |
© 2018 by the authors. Licensee MDPI, Basel, Switzerland. This article is an open access article distributed under the terms and conditions of the Creative Commons Attribution (CC BY) license (http://creativecommons.org/licenses/by/4.0/).
Share and Cite
Yan, X.; Li, J.; Wang, L.; Zhao, S.; Li, T.; Lv, Z.; Wu, M. Adaptive-MPPT-Based Control of Improved Photovoltaic Virtual Synchronous Generators. Energies 2018, 11, 1834. https://doi.org/10.3390/en11071834
Yan X, Li J, Wang L, Zhao S, Li T, Lv Z, Wu M. Adaptive-MPPT-Based Control of Improved Photovoltaic Virtual Synchronous Generators. Energies. 2018; 11(7):1834. https://doi.org/10.3390/en11071834
Chicago/Turabian StyleYan, Xiangwu, Jiajia Li, Ling Wang, Shuaishuai Zhao, Tie Li, Zhipeng Lv, and Ming Wu. 2018. "Adaptive-MPPT-Based Control of Improved Photovoltaic Virtual Synchronous Generators" Energies 11, no. 7: 1834. https://doi.org/10.3390/en11071834
APA StyleYan, X., Li, J., Wang, L., Zhao, S., Li, T., Lv, Z., & Wu, M. (2018). Adaptive-MPPT-Based Control of Improved Photovoltaic Virtual Synchronous Generators. Energies, 11(7), 1834. https://doi.org/10.3390/en11071834
