3-Leg Inverter Control for 2-Phase Outer Rotor Coreless Torque Actuator in Hybrid Multi-D.O.F System
Abstract
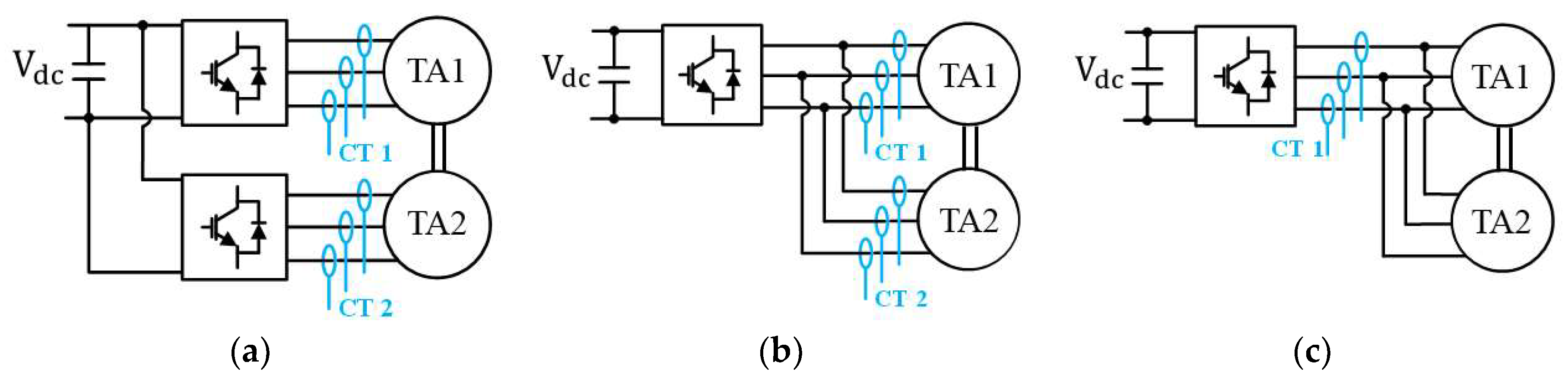
:1. Introduction
2. 2-Phase Torque Actuator from Design Perspective
2.1. Previous Generation
2.2. Proposed 2-Phase Outer Rotor TA
3. 2-Phase Torque Actuator from Control Perspective
3.1. Output Voltage Vector for 2-Phase TA
3.2. Voltage Modulation Method
4. Simulation
4.1. 1-D.O.F Rotation Control for the 2-Phase Outer TA
4.2. 2-D.O.F Tiling Control for the 2-Phase Outer TA
5. Conclusions
Author Contributions
Funding
Conflicts of Interest
Nomenclature
| Symbol | Signification | Symbol | Signification |
| p | number of pole | VDC | DC link voltage |
| Ld, Lq | dq-axis inductance | rotor reference frame voltage | |
| is | output current | ||
| current angle | stationary reference frame voltage | ||
| flux linkage | |||
| Tnp | output torque | stationary reference frame pole voltage | |
| V* | output voltage reference | offset voltage | |
| D | turn on duty of switches | Sabn | switching state function |
| Ts | sampling period | estimated rotor angle |
References
- Kahlen, K.; Voss, I.; Priebe, C.; De Doncker, R.W. Torque control of a spherical machine with variable pole pitch. IEEE Trans. Power Electron. 2004, 19, 1628–1634. [Google Scholar] [CrossRef]
- Kang, D.W.; Kim, W.H.; Go, S.C.; Jin, C.S.; Won, S.H.; Koo, D.H.; Lee, J. Method of Current Compensation for Reducing Error of Holding Torque of Permanent-Magnet Spherical Wheel Motor. IEEE Trans. Magn. 2009, 45, 2819–2822. [Google Scholar]
- Park, H.J.; Lee, H.J.; Cho, S.Y.; Ahn, H.W.; Lee, K.D.; Park, C.Y.; Won, S.H.; Lee, J. A Performance Study on a Permanent Magnet Spherical Motor. IEEE Trans. Magn. 2013, 49, 2307–2310. [Google Scholar] [CrossRef]
- Lee, H.J.; Park, H.J.; Hong, H.S.; Won, S.H.; Jin, C.S.; Lee, B.S.; Lee, J. An Analytic Analysis of the Multi-Degree-of-Freedom Actuator. IEEE Trans. Magn. 2015, 51, 1–4. [Google Scholar]
- Hong, H.S.; Won, S.H.; Lee, H.W.; Bae, J.N.; Lee, J. Design of Torque Actuator in Hybrid Multi-DOF System Considering Magnetic Saturation. IEEE Trans. Magn. 2015, 51, 1–4. [Google Scholar] [CrossRef]
- Seo, J.M.; Kim, J.H.; Jung, I.S.; Jung, H.K. Design and Analysis of Slotless Brushless DC Motor. IEEE Trans. Ind. Appl. 2011, 47, 730–735. [Google Scholar] [CrossRef]
- Ghanbari, T.; Moghadam, M.S.; Darabi, A. Comparison between coreless and slotless kinds of dual rotor discs hysteresis motors. IET Electr. Power Appl. 2016, 10, 133–140. [Google Scholar] [CrossRef]
- Khayatian, M.; Arefi, M.M. Adaptive dynamic surface control of a two-axis gimbal system. IET Sci. Meas. Technol. 2016, 10, 607–613. [Google Scholar] [CrossRef]
- Jang, D.H. PWM methods for two-phase inverters. IEEE Ind. Appl. Mag. 2007, 13, 50–61. [Google Scholar] [CrossRef]
- De Rossiter Correa, M.B.; Jacobina, C.B.; Lima, A.M.N.; da Silva, E.R.C. A three-leg voltage source inverter for two-phase AC motor drive systems. IEEE Trans. Power Electron. 2002, 17, 517–523. [Google Scholar] [CrossRef]
- Jang, D.H.; Yoon, D.Y. Space-vector PWM technique for two-phase inverter-fed two-phase induction motors. IEEE Trans. Ind. Appl. 2003, 39, 542–549. [Google Scholar] [CrossRef]
- Jang, D.H. Problems Incurred in a Vector-Controlled Single-Phase Induction Motor, and a Proposal for a Vector-Controlled Two-Phase Induction Motor as a Replacement. IEEE Trans. Power Electron. 2013, 28, 526–536. [Google Scholar] [CrossRef]
- Kim, J.H.; Sul, S.K. A carrier PWM method for three-phase four-leg voltage source converters. IEEE Trans. Power Electron. 2004, 19, 66–75. [Google Scholar] [CrossRef]










| Parameters | 2-Leg Inverter | 3-Leg Inverter | 4-Leg Inverter |
|---|---|---|---|
| Number of Power switches | 4 | 6 | 8 |
| Output voltage | 70.7% | 100% | 141% |
| Voltage vector | ![]() | ![]() | ![]() |
| No. | Switch State | Phase Voltage | Vector Classification | |||
|---|---|---|---|---|---|---|
| SA | SB | SN | VAS | VBS | ||
| V0 | 0 | 0 | 0 | 0 | 0 | Zero Vector |
| V1 | 1 | 0 | 0 | VDC | 0 | Effective Vector |
| V2 | 1 | 1 | 0 | VDC | VDC | |
| V3 | 0 | 1 | 0 | 0 | VDC | |
| V4 | 0 | 1 | 1 | −VDC | 0 | |
| V5 | 0 | 0 | 1 | −VDC | −VDC | |
| V6 | 1 | 0 | 1 | 0 | −VDC | |
| V7 | 1 | 1 | 1 | 0 | 0 | Zero Vector |
| Sector | TA | TB | TN |
|---|---|---|---|
| I, II | (VAS/VDC)·TS | (VAS/VDC)·TS | 0 |
| III | 0 | ((VBS − VAS)/VDC)·TS | −(VAS/VDC)·TS |
| IV, V | ((VDC + VAS)/VDC)·TS | ((VDC + VBS)/VDC)·TS | TS |
| VI | ((VAS − VBS)/VDC)·TS | 0 | −(VBS/VDC)·TS |
| Parameters | Values | Parameters | Values |
|---|---|---|---|
| Pole pairs | 7 | Ld [mH] | 0.056 |
| Inertia [g·m2] | 1.79 | Lq [mH] | 0.073 |
| Rated current [Arms] | 0.3 | Rs [] | 7.3 |
| Rated torque [mNm] | 17.02 | [V·s] | 3.195 |
© 2018 by the authors. Licensee MDPI, Basel, Switzerland. This article is an open access article distributed under the terms and conditions of the Creative Commons Attribution (CC BY) license (http://creativecommons.org/licenses/by/4.0/).
Share and Cite
Joo, K.J.; Lee, G.S.; Hong, H.S.; Won, S.H.; Lee, J. 3-Leg Inverter Control for 2-Phase Outer Rotor Coreless Torque Actuator in Hybrid Multi-D.O.F System. Energies 2018, 11, 1611. https://doi.org/10.3390/en11061611
Joo KJ, Lee GS, Hong HS, Won SH, Lee J. 3-Leg Inverter Control for 2-Phase Outer Rotor Coreless Torque Actuator in Hybrid Multi-D.O.F System. Energies. 2018; 11(6):1611. https://doi.org/10.3390/en11061611
Chicago/Turabian StyleJoo, Kyoung Jin, Gang Seok Lee, Hyun Seok Hong, Sung Hong Won, and Ju Lee. 2018. "3-Leg Inverter Control for 2-Phase Outer Rotor Coreless Torque Actuator in Hybrid Multi-D.O.F System" Energies 11, no. 6: 1611. https://doi.org/10.3390/en11061611
APA StyleJoo, K. J., Lee, G. S., Hong, H. S., Won, S. H., & Lee, J. (2018). 3-Leg Inverter Control for 2-Phase Outer Rotor Coreless Torque Actuator in Hybrid Multi-D.O.F System. Energies, 11(6), 1611. https://doi.org/10.3390/en11061611




