Fault Current Limiters in Power Systems: A Comprehensive Review
Abstract
1. Introduction
2. Superconducting and Non-Superconducting FCLs
3. Superconducting FCLs
3.1. Non-Inductive Type SFCL
3.2. Inductive Type SFCL
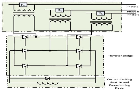
3.3. Transformer Type SFCL
3.4. Resistive Type SFCL
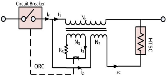
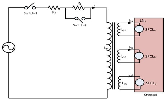
3.5. Hybrid SFCL
3.6. Flux-Lock Type SFCL
3.7. Magnetic Shield Type SFCL
4. Non-Superconducting FCLs
4.1. Series Dynamic Braking Resistor (SDBR)
4.2. Bridge Type Fault Current Limiter (BFCL)
4.3. Modified Bridge Type Fault Current Limiter (MBFCL)
4.4. DC Link Fault Current Limiter (DLFCL)
4.5. Transformer Coupled BFCL
5. Optimal Parameters and Placement of Fault Current Limiters
6. Field Tests of FCLs
7. FCLs in Stability and Fault Ride Through Capability Enhancement
8. Industry Practices/Practical Implementation
9. Current Challenges and Future Works
- ✓
- Economic analysis of FCLs.
- ✓
- Optimal placement and design of FCLs considering network uncertainties.
- ✓
- Analysis, application and feasibility studies of non-superconducting FCLs in HVDC and MTDC systems in order to reduce vulnerability of system with AC/DC faults.
- ✓
- Examining application FCLs for DFIG and or PMSG based large scale wind integrated VSC-HVDC system.
- ✓
- Comparative studies of superconducting and non-superconducting FCLs in terms of economic aspects and performance analysis.
- ✓
- Development of non-superconducting FCLs and conducting their field tests for real grid integration.
- ✓
- Coordinated control strategy can be developed between flexible AC transmission system (FACTS) devices and FCLs.
- ✓
- Linearized model can be developed for the system comprising FCLs to conduct small signal stability analysis and design FCLs parameters.
10. Conclusions
Author Contributions
Acknowledgments
Conflicts of Interest
References
- Noe, M.; Hyun, O.; Jagels, H. Investigation of the feasibility of superconducting fault current limiters in Seoul and Berlin. In Proceedings of the 6th European Conference on Applied Superconductivity, Sorrento, Italy, 14–18 September 2003; pp. 682–689. [Google Scholar]
- Ito, D.; Yoneda, E.S.; Tsurunaga, K.; Tada, T.; Hara, T.; Ohkuma, T.; Yamamoto, T. 6.6 kV/1.5 kA-class superconducting fault current limiter development. IEEE Trans. Magn. 1992, 28, 438–441. [Google Scholar] [CrossRef]
- Willen, D.W.A.; Cave, J.R. Short circuit test performance of inductive high T/sub c/ superconducting fault current limiters. IEEE Trans. Appl. Supercond. 1995, 5, 1047–1050. [Google Scholar] [CrossRef]
- Lim, S.-H.; Choi, H.-S.; Chung, D.-C.; Jeong, Y.-H.; Han, Y.-H.; Sung, T.-H.; Han, B.-S. Fault Current Limiting Characteristics of Resistive Type SFCL Using a Transformer. IEEE Trans. Appl. Supercond. 2005, 15, 2055–2058. [Google Scholar] [CrossRef]
- Sung, B.C.; Park, D.K.; Park, J.W.; Ko, T.K. Study on a series resistive sFCL to improve power system transient stability: Modeling, simulation, and experimental verification. IEEE Trans. Ind. Electron. 2009, 56, 2412–2419. [Google Scholar] [CrossRef]
- Sahebi, A.; Samet, H.; Ghanbari, T. Evaluation of power transformer inrush currents and internal faults discrimination methods in presence of fault current limiter. Renew. Sustain. Energy Rev. 2017, 68, 102–112. [Google Scholar] [CrossRef]
- Noe, M.; Hobl, A.; Tixador, P.; Martini, L.; Dutoit, B. Conceptual Design of a 24 kV, 1 kA Resistive Superconducting Fault Current Limiter. IEEE Trans. Appl. Supercond. 2012, 22, 5600304. [Google Scholar] [CrossRef]
- Elschner, S.; Kudymow, A.; Fink, S.; Goldacker, W.; Grilli, F.; Schacherer, C.; Hobl, A.; Bock, J.; Noe, M. ENSYSTROB—Resistive Fault Current Limiter Based on Coated Conductors for Medium Voltage Application. IEEE Trans. Appl. Supercond. 2011, 21, 1209–1212. [Google Scholar] [CrossRef]
- Lee, S.; Yoon, J.; Yang, B.; Moon, Y.; Lee, B. Analysis model development and specification proposal of 154kV SFCL for the application to a live grid in South Korea. Phys. C Supercond. Appl. 2014, 504, 148–152. [Google Scholar] [CrossRef]
- Hasan, M.; Rashid, G. Fault ride through capability improvement of DFIG based winds farm by fuzzy logic controlled parallel resonance fault current limiter. Electr. Power Syst. Res. 2016, 146, 1–8. [Google Scholar] [CrossRef]
- Tarafdar, M.T.; Jafari, M.; Naderi, S.B. Transient stability improvement using non-superconducting fault current limiter. In Proceedings of the 1st Power Electronic & Drive Systems & Technologies Conference (PEDSTC), Tehran, Iran, 17–18 February 2010; pp. 367–370. [Google Scholar]
- Hossain, M.E. Performance analysis of diode-bridge-type non-superconducting fault current limiter in improving transient stability of DFIG based variable speed wind generator. Electr. Power Syst. Res. 2017, 143, 782–793. [Google Scholar] [CrossRef]
- Hagh, M.T.; Abapour, M. Nonsuperconducting fault current limiter with controlling the magnitudes of fault currents. IEEE Trans. Power Electron. 2009, 24, 613–619. [Google Scholar] [CrossRef]
- Jo, H.C.; Joo, S.K. Superconducting fault current limiter placement for power system protection using the minimax regret criterion. IEEE Trans. Appl. Supercond. 2015, 25. [Google Scholar] [CrossRef]
- Blair, S.M.; Elders, I.M.; Booth, C.D.; Burt, G.M.; McCarthy, J.; Singh, N.K. Superconducting fault current limiter application in a power-dense marine electrical system. IET Electr. Syst. Transp. 2011, 1, 93–102. [Google Scholar] [CrossRef]
- Kim, M.H.; Kim, J.S.; You, I.K.; Lim, S.H.; Kim, J.C. A study on practical impedance of superconducting fault current limiter on bus tie in a power distribution system. J. Int. Counc. Electr. Eng. 2011, 1, 54–59. [Google Scholar] [CrossRef]
- Lee, J.-G.; Khan, U.A.; Hwang, J.-S.; Seong, J.-K.; Shin, W.-J.; Park, B.-B.; Lee, B.-W. Assessment on the influence of resistive superconducting fault current limiter in VSC-HVDC system. Phys. C Supercond. Appl. 2014, 504, 163–166. [Google Scholar] [CrossRef]
- Jo, H.C.; Joo, S.K.; Lee, K. Optimal placement of superconducting fault current limiters (SFCLs) for protection of an electric power system with distributed generations (DGs). IEEE Trans. Appl. Supercond. 2013, 23, 3–6. [Google Scholar] [CrossRef]
- Ye, L.Y.L.; Lin, L.L.L.; Juengst, K.-P. Application studies of superconducting fault current limiters in electric power systems. IEEE Trans. Appl. Supercond. 2002, 12, 900–903. [Google Scholar] [CrossRef]
- Hatta, H.; Muroya, S.; Nitta, T.; Shirai, Y.; Taguchi, M. Experimental study on limiting operation of Superconducting Fault Current Limiter in double circuit transmission line model system. IEEE Trans. Appl. Supercond. 2002, 12, 812–815. [Google Scholar] [CrossRef]
- Li, B.; Li, C.; Guo, F.; Xin, Y.; Wang, C.; Pang, X. Coordination of superconductive fault current limiters with zero-sequence current protection of transmission lines. IEEE Trans. Appl. Supercond. 2014, 24. [Google Scholar] [CrossRef]
- Llambes, J.C.H.; Hazelton, D.W.; Weber, C.S. Recovery under load performance of 2nd generation HTS superconducting fault current limiter for electric power transmission lines. IEEE Trans. Appl. Supercond. 2009, 19, 1968–1971. [Google Scholar] [CrossRef]
- Elmitwally, A.; Gouda, E.; Eladawy, S. Optimal allocation of fault current limiters for sustaining overcurrent relays coordination in a power system with distributed generation. Alexandria Eng. J. 2015, 54, 1077–1089. [Google Scholar] [CrossRef]
- Hemmati, S.; Sadeh, J. Applying superconductive fault current limiter to minimize the impacts of Distributed Generation on the distribution protection systems. In Proceedings of the 11th International Conference on Environment and Electrical Engineering, Venice, Italy, 18–25 May 2012; pp. 808–813. [Google Scholar]
- Mardani, M.; Fathi, S.H. Fault current limiting in a wind power plant equipped with a DFIG using the interface converter and an optimized located FCL. In Proceedings of the 6th Power Electronics, Drive Systems & Technologies Conference, Tehran, Iran, 3–4 February 2015; pp. 328–333. [Google Scholar]
- Zhao, Y.; Krause, O.; Saha, T.K.; Li, Y. Stability enhancement in distribution systems with DFIG-based wind turbine by use of SFCL. In Proceedings of the Australasian Universities Power Engineering Conference, Hobart, Australia, 29 September–3 October 2013; pp. 1–6. [Google Scholar]
- Chen, L.; Zheng, F.; Deng, C.; Li, Z.; Guo, F. Fault Ride-Through Capability Improvement of DFIG-Based Wind Turbine by Employing a Voltage-Compensation-Type Active SFCL. Can. J. Electr. Comput. Eng. 2015, 38, 132–142. [Google Scholar] [CrossRef]
- Mordadi-Bidgoli, M.; Heydari, H. Comprehensive FEM analysis for saturable core fault current limiters in distribution network. In Proceedings of the 22nd Iranian Conference on Electrical Engineering, ICEE 2014, Tehran, Iran, 20–22 May 2014; pp. 665–670. [Google Scholar]
- Gunawardana, S.M.; Perera, S.; Moscrop, J.W. Application of saturated core fault current limiters to interconnected distribution networks. In Proceedings of the Australasian Universities Power Engineering Conference: Challenges for Future Grids, Wollongong, Australia, 27–30 September 2015; pp. 1–6. [Google Scholar]
- Xue, S.; Gao, F.; Sun, W.; Li, B. Protection principle for a DC distribution system with a resistive superconductive fault current limiter. Energies 2015, 8, 4839–4852. [Google Scholar] [CrossRef]
- Li, B.; Li, Q.; Liu, H.; Han, M.; Huang, Z.; Wang, J. The overvoltage of interrupting off-load transmission line with series-resonant type fault current limiter. In Proceedings of the 7th Asia-Pacific International Symposium on Electromagnetic Compatibility, Shenzhen, China, 17–21 May 2016; pp. 84–87. [Google Scholar]
- Abapour, M.; Jalilian, A.; Hagh, M.T.; Muttaqi, K.M. DC-link fault current limiter-based fault ride-through scheme for inverter-based distributed generation. IET Renew. Power Gener. 2015, 9, 690–699. [Google Scholar] [CrossRef]
- Naderi, S.B.; Negnevitsky, M.; Jalilian, A.; Hagh, M.T. Efficient fault ride-through scheme for three phase voltage source inverter-interfaced distributed generation using DC link adjustable resistive type fault current limiter. Renew. Energy 2016, 92, 484–498. [Google Scholar] [CrossRef]
- Marei, M.I.; El-Goharey, H.S.K.; Toukhy, R.M. Fault ride-through enhancement of fixed speed wind turbine using bridge-type fault current limiter. J. Electr. Syst. Inf. Technol. 2016, 3, 119–126. [Google Scholar] [CrossRef]
- Radmanesh, H. Distribution Network Protection Using Smart Dual Functional Series Resonance based Fault Current and Ferroresonance Overvoltages Limiter. IEEE Trans. Smart Grid 2016, 8, 1. [Google Scholar] [CrossRef]
- Ko, S.; Lim, S. Analysis on magnetizing characteristics due to peak fault current limiting operation of a modified flux-lock-type SFCL with two magnetic paths. IEEE Trans. Appl. Supercond. 2016, 26, 4–8. [Google Scholar] [CrossRef]
- Radmanesh, H.; Fathi, S.H.; Gharehpetian, G.B. Novel high performance DC reactor type fault current limiter. Electr. Power Syst. Res. 2015, 122, 198–207. [Google Scholar] [CrossRef]
- Alam, M.S.; Abido, M.A.Y. Fault ride-through capability enhancement of voltage source converter-high voltage direct current systems with bridge type fault current limiters. Energies 2017, 10, 1898. [Google Scholar] [CrossRef]
- Alam, M.S.; Hussein, A.; Abido, M.A.; Al-Hamouz, Z.M. VSC-HVDC system stability augmentation with bridge type fault current limiter. In Proceedings of the 6th International Conference on Clean Electrical Power, Santa Margherita Ligure, Italy, 27–29 June 2017; pp. 531–535. [Google Scholar]
- Nourmohamadi, H.; Nazari-Heris, M.; Sabahi, M.; Abapour, M. A Novel Structure for Bridge-Type Fault Current Limiter: Capacitor Based Nonsuperconducting FCL. IEEE Trans. Power Electron. 2017, 33, 3044–3051. [Google Scholar] [CrossRef]
- Ko, S.C.; Han, T.H.; Lim, S.H. Study on peak current limiting characteristics of a flux-lock type SFCL with two magnetically coupled circuits. Phys. Procedia 2013, 45, 305–308. [Google Scholar] [CrossRef]
- Majka, M.; Kozak, J.; Kozak, S.; Wojtasiewicz, G.; Janowski, T. Design and numerical analysis of the 15 kV class coreless inductive type SFCL. IEEE Trans. Appl. Supercond. 2015, 25. [Google Scholar] [CrossRef]
- Kozak, J.; Majka, M.; Kozak, S.; Janowski, T. Comparison of inductive and resistive SFCL. IEEE Trans. Appl. Supercond. 2013, 23, 6–9. [Google Scholar] [CrossRef]
- Chen, L.; Chen, H.; Shu, Z.; Zhang, G.; Xia, T.; Ren, L. Comparison of inductive and resistive SFCL to robustness improvement of a VSC-HVDC system with wind plants against DC fault. IEEE Trans. Appl. Supercond. 2016, 26. [Google Scholar] [CrossRef]
- Naderi, S.B.; Jafari, M.; Tarafdar Hagh, M. Controllable resistive type fault current limiter (CR-FCL) with frequency and pulse duty-cycle. Int. J. Electr. Power Energy Syst. 2014, 61, 11–19. [Google Scholar] [CrossRef]
- Xin, Y.; Gong, W.Z.; Sun, Y.W.; Cui, J.B.; Hong, H.; Niu, X.Y.; Wang, H.Z.; Wang, L.Z.; Li, Q.; Zhang, J.Y.; et al. Factory and field tests of a 220 kV/300 MVA statured iron-core superconducting fault current limiter. IEEE Trans. Appl. Supercond. 2013, 23. [Google Scholar] [CrossRef]
- Hyun, O.B.; Yim, S.W.; Yu, S.D.; Yang, S.E.; Kim, W.S.; Kim, H.R.; Lee, G.H.; Sim, J.; Park, K.B. Long-term operation and fault tests of a 22.9 kV hybrid SFCL in the KEPCO test grid. IEEE Trans. Appl. Supercond. 2011, 21, 2131–2134. [Google Scholar] [CrossRef]
- Kim, H.R.; Yang, S.E.; Yu, S.D.; Kim, H.; Kim, W.S.; Park, K.; Hyun, O.B.; Yang, B.M.; Sim, J.; Kim, Y.G. Installation and testing of SFCLs. IEEE Trans. Appl. Supercond. 2012, 22, 704–707. [Google Scholar] [CrossRef]
- Rashid, G.; Ali, M.H. Nonlinear control-based modified BFCL for LVRT capacity enhancement of DFIG based wind farm. IEEE Trans. Energy Convers. 2017, PP, 284–295. [Google Scholar] [CrossRef]
- Kaiho, K.; Yamaguchi, H.; Arai, K.; Umeda, M.; Yamaguchi, M.; Kataoka, T. A current limiter with superconducting coil for magnetic field shielding. Phys. C Supercond. Appl. 2001, 354, 115–119. [Google Scholar] [CrossRef]
- Hekmati, A.; Vakilian, M.; Fardmanesh, M. Proposed flux-based optimization method for determination of minimum superconductor material in shield-type superconducting fault current limiters. Sci. Iran. 2012, 19, 1843–1849. [Google Scholar] [CrossRef]
- Jung, B.I.; Choi, H.W.; Choi, H.S. Reduction of the power burden of a transformer-type SFCL using a vacuum interrupter. IEEE Trans. Appl. Supercond. 2015, 25, 4–7. [Google Scholar] [CrossRef]
- Kim, J.S.; Lim, S.H.; Kim, J.C. Study on protection coordination of a flux-lock type SFCL with over-current relay. IEEE Trans. Appl. Supercond. 2010, 20, 1159–1163. [Google Scholar] [CrossRef]
- Ji, T.; He, X.; Li, X.; Liu, K.; Zhang, M. Performance analysis and research on LVRT of PMSG wind power systems with SDBR. In Proceedings of the 33rd Chinese Control Conference, Nanjing, China, 28–30 July 2014; pp. 6953–6958. [Google Scholar]
- Okedu, K.E.; Muyeen, S.M.; Takahashi, R.; Tamura, J. Wind farms fault ride through using DFIG with new protection scheme. IEEE Trans. Sustain. Energy 2012, 3, 242–254. [Google Scholar] [CrossRef]
- Shawon, M.H.; Al-durra, A.; Caruana, C.; Muyeen, S.M. Small signal stability analysis of doubly fed induction generator including SDBR. In Proceedings of the 15th International Conference on Electrical Machines and Systems (ICEMS), Sapporo, Japan, 21–24 October 2012; pp. 31–39. [Google Scholar]
- Okedu, K.E. Enhancing DFIG wind turbine during three-phase fault using parallel interleaved converters and dynamic resistor. IET Renew. Power Gener. 2016, 10, 1211–1219. [Google Scholar] [CrossRef]
- Ali, M.H.; Hossain, M.M. Transient stability improvement of doubly fed induction generator based variable speed wind generator using DC resistive fault current limiter. IET Renew. Power Gener. 2015, 18, 803–809. [Google Scholar] [CrossRef]
- Hussein, A.A.; Hasan Ali, M. Comparison among series compensators for transient stability enhancement of doubly fed induction generator based variable speed wind turbines. IET Renew. Power Gener. 2016, 10, 116–126. [Google Scholar] [CrossRef]
- Hoshino, T.; Muta, I.; Nakamura, T.; Salim, K.M.; Yamada, M. Non-inductive variable reactor design and computer simulation of rectifier type superconducting fault current limiter. IEEE Trans. Appl. Supercond. 2005, 15, 2063–2066. [Google Scholar] [CrossRef]
- Kozak, S.; Janowski, T.; Wojtasiewicz, G.; Kozak, J.; Kondratowicz-Kucewicz, B.; Majka, M. The 15 kV class inductive SFCL. IEEE Trans. Appl. Supercond. 2010, 20, 1203–1206. [Google Scholar] [CrossRef]
- Shirai, Y.; Noda, S.; Yamabe, K.; Hattori, K.; Baba, J.; Nishihara, T.; Nitta, T.; Kobayashi, S.; Sato, K. Current limiting performance of three-phase concentric transformer type SFCL at unbalanced fault conditions. IEEE Trans. Appl. Supercond. 2013, 23, 3–7. [Google Scholar] [CrossRef][Green Version]
- Choi, S.G.; Choi, H.S.; Ha, K.H. Analysis of recovery characteristics of three-phase transformer type SFCL per types of faults according to reclosing system. IEEE Trans. Appl. Supercond. 2012, 22, 4–7. [Google Scholar] [CrossRef]
- Cho, Y.S.; Choi, H.S.; Jung, B.I. Current limiting and recovering characteristics of three-phase transformer-type SFCL with neutral lines according to reclosing procedure. IEEE Trans. Appl. Supercond. 2011, 21, 2205–2208. [Google Scholar] [CrossRef]
- Choi, H.S.; Lee, J.H.; Cho, Y.S.; Park, H.M. Recovery behaviors of the transformer-type SFCL with or without neutral lines. IEEE Trans. Appl. Supercond. 2009, 19, 1793–1796. [Google Scholar] [CrossRef]
- Yamabe, K.; Yonemura, N.; Shirai, Y.; Baba, J. Current limiting and recovery tests under load of three-phase transformer type coaxial SFCL in a model power system. IEEE Trans. Appl. Supercond. 2014, 24. [Google Scholar] [CrossRef]
- Choi, H.S.; Cho, Y.S. Critical current equalization via neutral lines in a transformer-type SFCL. IEEE Trans. Appl. Supercond. 2008, 18, 733–736. [Google Scholar] [CrossRef]
- Fushiki, K.; Nitta, T.; Baba, J.; Suzuki, K. Design and basic test of SFCL of transformer type by use of Ag sheathed BSCCO wire. IEEE Trans. Appl. Supercond. 2007, 17, 1815–1818. [Google Scholar] [CrossRef]
- Moghadasi, A.; Sarwat, A.; Guerrero, J.M. Multiobjective optimization in combinatorial wind farms system integration and resistive SFCL using analytical hierarchy process. Renew. Energy 2016, 94, 366–382. [Google Scholar] [CrossRef]
- Sung, B.C.; Park, J. Optimal parameter selection of resistive SFCL applied to a power system using eigenvalue analysis. IEEE Trans. Appl. Supercond. 2010, 20, 1147–1150. [Google Scholar] [CrossRef]
- Ahn, M.C.; Park, D.K.; Yang, S.E.; Kim, M.J.; Chang, H.M.; Yoon, Y.S.; Seok, B.Y.; Park, J.W.; Ko, T.K. Recovery characteristics of resistive SFCL wound with YBCO coated conductor in a power system. IEEE Trans. Appl. Supercond. 2007, 17, 1859–1862. [Google Scholar] [CrossRef]
- Zou, Z.C.; Xiao, X.Y.; Liu, Y.F.; Zhang, Y.; Wang, Y.H. Integrated protection of DFIG-based wind turbine with a resistive-type SFCL under symmetrical and asymmetrical faults. IEEE Trans. Appl. Supercond. 2016, 26. [Google Scholar] [CrossRef]
- Zou, Z.C.; Xiao, X.Y.; Ou, R.; Li, C.S. Low-voltage ride-through capability enhancement of DFIG-based wind turbine with a resistive-type SFCL connected in series with rotor winding. In Proceedings of the IEEE International Conference on Applied Superconductivity and Electromagnetic Devices, Shanghai, China, 20–23 November 2015; pp. 42–43. [Google Scholar]
- Morandi, A.; Imparato, S.; Grasso, G.; Berta, S.; Martini, L.; Bocchi, M.; Fabbri, M.; Negrini, F.; Ribani, P.L. Design of a DC resistive SFCL for application to the 20 kV distribution system. IEEE Trans. Appl. Supercond. 2010, 20, 1122–1126. [Google Scholar] [CrossRef]
- Kim, H.; Lee, J.Y.; Kim, H.R.; Yang, S.E.; Yu, S.D.; Kim, W.S.; Hyun, O.B.; Ko, J.; Yeom, H. An effect of HTS wire configuration on quench recovery time in a resistive SFCL. IEEE Trans. Appl. Supercond. 2013, 23, 7–10. [Google Scholar] [CrossRef]
- Zhu, J.; Zheng, X.; Qiu, M.; Zhang, Z.; Li, J.; Yuan, W. Application simulation of a resistive type superconducting fault current limiter (SFCL) in a transmission and wind power system. In Proceedings of the 7th International Conference on Applied Energy, Abu Dhabi, UAE, 28–31 April 2015; pp. 716–721. [Google Scholar]
- Didier, G.; Bonnard, C.H.; Lubin, T.; Leveque, J. Comparison between inductive and resistive SFCL in terms of current limitation and power system transient stability. Electr. Power Syst. Res. 2015, 125, 150–158. [Google Scholar] [CrossRef]
- Mafra, G.R.F.Q.; Sotelo, G.G.; Fortes, M.Z.; Sousa, W.T.B.D. Application of resistive superconducting fault current limiters in offshore oil production platforms. Electr. Power Syst. Res. 2017, 144, 107–114. [Google Scholar] [CrossRef]
- Behzad, S.; Negnevitsky, M.; Jalilian, A.; Tarafdar, M.; Muttaqi, K.M. Low voltage ride-through enhancement of DFIG-based wind turbine using DC link switchable resistive type fault current limiter. Electr. Power Energy Syst. 2017, 86, 104–119. [Google Scholar]
- Lee, S.; Yoon, J.; Lee, B. Analysis model development and specification proposal of hybrid superconducting fault current limiter (SFCL). Phys. C Supercond. Appl. 2010, 470, 1615–1620. [Google Scholar] [CrossRef]
- Choi, H.S.; Cho, Y.S.; Lim, S.H. Operational characteristics of hybrid-type SFCL by the number of secondary windings with YBCO films. IEEE Trans. Appl. Supercond. 2006, 16, 719–722. [Google Scholar] [CrossRef]
- De, S.K.; Raja, P. A study on relay coordination in a distribution system with distributed generation and hybrid SFCL. In Proceedings of the IEEE AFRICON Conference, Pointe-Aux-Piments, Mauritius, 9–12 September 2013; pp. 1–6. [Google Scholar] [CrossRef]
- Kim, W.S.; Hyun, O.B.; Park, C.R.; Yim, S.W.; Yu, S.D.; Yang, S.E.; Kim, H.S.; Kim, H.R. Dynamic characteristics of a 22.9 kV hybrid SFCL for short-circuit test considering a simple coordination of protection system in distribution networks. IEEE Trans. Appl. Supercond. 2012, 22, 3–6. [Google Scholar] [CrossRef]
- Lim, S.H. Operational characteristics of a flux-lock-type SFCLWith an uninterruptible power supplying function. IEEE Trans. Appl. Supercond. 2014, 24, 1404–1407. [Google Scholar]
- Lim, S.H.; Ko, S.; Han, T.H. Analysis on fault current limiting and recovery characteristics of a flux-lock type SFCL with an isolated transformer. Phys. C Supercond. Appl. 2013, 484, 263–266. [Google Scholar] [CrossRef]
- Han, T.H.; Ko, S.C.; Lim, S.H. Current limiting characteristics of a flux-lock type SFCL using two triggered HTSC elements. Phys. Procedia 2013, 45, 297–300. [Google Scholar] [CrossRef]
- Lim, S.H.; Moon, J.F.; Kim, J.C. Improvement on current limiting characteristics of a flux-lock type SFCL using E-I core. IEEE Trans. Appl. Supercond. 2009, 19, 1904–1907. [Google Scholar] [CrossRef]
- Lim, S.H. Analysis on current limiting characteristics of a transformer type SFCL with two triggering current levels. Phys. C Supercond. Appl. 2013, 484, 253–257. [Google Scholar] [CrossRef]
- Morandi, A.; Fabbri, M.; Ribani, P.L. Coupled electromagnetic-thermal model and equivalent circuit of a magnetic shield type SFCL. IEEE Trans. Appl. Supercond. 2013, 23. [Google Scholar] [CrossRef]
- Hekmati, A.; Hosseini, M.; Vakilian, M.; Fardmanesh, M. A novel method of flat YBCO rings development for shield-type superconducting fault current limiters fabrication. Phys. C Supercond. Appl. 2012, 472, 39–43. [Google Scholar] [CrossRef]
- Onishi, T.; Kawasumi, M.; Sasaki, K.I.; Akimoto, R. An experimental study on a fast self-acting magnetic shield type superconducting fault current limiter. IEEE Trans. Appl. Supercond. 2002, 12, 868–871. [Google Scholar] [CrossRef]
- Fabbri, M.; Morandi, A.; Negrini, F.; Ribani, P.L. Temperature dependent equivalent circuit of a magnetic-shield type SFCL. IEEE Trans. Appl. Supercond. 2005, 15, 2078–2081. [Google Scholar] [CrossRef]
- Heydari, H.; Abrishami, A.A.; Bidgoli, M.M. Comprehensive analysis for magnetic shield superconducting fault current limiters. IEEE Trans. Appl. Supercond. 2013, 23. [Google Scholar] [CrossRef]
- Fabbri, M.; Morandi, A.; Negrini, F.; Ribani, P.L. Magnetic-shield-type fault current limiter equivalent circuit. IEEE Trans. Appl. Supercond. 2004, 14, 1966–1973. [Google Scholar] [CrossRef]
- Liang, F.; Yuan, W.; Zhu, J.; Zhang, M.; Venuturumilli, S.; Li, J.; Patel, J.; Zhang, G. Experimental test of two types of non-inductive solenoidal coils for superconducting fault current cimiters use. IEEE Trans. Appl. Supercond. 2017, 27, 1505–1509. [Google Scholar] [CrossRef]
- Furuse, M.; Yamasaki, H.; Manabe, T.; Sohma, M.; Kondo, W.; Yamaguchi, I.; Kumagai, T.; Kaiho, K.; Arai, K.; Nakagawa, M. Current limiting properties of MOD-YBCO thin films stabilized with high-resistivity alloy shunt layer. IEEE Trans. Appl. Supercond. 2007, 17, 3479–3482. [Google Scholar] [CrossRef]
- Firouzi, M.; Gharehpetian, G.B.; Mozafari, B. Improvement of power system stability by using new switching technique in bridge-type fault current limiter. Electr. Power Components Syst. 2016, 43, 234–244. [Google Scholar] [CrossRef]
- Kim, M.J.; Chang, H.M.; Sim, J.; Yim, S.W.; Hyun, O.B. Emergency blackout operation of cryogenic system for hybrid SFCL. IEEE Trans. Appl. Supercond. 2011, 21, 1284–1287. [Google Scholar] [CrossRef]
- Zhao, Y.; Saha, T.K.; Krause, O.; Li, Y. Performance analysis of resistive and flux-lock type SFCL in electricity networks with DGs. In Proceedings of the IEEE Power and Energy Society General Meeting, Denver, CO, USA, 22–26 July 2015; pp. 1–5. [Google Scholar]
- Kado, H.; Ickikawa, M. Performance of a high-Tc superconducting fault current limiter-design of a 6.6 kV magnetic shielding type superconducting fault current limiter. IEEE Trans. Appl. Supercond. 1997, 7, 993–996. [Google Scholar] [CrossRef]
- Janowski, T.; Kozak, S.; Malinowski, H.; Wojtasiewicz, G.; Kondratowicz-Kucewicz, B.; Kozak, J. Properties comparison of superconducting fault current limiters with closed and open core. IEEE Trans. Appl. Supercond. 2003, 13, 2072–2075. [Google Scholar] [CrossRef]
- Alam, M.S.; Abido, M.A.Y. Fault Ride Through Capability Enhancement of a Large-Scale PMSG Wind System with Bridge Type Fault Current Limiters. Adv. Electr. Comput. Eng. 2018, 18, 43–50. [Google Scholar] [CrossRef]
- Jafari, M.; Naderi, S.B.; Hagh, M.T.; Abapour, M.; Hosseini, S.H. Voltage sag compensation of point of common coupling (PCC) using fault current limiter. IEEE Trans. Power Deliv. 2011, 26, 2638–2646. [Google Scholar] [CrossRef]
- Rashid, G.; Ali, M.H. Bridge-type fault current limiter for asymmetric fault ride-through capacity enhancement of doubly fed induction machine based wind generator. In Proceedings of the 2014 IEEE Energy Conversion Congress and Exposition, Pittsburgh, PA, USA, 14–18 September 2014; pp. 1903–1910. [Google Scholar] [CrossRef]
- Guo, W.; Xiao, L.; Dai, S.; Xu, X.; Li, Y.; Wang, Y. Evaluation of the performance of BTFCLs for enhancing LVRT capability of DFIG. IEEE Trans. Power Electron. 2015, 30, 3623–3637. [Google Scholar] [CrossRef]
- Zhang, X.; Ruiz, H.S.; Geng, J.; Coombs, T.A. Optimal location and minimum number of superconducting fault current limiters for the protection of power grids. Int. J. Electr. Power Energy Syst. 2017, 87, 136–143. [Google Scholar] [CrossRef]
- Yu, P.; Venkatesh, B.; Member, S.; Yazdani, A.; Member, S. Optimal location and sizing of fault current limiters in mesh networks using iterative mixed integer nonlinear programming. IEEE Trans. POWER Syst. 2016, 31, 4776–4783. [Google Scholar] [CrossRef]
- Zare, S.; Ali, A.H.K.; Hashemi, S.M.; Katebi, F.; Khalili, R. Fault current limiter optimal placement by harmony search algorithm. In Proceedings of the 22nd International Conference on Electricity Distribution, Stockholm, Sweden, 10–13 June 2013; pp. 10–13. [Google Scholar]
- Kim, S.-Y.; Kim, W.-W.; Kim, J.-O. Determining the location of superconducting fault current limiter considering distribution reliability. IET Gener. Transm. Distrib. 2012, 6, 240–246. [Google Scholar] [CrossRef]
- Teng, J.-H.; Lu, C.-N. Optimum fault current limiter placement with search space reduction technique. IET Gener. Transm. Distrib. 2010, 4, 485–494. [Google Scholar] [CrossRef]
- Sung, B.C.; Member, S.; Park, D.K.; Park, J. Study on optimal location of a resistive SFCL applied to an electric power grid. IEEE Trans. Appl. Supercond. 2009, 19, 2048–2052. [Google Scholar] [CrossRef]
- Chantachiratham, P.; Hongesombut, K. PSO based approach for optimum fault current limiter placement in power system. In Proceedings of the 9th International Conference on Electrical Engineering/Electronics, Computer, Telecommunications and Information Technology, Phetchaburi, Thailand, 16–18 May 2012; pp. 1–4. [Google Scholar]
- Didier, G.; Lévêque, J.; Rezzoug, A. A Novel approach to determine the optimal location of SFCL in electric power grid to improve power system stability. IEEE Trans. Power Syst. 2013, 28, 978–984. [Google Scholar] [CrossRef]
- El Moursi, M.S.; Hegazy, R. Novel technique for reducing the high fault currents and enhancing the security of ADWEA power system. IEEE Trans. Power Syst. 2013, 28, 140–148. [Google Scholar] [CrossRef]
- Hongesombut, K.; Mitani, Y.; Tsuji, K. Optimal location assignment and design of superconducting fault current limiters applied to loop Power systems. IEEE Trans. Appl. Supercond. 2003, 13, 1828–1831. [Google Scholar] [CrossRef]
- Mahmoudian, A.; Niasati, M.; Khanesar, M.A. Multi objective optimal allocation of fault current limiters in power system. Int. J. Electr. Power Energy Syst. 2017, 85, 1–11. [Google Scholar] [CrossRef]
- Sadi, M.A.H.; Ali, M.H. Transient stability enhancement by bridge type fault current limiter considering coordination with optimal reclosing of circuit breakers. Electr. Power Syst. Res. 2015, 124, 160–172. [Google Scholar] [CrossRef]
- Seo, S.; Kim, S.J.; Moon, Y.H.; Lee, B. A hybrid superconducting fault current limiter for enhancing transient stability in Korean power systems. Phys. C 2013, 494, 331–334. [Google Scholar] [CrossRef]
- Kim, H.; Yang, S.; Yu, S.; Kim, H.; Park, B.; Han, Y.; Park, K.; Yu, J. Development and grid operation of superconducting fault current limiters in KEPCO. IEEE Trans. Appl. Supercond. 2014, 24, 2504–2507. [Google Scholar]
- Angeli, G.; Bocchi, M.; Ascade, M.; Rossi, V.; Valzasina, A.; Martini, L. Development of superconducting devices for power grids in Italy: Update about the SFCL project and launching of the research activity on HTS cables. IEEE Trans. Appl. Supercond. 2016, 27, 406–411. [Google Scholar] [CrossRef]
- Martini, L.; Bocchi, M.; Angeli, G.; Ascade, M.; Rossi, V.; Valzasina, A.; Ravetta, C.; Fratti, S.; Martino, E. Live grid field-testing final results of the first Italian superconducting fault current limiter and severe 3-phase fault experience. IEEE Trans. Appl. Supercond. 2015, 25. [Google Scholar] [CrossRef]
- Hyun, O.B.; Park, K.B.; Sim, J.; Kim, H.R.; Yim, S.W.; Oh, I.S. Introduction of a hybrid SFCL in KEPCO grid and local points at issue. IEEE Trans. Appl. Supercond. 2009, 19, 1946–1949. [Google Scholar] [CrossRef]
- Martini, L.; Bocchi, M.; Ascade, M.; Valzasina, A.; Rossi, V.; Ravetta, C.; Angeli, G. Live-grid installation and field testing of the first Italian superconducting fault current limiter. IEEE Trans. Appl. Supercond. 2013, 23, 3–6. [Google Scholar] [CrossRef]
- Alam, M.S.; Razzak, A.; Hasan, N.; Chowdhury, A.H. Transmission Capacity Enhancement of East-West Interconnectors Using Series-Shunt Compensation. In Proceedings of the International Conference on Electrical and Computer Engineering, Dhaka, Bangladesh, 20–22 December 2012; pp. 579–582. [Google Scholar]
- Alam, M.S.; Chowdhury, A.H.; Hasan, M.N. Comparison of series and combined series-shunt compensation on East-West Interconnectors of Bangladesh Power System. In Proceedings of the 3rd International Conference on Advances in Electrical Engineering, Dhaka, Bangladesh, 17–19 December 2015; pp. 280–283. [Google Scholar]
- Hossain, M.A.; Pota, H.R.; Issa, W.; Hossain, M.J. Overview of AC microgrid controls with inverter-interfaced generations. Energies 2017, 10, 1300. [Google Scholar] [CrossRef]
- Rana, J.; Alam, M.S.; Islam, S. Continuous Wavelet Transform Based Analysis of Low Frequency Oscillation in Power System. In Proceedings of the 3rd International Conference on Advances in Electrical Engineering, Dhaka, Bangladesh, 17–19 December 2015; pp. 320–323. [Google Scholar]
- Hossain, M.K.; Ali, M.H. Transient stability augmentation of PV/DFIG/SG-based hybrid power system by parallel-resonance bridge fault current limiter. Electr. Power Syst. Res. 2016, 130, 89–102. [Google Scholar] [CrossRef]
- Alaraifi, S.; El Moursi, M.S.; Zeineldin, H.H. Optimal allocation of HTS-FCL for power system security and stability enhancement. IEEE Trans. Power Syst. 2013, 28, 4702–4711. [Google Scholar] [CrossRef]
- Sjostrom, M.; Cherkaoui, R.; Dutoit, B. Enhancement of power system transient stability using superconducting fault current limiters. IEEE Trans. Appl. Supercond. 1999, 9, 1328–1330. [Google Scholar] [CrossRef]
- Generation, W.P.; Fereidouni, A.R.; Vahidi, B.; Member, S.; Mehr, T.H. The impact of solid state fault current limiter on power network with wind-turbine power generation. IEEE Trans. Smart Grid 2013, 4, 1188–1196. [Google Scholar]
- Emhemed, A.S.; Tumilty, R.M.; Singh, N.K.; Burt, G.M.; McDonald, J.R. Analysis of transient stability enhancement of LV-connected induction microgenerators by using resistive-type fault current limiters. IEEE Trans. Power Syst. 2010, 25, 885–893. [Google Scholar] [CrossRef]
- He, H.; Chen, L.; Yin, T.; Cao, Z.; Yang, J.; Tu, X.; Ren, L. Application of a SFCL for fault ride-through capability enhancement of DG in a microgrid system and relay protection coordination. IEEE Trans. Appl. Supercond. 2016, 26, 608–615. [Google Scholar] [CrossRef]
- Khan, U.A.; Seong, J.K.; Lee, S.H.; Lim, S.H.; Lee, B.W. Feasibility analysis of the positioning of superconducting fault current limiters for the smart grid application using Simulink and SimPowerSystem. IEEE Trans. Appl. Supercond. 2011, 21, 2165–2169. [Google Scholar] [CrossRef]
- Ahmed, S.; Khaliq, A.; Uddin, S.M.; Uddin, S. Stability enhancement in smart grid by using superconducting fault current limiter. In Proceedings of the Symposium on Recent Advances in Electrical Engineering (RAEE), Islamabad, Pakistan, 19–20 October 2015; pp. 1–6. [Google Scholar]
- Chen, Y.; Liu, X.; Sheng, J.; Cai, L.; Jin, Z.; Gu, J.; An, Z.; Yang, X.; Hong, Z. Design and application of a superconducting fault current limiter in a multiterminal HVDC systems. IEEE Trans. Appl. Supercond. 2014, 24, 805–809. [Google Scholar] [CrossRef]
- Chen, L.; Chen, H.; Yang, J.; Zhu, L.; Tang, Y.; Koh, L.H.; Xu, Y. Comparison of superconducting fault current limiter and dynamic voltage restorer for LVRT improvement of high penetration microgrid. IEEE Trans. Appl. Supercond. 2017, 27, 607–613. [Google Scholar] [CrossRef]
- Manohar, P.; Ahmed, W. Superconducting fault current limiter to mitigate the effect of DC line fault in VSC-HVDC system. In Proceedings of the 2012 International Conference on Power, Signals, Controls and Computation, Thrissur, India, 3–6 January 2012; pp. 1–6. [Google Scholar]
- Li, B.; Jing, F.; Jia, J.; Li, B. Research on Saturated Iron-Core Superconductive Fault Current Limiters Applied in VSC-HVDC Systems. IEEE Trans. Appl. Supercond. 2016, 26. [Google Scholar] [CrossRef]
- Moghadasi, A.; Sarwat, A.I. Optimal analysis of resistive superconducting fault current limiters applied to a variable speed wind turbine system. In Proceedings of the IEEE SoutheastCon, Fort Lauderdale, FL, USA, 9–12 April 2015; pp. 1–7. [Google Scholar]
- Ashraf, M.; Sadi, H.; Ali, M.H. Transient Stability Enhancement of Multi- Machine Power System By Parallel Resonance Type Fault Current Limiter. In Proceedings of the North American Power Symposium (NAPS), Charlotte, NC, USA, 4–6 October 2015; pp. 1–6. [Google Scholar]
- Sadi, M.A.H.; Ali, M.H. Combined Operation of SFCL and Optimal Reclosing of Circuit Breakers for Power System Transient Stability Enhancement. In Proceedings of the IEEE Southeastcon, Jacksonville, FL, USA, 4–7 April 2013; pp. 1–6. [Google Scholar]
- Firouzi, M.; Gharehpetian, G.B. Improving fault ride-through capability of fixed-speed wind turbine by using bridge-type fault current limiter. IEEE Trans. Energy Convers. 2013, 28, 361–369. [Google Scholar] [CrossRef]
- Hossain, M.K.; Ali, M.H. Transient Stability Augmentation of PV/DFIG/SG-Based Hybrid Power System by Nonlinear Control-Based Variable Resistive FCL. IEEE Trans. Sustain. Energy 2015, 6, 1638–1649. [Google Scholar] [CrossRef]
- Singh, N.K.; Tumilty, R.M.; Burt, G.M.; Bright, C.G.; Brozio, C.C.; Roberts, D.A.; Smith, A.C.; Husband, M. System-Level Studies of a MgB2 Superconducting Fault-Current Limiter in an Active Distribution Network. IEEE Trans. Appl. Supercond. 2010, 20, 54–60. [Google Scholar] [CrossRef]
- Li, B.; Li, C.; Guo, F.; Xin, Y. Overcurrent Protection Coordination in a Power Distribution Network with the Active Superconductive Fault Current Limiter. IEEE Trans. Appl. Supercond. 2014, 24, 3–6. [Google Scholar] [CrossRef]
- Liang, C. Winding Technology and Experimental Study on 500 kV Superconductive Fault Current Limiter. IEEE Trans. Appl. Supercond. 2018, 28, 5601105–5601109. [Google Scholar] [CrossRef]
- Qiu, D.; Li, Z.Y.; Gu, F.; Huang, Z.; Zhao, A.; Hu, D.; Wei, B.G.; Huang, H.; Hong, Z.; Ryu, K.; et al. Experiment study on an inductive superconducting fault current limiter using no-insulation coils. Phys. C Supercond. Appl. 2018, 546, 1–5. [Google Scholar] [CrossRef]













| Items | Superconducting FCL | Non-Superconducting FCL | References |
|---|---|---|---|
| Size and weight | Big size and heavy weight. | Small in size and less weight. | [36,37] |
| Cost | As the required inductor and resistor are superconducting nature, it has high implantation cost. | Less cost due to non-superconducting nature of required inductor and resistor. | [38,39,40,41] |
| Loss | Most of them have no loss during normal operation; however, inductive type SFCL has loss in normal operating condition. | It has loss in normal operation of the system. | [42,43,44,45] |
| Implementation status | Some of them like saturated iron core, hybrid and resistive SFCL have been practically implemented in power systems in some countries. | Recently proposed bridge fault current limiter (BFCL), modified BFCL, transformer coupled BFCL have not been implemented in real systems. Detailed feasibility analysis is needed to be done for practical implementation. | [30,46,47,48,49] |
| Interference with neighboring communication line | It has interference with communication line. | No interference with communication line has been reported in any research article. | [30,50,51] |
| Fault detection and control systems | Most of them does not require additional fault detection and control system. | Most of the non-superconducting FCL needs additional fault detection and control circuit. | [25,26,27,30] |
| Topology complexity | Most of them has highly complex circuit topology. | Structure is very simple for most of them. | [32,52,53,54,55,56,57,58,59] |
| SFCL Types | Advantages | Disadvantages | References |
|---|---|---|---|
| Non-inductive |
|
| [60,95,96] |
| Inductive |
|
| [42,43,44,45] |
| Transformer |
|
| [65] |
| Resistive |
|
| [5,69,70,71,72,73,74,75,76,77,78,79,80,97] |
| Hybrid |
|
| [80,81,82,83,98] |
| Flux-lock |
|
| [36,41,86,99] |
| Magnetic Shield |
|
| [91,93,100,101] |
| FCL Type | FCL Position | Required Number of Units | Transformer | Semiconductor Devices | Controller Circuit |
|---|---|---|---|---|---|
| SDBR | AC side | 3 units | Not needed | IGBT | Needed |
| BFCL | AC side | 3 units | Not needed | IGBT plus diodes | Needed |
| MBFCL | AC side | 3 units | Not needed | IGBT plus diodes | Needed |
| DLFCL | DC side | 1 unit | Not needed | Only diodes | Not Needed |
| Transformer coupled BFCL | AC side | 3 units | Needed | Thyristors and diode | Needed |
| Objective Function | Used Method/Algorithm | FCL Types | Considered Network | Features | References |
|---|---|---|---|---|---|
| Minimization of main-backup overcurrent relay (OCR)-pairs coordination maintenance index and the total cost of required FCLs. | Multi objective Particle Swarm Optimization (MOPSO) | Impedance SFCL | IEEE 30-bus meshed system and IEEE 33-bus radial system |
| [23] |
| Minimization of number of SFCLs, fault current and optimal relay operating time | Scenario optimization | Hybrid resistive SFCL | 17-bus power system with DGs |
| [18] |
| Maximizing reliability, Minimizing fault current and FCLs cost | Pareto algorithms | Impedance SFCL | IEEE 39-bus and 57 bus systems |
| [116] |
| Minimization of total installed cost, including a fixed cost of installation and incremental cost of impedance | Iterative mixed integer nonlinear programming | Impedance SFCL | The IEEE 9-bus, IEEE 30-bus and a real North American 395-bus transmission system |
| [107] |
| Minimization of angular deviations between the rotors of the synchronous machines | Transient stability index method | Resistive SFCL | IEEE benchmarked four-machine two-area test system |
| [113] |
| Minimization of power loss | Sensitivity index method | Resistive SFCL | IEEE benchmarked four-machine two-area test system |
| [111] |
| Minimization of FCLs unit and parameters | Genetic algorithm | Impedance SFCL | Six-bus test system and IEEE 30-bus system |
| [110] |
| Country | FCL Type | FCL Rating | Test Names | Test Results | References |
|---|---|---|---|---|---|
| China | Saturated iron-core superconducting fault current limiter (SI-SFCL) | 220 kV/300 MVA |
| AC coil deformation, oil tank pressure, insulation resistance of AC/DC coil, AC voltage withstanding capability were as expected in the test results. | [46] |
| Korea | Hybrid superconducting fault current limiter (SFCL) | 25.8 kV/630 A and 22.9 kV/630 A |
| Cryostat suspension has been experienced during test for several times due to blackouts and false alarms. Most of the problem were solved during tests. Temperatures, liquid nitrogen level and internal pressure remained within ±0.1 K, ±0.5 cm and ±0.3 bar range respectively under all load conditions, proving stability in cooling superconducting elements. Finally, it has been stated that SFCL is capable of functioning reliably under repeated faults. | [47,48] |
| Italy | Resistive-type SFCL | 9 kV/3.4 MVA |
| SFCL behavior for 24 h test duration in grid shows promising results | [121,123] |
© 2018 by the authors. Licensee MDPI, Basel, Switzerland. This article is an open access article distributed under the terms and conditions of the Creative Commons Attribution (CC BY) license (http://creativecommons.org/licenses/by/4.0/).
Share and Cite
Alam, M.S.; Abido, M.A.Y.; El-Amin, I. Fault Current Limiters in Power Systems: A Comprehensive Review. Energies 2018, 11, 1025. https://doi.org/10.3390/en11051025
Alam MS, Abido MAY, El-Amin I. Fault Current Limiters in Power Systems: A Comprehensive Review. Energies. 2018; 11(5):1025. https://doi.org/10.3390/en11051025
Chicago/Turabian StyleAlam, Md Shafiul, Mohammad Ali Yousef Abido, and Ibrahim El-Amin. 2018. "Fault Current Limiters in Power Systems: A Comprehensive Review" Energies 11, no. 5: 1025. https://doi.org/10.3390/en11051025
APA StyleAlam, M. S., Abido, M. A. Y., & El-Amin, I. (2018). Fault Current Limiters in Power Systems: A Comprehensive Review. Energies, 11(5), 1025. https://doi.org/10.3390/en11051025

