A Proportional Resonant Controller for Suppressing Resonance in Grid Tied Multilevel Inverter
Abstract
:1. Introduction
2. System Description
2.1. PV Array Modeling
2.2. MPPT Controller
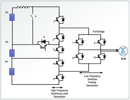
2.3. Grid Interfaced RVT MLI
Modes of Operation of RVT MLI
2.4. Grid Interfaced Inverter with LCL Filter
Modeling of grid interfaced inverter with LCL Filter
3. PR-D Prevails over Two Degrees and Current Feedback Controller
4. Conclusions
Author Contributions
Conflicts of Interest
References
- Azary, M.T.; Sabahi, M.; Babaei, E.; Meinagh, F.A.A. Modified Single-Phase Single-Stage Grid-Tied Flying Inductor Inverter with MPPT and Suppressed Leakage Current. IEEE Trans. Ind. Electr. 2018, 65, 221–231. [Google Scholar] [CrossRef]
- Onar, O.C.; Kobayashi, J.; Erb, D.C.; Khaligh, A. A Bidirectional High-Power-Quality Grid Interface with a Novel Bidirectional Noninverted Buck–Boost Converter for PHEVs. IEEE Trans. Veh. Technol. 2012, 61, 2018–2032. [Google Scholar] [CrossRef]
- Hanif, M.; Khadkikar, V.; Xiao, W.; Kirtley, J.L. Two Degrees of Freedom Active Damping Technique for LCL Filter-Based Grid Connected PV Systems. IEEE Trans. Ind. Electr. 2014, 61, 2795–2803. [Google Scholar] [CrossRef]
- Jones, M.; Vukosavic, S.N.; Dujic, D.; Levi, E.; Wright, P. Five-leg inverter PWM technique for reduced switch count two-motor constant power applications. IET Electr. Power Appl. 2008, 2, 275–287. [Google Scholar] [CrossRef]
- Sharma, R.K.; Mishra, S. Dynamic Power Management and Control of a PV PEM Fuel-Cell-Based Standalone Ac/Dc Microgrid Using Hybrid Energy Storage. IEEE Trans. Ind. Appl. 2018, 54, 526–538. [Google Scholar] [CrossRef]
- Yang, F.; Xia, N.; Han, Q.L. Event-Based Networked Islanding Detection for Distributed Solar PV Generation Systems. IEEE Trans. Ind. Inform. 2017, 13, 322–329. [Google Scholar] [CrossRef]
- Jeong, H.-G.; Kim, G.-S.; Lee, K.-B. Second-Order Harmonic Reduction Technique for Photovoltaic Power Conditioning Systems Using a Proportional-Resonant Controller. Energies 2013, 6, 79–96. [Google Scholar] [CrossRef]
- Hu, G.; Chen, C.; Shanxu, D. New Active damping strategy for LCL filter based grid connected inverters with harmonics compensation. J. Power Electr. 2013, 13, 287–295. [Google Scholar] [CrossRef]
- Yao, W.; Chen, M.; Matas, J.; Guerrero, J.M.; Qian, Z.M. Design and Analysis of the Droop Control Method for Parallel Inverters Considering the Impact of the Complex Impedance on the Power Sharing. IEEE Trans. Ind. Electr. 2011, 58, 576–588. [Google Scholar] [CrossRef]
- Wu, W.; He, Y.; Tang, T.; Blaabjerg, F. A New Design Method for the Passive Damped LCL and LLCL Filter-Based Single-Phase Grid-Tied Inverter. IEEE Trans. Ind. Electr. 2012, 60, 4339–4350. [Google Scholar] [CrossRef]
- Hanif, M.; Khadkikar, V.; Xiao, W.; James, K.L. Two degrees of freedom active damping technique for LCL filter-based grid connected PV systems. IEEE Trans. Ind. Electr. 2014, 61, 2795–2803. [Google Scholar] [CrossRef]
- Zhang, J.; Zheng, W.X. Design of Adaptive Sliding Mode Controllers for Linear Systems via Output Feedback. IEEE Trans. Ind. Electr. 2014, 61, 3553–3562. [Google Scholar] [CrossRef]
- Mehrasa, M.; Pouresmaeil, E.; Catalao, J.P.S. Direct Lyapunov Control Technique for the Stable Operation of Multilevel Converter Based Distributed Generation in Power Grid. IEEE J. Emerg. Sel. Top. Power Electr. 2014, 2, 931–941. [Google Scholar] [CrossRef]
- Mehrasa, M.; Pouresmaeil, E.; Akorede, M.F.; Jorgensen, B.N.; Catalao, J.P.S. Multilevel converter control approach of active power filter for harmonics elimination in electric grids. Energy 2015, 84, 722–731. [Google Scholar] [CrossRef]
- Mehrasa, M.; Pouresmaeil, E.; Akorede, M.F.; Zabihi, S.; Catalao, J.P.S. Function-based modulation control for modular multilevel converters under varying loading and parameters conditions. IET Gener. Transm. Distrib. 2017, 11, 3222–3230. [Google Scholar] [CrossRef]
- Mehrasa, M.; Pouresmaeil, E.; Taheri, S.; Vechiu, I.; Catalao, J.P.S. Novel Control Strategy for Modular Multilevel Converters Based on Differential Flatness Theory. IEEE J. Emerg. Sel. Top. Power Electr. 2017, 99. [Google Scholar] [CrossRef]
- Mehrasa, M.; Pouresmaeil, E.; Akorede, M.F.; Zabihi, S.; Catalao, J.P.S. A multi-loop control technique for the stable operation of modular multilevel converters in HVDC transmission systems. Int. J. Electr. Power Energy Syst. 2018, 96, 194–207. [Google Scholar] [CrossRef]
- Zhang, N.; Tang, H.; Yao, C. A Systematic Method for Designing a PR Controller and Active Damping of the LCL Filter for Single-Phase Grid-Connected PV Inverters. Energies 2014, 7, 3934–3954. [Google Scholar] [CrossRef]
- Lorzadeh, I.; Abyaneh, A.H.; Savaghebi, M.; Bakhshai, A.; Guerrero, J.M. Capacitor Current Feedback-Based Active Resonance Damping Strategies for Digitally-Controlled Inductive-Capacitive-Inductive-Filtered Grid-Connected Inverters. Energies 2016, 9, 642. [Google Scholar] [CrossRef]
- Zhang, W.; Remon, D.; Cantarellas, A.M.; Rodriguez, P. A Unified Current Loop Tuning Approach for Grid-Connected Photovoltaic Inverters. Energies 2016, 9, 723. [Google Scholar] [CrossRef]
- Espi, J.M.; Garcia-Gil, R.; Castello, J. Capacitive Emulation for LCL-Filtered Grid-Connected Converters. Energies 2017, 10, 930. [Google Scholar] [CrossRef]
- Xu, J.; Xie, S.; Tang, T. Active damping-based control for grid-connected LCL-filtered inverter with injected grid current feedback only. IEEE Trans. Ind. Electr. 2014, 61, 4756–4758. [Google Scholar] [CrossRef]





















| Inverter side inductance, L1 | 17.67 mH |
| Grid side inductance, L2 | 5.7 mH |
| Filter capacitor, C | 10 µF |
| Damping Resistor, Rd | 11.3 ohm |
© 2018 by the authors. Licensee MDPI, Basel, Switzerland. This article is an open access article distributed under the terms and conditions of the Creative Commons Attribution (CC BY) license (http://creativecommons.org/licenses/by/4.0/).
Share and Cite
Oruganti, H.; Dash, S.S.; Nallaperumal, C.; Ramasamy, S. A Proportional Resonant Controller for Suppressing Resonance in Grid Tied Multilevel Inverter. Energies 2018, 11, 1024. https://doi.org/10.3390/en11051024
Oruganti H, Dash SS, Nallaperumal C, Ramasamy S. A Proportional Resonant Controller for Suppressing Resonance in Grid Tied Multilevel Inverter. Energies. 2018; 11(5):1024. https://doi.org/10.3390/en11051024
Chicago/Turabian StyleOruganti, Hemakesavulu, Subranshu Sekhar Dash, Chellammal Nallaperumal, and Sridhar Ramasamy. 2018. "A Proportional Resonant Controller for Suppressing Resonance in Grid Tied Multilevel Inverter" Energies 11, no. 5: 1024. https://doi.org/10.3390/en11051024
APA StyleOruganti, H., Dash, S. S., Nallaperumal, C., & Ramasamy, S. (2018). A Proportional Resonant Controller for Suppressing Resonance in Grid Tied Multilevel Inverter. Energies, 11(5), 1024. https://doi.org/10.3390/en11051024

